|
|
(21), (22) Заявка: 2008140642/11, 13.10.2008
(24) Дата начала отсчета срока действия патента:
13.10.2008
(46) Опубликовано: 20.06.2010
(56) Список документов, цитированных в отчете о поиске:
RU 2317925 C1, 27.06.2008. RU 2308402 C2, 20.10.2007. US 4871012 A, 03.10.1989. US 5036905 A, 06.08.1991.
Адрес для переписки:
662972, Красноярский край, ЗАТО Железногорск, г. Железногорск, ул. Ленина, 52, ОАО “ИСС”, Р.П. Туркеничу
|
(72) Автор(ы):
Тестоедов Николай Алексеевич (RU), Косенко Виктор Евгеньевич (RU), Бартенев Владимир Афанасьевич (RU), Халиманович Владимир Иванович (RU), Данилов Евгений Николаевич (RU), Близневский Александр Сергеевич (RU), Акчурин Владимир Петрович (RU), Алексеев Николай Григорьевич (RU), Загар Олег Вячеславович (RU), Гупало Виктор Кузьмич (RU), Воловиков Виталий Гавриилович (RU), Колесников Анатолий Петрович (RU), Сергеев Юрий Дмитриевич (RU), Трубкин Петр Иванович (RU), Туркенич Роман Петрович (RU), Шилкин Олег Валентинович (RU)
(73) Патентообладатель(и):
Открытое акционерное общество “Информационные спутниковые системы” имени академика М.Ф. Решетнева” (RU)
|
(54) СПОСОБ ЗАПРАВКИ ТЕПЛОНОСИТЕЛЕМ ГИДРОМАГИСТРАЛИ СИСТЕМЫ ТЕРМОРЕГУЛИРОВАНИЯ КОСМИЧЕСКОГО АППАРАТА И УСТРОЙСТВО ДЛЯ ЕГО РЕАЛИЗАЦИИ
(57) Реферат:
Изобретение относится к космической технике, в частности к способам и устройствам заправки теплоносителем гидромагистралей систем терморегулирования телекоммуникационных спутников. Способ заправки заключается в том, что гидромагистрали собирают из чистых, сухих и герметичных элементов, заправляют чистым растворителем, выдерживают под повышенным допустимым для гидромагистрали давлением, циркулируют и сливают растворитель из гидромагистрали, проводят вакуумную сушку, определяют величины изменения объемов гидромагистрали системы и магистралей устройства для заправки. Перед заправкой гидромагистрали кратковременно вакуумируют полость над зеркалом деаэрированного теплоносителя для контроля степени его деаэрированности, а после полного заполнения гидромагистрали теплоносителем дважды: до начала операций контроля чистоты и после получения требуемой чистоты теплоносителя. Устройство включает в себя заправочный и дренажные баки с уровнемерами, соединенные с вакуумным агрегатом и источником сжатого газа магистралями, которые снабжены вентилями и измерителями давлений и температуры, а также дренажную и заправочную магистрали, в последней из которых установлен гидронасос с измерителем расхода теплоносителя, фильтр и эталонную емкость. Между входом и выходом магистрали устройства и выходом и входом гидромагистрали системы предусмотрены два устройства сопряжения: к выходу заправочной магистрали присоединен вход первого устройства сопряжения, содержащего один вход и два выхода, сообщенных через вентили с указанным входом, а к входу дренажной магистрали присоединен выход второго устройства сопряжения, содержащего один выход и два входа, сообщенных через вентили с указанным выходом. Съемный фильтр для контроля чистоты теплоносителя установлен после него. Достигается повышение надежности и обеспечение качественного изготовления системы терморегулирования космического аппарата. 2 н.п. ф-лы, 3 ил.
Изобретение, созданное авторами в порядке выполнения служебного задания, относится к космической технике – к способам и устройствам для заправки теплоносителем (жидким или двухфазным) гидромагистралей систем терморегулирования (СТР) космических аппаратов (КА), например телекоммуникационных спутников.
В настоящее время телекоммуникационные спутники, как правило, создаются со сроком активного существования на орбите (САС) не менее 15 лет и для гарантированного обеспечения САС:
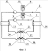
– гидромагистраль СТР выполняют состоящей их двух (сдублированных) гидравлических контуров, каждый из которых для заправки теплоносителем имеет по одному входу (например, гидроразъему) и по одному выходу (например, гидроразъему), и в каждом контуре предусмотрено по одному компенсатору объема (гидроаккумулятору), герметизированная (ампулизированная) газовая полость которого заправлена двухфазным рабочим телом и разделена от жидкостной полости сильфоном (см. фиг.1, где 1 – первый контур; 2 – второй контур; 20 – выходы первого и второго контуров – выход гидромагистрали; 21 – входы первого и второго контуров – вход гидромагистрали; 7 – компенсатор объема первого контура; 8 – компенсатор объема второго контура; 9, 10 – сильфоны; 11, 12 – гидронасосы; 13, 14 – панели с приборами; 15, 16 – гибкие трубопроводы);
– гидромагистраль СТР должна быть изготовлена высококачественно: чистые и герметичные внутренние полости гидромагистрали должны быть заправлены соответствующим количеством чистого деаэрированного теплоносителя, т.е. параметрами качественного изготовления гидромагистрали являются:
– после сборки гидромагистрали до заправки теплоносителем должна быть проведена проверка степени герметичности гидромагистрали СТР: суммарная негерметичность внутренней полости гидромагистрали по утечке контрольной среды, например 100% гелия, должна быть не более заданной в технической документации (ТД) нормы;
– после обеспечения требуемой герметичности отвакуумированная внутренняя полость должна быть заправлена определенным количеством чистого деаэрированного теплоносителя:
предварительно внутренняя полость должна быть отвакуумирована, например, до давления не выше 1 мм рт.ст.;
заправляемый теплоноситель должен быть отдеаэрирован, т.е. из него удален растворенный воздух, например парциальное давление воздуха должно быть не более 5 мм рт.ст.;
после заправки гидромагистрали определенным количеством деаэрированного теплоносителя в гидромагистрали не должно быть пузырей нерастворенного воздуха более допустимой нормы.
И предусмотренная технология изготовления СТР – способ заправки теплоносителем гидромагистрали (герметичной) и устройство для его реализации (заправщик) должны обеспечить вышеуказанные требования по качественному изготовлению СТР.
В настоящее время известен способ удаления из гидромагистрали несливаемых остатков теплоносителя по патенту RU 2307774 [1] путем удаления несливаемых остатков теплоносителя предварительным перемешиванием его полностью испаряющимся компонентом теплоносителя с последующим сливом полученной смеси и проведением вакуумной сушки. Для практически полного удаления неиспаряющихся остатков (компонентов) теплоносителя необходимо вышеуказанный объем работ (цикл) повторять многократно (до 5 раз). Практика показывает, что в среднем для проведения одного такого цикла для существующих спутников потребуется не менее 10-12 ч времени. Таким образом, если выполнить один цикл удаления остатков теплоносителя, – не обеспечивается качественная подготовка гидромагистрали к проверке герметичности, а увеличение количества циклов приводит к неприемлемым затратам материально-технических средств (изооктана, электроэнергия и т.п.) и времени технологии изготовления СТР.
Также известны способы заправки теплоносителем гидромагистралей и устройства их реализации (заправщики) по патентам RU  2300492 [2], 2308402 [3], 2317925 [4].
Согласно [2] для измерения объема пузырей нерастворенного газа в гидромагистрали с использованием вновь введенного в конструкцию заправщика дополнительного устройства с уровнемером предварительно полностью заполненную теплоносителем гидромагистраль СТР отключают от заправочного бака под избыточным давлением, т.е. гидромагистраль СТР, до следующей операции открытия заправочного вентиля гидромагистрали СТР, остается без компенсации температурного изменения объема теплоносителя и велика вероятность недопустимого повышения давления в ней в результате повышения температуры окружающего СТР воздуха, вплоть до повреждения гидромагистрали – потери герметичности или из-за пребывания под недопустимо высоким давлением СТР потеря герметичности гидромагистрали в будущем из-за скрытого брака в результате воздействия недопустимо высокого давления в ней; кроме того, известный способ определения объема газовых пузырей обеспечивает недостоверное измерение объема газовых пузырей, т.к. в СТР всегда имеются упругие элементы (например, гибкие трубопроводы) и изменение объема в уровнемере вполне возможно и обусловлено упругой деформацией упругих элементов, а газовых пузырей в гидромагистрали может быть и нет. Согласно известному способу, если измеренное изменение объема в уровнемере больше допустимого (хотя это может быть обусловлено только упругой деформацией упругих элементов гидромагистрали СТР), приходится слить и перезаправлять гидромагистраль теплоносителем (в принципе – многократно), что
неприемлемо в условиях изготовления СТР, т.к. при этом потребуются бесцельные неоправданные затраты материально-технических средств и времени изготовления СТР. Кроме того, введение дополнительного устройства с уровнемером в конструкцию заправщика усложняет его конструкцию, увеличивает количество вентилей, которыми работают операторы, и, следовательно, это увеличивает вероятность ошибки операторов в процессе заправки СТР, и вполне возможно с отрицательными последствиями для СТР, например, в случае несвоевременного сообщения полностью заправленной теплоносителем гидромагистрали с заправщиком.
Согласно [3] для измерения объема нерастворенных пузырей в теплоносителе путем измерения минимально возможного конструктивного объема газовой полости компенсатора также, как и в [2], применяется способ отключения полностью заправленной теплоносителем гидромагистрали (и находящейся под избыточным давлением) от емкостей заправщика, т.е. также вполне возможна вероятность разрушения гидромагистрали или преждевременной потери ее герметичности в условиях САС; точно также, как и в [2], измеренный по этому способу объем нерастворенного газа в действительности вполне возможно является не объемом нерастворенного газа в теплоносителе гидромагистрали, а является изменением объема гидромагистрали из-за упругой деформации ее упругих элементов.
Как видно из вышеизложенного, известные технические решения согласно [2] и [3], в частности, не обеспечивают достоверный контроль наличия нерастворенных пузырей газа, не говоря уже о повышении точности контроля величины объема нерастворенных пузырей, о чем некорректно изложено в этих известных решениях.
Согласно [3] устройство заправки имеет достаточно простую и оптимальную для наземной эксплуатации конструкцию и обеспечивает измерение параметров качества заправки.
Однако, как показал анализ, если гидромагистраль СТР содержит два контура, в случае использования устройства [3] осложняется процесс заправки СТР теплоносителем: приходится дважды повторять заправку СТР; с учетом этого, если потребуется контролировать чистоту заправленного в каждый контур теплоносителя на отсутствие механических частиц в нем, сложность заправки еще более возрастает, а продолжительность заправки еще более существенно увеличится (наличие механических частиц в теплоносителе (гидромагистрали) выше определенной величины недопустимо для исключения заклинивания подвижных частей СТР, например гидронасосов), и вышеуказанное осложнение процесса заправки теплоносителем может отрицательно повлиять на качество СТР, а также увеличивается продолжительность заправки СТР.
Согласно [4] предложенное устройство для заправки жидким теплоносителем СТР КА отличается от известного заправщика согласно [3] тем, что предложенный заправщик существенно осложнен без достижения видимых улучшений качества заправки теплоносителем гидромагистрали СТР:
– по контролю степени деаэрации и времени деаэрации теплоносителя: исходя из опыта заправок СТР КА существующий заправщик согласно [3] вполне качественно обеспечивает заправку СТР деаэрированным теплоносителем – замечаний в этой части во время САС спутников, например, в последние 20 лет не зафиксировано;
– по обеспечению вакуумирования заправляемых магистралей и их герметичности: многолетняя практика показывает, что при качественной сборке стыков (с соответствующей моментной затяжкой) линий заправки и дренажа качественная герметичность их обеспечивается, при этом общее время вакуумирования магистралей при использовании качественных (высушенных предварительно) элементов заправщика и линий заправки и дренажа небольшое: не превышает, например, 2 ч, при общем времени заправки, например, 48 ч; т.е. относительно мал и все осложнения, предложенные в [4], только осложняют проведение и увеличивают количество операций, выполняемых операторами при заправке, и велика вероятность повышения появления ошибок при работе с отрицательными последствиями для СТР.
Таким образом, как показал анализ, предложенные известные технические решения не могут быть приняты к реализации в производстве СТР спутников из-за ухудшения качества СТР после (при) использования их при заправке гидромагистралей теплоносителем (возможно разрушение гидромагистрали в процессе заправки или скрытый брак: потеря гидромагистралью герметичности на начальном этапе САС из-за пребывания гидромагистрали под недопустимо высоким давлением), а также осложняется процесс заправки теплоносителем и не обеспечивается высоконадежный контроль чистоты заправленного теплоносителя, а до заправки теплоносителем перед проверкой герметичности гидромагистрали и после проверки обеспечивается недостаточно качественная подготовка гидромагистрали.
Таким образом, общим существенным недостатком известных технических решений [1], [2], [3], [4] является недостаточно высокая надежность обеспечения качественного изготовления СТР КА с САС, например не менее 15 лет, в процессе подготовки к заправке, заправки теплоносителем гидромагистрали и контроля параметров качества заправки теплоносителем.
Анализ источников информации по патентной и научно-технической литературе показал, что наиболее близкими по технической сути прототипами предлагаемых технических решений являются способ заправки теплоносителем гидромагистрали СТР КА и устройство для заправки теплоносителем гидромагистрали СТР КА на основе изложенных в [3].
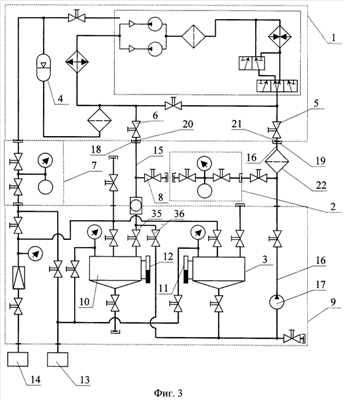
На основе [3] способ заправки теплоносителем гидромагистрали СТР заключается в следующем (см. фиг.3):
– осуществляют сборку гидромагистрали СТР 1 монтажной сваркой стыков между элементами;
– измеряют объем гидромагистрали СТР 1 с использованием эталонной емкости 2 (подключив ее к входу гидромагистрали);
– проводят проверку степени герметичности гидромагистрали СТР 1, для чего СТР помещают в вакуумную камеру, подают в гидромагистраль 100% гелий и определяют утечку его, которая должна быть не более заданной в ТД;
– проводят деаэрацию теплоносителя в заправочном баке 3, для чего полость над зеркалом теплоносителя вакууммируют до тех пор, пока давление над зеркалом не установится до стабильного значения, равного давлению насыщенных паров теплоносителя при измеренной температуре;
– вакуумируют гидромагистраль СТР 1 и соответствующие магистрали заправщика, например, до давления не выше 1 мм рт.ст.;
– под избыточным давлением проводится полное заполнение гидромагистрали СТР 1, в т.ч. полное заполнение жидкостной полости компенсатора объема 4 (т.е. в это время сильфон компенсатора объема полностью сжат и объем газовой полости имеет конструктивно минимально возможную величину);
– затем закрывают заправочный 5 и дренажные 6 вентили гидромагистрали (т.е. с этого момента гидромагистраль СТР, полностью заполненная теплоносителем, остается без компенсации температурного изменения объема теплоносителя и в случае соответствующего повышения температуры окружающего воздуха давление в гидромагистрали СТР возрастает выше допустимого, вплоть до разрушения);
– с помощью эталонной емкости 7 фактически дважды измеряют объем (конструктивно минимально возможный) газовой полости компенсатора объема 4 СТР и на основе измеренных данных судят (как было указано выше – некорректно) о величине объема нерастворенного газа в гидромагистрали СТР;
– сообщают газовую полость с атмосферой и открывают заправочный вентиль 5 гидромагистрали и ее сообщают с полостью заправочного бака 3, находящегося под избыточным давлением (т.е. только с этого момента гидромагистраль СТР будет находиться под компенсацией температурного изменения объема теплоносителя);
– закрывают заправочный вентиль 5, открывают дренажный вентиль 6, закрывают вентили 35 и 36, затем открывают концевой вентиль 8 и сливают требуемую дозу теплоносителя из жидкостной полости компенсатора объема и закрывают дренажный вентиль 6;
– измеряют объем газовой полости, которая должна быть равна сумме объемов: минимально конструктивно возможного объема газовой полости компенсатора объема 4 плюс слитой дозы теплоносителя;
– разбирают схему заправки теплоносителем гидромагистрали СТР.
Известное устройство для заправки теплоносителем гидромагистрали (заправщик) [3], состыкованное с заправляемой теплоносителем гидромагистралью СТР 1 КА, изображено на фиг.3, где заправщик 9 включает в себя заправочный 3 и дренажный 10 баки с уровнемерами 11 и 12, соединенные с вакуумным агрегатом 13 и источником сжатого газа 14 магистралями, которые снабжены вентилями и измерителями давлений и температуры, а также дренажный 15 и заправочный 16 магистрали, в которой установлен гидронасос 17 с измерителем расхода теплоносителя, вход 18 и выход 19 которых в процессе заправки соответственно сообщены с выходом 20 и входом 21 гидромагистрали системы, фильтр 22, установленный в заправочной магистрали перед его выходом, и эталонную емкость 7 (2).
Как было указано выше, существенным недостатком известных технических решений [3] является недостаточно высокая надежность обеспечения качественного изготовления СТР КА с САС, например не менее 15 лет, в процессе подготовки к заправке, заправки теплоносителем гидромагистрали и контроля параметров качества заправки теплоносителем.
Целью предлагаемых авторами технических решений является устранение вышеуказанного существенного недостатка.
Поставленная цель достигается тем, что:
1. В способе заправки теплоносителем гидромагистрали СТР КА, содержащей в каждом жидкостном контуре компенсатор объема, герметизированная газовая полость которого заполнена двухфазным рабочим телом, включающем до заправки теплоносителем сборку гидромагистрали монтажной сваркой стыков между элементами, измерение объема сухой гидромагистрали и проверку герметичности гидромагистрали, затем подключение гидромагистрали системы к магистралям устройства для заправки, полное заполнение предварительно отвакуумированной гидромагистрали деаэрированным теплоносителем под избыточным давлением, с нерастворенным газом в гидромагистрали менее допустимой величины, после чего слив дозы теплоносителя из жидкостной полости компенсатора объема и контроль объема газовой полости – после сборки гидромагистрали из чистых, сухих и герметичных элементов ее заправляют чистым растворителем, совместимым с материалами гидромагистрали, испаряющимся при вакуумной сушке без остатков, выдерживают под повышенным допустимым для гидромагистрали давлением, циркулируют и сливают растворитель из гидромагистрали, прозводят вакуумную сушку, определяют величины изменения объемов гидромагистрали системы и магистралей устройства для заправки ( Vжест), участвующих в заправке системы, за счет упругой деформации их подачей двух различных давлений газа в них, а затем после проверки герметичности гидромагистрали проводят пропитку возможных микротечей сварных швов герметиком и осуществляют полимеризацию его, а деаэрацию теплоносителя в заправочном баке проводят заблаговременно и перед заправкой гидромагистрали кратковременно вакуумируют полость над зеркалом деаэрированного теплоносителя для контроля степени его деаэрированности, а после полного заполнения гидромагистрали теплоносителем дважды: до начала операций контроля чистоты и после получения требуемой чистоты теплоносителя – отсутствия механических частиц на съемном фильтре для контроля чистоты теплоносителя при прокачке через него теплоносителя не менее одного объема гидромагистрали с расходом не менее 70 см3/с, контролируют количество нерастворенных пузырей газа согласно соотношению
Vн.г.=Vг.м.”-Vг.м.’– Vжест | Vн.г.доп|,
где Vн.г. – объем нерастворенных пузырей газа в заправленной деаэрированным теплоносителем гидромагистрали, дм3;
Vг.м.”, Vг.м.’ – измеренные значения объемов теплоносителя в заправочном баке, жидкостная полость которого сообщена с гидромагистралью системы, при вышеуказанных двух различных давлениях газа над зеркалом теплоносителя в заправочном баке, дм3;
 Vжест – вышеопределенное суммарное изменение объемов гидромагистрали системы и магистралей устройства для заправки при вышеуказанных двух различных давлениях газа в них, дм3;
Vн.г.доп – допустимая согласно технической документации норма, дм3.
2. В устройстве для заправки теплоносителем гидромагистрали СТР КА, включающем в себя заправочный и дренажные баки с уровнемерами, соединенные с вакуумным агрегатом и источником сжатого газа магистралями, которые снабжены вентилями и измерителями давлений и температуры, а также дренажную и заправочную магистрали, в последней из которых установлен гидронасос с измерителем расхода теплоносителя, вход и выход которых в процессе заправки соответственно сообщены с выходом и входом гидромагистрали системы, фильтр, установленный в заправочной магистрали перед ее выходом, и эталонную емкость – между входом и выходом магистрали устройства и выходом и входом гидромагистрали системы предусмотрены два устройства сопряжения: к выходу заправочной магистрали присоединен вход первого устройства сопряжения, содержащего один вход и два выхода, сообщенных через вентили с указанным входом, а к входу дренажной магистрали присоединен выход второго устройства сопряжения, содержащего один выход и два входа, сообщенных через вентили с указанным выходом, причем съемный фильтр для контроля чистоты теплоносителя установлен после него,
что и является по мнению авторов существенными отличительными признаками предлагаемого авторами технического решения.
В результате анализа, проведенного авторами известной патентной и научно-технической литературы, предложенное сочетание существенных отличительных признаков заявляемого технического решения в известных источниках информации не обнаружено и, следовательно, известные технические решения не проявляют тех же свойств, что в заявляемых способе заправки теплоносителем гидромагистрали СТР КА и устройстве для его реализации.
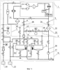
Предложенный способ заправки теплоносителем гидромагистрали СТР КА включает в себя выполняемые в следующей последовательности операции (см. фиг.1, где изображена гидравлическая принципиальная схема СТР после сборки, а на фиг.2 изображена схема СТР, гидромагистраль которой состыкована с магистралями предложенного авторами устройства заправки теплоносителем гидромагистрали СТР КА):
– осуществляют сборку гидромагистрали СТР 1 из чистых, сухих и герметичных элементов монтажной сваркой стыков между элементами;
– после сборки гидромагистрали СТР 1 монтажной сваркой ее заправляют чистым растворителем, совместимым с материалами гидромагистрали, испаряющимся при вакуумной сушке без остатков, выдерживают под повышенным допустимым для гидромагистрали давлением, циркулируют и сливают растворитель из гидромагистрали и проводят вакуумную сушку и определяют величину изменения объемов гидромагистрали системы 1 и магистралей устройства заправки ( Vжест) 9, участвующих в заправке системы 1, за счет упругой деформации их подачей двух различных избыточных давлений газа в них, например 0,5 ати и 1 ати;
– измеряют объем гидромагистрали 1 с использованием эталонной емкости 2 (подключив ее к входу гидромагистрали);
– проводят проверку степени герметичности гидромагистрали 1, для чего СТР помещают в вакуумную камеру, подают в гидромагистраль 100% гелий и определяют утечку его, которая должна быть не более заданной в ТД;
– затем после проверки герметичности гидромагистрали 1 производят пропитку возможных микротечей сварных швов герметиком и осуществляют полимеризацию его;
– деаэрацию теплоносителя в заправочном баке 3 проводят заблаговременно (например, не более 3 ч) и перед заправкой гидромагистрали 1 проводят кратковременное вакууммирование (например, 10-20 минут) полости над зеркалом деаэрированного теплоносителя для контроля степени его деаэрированности (деаэрацию теплоносителя проводят в заправочном баке, для чего полость над зеркалом теплоносителя вакууммируют до тех пор, пока давление над зеркалом не установится до стабильного значения, равного давлению насыщенных паров теплоносителя при измеренной температуре);
– вакуумируют гидромагистраль СТР 1 и соответствующие магистрали заправщика, например, до давления не выше 1 мм рт.ст.;
– под избыточным давлением (например, не более 1,5 ати) осуществляют полное заполнение гидромагистрали 1, в т.ч. полное заполнение жидкостной полости компенсатора объема (т.е. в это время сильфон компенсатора объема полностью сжат и объем газовой полости имеет конструктивно минимально возможную величину);
– после полного заполнения гидромагистрали 1 теплоносителем дважды: до начала операций контроля чистоты и после получения требуемой чистоты теплоносителя – отсутствия механических частиц на съемном контрольном фильтре 23 при прокачке через него теплоносителя не менее одного объема гидромагистрали с расходом не менее 70 см3/с, контролируют количество нерастворенных пузырей газа согласно соотношению (гидромагистраль СТР сообщена с полостью заправочного бака; при этих измерениях над зеркалом теплоносителя в заправочном баке последовательно устанавливают, например, 0,5 ати и 1 ати)
Vн.г.=Vг.м.”-Vг.м.’– Vжест |Vн.г.доп|,
где Vн.г – объем нерастворенных пузырей газа в заправленной деаэрированным теплоносителем гидромагистрали, дм3;
Vг.м.”, Vг.м.’ – измеренные по показанию уровнемера 11 значения объемов теплоносителя в заправленном баке, жидкостная полость которого сообщена с гидромагистралью системы, при вышеуказанных двух различных давлениях газа над зеркалом теплоносителя в заправочном баке, дм3;
 Vжест – вышеопределенное изменение объемов гидромагистрали системы и магистралей заправщика при вышеуказанных различных давлениях газа в них, дм3;
Vн.г.доп – допустимая согласно технической документации норма (которая на практике, как правило, задается равной суммарной погрешности измерений), дм3;
– закрывают вентили 35, 36, открывают (дренажные) вентили 30, 31 и закрывают (заправочные) вентили 32, 33, затем открывают концевой вентиль 8 и сливают требуемую дозу теплоносителя из жидкостной полости компенсатора объема и закрывают дренажный вентиль 6;
– контролируют объем газовой полости с использованием блока герконов (см. патент RU 2209750), который должен быть равен сумме объемов: минимально конструктивно возможного объема газовой полости компенсатора объема плюс слитой дозы теплоносителя;
– если замечания по предыдущим операциям не зафиксированы, значит гидромагистраль СТР 1 теплоносителем заправлена качественно (изготовлена качественно) и разбирают схему заправки теплоносителем гидромагистрали СТР.
Как видно из вышеизложенного, предложенный способ заправки теплоносителем гидромагистрали СТР КА:
– повышает качество подготовки гидромагистрали 1 (отдельно взятые элементы которой чистые, сухие и герметичные) перед проверкой ее герметичности в результате промывки ее чистым растворителем после монтажной сварки – из гидромагистрали удаляются возможные загрязнения, которые могли образоваться в процессе монтажной сварки, затем в результате проведения вакуумной сушки вскрываются возможные микротечи;
– исключает пребывание гидромагистрали СТР 1 под воздействием недопустимо повышенного давления в результате измерения изменения объемов гидромагистралей за счет упругой деформации подачей давлений газа с допустимыми величинами;
– повышает качество подготовки гидромагистрали в части повышения надежности обеспечения герметичности в результате пропитки возможных микротечей сварных швов герметиком;
– качество деаэрации теплоносителя в заправочном баке обеспечивают заблаговременным осуществлением его деаэрации, т.к. заправщик в период сборки гидромагистрали не задействован в работу;
– исключается пребывание гидромагистрали СТР 1 под воздействием недопустимо повышенного давления теплоносителя в ней в процессе измерения величины объема нерастворенных пузырей газа в гидромагистрали в результате сообщения при этих измерениях гидромагистрали 1 с полостью заправочного бака 3, имеющего свободный от теплоносителя объем над зеркалом теплоносителя;
– качество заправки теплоносителем гидромагистрали 1 без нерастворенных пузырей газа обеспечивается исключением из результатов измерений изменения объемов гидромагистралей в результате упругой деформации и повторным измерением объема нерастворенных пузырей газа после контроля чистоты теплоносителя;
– качество теплоносителя и гидромагистрали по обеспечению отсутствия механических частиц в них выше определенного размера обеспечивается прокачкой теплоносителя через съемный контрольный фильтр не менее одного объема гидромагистрали с расходом не менее 70 см3/с (согласно опытным данным при таком объеме прокачки и расходе имеющиеся в гидромагистрали и теплоносителе частицы полностью вымываются из гидромагистрали СТР и оседают, если они были в теплоносителе, на сетке контрольного фильтра).
Предложенное устройство заправки теплоносителя гидромагистрали СТР КА изображено на фиг.2 и включает в себя следующие элементы:
– заправочный и дренажные баки 3, 10 с уровнемерами 11, 12, соединенные с вакуумным агрегатом 13 и источником сжатого газа 14 магистралями, которые снабжены вентилями и измерителями давлений и температуры, а также дренажную и заправочную магистрали 15, 16, в последней установлен гидронасос 17 с измерителем расхода теплоносителя, вход 18 и выход 19 которых через два устройства сопряжения 24, 25 в процессе заправки соответственно сообщены с выходом 20 и входом 21 контуров гидромагистрали системы 1, фильтр 22, установленный в заправочной магистрали 16 перед ее выходом 19, и эталонную емкость 2;
– к выходу 19 заправочной магистрали присоединен вход 27 первого устройства сопряжения 25, содержащего один вход 27 и два выхода 29, сообщенных через вентили 32, 33 с указанным входом 19, а к входу 18 дренажной магистрали 15 присоединен выход 26 второго устройства сопряжения 24, содержащего один выход 26 и два входа 28, сообщенные через вентили 30, 31 с указанным выходом 26, причем съемный контрольный фильтр 23 установлен после него (на фиг.2 поз.4, 5, 6, 7, 34 – вентили).
Как видно из вышеизложенного, предложенное устройство для заправки теплоносителем гидромагистрали СТР КА обладает следующими положительными характеристиками:
– в результате введения в состав устройства двух устройств сопряжения 24, 25 упрощается процесс заправки теплоносителем гидромагистрали 1, содержащей два сдублированных контура, и, следовательно, повышается надежность обеспечения качественного изготовления СТР;
– в результате установки съемного контрольного фильтра 23 после выхода 26 второго устройства сопряжения 24 обеспечивается одновременная промывка обоих контуров гидромагистрали 1 с обеспечением требуемой чистоты (качества) гидромагистрали и теплоносителя, заправленного в оба контура.
Следует отметить, что вышепредложенные авторами способ заправки теплоносителем гидромагистрали и устройство для его реализации также высокоэффективны при использовании их для заправки СТР, изображенной в прототипе [3].
Следует также отметить, если в производстве СТР спутников используется автоматизированное устройство заправки теплоносителем гидромагистрали СТР, тогда электрические выходы измерителей расхода, давления и температуры теплоносителя, вентили (например, соленоидные) и гидронасос через интерфейсный преобразователь соединены с компьютером с соответствующим программным обеспечением.
Таким образом, как видно из вышеизложенного, в результате использования в производстве предложенных авторами способа заправки теплоносителем гидромагистрали СТР КА и устройства для его реализации повышается надежность обеспечения качественного изготовления СТР КА с длительным САС, например не менее 15 лет, и, следовательно, устраняется существенный недостаток известных технических решений, т.е. тем самым достигается цель изобретений.
Формула изобретения
1. Способ заправки теплоносителем гидромагистрали системы терморегулирования космического аппарата, содержащей в каждом жидкостном контуре компенсатор объема, герметизированная газовая полость которого заполнена двухфазным рабочим телом, включающий до заправки теплоносителем сборку гидромагистрали монтажной сваркой стыков между элементами, измерение объема сухой гидромагистрали и проверку герметичности гидромагистрали, затем подключение гидромагистрали системы к магистралям устройства для заправки, полное заполнение предварительно отвакуумированной гидромагистрали деаэрированным теплоносителем под избыточным давлением с нерастворенным газом в гидромагистрали менее допустимой величины, после чего слив дозы теплоносителя из жидкостной полости компенсатора объема и контроль объема газовой полости, отличающийся тем, что после сборки гидромагистрали из чистых, сухих и герметичных элементов ее заправляют чистым растворителем, совместимым с материалами гидромагистрали, испаряющимся при вакуумной сушке без остатков, выдерживают под повышенным допустимым для гидромагистрали давлением, циркулируют и сливают растворитель из гидромагистрали, проводят вакуумную сушку, определяют величины изменения объемов гидромагистрали системы и магистралей устройства для заправки ( Vжест), участвующих в заправке системы, подачей двух различных давлений газа в них, а затем после проверки герметичности гидромагистрали проводят пропитку возможных микротечей сварных швов герметиком и осуществляют полимеризацию его, а деаэрацию теплоносителя в заправочном баке проводят заблаговременно и перед заправкой гидромагистрали кратковременно вакуумируют полость над зеркалом деаэрированного теплоносителя для контроля степени его деаэрированности, а после полного заполнения гидромагистрали теплоносителем дважды: до начала операций контроля чистоты и после получения требуемой чистоты теплоносителя – отсутствия механических частиц на съемном фильтре для контроля чистоты теплоносителя при прокачке через него теплоносителя не менее одного объема гидромагистрали с расходом не менее 70 см3/с, контролируют количество нерастворенных пузырей газа согласно соотношению
Vн.г=Vг.м”-Vг.м’– Vжест | Vн.г.доп|, где Vн.г – объем нерастворенных пузырей газа в заправленной деаэрированным теплоносителем гидромагистрали, дм3; Vг.м”, Vг.м’ – измеренные значения объемов теплоносителя в заправочном баке, жидкостная полость которого сообщена с гидромагистралью системы, при вышеуказанных двух различных давлениях газа над зеркалом теплоносителя в заправочном баке, дм3;
 Vжест – вышеопределенное суммарное изменение объемов гидромагистрали системы и магистралей устройства для заправки при вышеуказанных двух различных давлениях газа в них, дм3;
Vн.г.доп – допустимая согласно технической документации норма, дм3.
2. Устройство для заправки теплоносителем гидромагистрали системы терморегулирования космического аппарата, включающее в себя заправочный и дренажные баки с уровнемерами, соединенные с вакуумным агрегатом и источником сжатого газа магистралями, которые снабжены вентилями и измерителями давлений и температуры, а также дренажную и заправочную магистрали, в последней из которых установлен гидронасос с измерителем расхода теплоносителя, вход и выход которых в процессе заправки соответственно сообщены с выходом и входом гидромагистрали системы, фильтр, установленный в заправочной магистрали перед ее выходом, и эталонную емкость, отличающееся тем, что между входом и выходом магистрали устройства и выходом и входом гидромагистрали системы предусмотрены два устройства сопряжения: к выходу заправочной магистрали присоединен вход первого устройства сопряжения, содержащего один вход и два выхода, сообщенных через вентили с указанным входом, а к входу дренажной магистрали присоединен выход второго устройства сопряжения, содержащего один выход и два входа, сообщенных через вентили с указанным выходом, причем съемный фильтр для контроля чистоты теплоносителя установлен после него.
РИСУНКИ
|
|