|
|
(21), (22) Заявка: 2009106350/11, 24.02.2009
(24) Дата начала отсчета срока действия патента:
24.02.2009
(46) Опубликовано: 20.06.2010
(56) Список документов, цитированных в отчете о поиске:
SU 1699863 A1, 23.12.1991. SU 1623078 A1, 10.09.1995. RU 2186708 C1, 10.08.2002. WO 03047963 A1, 12.06.2003. US 4661714 A, 28.04.1987. US 6188139 B1, 13.02.2001. JP 590182145 A, 30.01.1984.
Адрес для переписки:
196158, Санкт-Петербург, Московское ш., 44, ФГУП “ЦНИИ им. акад. А.Н. Крылова”, Управление персоналом, группа ИПС и патентоведения
|
(72) Автор(ы):
Свиридов Георгий Михайлович (RU), Пашин Валентин Михайлович (RU), Копченов Владимир Павлович (RU), Павлов Александр Александрович (RU)
(73) Патентообладатель(и):
Федеральное государственное унитарное предприятие “Центральный научно-исследовательский институт имени академика А.Н. Крылова” (ФГУП “ЦНИИ им. акад. А.Н. Крылова”) (RU)
|
(54) ЭЛЕКТРИЧЕСКАЯ ГРЕБНАЯ УСТАНОВКА (ВАРИАНТЫ)
(57) Реферат:
Изобретение относится к судовым двигательно-движительным установкам. Электрическая гребная установка содержит турбогенератор с системой управления частотой и напряжением, гребной электродвигатель переменного тока, редуктор, три управляемые разъединительные муфты, вторую систему управления. Турбогенератор соединен с гребным электродвигателем переменного тока через статический преобразователь параметров электроэнергии. В режиме экономичного хода вал гребного электродвигателя напрямую соединен с валом гребного винта, для чего включают первую муфту и выключают вторую и третью муфты. Для реализации режима полного хода вал гребного электродвигателя соединяют с валом гребного винта через редуктор, для этого выключают первую муфту и включают вторую и третью. Вход второй системы управления подключен к задатчику частоты вращения гребного винта, а ее выходы подключены к системе управления частотой и напряжением турбогенератора, к статическому преобразователю параметров электроэнергии, к управляемым разъединительным муфтам. Во втором варианте исполнения в качестве гребного электродвигателя применен электродвигатель постоянного тока, при этом статический преобразователь параметров электроэнергии выполнен в виде управляемого выпрямителя. Достигается снижение массогабаритных характеристик электроэнергетического оборудования гребной электрической установки, а также повышается ее экономичность. 2 н.п. ф-лы, 2 ил.
Предлагаемое изобретение относится к судовым малогабаритным гребным электрическим установкам, обеспечивающим экономичные режимы движения. Установка может быть применена на любых типах кораблей, судов и подводных аппаратов.
Известна гребная энергетическая установка (ГЭУ) (например, построенного в 2007 г. фрегата типа 45, ВМС Великобритании см. www.onr.navy.mil/t45), содержащая электростанцию с главным турбогенераторным агрегатом, питающим через преобразователь частоты напряжения гребной электродвигатель (ГЭД) большой мощности, вал которого соединен непосредственно с гребным валом, на котором закреплен гребной винт, обеспечивающая движение судна во всем диапазоне скоростей (так называемая ГЭУ с полным электродвижением). Максимальная частота вращения гребных винтов лежит обычно в диапазоне 100-250 об/мин, поэтому гребной электродвигатель должен быть низкооборотным и развивать большой момент.
Недостатком такой установки является большая масса и объем электроэнергетического оборудования, особенно ГЭД. Так, ГЭД мощностью 40 МВт, при частоте вращения линии вала 150 об/мин имеет массу около 400 т и габариты: длина 10 м при диаметре около 7 м. Преобразователь частоты напряжения на полную мощность также имеет довольно большую массу и объем (например, преобразователь мощностью 20000 кВт состоит из линейки электрошкафов высотой 2 м, глубиной 0,8 м и общей длиной 14 м). Массогабаритные характеристики оборудования ГЭУ в 1,5-2 раза хуже, чем у традиционной энергетической установки с механической передачей энергии от первичного двигателя (турбины, дизеля) на гребной вал через главный турбозубчатый агрегат (ГТЗА).
Известна также ГЭУ с полным электродвижением (прототип) – гребная установка буксира-толкателя «Клермонт», ВМС США (см. «Гребные электрические установки». Л., «Судостроение», 1985 г.), где ГЭД приводит во вращение гребной винт через постоянно включенный понижающий редуктор. Высокооборотный гребной электродвигатель с редуктором имеет существенно лучшие массогабаритные характеристики, чем прямодействующий низкооборотный ГЭД той же мощности. Однако постоянно включенный редуктор снижает КПД энергетической установки и увеличивает ее виброактивность.
Задачей предлагаемого изобретения является улучшение энергетических характеристик гребной электрической установки, уменьшение массы и снижение ее виброактивности на частичных режимах работы.
Это достигается тем, что в известную гребную электрическую установку, содержащую гребной электродвигатель, вал которого соединен с валом гребного винта через редуктор, турбогенератор (дизельгенератор), имеющий систему управления частотой и напряжением, соединенный с гребным электродвигателем через статический преобразователь параметров электроэнергии, по изобретению введены три управляемые разъединительные муфты, два автоматических выключателя с системами дистанционного управления, вторая система управления, задатчик частоты вращения гребного электродвигателя, причем вал гребного электродвигателя соединен с валом гребного винта через первую управляемую разъединительную муфту, редуктор и вторую управляемую разъединительную муфту, при этом вал гребного винта проходит через вторую управляемую разъединительную муфту, полый выходной вал редуктора, полый входной вал редуктора и соединен с валом электродвигателя через третью управляемую разъединительную муфту, выходы второй системы управления подключены к системе управления частотой и напряжением турбогенератора, к входу статического преобразователя параметров электроэнергии, выполненного в виде преобразователя частоты (и напряжения), к трем управляемым разъединительным муфтам и к дистанционному управлению первого и второго автоматических выключателей, вход второй системы управления подключен к задатчику частоты вращения гребного электродвигателя, при этом гребной электродвигатель подключен к турбогенератору через первый автоматический выключатель, а второй автоматический выключатель включен между гребным электродвигателем и статическим преобразователем частоты (и напряжения).
Во втором варианте исполнения устройство отличается тем, что в качестве гребного электродвигателя используется электродвигатель постоянного тока, а статический преобразователь параметров электроэнергии выполнен в виде управляемого выпрямителя, подключенного к гребному электродвигателю на всех режимах работы, при этом в устройство введены три управляемые разъединительные муфты, вторая система управления и задатчик частоты вращения гребного электродвигателя, причем вал гребного электродвигателя соединен с валом гребного винта через первую управляемую разъединительную муфту, редуктор и вторую управляемую разъединительную муфту, а вал гребного винта проходит через вторую управляемую разъединительную муфту, полый выходной вал редуктора, полый входной вал редуктора и соединен с валом электродвигателя через третью управляемую разъединительную муфту, выходы второй системы управления подключены к входу управляемого выпрямителя и к трем управляемым разъединительным муфтам, вход второй системы управления подключен к задатчику частоты вращения гребного электродвигателя, при этом гребной электродвигатель подключен к турбогенератору через управляемый выпрямитель.
Введение разъединительных муфт и второй системы управления позволяет разделить диапазон управления частотой вращения гребного винта на два поддиапазона:
– режим экономического хода (название условное), где частота вращения гребного винта выбирается в диапазоне от минимальной до частоты вращения, соответствующей экономическому (крейсерскому) ходу;
– режим полного хода (ПХ), где частота вращения гребного винта выбирается в диапазоне от экономического до полного хода судна.
В первом режиме гребной электродвигатель с помощью муфты напрямую соединяется с гребным валом без использования понижающего редуктора, что увеличивает коэффициент полезного действия ГЭУ и снижает вибрацию силовой установки. Регулирование частоты вращения ГЭД осуществляется с помощью преобразователя параметров (в первом варианте – частоты и величины напряжения), ограниченной мощности и, следовательно, небольших размеров и массы.
Во втором режиме редуктор включен, но электроэнергия от турбогенератора (дизельгенератора) передается к ГЭД без промежуточного статического преобразователя параметров электроэнергии, так как высокооборотный ГЭД и турбогенератор (дизельгенератор) могут быть выполнены с одинаковой номинальной частотой вращения, что также ведет к повышению коэффициента полезного действия ГЭУ в целом.
Гребной электродвигатель может быть электродвигателем переменного или постоянного тока. В зависимости от этого могут быть 2 варианта исполнения блок-схемы электрической гребной установки.
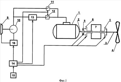
Сущность изобретения поясняется чертежами, где на Фиг.1 приведена блок-схема предлагаемой электрической гребной установки по первому варианту исполнения, а на Фиг.2 – по второму варианту исполнения.
Установка по первому варианту исполнения (см. Фиг.1) содержит гребной электродвигатель 1 переменного тока с валом 2, который соединен с линией вала 3 гребного винта 4 через разъединительную муфту 5. Гребной вал 3 через вторую разъединительную муфту 6, редуктор 7 и третью разъединительную муфту 8 соединен с валом 2 гребного электродвигателя 1. Гребной электродвигатель 1 подключен к турбогенератору, содержащему турбину 9 и генератор 10 (мощность которого рассчитана на обеспечение максимальной скорости судна), через две параллельные цепи: через первый автоматический выключатель 11, а также через второй автоматический выключатель 12 и статический преобразователь параметров электроэнергии, выполненный в виде преобразователя частоты (и напряжения) 13, мощность которого определена из условия обеспечения частот вращения гребного винта 4 для движения судна со скоростью, близкой к экономическому ходу.
Включение либо муфты 5, либо одновременно двух муфт 6 и 8 производится второй системой управления 14, в зависимости от положения задатчика частоты вращения 15, подключенного к входу второй системы управления 14. Необходимая частота вращения ГЭД устанавливается либо с помощью статического преобразователя частоты (и напряжения) 13, либо с помощью первой системы управления 16, управляющей частотой вращения турбины 9 и величиной напряжения генератора 10.
Входы первой системы управления 16, трех управляемых разъединительных муфт 5, 6, 8 и системы дистанционного управления первого 11 и второго 12 автоматических выключателей подключены к выходам второй системы управления 14.
Электрическая гребная установка по второму варианту исполнения (Фиг.2) отличается от первого варианта тем, что в качестве гребного электродвигателя используется электродвигатель постоянного тока, а статический преобразователь параметров электроэнергии выполнен в виде управляемого выпрямителя, подключенного к гребному электродвигателю на всех режимах работы.
В этом случае установка содержит гребной электродвигатель 1 постоянного тока с валом 2, который соединен с линией вала 3 гребного винта 4 через разъединительную муфту 5. Гребной вал 3 через вторую разъединительную муфту 6, редуктор 7 и третью разъединительную муфту 8 соединен с валом 2 гребного электродвигателя 1. Гребной электродвигатель 1 подключен к турбогенератору, содержащему турбину 9, генератор 10 и систему управления 11, через преобразователь параметров электроэнергии переменно-постоянного тока, выполненный в виде управляемого выпрямителя 12. Включение либо муфты 5, либо одновременно двух муфт 6 и 8 производится второй системой управления 13, в зависимости от положения задатчика частоты вращения 14, подключенного к входу второй системы управления 13. Необходимая частота вращения ГЭД устанавливается с помощью управляемого выпрямителя 12. Входы трех управляемых разъединительных муфт 5, 6, 8 подключены к выходам второй системы управления 13.
Установка в обоих вариантах исполнения может работать в двух режимах: экономического (ЭХ) и полного хода (ПХ). В экономическом режиме муфта 5 включена, а муфты 6 и 8 отключены.
ГЭД 1 должен быть рассчитан на мощность, достаточную для непосредственного, без редуктора привода гребного вала 3 при скорости движения судна, близкой к экономическому ходу. Расчеты показывают, что в этом режиме мощность ГЭД 1 составляет примерно 10-13% от полной мощности. Это следует из кубической зависимости, связывающей мощность силовой установки и частоту вращения гребного винта. Масса и габариты ГЭД 1 в этом режиме в 2-3 раза меньше, чем у гребного двигателя, рассчитанного на движение судна полным ходом (при безредукторном подсоединении к линии гребного вала).
В режиме полного хода муфта 5 отключена, а муфты 6 и 8 включены. В этом режиме ГЭД 1 должен развивать максимальную мощность, хотя габариты и объем его остаются неизменными. Это достигается повышением частоты его вращения и обусловливается использованием следующих обстоятельств.
Активный объем D2 iLi (Di – диаметр, Li – длина активного железа) ГЭД 1 выбирается из условия обеспечения мощности, необходимой для обеспечения экономического хода (ЭХ).
В режиме ПХ, благодаря применению редуктора, момент на валу ГЭД 1 (МГЭДПХ) не изменяется и остается равным моменту в режиме ЭХ (МГЭДЭХ), то есть

Коэффициент использования активного объема электрической машины, как известно (“Проектирование электрических машин” под ред. Копылова М.Э., 1980, стр.6) определяется равенством

где Р – мощность ГЭД 1,
n – частота вращения вала 2, ГЭД 1.
Из условий (1) и

следует, что мощность ГЭД 1 линейно связана с частотой вращения при неизменном активном объеме электрической машины.
Таким образом, активный объем ГЭД 1, определяемый из условия обеспечения необходимой мощности в режиме ЭХ, не изменяется и в режиме ПХ (мощность увеличивается при соответствующем повышении частоты вращения n вала ГЭД). Это предопределяет возможность создания главной энергетической установки с одним двигателем при значительно меньшей массе и габаритах (в отличие от прототипа в системе полного электродвижения).
Гребная установка может быть выполнена с применением ГЭД как переменного, так и постоянного тока, в связи с тем, что зависимости (1), (2), (3) справедливы и в том, и в другом случае.
Передаточное отношение редуктора 7 выбирается из условия непрерывного перекрытия всего диапазона частот вращения гребного вала 3. Обычно частота вращения гребного винта 4 в режиме ПХ примерно в 2 раза выше максимальной частоты вращения гребного винта 4 (и вала 2 ГЭД) в режиме ЭХ

где – диапазон изменения частоты вращения ГЭД 1.
В связи с кубической зависимостью мощности от частоты вращения мощность ГЭД в режиме ПХ может быть определена

Так как мощность и частота вращения ГЭД при неизменном моменте на валу связаны линейно, максимальная частота вращения ГЭД в режиме ПХ должна быть

Учитывая, что частота вращения гребного вала при этом возрастает в 2 раза, передаточное число редуктора 7 должно быть i=4. Это легко выполняется в случае использования простого одноступенчатого редуктора.
Турбогенератор выгодно выполнять с повышенной частотой вращения, например 6000 об/мин и с повышенной частотой выходного напряжения, например 150-400 Гц (уменьшаются его массогабаритные характеристики). Регулирование частоты вращения ГЭД 1 в режиме полного хода от nПХ до nЭХ (частота вращения гребного винта 4 при этом изменяется в два раза), осуществляется изменением частоты вращения турбины 9.
Регулирование частоты вращения ГЭД 1 (и гребного вала 3) в режиме ЭХ осуществляется в диапазоне nЭХ – nмин, посредством статического преобразователя частоты (и напряжения) 13, который рассчитывается на номинальную мощность, составляющую приблизительно 10-13% от номинальной мощности прототипа, поскольку должен обеспечить движение судна только до экономического хода. Это позволяет существенно уменьшить массогабаритные характеристики статического преобразователя.
При положении задатчика частоты вращения 15 гребного винта от минимального nмин до nЭХ, с помощью первой системы управления 14 включаются муфта 5 и автоматический выключатель 12. Первая система управления 14, изменяя выходную частоту статического преобразователя частоты напряжения 13, обеспечивает необходимые параметры частоты и напряжения на его выходе. В этом режиме редуктор 7 не участвует в передаче крутящего момента от ГЭД 1 к гребному винту 4, что повышает экономичность силовой установки и снижает ее виброактивность.
При повышении заданных частот вращения гребного винта от nЭХ до nПХ с помощью первой системы управления 14 включаются муфты 6, 8 (муфта 5 отключается) и автоматический выключатель 11 (автоматический выключатель 12 отключается). С помощью первой системы управления 16 устанавливаются необходимые частоты вращения турбины и параметры напряжения на выходе турбогенератора 10. В этом режиме из цепи передачи электроэнергии исключается статический преобразователь частоты (и напряжения), что повышает экономичность силовой установки в режиме движения судна с повышенными скоростями по сравнению с прототипом.
Предлагаемая электрическая гребная установка по функциональным параметрам аналогична системе с полным электродвижением, обеспечивает все режимы скоростей хода судна от минимальной до ПХ с использованием единого электродвигателя.
Но при этом, в отличие от прототипа, как показала проработка вариантов ГЭУ судна, вес гребного электродвигателя снижен, примерно в 2,5-3 раза, снижены масса и габариты статического преобразователя частоты (и напряжения).
Таким образом, в предлагаемом изобретении показана возможность создания энергетической установки с полным электродвижением (то есть с единым главным электродвигателем), у которой масса и габариты значительно, в 2,5-3 раза меньше, чем у известных установок с системой полного электродвижения.
Формула изобретения
1. Электрическая гребная установка, содержащая гребной электродвигатель, вал которого соединен с валом гребного винта через редуктор, турбогенератор, имеющий систему управления частотой и напряжением, соединенный с гребным электродвигателем через статический преобразователь параметров электроэнергии, отличающаяся тем, что в нее введены три управляемые разъединительные муфты, два автоматических выключателя с системами дистанционного управления, вторая система управления, задатчик частоты вращения гребного электродвигателя, выполненного в виде электродвигателя переменного тока, причем вал гребного электродвигателя соединен с валом гребного винта через первую управляемую разъединительную муфту, редуктор и вторую управляемую разъединительную муфту, при этом вал гребного винта проходит через вторую управляемую разъединительную муфту, полый выходной вал редуктора, полый входной вал редуктора и соединен с валом электродвигателя через третью управляемую разъединительную муфту, причем выходы второй системы управления подключены к системе управления частотой и напряжением турбогенератора, к входу статического преобразователя параметров электроэнергии, выполненного в виде статического преобразователя частоты и напряжения, к трем управляемым разъединительным муфтам и к дистанционному управлению первого и второго автоматических выключателей, а вход второй системы управления подключен к задатчику частоты вращения гребного электродвигателя, при этом гребной электродвигатель подключен к турбогенератору через первый автоматический выключатель, а второй автоматический выключатель включен между гребным электродвигателем и статическим преобразователем частоты и напряжения.
2. Электрическая гребная установка, содержащая гребной электродвигатель, вал которого соединен с валом гребного винта через редуктор, турбогенератор, имеющий систему управления частотой и напряжением, соединенный с гребным электродвигателем через статический преобразователь параметров электроэнергии, отличающаяся тем, что в качестве гребного электродвигателя используется электродвигатель постоянного тока, а статический преобразователь параметров электроэнергии выполнен в виде управляемого выпрямителя, при этом в нее введены три управляемые разъединительные муфты, вторая система управления и задатчик частоты вращения гребного электродвигателя, причем вал гребного электродвигателя соединен с валом гребного винта через первую управляемую разъединительную муфту, редуктор и вторую управляемую разъединительную муфту, вал гребного винта проходит через вторую управляемую разъединительную муфту, полый выходной вал редуктора, полый входной вал редуктора и соединен с валом электродвигателя через третью управляемую разъединительную муфту, при этом выходы второй системы управления подключены к входу управляемого выпрямителя и к трем управляемым разъединительным муфтам, а вход второй системы управления подключен к задатчику частоты вращения гребного электродвигателя, причем гребной электродвигатель подключен к турбогенератору через управляемый выпрямитель.
РИСУНКИ
|
|