|
|
(21), (22) Заявка: 2009113569/11, 13.04.2009
(24) Дата начала отсчета срока действия патента:
13.04.2009
(46) Опубликовано: 20.06.2010
(56) Список документов, цитированных в отчете о поиске:
RU 2296687 C1, 10.04.2007. RU 2291806 C1, 20.01.2007. RU 2287447 C2, 20.11.2006. RU 2286278 C1, 27.10.2006. RU 2310572 C1, 20.11.2007. RU 2296688 C1, 10.04.2007.
Адрес для переписки:
109029, Москва, ул. Нижегородская, 27, стр.1, Зам. Генерального директора ОАО “НИИАС”, Е.Н. Розенбергу
|
(72) Автор(ы):
Розенберг Ефим Наумович (RU), Зорин Василий Иванович (RU), Воронин Владимир Альбертович (RU), Шухина Елена Евгеньевна (RU), Казиев Гурам Дмитриевич (RU), Гордон Борис Моисеевич (RU), Кайнов Виталий Михайлович (RU)
(73) Патентообладатель(и):
Открытое акционерное общество “Российские железные дороги” (ОАО “РЖД”) (RU), Открытое акционерное общество “Научно-исследовательский и проектно-конструкторский институт информатизации, автоматизации и связи на железнодорожном транспорте” (ОАО “НИИАС”) (RU)
|
(54) ЦЕНТРАЛИЗОВАННАЯ СИСТЕМА КОНТРОЛЯ ПЕРЕГОННЫХ РЕЛЬСОВЫХ ЦЕПЕЙ ТОНАЛЬНОЙ ЧАСТОТЫ
(57) Реферат:
Изобретение относится к области железнодорожной автоматики и телемеханики, а именно к системам контроля перегонных рельсовых цепей. Централизованная система контроля перегонных рельсовых цепей тональной частоты содержит на перегоне между постами ЭЦ соседних станций блок-участки с неограниченными рельсовыми цепями тональной частоты и проходные светофоры. Каждая из рельсовых цепей одним концом соединена с напольным устройством сопряжения общего с соседней рельсовой цепью передающего конца, а другим концом соединена с напольным устройством сопряжения своего приемного конца. Все напольные устройства сопряжения приемных концов и передающих концов рельсовых цепей соединены через кабельную сеть с ближайшими к их блок-участкам постами ЭЦ. На постах ЭЦ размещены приемники кодовых сигналов тональной частоты рельсовых цепей и передатчики кодовых сигналов тональной частоты рельсовых цепей. Выходы передатчиков соединены с входами напольных устройств сопряжения передающих концов рельсовых цепей и чередуются по несущей частоте кодовых сигналов. Каждая пара приемников кодовых сигналов тональной частоты смежных рельсовых цепей своими входами соединена с первым и вторым выходами соответствующего ей блока коммутации. Первый и второй входы блока коммуникации связаны через кабельную сеть и соответствующую пару напольных устройств сопряжения с приемными концами смежных рельсовых цепей. Вход управления блока коммутации соединен с выходом блока управления, первый и второй порты связи которого соединены соответственно с портами связи соответствующей пары приемников кодовых сигналов тональной частоты соответствующих смежных рельсовых цепей. Технический результат изобретения заключается в повышении надежности системы. 1 ил.
Изобретение относится к области железнодорожной автоматики и телемеханики, а именно к системам контроля перегонных рельсовых цепей.
Известна система контроля перегонных рельсовых цепей, содержащая на перегоне между постами электрической централизации (ЭЦ) соседних станций n блок-участков с неограниченными рельсовыми цепями тональной частоты и проходными светофорами, при этом каждая из упомянутых рельсовых цепей блок-участков соединена соответственно с напольными устройствами сопряжения, общего с соседней рельсовой цепью передающего конца и своего приемного конца, причем напольные устройства сопряжения приемных концов соединены непосредственно с входами соответствующих приемников кодовых сигналов тональной частоты. Система также включает устройства систем АЛСН непрерывного типа (Кравцов Ю.А. «Системы железнодорожной автоматики и телемеханики», М., Транспорт, 1996, с.108 рис.4.21). Недостатком известной системы является сложность обслуживания, связанная с нахождением на пути большого количества сложной электронной аппаратуры.
Наиболее близкой по технической сущности и достигаемому результату является, выбранная в качестве прототипа, централизованная система контроля перегонных рельсовых цепей тональной частоты, содержащая на перегоне, между постами ЭЦ соседних станций, блок-участки с неограниченными рельсовыми цепями тональной частоты и проходными светофорами, причем каждая из неограниченных рельсовых цепей тональной частоты одним концом соединена с напольным устройством сопряжения, общего с соседней рельсовой цепью передающего конца, а другим концом соединена с напольным устройством сопряжения своего приемного конца, а все напольные устройства сопряжения приемных концов и передающих концов рельсовых цепей соединены через кабельную сеть с ближайшими, к их блок-участкам, постами ЭЦ. На постах ЭЦ размещены приемники рельсовых цепей и передатчики кодовых сигналов, причем выходы передатчиков кодовых сигналов через кабельную сеть соединены с входами соответствующих напольных устройств сопряжения передающих концов рельсовых цепей и чередуются по частоте несущей формируемых ими кодовых сигналов (Федоров Н.Е. «Современные системы автоблокировки, с тональными рельсовыми цепями», Самара: СамГАПС, 2004, с.110, рис. 5.3).
Данная система, за счет расположения основной части аппаратуры перегонных рельсовых цепей на постах ЭЦ, улучшает условия обслуживания аппаратуры, но имеет недостаточный уровень надежности, обусловленный повышенной сложностью аппаратуры на постах ЭЦ, в особенности путевых приемников, реализующих сложные алгоритмы обработки аналоговых и дискретных сигналов, с соблюдением требований по безопасности движения поездов, в условиях неблагоприятной помеховой обстановки.
Технический результат изобретения заключается в повышении надежности системы.
Технический результат достигается тем, что в централизованную систему контроля перегонных рельсовых цепей тональной частоты, содержащую на перегоне, между постами ЭЦ соседних станций, блок-участки с неограниченными рельсовыми цепями тональной частоты и проходные светофоры, причем каждая из неограниченных рельсовых цепей тональной частоты одним концом соединена с напольным устройством сопряжения, общего с соседней рельсовой цепью передающего конца, а другим концом соединена с напольным устройством сопряжения своего приемного конца, все напольные устройства сопряжения приемных концов и передающих концов рельсовых цепей соединены через кабельную сеть с ближайшими к их блок-участкам постами ЭЦ, при этом на постах ЭЦ размещены приемники рельсовых цепей и передатчики кодовых сигналов, причем выходы передатчиков кодовых сигналов через кабельную сеть соединены с входами соответствующих напольных устройств сопряжения передающих концов рельсовых цепей и чередуются по частоте несущей формируемых ими кодовых сигналов, согласно изобретению введены блоки коммутации и блоки управления, причем каждая пара приемников кодовых сигналов тональной частоты смежных рельсовых цепей, питаемых от общего передатчика, своими входами соединена соответственно с первым и вторым выходами соответствующего ей блока коммутации, первый и второй вход которого соединены через кабельную сеть и соответствующую пару напольных устройств сопряжения с приемными концами упомянутых смежных рельсовых цепей, а вход управления блока коммутации соединен с выходом соответствующего блока управления, первый и второй порты связи которого соединены с портами связи соответствующей пары приемников кодовых сигналов тональной частоты соответствующих смежных рельсовых цепей.
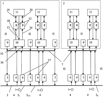
На чертеже приведена структурная схема централизованной системы контроля перегонных рельсовых цепей тональной частоты.
Централизованная система контроля перегонных рельсовых цепей тональной частоты содержит на перегоне, между постами 1 и 2 ЭЦ, соседних станций, блок-участки с неограниченными рельсовыми цепями 31-3n тональной частоты и проходные светофоры 4. Каждая из неограниченных рельсовых цепей 31-3n тональной частоты одним концом соединена с напольным устройством 5 сопряжения, общего с соседней рельсовой цепью передающего конца, а другим концом соединена с напольным устройством 6 сопряжения своего приемного конца, все напольные устройства сопряжения 6 и 5 приемных концов и передающих концов рельсовых цепей 31-3n соединены через кабельную сеть 7 с ближайшими, к их блок-участкам, постами 1 или 2 ЭЦ. На постах 1 и 2 ЭЦ размещены приемники 8 кодовых сигналов тональной частоты рельсовых цепей и передатчики 9 кодовых сигналов тональной частоты рельсовых цепей. Выходы передатчиков 9 через кабельную сеть 7 соединены с входами соответствующих напольных устройств 5 сопряжения передающих концов рельсовых цепей 31-3n и чередуются по частоте несущей формируемых ими кодовых сигналов. Каждая пара 12 приемников 8 кодовых сигналов тональной частоты смежных рельсовых цепей i и i+1, питаемых от общего передатчика 9, своими входами соединена соответственно с первым 13 и вторым 14 выходами соответствующего ей блока 10 коммутации, первый 15 и второй 16 входы которого связаны через кабельную сеть 7 и соответствующую пару 17 напольных устройств 6 сопряжения с приемными концами упомянутых смежных рельсовых цепей i и i+1. Вход управления 18 блока 10 коммутации соединен с выходом соответствующего блока 11 управления, первый 19 и второй 20 порты связи которого соединены соответственно с портами связи соответствующей пары 12 приемников 8 кодовых сигналов тональной частоты соответствующих смежных рельсовых цепей i и i+1.
Основными отличительными особенностями систем автоблокировки, для которых может быть использовано данное изобретение, являются:
– использование тональных рельсовых цепей;
– отсутствие изолирующих стыков;
– наличие проходных светофоров;
– размещение основного оборудования на станциях, ограничивающих перегон;
– двухстороннее движение по каждому пути двухпутного перегона;
– наличие защитных участков для обоих направлений движения;
– контроль исправности жил кабеля рельсовых цепей;
– контроль последовательности занятия рельсовых цепей, при включении кодовых сигналов АЛС;
– контроль правильности занятия и освобождения рельсовых цепей блок-участка (контроль потери шунта) с блокировкой светофоров и схем кодирования АЛС.
Централизованная система контроля перегонных рельсовых цепей тональной частоты работает следующим образом.
Путевые приемники 8 контролируют состояние рельсовых цепей 3, той части перегона, которая отнесена к данной станции. Путевые реле рельсовых цепей воздействуют на сигнальные реле (не показаны), которые обеспечивают выбор требуемых показаний проходных светофоров и кодовых сигналов АЛС. Кроме того, путевые реле воздействуют на схемы включения кодовых сигналов в рельсовые цепи и на блокирующие реле (не показаны), управляют схемами контроля последовательного занятия и последовательного освобождения рельсовых цепей (не показаны).
Схемы замыкания и размыкания перегонных устройств включают в себя блокирующие реле и схемы контроля последовательного освобождения рельсовых цепей (все упомянутые релейные схемы соответствуют типовым решениям и на чертеже не показаны). При вступлении поезда на какой-либо блок-участок, блокирующее реле воздействует на сигнальные реле этого блок-участка, чем исключается открытие проходного светофора 4, ограждающего данный блок-участок, и выбор разрешающего кодового сигнала для предыдущего блок-участка (замыкание блок-участка).
Размыкание блок-участка проводится автоматически с участием схемы контроля последовательного освобождения рельсовых цепей этого блок-участка и защитного участка. Нарушение указанной последовательности, при освобождении блок-участка, может быть следствием потери шунта, при фактически занятом блок-участке, или защитном участке. При этом размыкание блок-участка не происходит и разрешающий сигнал не включается.
Станционная аппаратура системы размещается на станциях, ограничивающих перегон, устанавливается в постах 1 и 2 ЭЦ и соединяется с напольным оборудованием при помощи кабельной сети 7. Деление перегона (разделение кабельной сети 7 на две части) производится по сигнальной установке, находящейся в середине перегона. К напольному оборудованию системы относятся проходные светофоры 4, соединительные кабели кабельной сети 7, разветвительные муфты и путевые ящики (не показаны) для размещения устройств сопряжения 5, 6, включающих схемы согласования и защиты (не показаны) рельсовых цепей 3 и сигнальные трансформаторы (не показаны).
Для контроля состояния блок-участков используются два типа рельсовых цепей 3 – длинные, контролирующие участки пути длиной до 1 км, с частотами сигнального тока f1 и f2, например, 420 Гц и 480 Гц и короткие с частотами сигнального тока f1 и f2, например, 5000 Гц и 5555 Гц, служащие для контроля участков пути на границе блок-участков в зоне расположения проходных светофоров 4.
Исключение подпитки от рельсовых цепей 3 соседнего пути осуществляется путем применения, для каждого пути, своих комбинаций несущих частот и модулирующих сигналов. Исключение подпиток от рельсовых цепей 3 своего пути осуществляется чередованием комбинаций несущих частот и модулирующих сигналов таким образом, что путевой приемник 8 кодовых сигналов тональной частоты данной рельсовой цепи 3 удален от передатчика 9 кодовых сигналов тональной частоты другой рельсовой цепи, с идентичными комбинациями несущего и модулирующего сигнала, на расстояние, обеспечивающее затухание настолько, что он не воспринимается данным путевым приемником 8.
При исправной работе всех устройств сигналы, формируемые передатчиком 9 кодовых сигналов тональной частоты рельсовых цепей 3i и 3i+1, проходят через кабельную сеть 7 и соответствующие устройства сопряжения 5, в питающие концы смежных рельсовых цепей 3i и 3i+1. Далее эти сигналы проходят через рельсы рельсовых цепей 3i и 3i+1 через соответствующую пару 17 устройств сопряжения 6 приемных концов и через кабельную сеть 7 и попадают на входы соответствующего блока 10 коммутации. Блок 10 коммутации передает сигналы, полученные от устройств сопряжения 6 приемных концов рельсовых цепей 3i и 3i+1, с первого входа 15, на первый выход 13 и со второго входа 16 на второй выход 14. Далее эти сигналы поступают на входы соответствующих приемников 8 кодовых сигналов тональной частоты. Такой режим работы блока 10 коммутации определяется кодовым сигналом исправной работы, который поступает на его вход управления с выхода блока 11 управления. Блок 11 управления через свои порты связи 19 и 20 соединен с портами связи соответствующих приемников 8 кодовых сигналов тональной частоты, упомянутых смежных рельсовых цепей i и i+1. Через порты связи 19 и 20 блок 11 управления получает диагностическую информацию об исправной или неисправной работе соответствующих приемников 8.
При исправной работе приемников 8, если уровень сигнала на входе соответствующего приемника 8 превышает установленный пороговый уровень логической “1”, приемник фиксирует свободность соответствующего путевого участка, а если уровень сигнала на входе соответствующего приемника 8 ниже установленного порогового уровня логического “0”, то приемник фиксирует занятость соответствующего путевого участка. При принятии решения используется декодированный сигнал, имеющий информационную защиту для обеспечения безопасности работы устройств.
Каждый приемник 8 имеет встроенное устройство диагностики, непрерывно передающее через порт связи кодовые сигналы исправной или неисправной работы. Если блок 11 управления получает информацию о неисправной работе одного из контролируемой пары 12 приемников 8 кодовых сигналов тональной частоты, он формирует на своем выходе команду перевода блока 10 коммутации в резервный режим работы. В резервном режиме работы вход неисправного приемника 8 отключается блоком 10 коммутации от системы, а его выход отключается от системы блоком 11 управления. По сигналу с блока 11 управления вход исправного приемника 8 попеременно подключается к каждому из пары 17 устройств 6 сопряжения приемных концов смежных рельсовых цепей 3i и 3i+1. При этом исправный приемник 8 поочередно (интервал 0,5 с) контролирует свободность путевых участков смежных рельсовых цепей 3i и 3i+1. Блок 11 управления преобразует и передает в систему автоблокировки данные от исправного приемника 8, распределяя их по двум информационным каналам, эквивалентным тем, что существуют при нормальной работе устройств. Таким образом, остальная часть системы в резервном режиме работает практически без изменения. Отличие заключается в замедлении реакции системы на фиксацию изменения состояния занятости путевых участков, проявляющуюся в запаздывании переключения проходных светофоров и сигналов кодирования АЛС на 0,5 с. Это замедление является допустимым вследствие больших запасов работоспособности существующих систем СЦБ. Блок 11 управления имеет в своей памяти данные по настройкам пары 12 приемников 8 при их нормальной работе и при необходимости может каждый раз подстраивать работающий приемник 8 для условий оптимальной работы с соответствующей рельсовой цепью 3i или 3i+1.
Для обеспечения высокого коэффициента готовности перехода в резервный режим блоки коммутации 10 и управления 11 после каждого освобождения проходящим поездом относящихся к ним рельсовых цепей 3i и 3i+1 однократно переключаются командой перехода в резервный режим, формируемый блоком 11 управления, и снова возвращаются в нормальный режим, с регистрацией в устройствах автоблокировки состояния узлов, связанных с резервным режимом. Этим совместно с взаимным резервированием приемников 8 в каждой паре 12 достигается существенное повышение надежности. При переходе в резервный режим или при обнаружении неисправностей блоков 10 и 11 устранение неисправностей не требует больших затрат труда и времени и может осуществляться без существенных помех движению поездов, т.к. резервированная часть аппаратуры находится на постах ЭЦ.
Формула изобретения
Централизованная система контроля перегонных рельсовых цепей тональной частоты, содержащая на перегоне, между постами ЭЦ соседних станций блок-участки с неограниченными рельсовыми цепями тональной частоты и проходные светофоры, причем каждая из неограниченных рельсовых цепей тональной частоты одним концом соединена с напольным устройством сопряжения общего с соседней рельсовой цепью передающего конца, а другим концом соединена с напольным устройством сопряжения своего приемного конца, все напольные устройства сопряжения приемных концов и передающих концов рельсовых цепей соединены через кабельную сеть с ближайшими к их блок-участкам постами ЭЦ, при этом на постах ЭЦ размещены приемники рельсовых цепей и передатчики кодовых сигналов, причем выходы передатчиков кодовых сигналов через кабельную сеть соединены с входами соответствующих напольных устройств сопряжения передающих концов рельсовых цепей и чередуются по частоте несущей формируемых ими кодовых сигналов, отличающаяся тем, что введены блоки коммутации и блоки управления, причем каждая пара приемников кодовых сигналов тональной частоты смежных рельсовых цепей, питаемых от общего передатчика, своими входами соединена соответственно с первым и вторым выходами соответствующего ей блока коммутации, первый и второй входы которого соединены через кабельную сеть и соответствующую пару напольных устройств сопряжения с приемными концами упомянутых смежных рельсовых цепей, а вход управления блока коммутации соединен с выходом соответствующего блока управления, первый и второй порты связи которого соединены с портами связи соответствующей пары приемников кодовых сигналов тональной частоты соответствующих смежных рельсовых цепей.
РИСУНКИ
|
|