|
|
(21), (22) Заявка: 2008118688/11, 12.05.2008
(24) Дата начала отсчета срока действия патента:
12.05.2008
(43) Дата публикации заявки: 20.11.2009
(46) Опубликовано: 20.06.2010
(56) Список документов, цитированных в отчете о поиске:
RU 51955 U1, 10.03.2006. RU 56308 U1, 10.09.2006. RU 2303542 C1, 27.07.2007. RU 2157773 C2, 20.10.2000. DE 102005012814 A1, 21.09.2006.
Адрес для переписки:
620027, г.Екатеринбург, Ж-127, а/я 12, “ВНТЦ “Уралжелдоравтоматизация”, С.А. Щиголеву
|
(72) Автор(ы):
Щиголев Сергей Александрович (RU), Кузнецов Сергей Аркадьевич (RU), Власов Сергей Федорович (RU), Зайцев Валерий Юрьевич (RU), Шевцов Владимир Алексеевич (RU)
(73) Патентообладатель(и):
Закрытое акционерное общество “Внедренческий научно-технический центр “Уралжелдоравтоматизация” (RU)
|
(54) УСТРОЙСТВО КОНТРОЛЯ ЗАПОЛНЕНИЯ ПОДГОРОЧНЫХ ПУТЕЙ СОРТИРОВОЧНОЙ СТАНЦИИ
(57) Реферат:
Изобретение относится к области железнодорожной автоматики и может быть использовано для контроля заполнения подгорочных путей сортировочных станций с использованием счетчиков осей подвижного состава на магистральном железнодорожном транспорте с любым сопротивлением изоляции балласта, в том числе с металлическими шпалами и любым типом рельс. Устройство содержит пост горочной автоматической централизации, постовой решающий блок, блоки отображения информации о заполнении подгорочных путей, блоки счета осей с напольными счетными устройствами и путевыми датчиками, каждый из которых установлен на соответствующем контрольном участке одного из n путей подгорочного парка. В устройство введены контур и ветви питания и связи, n путевых разветвительных коробок с напольными ретрансляторами сигналов. В пост централизации введен блок бесперебойного питания, вход которого является входом питания поста централизации, а выход соединен с входом постового решающего блока, отдельный вход-выход которого соединен с входом-выходом персональной ЭВМ. Отдельный выход постового решающего блока предназначен для передачи информации в подсистему автоматизированного регулирования скоростей скатывания и управления прицельным торможением. Группа решающего блока соединена с входами блоков отображения информации. Группы входов-выходов разветвительных коробок включены в контуры и ветви питания и связи. Путевые датчики соединены с напольными счетными устройствами. Техническим результатом изобретения является повышение перерабатывающей пропускной способности сортировочных станции. 2 ил.
Изобретение относится к области железнодорожной автоматики и может быть использовано для контроля заполнения подгорочных путей сортировочных станций с использованием счетчиков осей подвижного состава на магистральном железнодорожном транспорте с любым сопротивлением изоляции балласта, в том числе с металлическими шпалами и любым типом рельсов.
Проблема контроля эффективного заполнения подгорочных путей сортировочных станций является актуальной. Необходимо учитывать ряд обстоятельств по обеспечению минимального интервала между отцепами, с одной стороны, и обеспечению безопасности заполнения подгорочных путей, с другой стороны.
Предлагаемое устройство обеспечивает непрерывный контроль заполнения подгорочных путей сортировочных станций, устойчивую работу при переключении фидеров питания, возможность избирательного искусственного восстановления состояния свободности контролируемых участков подгорочного пути после производства работ по техническому обслуживанию, замены аппаратуры или сбоя в работе, возможность мониторинга и накопления информации о работе с помощью любого персонального компьютера на базе процессора Pentium – 200 МГ и выше.
Известен способ контроля заполнения пути, заключающий в том, что задают уровень сигнала в рельсовой линии на свободном участке пути, определяют фактический уровень сигнала в рельсовой линии на занятом контрольном участке пути, который сравнивают с заданным, определяют разницу между ними, по которой определяют длину свободной части контрольного участка пути, задают величину входного сопротивления рельсовой линии свободного участка пути, определяют фактическую величину входного сопротивления рельсовой линии свободного контрольного участка пути, которую сравнивают с заданной, и определяют разницу между ними, по которой определяют корректирующий уровень сигнала в рельсовой линии, на который уменьшают заданный уровень сигнала в рельсовой линии свободного контрольного участка при превышении заданной величиной входного сопротивления рельсовой линии фактической (патент РФ на изобретение 2025356, B61L 23/10).
Известно устройство для контроля заполнения путей подгорочного парка, содержащее группу путевых датчиков, каждый из которых установлен на соответствующем контрольном участке одного из m путей подгорочного парка и включает в себя генератор переменного тока с индуктивным элементом, выполненным в виде проложенного в границах контрольного участка шлейфа, m групп датчиков, установленных на контрольных участках других путей подгорочного парка, шифратор адреса датчика, блок оперативной памяти и формирователь управляющих сигналов, один из выходов которого подключен к входу управления блока оперативной памяти, а три другие выхода соответственно – к входу формирования адреса, входу разрешения записи адреса и входу разрешения считывания шифратора адреса датчика, одним из выходов подключенного к адресному входу каждого из путевых датчиков, а другим выходом – к адресному входу блока оперативной памяти, каждым из информационных входов подключенного к объединенным выходам группы путевых датчиков, установленных у соответствующего пути подгорочного парка, при этом каждый из путевых датчиков снабжен дешифратором адреса и элементом И, одним и другим входами, подключенным к выходам соответствующего генератора переменного тока и дешифратора адреса, входом которого и выходом элемента И образованы соответственно адресный вход и выход путевого датчика, а информационные выходы устройства образованы выходами блока оперативной памяти (патент РФ на изобретение 2105687, B61L 17/00, B61L 215/02).
Известен контрольно-диагностический комплекс станционных устройств горочной автоматической централизации, содержащий модули ввода аналоговых и дискретных сигналов с контролируемых устройств, промышленный компьютер и автоматизированные рабочие места дежурного электромеханика, модуль контроля сопротивления изоляции, обеспечивающий измерение сопротивления изоляции и определение неисправных цепей электропитания, сервер баз данных, выполненный с возможностью накопления и выдачи диагностической информации, шлюз локальной вычислительной сети, обеспечивающий защиту от несанкционированного доступа из внешней системы передачи данных, при этом модуль ввода аналоговых сигналов состоит из элементов гальванической изоляции и масштабирования сигналов и осуществляет гальваническую развязку и усиление сигналов, модуль ввода дискретных сигналов состоит из элементов активной дискретной матрицы, осуществляющих гальваническую изоляцию и усиление мощности сигналов, а контролируемые устройства подключаются сигнальным кабелем к промышленному компьютеру (свидетельство на полезную модель 56308, B61L 17/00).
Известна горочная автоматическая централизация микропроцессорная с контролем накопления вагонов в сортировочном парке для управления маршрутами отцепов при расформировании железнодорожных составов на сортировочной горке, содержащая напольное оборудование из реверсивных датчиков счета осей и радиотехнических датчиков свободности, железнодорожных составов на сортировочной горке, содержащая напольное оборудование из реверсивных датчиков счета осей и радиотехнических датчиков свободности, автоматизированное рабочее место дежурного по горке, управляющий вычислительный комплекс, включающий функциональные модули, в состав которых входят модуль связи с автоматизированной системой управления сортировочной станцией, модуль формирования маршрутных заданий, модуль формирования описателей отцепов, модуль ввода и обработки сигналов реверсивных датчиков счета осей, модуль контроля положения стрелок и состояния рельсовых цепей, модуль трансляции маршрутных заданий, модуль управления маршрутами отцепов и модуль контроля исполнения маршрутов, управляющий вычислительный комплекс состоит из программно-аппаратных модулей, объединенных в одном промышленном компьютере, и дополнительно снабжен модулем контроля путевых участков по датчикам счета осей, модулем контроля габарита, связанным с модулем управления маршрутами отцепов, реализующим автоматический возврат стрелки, а модуль контроля исполнения маршрутов выполнен с возможностью отслеживания маневровых передвижений и накопления вагонов в сортировочном парке (свидетельство на полезную модель 51955, B61L 17/00) – ПРОТОТИП.
Задачей изобретения является повышение перерабатывающей пропускной способности сортировочных станций при охранении безопасности работ при расформировании железнодорожных составов на сортировочной горке.
Для решения поставленной задачи предлагается устройство контроля заполнения подгорочных путей сортировочной станции, включающее пост горочной автоматической централизации (ГАЦ), постовой решающий блок (ПРБ), блоки отображения информации о заполнении подгорочных путей (БОИ), блоки счета осей (БСО) с напольными счетными устройствами (НСУ) и путевыми датчиками (ПД), каждый из которых установлен на соответствующем контрольном участке одного из n путей подгорочного парка, отличающееся тем, что в него введены контур питания и связи (ПС), ветви ПС, n путевых разветвительных коробок (ПРК) с напольными ретрансляторами сигналов (НРС), в пост ГАЦ введен блок бесперебойного питания (ББП), при этом вход ББП является входом питания поста ГАЦ, выход ББП соединен с входом ПРБ, отдельный вход-выход которого соединен с входом-выходом персональной ЭВМ, отдельный выход ПРБ предназначен для передачи информации в подсистему автоматизированного регулирования скоростей скатывания отцепов и управления прицельным торможением (АРС-УУПТ), группа выходов ПРБ соединена с входами с первого по n-й БОИ о заполнении подгорочных путей, первая группа входов-выходов ПРБ соединена с группой входов-выходов первой ПРК, а вторая группа входов-выходов ПРБ соединена с первой группой входов-выходов n-й ПРК, первые группы входов-выходов всех ПРК включены в контур ПС, остальные группы входов-выходов всех ПРК включены в ветви ПС и соединены с группами входов-выходов с первого по n-й БСО, выход ПД соединен с входом НСУ в своем БСО, первые входы-выходы НРС являются первым, вторым, третьим, четвертым, пятым и шестым входами-выходами ПРК, а вторые входы-выходы первого и четвертого, второго и пятого, третьего и шестого НРС в своей ПРК объединены.
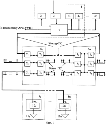
На фиг.1 показана структурная схема устройства.
На чертежах показано: 1 – пост горочной автоматической централизации (ГАЦ), 2 – персональная ЭВМ, 3 – блок бесперебойного питания (ББП), 41, , 4n – блоки отображения информации о заполнении подгорочных путей (БОИ), 5 – постовой решающий блок (ПРБ), 61, , 6n – путевые разветвительные коробки (ПРК), 71, , 7n, – напольные ретрансляторы сигналов (НРС), 81, , 8n – блоки счета осей (БСО), 91, , 9n – кабельные муфты (KM), 101, , 10n – напольные счетные устройства. 111, , 11n – путевые датчики (ПД).
Вход ББП является входом питания поста 1 ГАЦ, выход ББП 3 соединен с входом ПРБ 5, отдельный вход-выход которого соединен с входом-выходом персональной ЭВМ 2, отдельный выход предназначен для передачи информации в подсистему автоматизированного регулирования скоростей скатывания отцепов и управления прицельным торможением (АРС-УУПТ), группа выходов ПРБ 5 соединена с входами с первого по n-й блоков БОИ 4, первая группа входов-выходов ПРБ 5 соединена с группой входов-выходов первой ПРК 61, а вторая группа входов-выходов ПРБ соединена с первой группой входов-выходов n-й ПРК 6n, первые группы входов-выходов всех ПРК 6 включены в контур ПС, остальные группы входов-выходов всех ПРК 6 включены в ветви ПС и соединены с группами входов-выходов с первого по n-й блоки БСО 8, выход ПД 11 соединен с входом НСУ 10 в своем БСО 8, первые входы-выходы НРС 7 являются первым, вторым, третьим, четвертым, пятым и шестым входами-выходами ПРК 6, а вторые входы-выходы первого и четвертого, второго и пятого, третьего и шестого НРС 7 в своей ПРК 6 объединены.
ББП 3 предназначен для обеспечения устойчивой работы устройства при переключении питающих фидеров или переходе на питание от дизельгенераторного агрегата (ДГА).
БОИ 4 предназначен для отображения информации о заполнении контролируемых подгорочных путей.
ПРБ 5 включает в себя контроллер, устройство сопряжения с контуром питания и связи (ПС) и плату внешних соединений (ПВС). ПРБ 5 предназначен для определения свободности/занятости путевых подгорочных участков путем сравнения числа осей, проследовавших через все БСО 8, а также для непрерывного контроля исправности устройства контроля заполнения подгорочных путей при помощи программных тестовых блоков.
Контроллер обеспечивает сбор и обработку информации, поступающей от БСО 8, формирование управляющих сигналов для работы БОИ.
Устройства сопряжения с ПС предназначены для согласования параметров сигналов контроллера с параметрами цепей контура ПС, а также для защиты внутренних цепей контроллера от электрических помех и перенапряжений, возникающих в контуре ПС.
Контур ПС связывает между собой ПРБ 5 и ПРК 6, расположенные в конце спускной части горки или в начале сортировочного парка таким образом, что одиночный обрыв контура ПС не влияет на работоспособность постовых устройств. В один контур ПС включается до тридцати ПРК 6.
Ветви ПС формируются с помощью НРС 7.
В одной ПРК 6 размещается до шести НРС 7, причем два НРС 7 формируют контур ПС, а четыре НРС 7 формируют ветви ПС.
НРС 7 предназначены для поддержания в заданных пределах параметров сигналов интерфейса RS-485, используемого для обмена данными между БСО 8 и ПРБ 5.
БСО 6 предназначены для получения информации о количестве осей подвижного состава (с учетом направления движения), последовавших по контролируемым участкам подгорочного пути и передачи этой информации в ПРБ 5.
НСУ 10 предназначены для подсчета числа осей подвижного состава, проследовавшего через БСО 8 с учетом направления движения, передачи информации на ПРБ 5 по его запросу. Передача осуществляется по интерфейсу RS-485. Кроме того, НСУ 10 контролируют исправность ПД 11 и правильность установки ПД 11 на подошве рельса.
ПД 11 закреплены на подошве рельса и предназначены для формирования электрических сигналов в момент прохода над ним оси подвижного состава.
Устройство работает следующим образом.
Контролируемый подгорочный путь делится на короткие путевые участки (20-150 м), на границах которых устанавливается по одному БСО 8. Таким образом БСО 8 будет являться общим для двух смежных путевых участков.
Процесс заполнения контролируемого подгорочного пути подвижным составом отслеживается по состоянию занятости и свободности коротких путевых участков, на которые поделен подгорочный путь. Контроль состояния свободности этих путевых участков осуществляется методом счета осей.
Во время прохода подвижного состава ПД 11 БСО 8 формируют электрические сигналы, которые несут информацию о факте проследования оси подвижного состава по участку и о направлении движения. Сигналы с ПД 11 поступают в ПСУ 10, которые обрабатывают эти сигналы, определяют направление движения и подсчитывают количество осей. Все НСУ 10 производят счет на суммирование в выбранном направлении движения (например, в направлении от вершины горки вглубь подгорочного парка) и на вычитание в противоположном направлении. ПРБ 5 циклически поочередно опрашивает все БСО 8, которые, получив запрос, передают информацию в ПРБ 5, где эта информация обрабатывается и поступает для отображения в БОИ 4. Для целей автоматизации процесса роспуска информация о состоянии контролируемых подгорочных путей может быть передана в подсистему АРС-УУПТ.
В процессе работы каждое НСУ 10 непрерывно самотестируется, контролирует работоспособность ПД 11 и правильность его положения относительно рельса.
Для искусственного восстановления исходного состояния при ложно занятом участке пути (при его свободности) дежурным электромехаником поста 1 производятся действия, направленные на устранение указанного ложного показания занятости участка пути.
В случае обнаружения неисправности в работе устройства НСУ 10 формирует код неисправности и при очередном запросе ПРБ 5 передает его в ПРБ 5, которое формирует сигнал о неисправности данного НСУ 10 и передает его в БОИ 4. На информационном табло (мониторе) БОИ 4 загораются индикаторы неисправности НСУ 10 и ложной занятости участка (участков) подгорочного пути.
На фиг.2 приведена схема расстановки БСО на участках двух смежных подгорочных путей одного участка.
Формула изобретения
Устройство контроля заполнения подгорочных путей сортировочной станции, включающее пост горочной автоматической централизации, постовой решающий блок, блоки отображения информации о заполнении подгорочных путей, блоки счета осей с напольными счетными устройствами и путевыми датчиками, каждый из которых установлен на соответствующем контрольном участке одного из n путей подгорочного парка, отличающееся тем, что в него введены контур питания и связи, ветви питания и связи, n путевых разветвительных коробок с напольными ретрансляторами сигналов, в пост горочной автоматической централизации введен блок бесперебойного питания, при этом вход блока бесперебойного питания является входом питания поста горочной автоматической централизации, выход блока бесперебойного питания соединен с входом постового решающего блока, отдельный вход-выход которого соединен с входом-выходом персональной ЭВМ, отдельный выход постового решающего блока предназначен для передачи информации в подсистему автоматизированного регулирования скоростей скатывания отцепов и управления прицельным торможением, группа выходов постового решающего блока соединена с входами с первого по n-й блоков отображения информации о заполнении подгорочных путей, первая группа входов-выходов постового решающего блока соединена с группой входов-выходов первой путевой разветвительной коробки, а вторая группа входов-выходов постового решающего блока соединена с первой группой входов-выходов n-й путевой разветвительной коробки, первые группы входов-выходов всех путевых разветвительных коробок включены в контур питания и связи, остальные группы входов-выходов всех путевых разветвительных коробок включены в ветви питания и связи и соединены с группами входов-выходов с первого по n-й блоки счета осей, выход путевого датчика соединен с входом счетного устройства в своем блоке счета осей, первые входы-выходы напольных ретрансляторов сигналов являются первым, вторым, третьим, четвертым, пятым и шестым входами-выходами путевой разветвительной коробки, а вторые входы-выходы первого и четвертого, второго и пятого, третьего и шестого напольных ретрансляторов сигналов в своей путевой разветвительной коробке объединены.
РИСУНКИ
|
|