|
|
(21), (22) Заявка: 2008152924/11, 31.12.2008
(24) Дата начала отсчета срока действия патента:
31.12.2008
(46) Опубликовано: 20.06.2010
(56) Список документов, цитированных в отчете о поиске:
SU 473631 A1, 04.09.1975. SU 1423868 A2, 15.09.1988. RO 120765 B1, 28.07.2006. RO 121550 B1, 30.11.2007.
Адрес для переписки:
346413, Ростовская обл., г. Новочеркасск, ул. Машиностроителей, 3, ОАО “ВЭлНИИ”
|
(72) Автор(ы):
Бережной Александр Леонидович (RU), Солтус Константин Павлович (RU), Усвицкий Сергей Александрович (RU)
(73) Патентообладатель(и):
Открытое акционерное общество “Всероссийский научно-исследовательский и проектно-конструкторский институт электровозостроения” (ОАО “ВЭлНИИ”) (RU)
|
(54) СИСТЕМА ОБЕСПЕЧЕНИЯ МИКРОКЛИМАТА В КАБИНЕ УПРАВЛЕНИЯ ЛОКОМОТИВА
(57) Реферат:
Изобретение относится к области транспортного машиностроения, в частности к системам отопления и вентиляции железнодорожного транспорта. Система обеспечения микроклимата в кабине управления локомотива содержит кондиционер, подключенный через силовые контакты контактора к трехфазному высоковольтному источнику переменного напряжения локомотива, калориферы, представляющие собой нагревательные элементы, и вентиляторы с приводными двигателями, электрические печи, плоские нагревательные панели, нагревательные элементы которых через автоматические выключатели и силовые контакты контакторов подключены к трехфазному высоковольтному источнику переменного напряжения локомотива. Контактор выполнен трехполюсным. Система снабжена управляемыми трехфазными выпрямителями, тепловой завесой входной двери кабины управления, регулятором напряжения, микропроцессорным блоком, панелью-задатчиком температуры. Входные каналы трехфазных выпрямителей подключены к трехфазному низковольтному источнику переменного напряжения через силовые контакты контактора. К выходным каналам трехфазных выпрямителей через контакты двухполюсных автоматических выключателей подключены нагревательные элементы тепловой завесы, калориферов, электрических печей, плоских нагревательных панелей. Двухполюсные автоматические выключатели представляют собой конструкцию, состоящую из модуля дистанционного управления и спаренных с ним двух однополюсных автоматических выключателей. К регулятору напряжения подключены каналы управления трехфазных выпрямителей. К микропроцессорному блоку подключены датчики температуры, датчик влажности, модули дистанционного управления, блокировочные контакты автоматических двухполюсных выключателей, приводные двигатели вентиляторов, электромагнитные катушки, блокировочные контакты трехполюсных контакторов, и панель-задатчик температуры. Микропроцессорный блок электрически связан с регулятором напряжения, а интерфейсным каналом связи – с системой управления локомотива. Достигается повышение эффективности работы системы. 1 ил.
Изобретение относится к области электротехники и может быть использовано на электроподвижном составе.
Поддержание комфортных условий в кабине управления на электровозе ВЛ85 осуществляется локомотивной бригадой следующим образом.
В зимнее время года для повышения температуры в кабине управления один из членов локомотивной бригады посредством выключателей, расположенных на пульте управления, включает необходимый набор устройств обогрева. При этом тепло, выделяемое нагревательными элементами устройств обогрева, начинает подогревать воздух в кабине. Для снижения температуры воздуха в кабине управления один из членов локомотивной бригады посредством тех же выключателей отключает часть или все включенные ранее устройства обогрева. После чего температура воздуха в кабине управления за счет теплообмена начинает плавно понижаться. Таким образом, в зимнее время года для поддержания комфортных условий в кабине управления локомотивной бригаде необходимо периодически включать и выключать определенный набор устройств обогрева.
В летнее время года для понижения температуры в кабине управления один из членов локомотивной бригады посредством выключателя, расположенного на пульте управления, включает устройство кондиционирования воздуха. При этом холодный воздух, создаваемый устройством кондиционирования, смешивается с воздухом в кабине управления и охлаждает его. Для повышения температуры воздуха в кабине, один из членов локомотивной бригады посредством того же выключателя отключает устройство кондиционирования. После чего температура воздуха в кабине управления за счет теплообмена начинает плавно повышаться. Таким образом, в летнее время года для поддержания комфортных условий в кабине управления локомотивной бригаде необходимо периодически включать и выключать устройство кондиционирования воздуха.
Из вышеописанного следует, что очень много времени и внимания в поездке уделяется локомотивной бригадой на поддержание комфортных условий работы в кабине управления локомотива. Это не лучшим образом сказывается на управлении локомотивом, т.к. рассеивает внимание локомотивной бригады и может привести к негативным последствиям. Особенно явно это может проявиться при управлении локомотивом в «одно лицо» (без помощника машиниста).
Наиболее близким по технической сущности к предлагаемому решению системы обеспечения микроклимата является комплекс устройств обогрева и кондиционирования воздуха в кабине управления электровоза 2ЭС4К, состоящий из калориферов, нагревательные элементы которых через однополюсные автоматические выключатели и контакты промежуточных реле подключены к трехфазному высоковольтному источнику переменного напряжения локомотива (вторичной обмотке трехфазного трансформатора напряжения), однофазного трансформатора напряжения, первичная обмотка которого через предохранитель подключена к вторичной обмотке трехфазного трансформатора напряжения, плоских нагревательных панелей, нагревательные элементы которых через неуправляемый мостовой выпрямитель, однополюсные автоматические выключатели и силовые контакты двухполюсных контакторов подключены к вторичной обмотке однофазного трансформатора напряжения, преобразующего линейное напряжение трехфазного трансформатора в напряжение требуемой величины, датчика-реле температуры, выходной каскад которого через ряд промежуточных реле воздействует на цепи электропитания нагревательных элементов калориферов, кондиционера, подключенного через предохранители и силовые контакты двухполюсного контактора к вторичной обмотке трехфазного трансформатора напряжения. (Электровоз 2ЭС4К. Руководство по эксплуатации. Книга 1. Описание и работа. Электрические схемы. ИДМБ.661141.004РЭ1 (3ТС.000.003 РЭ1) 2006 г., см. с.23-25, с.55-56 (рис.8 и 9).)
Проблема ручного управления устройствами обогрева и кондиционирования частично решена на электровозе 2ЭС4К, где после включения локомотивной бригадой определенного набора выключателей, расположенных на пульте управления, калориферами начинает управлять датчик-реле температуры. Однако управление кондиционером и остальными устройствами обогрева на данном электровозе по-прежнему осуществляется локомотивной бригадой вручную посредством выключателей, расположенных на пульте управления.
При подобных способах управления устройствами обогрева и кондиционирования происходят частые коммутации цепей электропитания данных устройств. Броски тока и перенапряжения, возникающие при этом в цепях электропитания, негативно сказываются на изоляции всего оборудования, задействованного в схеме электропитания устройств обогрева и кондиционирования воздуха.
Как следует из вышеописанного, температура воздуха в кабине управления этих электровозов поддерживается путем периодического включения и отключения устройств обогрева и кондиционирования. В связи с чем температура в кабине управления изменяется по синусоидальному закону. В тех случаях, когда температура за бортом электровоза достигает предельно низких или высоких значений, локомотивной бригаде или датчику-реле температуры чаще приходиться включать и отключать устройства обогрева и кондиционирования. Это вызывает резкие изменения температуры воздуха в кабине управления, которые негативно влияют на здоровье локомотивной бригады, что связано с плохой адаптацией организма человека к быстрому изменению температуры.
В этой связи необходимо, чтобы все вновь создаваемые системы обеспечения и поддержания комфортных условий в кабине управления локомотива имели функцию плавного изменения и автоматического поддержания температуры.
Поддержание комфортных условий в кабине управления на электровозах ВЛ85 и 2ЭС4К осуществляется без учета влияния влажности воздуха на организм человека. Однако известно, что влажность воздуха существенно влияет на теплообмен человека с окружающей средой и имеет большое значение для его жизнедеятельности. Так, например, при низкой температуре и высокой влажности воздуха повышается теплоотдача и человек подвергается большому охлаждению, а при высокой температуре и высокой влажности воздуха теплоотдача резко сокращается, что ведет к его перегреванию.
Наиболее благоприятной для человека в средних климатических условиях является относительная влажность воздуха 40-60%, которую и необходимо поддерживать в кабине управления локомотива.
В связи с вышеописанным подобные способы поддержания комфортных условий работы в кабине управления локомотива имеют следующие недостатки:
– отсутствие полного автоматического управления устройствами обогрева и кондиционирования воздуха;
– отсутствие возможности задания и автоматического поддержания определенной температуры и влажности воздуха в кабине управления локомотива;
– отсутствие средств отображения текущей и заданной локомотивной бригадой значений температур воздуха в кабине управления локомотива;
– отсутствие плавного (без коммутаций) регулирования напряжения, подводимого к нагревательным элементам устройств обогрева и, соответственно, отсутствие плавного регулирования температуры воздуха в кабине управления локомотива.
В связи с этим задачей изобретения является разработка такой системы обеспечения микроклимата (СОМ) в кабине управления локомотива, которая бы исключала вышеописанные недостатки.
Поставленная задача достигается тем, что предложенная система обеспечения микроклимата, содержащая кондиционер, подключенный через силовые контакты контактора к трехфазному высоковольтному источнику переменного напряжения локомотива, калориферы, представляющие собой нагревательные элементы, и вентиляторы с приводными двигателями, электрические печи, плоские нагревательные панели, нагревательные элементы которых через автоматические выключатели и силовые контакты контакторов подключены к трехфазному высоковольтному источнику переменного напряжения локомотива, имеет следующие отличия: контактор для подключения кондиционера к трехфазному высоковольтному источнику переменного напряжения локомотива выполнен трехполюсным и система дополнительно снабжена управляемыми трехфазными выпрямителями, тепловой завесой входной двери кабины управления, регулятором напряжения, микропроцессорным блоком, панелью-задатчиком температуры, при этом входные каналы управляемых трехфазных выпрямителей подключены к трехфазному низковольтному источнику переменного напряжения локомотива через силовые контакты трехполюсного контактора, к выходному каналу одного из управляемых трехфазных выпрямителей через контакты двухполюсного автоматического выключателя подключены нагревательные элементы дополнительно введенной тепловой завесы входной двери кабины управления, к выходному каналу другого управляемого трехфазного выпрямителя через контакты двухполюсного автоматического выключателя подключены нагревательные элементы калориферов, к выходному каналу третьего управляемого трехфазного выпрямителя через контакты двухполюсного автоматического выключателя подключены нагревательные элементы электрических печей, к выходному каналу четвертого управляемого трехфазного выпрямителя через контакты двухполюсного автоматического выключателя подключены нагревательные элементы плоских нагревательных панелей, при этом двухполюсные автоматические выключатели представляют собой конструкцию, состоящую из модуля дистанционного управления и спаренных с ним двух однополюсных автоматических выключателей, к дополнительно введенному регулятору напряжения подключены каналы управления управляемых трехфазных выпрямителей, а к дополнительно введенному микропроцессорному блоку подключены датчики температуры, измеряющие температуру воздуха в кабине управления, датчик температуры, измеряющий температуру воздуха за бортом локомотива, датчик влажности, измеряющий влажность в кабине управления, модули дистанционного управления и блокировочные контакты автоматических двухполюсных выключателей, приводные двигатели вентиляторов калориферов, электромагнитные катушки и блокировочные контакты трехполюсных контакторов, а также дополнительно введенная панель-задатчик температуры, при этом микропроцессорный блок электрически связан с регулятором напряжения, а интерфейсным каналом связи – с системой управления локомотива.
Положительный эффект изобретения проявляется в том, что предлагаемое техническое решение СОМ за счет введения тепловой завесы входной двери кабины управления, управляемых трехфазных выпрямителей, регулятора напряжения, микропроцессорного блока, панели-задатчика температуры, конструктивного исполнения двухполюсных автоматических выключателей, представляющих собой модуль дистанционного управления и спаренные с ним два однополюсных автоматических выключателя позволит:
– осуществить автоматическое управление всеми устройствами обогрева и кондиционирования воздуха;
– задавать и затем автоматически поддерживать заданную температуру и влажность воздуха в кабине управления локомотива;
– осуществлять контроль текущей и проверку заданной локомотивной бригадой значений температур воздуха в кабине управления локомотива;
– осуществлять плавное (без коммутаций) регулирование напряжения, подводимого к нагревательным элементам устройств обогрева и, соответственно, осуществлять плавное регулирование температуры воздуха в кабине управления локомотива.
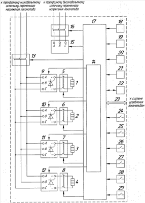
На чертеже показана структурная схема системы обеспечения микроклимата в кабине управления локомотива.
Для обеспечения электропитанием устройств обогрева и кондиционирования, входящих в состав СОМ, на локомотиве предусмотрены высоковольтный и низковольтный трехфазные источники переменного напряжения (не показаны).
Система обеспечения микроклимата в кабине управления содержит нагревательные элементы калориферов 1, нагревательные элементы электрических печей 2, нагревательные элементы тепловой завесы 3 входной двери кабины управления, нагревательные элементы плоских нагревательных панелей 4, которые через соответствующие контакты двухполюсных автоматических выключателей 5, 6, 7 и 8 подключены к выходным каналам управляемых трехфазных выпрямителей 9, 10, 11 и 12, входные каналы которых через силовые контакты трехполюсного контактора 13 подключены к трехфазному низковольтному источнику переменного напряжения локомотива. Каналы управления управляемых трехфазных выпрямителей 9, 10, 11 и 12 подключены к регулятору напряжения 14. Кондиционер 15 через силовые контакты трехполюсного контактора 16 подключен к трехфазному высоковольтному источнику переменного напряжения локомотива. К микропроцессорному блоку 17 подключены датчики температуры 18 и 19, предназначенные для измерения температуру воздуха в кабине управления, датчик температуры 20, предназначенный для измерения температуру воздуха за бортом локомотива, датчик влажности 21, предназначенный для измерения влажности в кабине управления, панель-задатчик температуры 22, интерфейсный канал связи 23, предназначенный для обмена информацией между СОМ и системой управления локомотива, модули дистанционного управления и блокировочные контакты 24, 25, 26, 27 автоматических двухполюсных выключателей 5, 6, 7 и 8, приводные двигатели вентиляторов (не показаны) калориферов 1, электромагнитные катушки и блокировочные контакты 28, 29 трехполюсных контакторов 13 и 16.
Регулятор напряжения 14 конструктивно может представлять собой независимый блок или входить в структуру микропроцессорного блока 17.
Для функционирования СОМ к микропроцессорному блоку 17 подведено электропитание от бортовой сети локомотива (не показано).
Двухполюсные автоматические выключатели 5, 6, 7 и 8 представляют собой законченную конструкцию, состоящую из модуля дистанционного управления и спаренных с ним двух однополюсных автоматических выключателей, содержащих главные и блокировочные контакты 24, 25, 26, 27. Такая конструкция автоматического выключателя объединяет в себе удобство дистанционного включения, выключения и перезапуска автоматического выключателя. В случае необходимости, не утрачивается возможность и ручного управления автоматическим выключателем. Одной из компаний, производящих автоматические выключатели с подобной конструкцией, является компания Mors Smitt.
Двухполюсные автоматические выключатели 5, 6, 7 и 8 в предлагаемой СОМ выполняют не только функцию защиты от перегрузок и коротких замыканий, но и функцию дистанционного подключения (отключения) нагревательных элементов устройств обогрева 1, 2, 3 и 4 к выходным каналам управляемых трехфазных выпрямителей 9, 10, 11 и 12.
Работа системы обеспечения микроклимата в кабине управления локомотива заключается в следующем.
Для создания нормированных параметров микроклимата в зимнее время года в СОМ предусмотрены калориферы 1, подающие подогретый воздух к ногам локомотивной бригады и вдоль боковых стен кабины управления, электрические печи 2, тепловая завеса 3, создающая вдоль двери кабины управления поток теплого воздуха, плоские нагревательные панели 4, встроенные в обшивку пола и стен кабины управления. Для исключения перегрева поверхности обшивки стен и пола кабины управления плоские нагревательные панели 4 оборудуются встроенными датчиками-реле температуры (не показаны), которые при достижении температуры на поверхности обшивки 43±2°С отключают плоские нагревательные панели 4 от электропитания.
Для создания нормированных параметров микроклимата в летнее время года в СОМ предусмотрен кондиционер 15, позволяющий эффективно охлаждать воздух в кабине управления. Кондиционер также имеет функции подогрева воздуха, регулирования влажности воздуха и используется в зимнее время года для подогрева свежего забортного воздуха.
Управление всеми вышеперечисленными устройствами обогрева и кондиционирования осуществляется микропроцессорной системой управления СОМ, конструктивно представляющей блок 17.
Управление калориферами 1, электрическими печами 2, тепловой завесой 3 и плоскими нагревательными панелями 4 осуществляется следующим образом. В зимнее время года микропроцессорная система управления СОМ включает трехполюсный контактор 13, подключая тем самым входные каналы управляемых трехфазных выпрямителей 9, 10, 11 и 12 к трехфазному низковольтному источнику переменного напряжения локомотива. Затем посредством модулей дистанционного управления, конструктивно входящих в состав двухполюсных автоматических выключателей 5, 6, 7, и 8, микропроцессорная система управления СОМ включает двухполюсные автоматические выключатели. Контроль включения (выключения) двухполюсных автоматических выключателей 5, 6, 7, и 8, а также трехполюсного контактора 13 осуществляется микропроцессорной системой управления СОМ по их блокировочным контактам 24, 25, 26, 27 и 28, подключенным к блоку 17.
Необходимо отметить, что автоматические выключатели 5, 6, 7, и 8 включают (отключают) СОМ только в тот момент, когда напряжение на выходных каналах управляемых трехфазных выпрямителей 9, 10, 11 и 12 отсутствует. Таким образом, нагревательные элементы устройств обогрева 1, 2, 3 и 4 подключаются (отключаются) к выходным каналам управляемых трехфазных выпрямителей 9, 10, 11 и 12 без тока.
В зависимости от показаний датчиков температуры 18, 19, 20, датчика влажности 21 и заданий, поступивших в СОМ через панель-задатчика температуры 22 или интерфейсный канал связи 23, микропроцессорная система управления СОМ формирует определенный сигнал для регулятора напряжения 14. Последний по полученному сигналу формирует сигналы управления для управляемых трехфазных выпрямителей 9, 10, 11 и 12. В зависимости от параметров сигнала управления, выданного регулятором напряжения 14, на выходе управляемых трехфазных выпрямителей 9, 10, 11 и 12 возникает постоянное напряжение определенной величины.
Постоянное напряжение, полученное в результате выпрямления трехфазного переменного напряжения, прикладывается к нагревательным элементам калориферов 1, электрических печей 2, тепловой завесы 3 и плоских нагревательных панелей 4.
Одновременно с включением двухполюсного автоматического выключателя 5 микропроцессорная система СОМ включает приводные двигатели вентиляторов калориферов 1.
Регулирование напряжения на выходе управляемых трехфазных выпрямителей 9, 10, 11 и 12 осуществляется микропроцессорной системой управления СОМ следующим образом.
В случае необходимости снизить температуру воздуха в кабине управления микропроцессорная система управления СОМ формирует сигнал для регулятора напряжения 14 на уменьшение угла открытия вентилей управляемых трехфазных выпрямителей 9, 10, 11 и 12. Регулятор напряжения 14 в свою очередь формирует определенный сигнал для управляемых трехфазных выпрямителей 9, 10, 11 и 12. После этого напряжение на выходе управляемых трехфазных выпрямителей 9, 10, 11 и 12 и соответственно тепловая энергия, выделяемая нагревательными элементами устройств обогрева 1, 2, 3 и 4, уменьшаются.
В случае необходимости повысить температуру воздуха в кабине управления микропроцессорная система управления СОМ формирует сигнал для регулятора напряжения 14 на увеличение угла открытия вентилей управляемых трехфазных выпрямителей 9, 10, 11 и 12. Регулятор напряжения 14 в свою очередь формирует определенный сигнал для управляемых трехфазных выпрямителей 9, 10, 11 и 12. После этого напряжение на выходе управляемых трехфазных выпрямителей 9, 10, 11 и 12 и соответственно тепловая энергия, выделяемая нагревательными элементами устройств обогрева 1, 2, 3 и 4, увеличиваются.
Как следует из вышеописанного, предлагаемая СОМ осуществляет плавное регулирования напряжения на выходах управляемых трехфазных выпрямителей 9, 10, 11, 12 и соответственно на нагревательных элементах устройств обогрева 1, 2, 3, 4, исключая тем самым броски тока и перенапряжения в цепях электропитания этих устройств и не оказывая неблагоприятного воздействия на здоровье локомотивной бригады.
Выходная мощность трехфазных управляемых выпрямителей 9, 10, 11 и 12 определяется мощностью нагревательных элементов, подключенных к их выходным каналам. К каждому из управляемых трехфазных выпрямителей 9, 10, 11 и 12 может быть подключено разное количество нагревательных элементов, имеющих различную мощность потребления. Поэтому в целях унификации управляемых трехфазных выпрямителей 9, 10, 11 и 12 элементы, входящие в их состав, выбраны по параметрам наиболее нагруженного выпрямителя.
Управление кондиционером 15 осуществляется СОМ следующим образом. Как в летнее, так и в зимнее время года микропроцессорная система управления СОМ включает трехполюсный контактор 16, подключая тем самым кондиционер 15 к трехфазному высоковольтному источнику переменного напряжения локомотива. Только в зимнее время года кондиционер работает для подогрева свежего забортного воздуха, а в летнее время года – для охлаждения воздуха в кабине управления. Контроль включения (выключения) трехполюсного контактора 16 осуществляется микропроцессорной системой управления СОМ по его блокировочному контакту 29, подключенному к блоку 17.
Для обеспечения нормируемой величины влажности воздуха в кондиционере 15 предусмотрены заслонки, регулирующие скорость подачи свежего забортного воздуха в кабину управления. Заслонки имеют три положения, которым соответствуют следующие значения скоростей подачи воздуха: 90, 60 и 45 м/час.
В зимнее время года в зависимости от температуры воздуха за бортом локомотива и показаний датчика влажности 21 СОМ выдает кондиционеру 15 сигнал о необходимости переключить заслонки в одно из трех положений.
В летнее время года в зависимости от температуры воздуха за бортом локомотива и показаний датчика влажности 21 СОМ выдает кондиционеру 15 сигнал о необходимости перейти в режим вентиляции или кондиционирования. При этом регулировка заслонок кондиционера 15 не требуется.
Таким образом предлагаемая СОМ позволяет создать нормированные параметры микроклимата в кабине управления локомотива с минимальным вмешательством локомотивной бригады в ее работу за счет автоматического управление устройствами обогрева и кондиционирования воздуха.
СОМ имеет интерфейсный канал связи 23 с микропроцессорной системой управления локомотивом. По интерфейсному каналу связи 23 СОМ передает в систему управления локомотивом следующую информацию:
– значение температуры, заданное локомотивной бригадой;
– значение температуры, измеренное в кабине управления посредством датчиков температуры 18 и 19;
– значение температуры, измеренное за бортом локомотива посредством датчика температуры 20;
– значение влажности, измеренное в кабине управления посредством датчика влажности 21;
– неисправность регулятора напряжения 14;
– неисправность одного из управляемых трехфазных выпрямителей 9, 10, 11 или 12;
– наличие короткого замыкания в цепях нагревательных элементов устройств обогрева 1, 2, 3 или 4;
– отключение одного из устройств обогрева 1, 2, 3 или 4 от выходного канала управляемого трехфазного выпрямителя 9, 10, 11 или 12;
– различного рода диагностическую информацию о функционировании микропроцессорной системы управления СОМ.
Всю вышеперечисленную информацию локомотивная бригада или ремонтный персонал могут просмотреть на дисплее, функционально входящем в структуру системы управления локомотивом.
Посредством панели-задатчика температуры 22 локомотивная бригада может осуществлять контроль текущей температуры в кабине управления, контроль температуры за бортом локомотива, задавать комфортную для себя температуру в диапазоне регулирования от плюс 18°С до плюс 28°С и осуществлять проверку заданного значения температуры воздуха в кабине.
В случае неисправности или по желанию локомотивной бригады функции отображения и задания температуры, выполняемые панелью-задатчиком температуры 22, может взять на себя дисплей, имеющий клавиатуру ввода и функционально входящий в структуру системы управления локомотивом. Дисплей, как и панель-задатчик температуры 22, устанавливается на пульте управления локомотива.
Формула изобретения
Система обеспечения микроклимата в кабине управления локомотива, содержащая кондиционер, подключенный через силовые контакты контактора к трехфазному высоковольтному источнику переменного напряжения локомотива, калориферы, представляющие собой нагревательные элементы и вентиляторы с приводными двигателями, электрические печи, плоские нагревательные панели, нагревательные элементы которых через автоматические выключатели и силовые контакты контакторов подключены к трехфазному высоковольтному источнику переменного напряжения локомотива, отличающаяся тем, что контактор для подключения кондиционера к трехфазному высоковольтному источнику переменного напряжения локомотива выполнен трехполюсным и система дополнительно снабжена управляемыми трехфазными выпрямителями, тепловой завесой входной двери кабины управления, регулятором напряжения, микропроцессорным блоком, панелью-задатчиком температуры, при этом входные каналы управляемых трехфазных выпрямителей подключены к трехфазному низковольтному источнику переменного напряжения локомотива через силовые контакты трехполюсного контактора, к выходному каналу одного из управляемых трехфазных выпрямителей через контакты двухполюсного автоматического выключателя подключены нагревательные элементы дополнительно введенной тепловой завесы входной двери кабины управления, к выходному каналу другого управляемого трехфазного выпрямителя через контакты двухполюсного автоматического выключателя подключены нагревательные элементы калориферов, к выходному каналу третьего управляемого трехфазного выпрямителя через контакты двухполюсного автоматического выключателя подключены нагревательные элементы электрических печей, к выходному каналу четвертого управляемого трехфазного выпрямителя через контакты двухполюсного автоматического выключателя подключены нагревательные элементы плоских нагревательных панелей, при этом двухполюсные автоматические выключатели представляют собой конструкцию, состоящую из модуля дистанционного управления и спаренных с ним двух однополюсных автоматических выключателей, к дополнительно введенному регулятору напряжения подключены каналы управления управляемых трехфазных выпрямителей, а к дополнительно введенному микропроцессорному блоку подключены датчики температуры, измеряющие температуру воздуха в кабине управления, датчик температуры, измеряющий температуру воздуха за бортом локомотива, датчик влажности, измеряющий влажность в кабине управления, модули дистанционного управления и блокировочные контакты автоматических двухполюсных выключателей, приводные двигатели вентиляторов калориферов, электромагнитные катушки и блокировочные контакты трехполюсных контакторов, а также дополнительно введенная панель-задатчик температуры, при этом микропроцессорный блок электрически связан с регулятором напряжения, а интерфейсным каналом связи – с системой управления локомотива.
РИСУНКИ
|
|