|
|
(21), (22) Заявка: 2008136004/11, 28.10.2008
(24) Дата начала отсчета срока действия патента:
28.10.2008
(46) Опубликовано: 20.06.2010
(56) Список документов, цитированных в отчете о поиске:
RU 2141412 С1, 20.11.1999. RU 2192572 C1, 10.11.2002. RU 2053895 C1, 10.02.1996. EP 1122109 A2, 08.08.2001.
Адрес для переписки:
394051, г.Воронеж, Ю. Янониса, 17-99, В.Е. Мерзликину
|
(72) Автор(ы):
Мерзликин Виктор Егорович (RU)
(73) Патентообладатель(и):
Мерзликин Виктор Егорович (RU)
|
(54) ЭЛЕКТРОМЕХАНИЧЕСКАЯ БЕССТУПЕНЧАТАЯ ПЕРЕДАЧА
(57) Реферат:
Изобретение относится к области автомобилестроения, а именно к планетарным коробкам передач. Электромеханическая бесступенчатая передача состоит из электрогенератора, дифференциального планетарного механизма и повышающего планетарного механизма. Электрогенератор электрически соединен с электродвигателем, вал которого является одним из выходных валов электромеханической бесступенчатой передачи. В электромеханической бесступенчатой передаче входной вал жестко соединен с солнечным колесом дифференциального планетарного механизма, водило которого соединено с водилом повышающего планетарного механизма, соединенного своим солнечным колесом с валом электрогенератора. А еще один выходной вал электромеханической бесступенчатой передачи соединен посредством пары зубчатых колес с коронным колесом дифференциального планетарного механизма и соединительным валом с электродвигателем. Электрогенератор электрически соединен с электродвигателем электроконтактором. Достигается бесступенчатое изменение крутящего момента от нагрузки. 2 ил.
Электромеханическая бесступенчатая передача относится к механизмам под общим названием планетарные коробки скоростей и может найти применение в автомобилестроении.
В качестве прототипа выбрана электрическая передача, предложенная инженером Я.М.Гаккелем в 1924 году – основной двигатель вращает генератор, вырабатывающий электрический ток для работы электромоторов. (Большая энциклопедия транспорта. Стр.104, Москва, ЗАО Компания «Махаон», 2007 г.) Электрическая передача требует применения электрогенератора и электромоторов мощностью не менее мощности основного двигателя привода.
Электромеханическая бесступенчатая передача предназначена для бесступенчатого изменения передаточного отношения и крутящего момента. В отличие от прототипа (электрической передачи), где мощность электрогенератора, а также суммарная мощность питаемых им электромоторов должна быть не менее мощности основного двигателя привода, в электромеханической бесступенчатой передаче мощность электрогенератора, а также мощность питаемого им электродвигателя составляет половину мощности основного двигателя привода, что достигается за счет разделения крутящего момента основного двигателя привода посредством дифференциального планетарного механизма по двум направлениям – механическому и электрическому – с последующим объединением в один общий (суммарный) крутящий момент. Техническим результатом является возможность бесступенчатого изменения передаточного отношения и крутящего момента, в зависимости от нагрузки на выходные валы передачи в широких пределах, вплоть до полной остановки выходных валов передачи по достижении на них максимально возможного при данной мощности крутящего момента (при продолжающем работать двигателе привода) и при мощности электрогенератора и электродвигателя, равной половине двигателя привода.
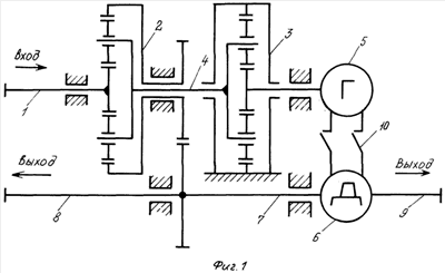
Изобретение поясняется чертежом:
1 – входной вал,
2 – дифференциальный планетарный механизм,
3 – повышающий планетарный механизм,
4 – сочлененное водило механизма 2 и механизма 3,
5 – электрогенератор,
6 – электродвигатель,
7 – соединительный вал,
8 – выходной вал,
9 – выходной вал,
10 – электроконтактор.
Электромеханическая бесступенчатая передача состоит из входного вала 1, жестко соединенного с солнечным колесом дифференциального планетарного механизма 2, водило которого 4 сочленено с водилом повышающего планетарного механизма 3, соединенного своим солнечным колесом с валом электрогенератора 5, электродвигателя 6, вал которого с одной стороны посредством вала 7 соединен с выходным валом передачи 8, а с другой стороны является выходным валом передачи 9. Выходной вал передачи 8 через пару зубчатых колес соединен с коронным колесом дифференциального планетарного механизма 2. Электроконтактор 10 служит для электрического соединения электрогенератора 5 с электродвигателем 6.
Электромеханическая бесступенчатая передача действует следующим образом: при минимальной нагрузке на выходные валы 8 и 9 крутящий момент от входного вала 1 передается к ним через коронное колесо дифференциального планетарного механизма 2 и пару зубчатых колес (механическим путем). При увеличении нагрузки на выходные валы 8 и 9 обороты коронного колеса дифференциального планетарного механизма 2 начинают уменьшаться, что приводит к увеличению оборотов сочлененного водила 4 механизмов 2 и 3, что в свою очередь увеличивает обороты электрогенератора 5, питающего электродвигатель 6. В конечном итоге увеличивается крутящий момент электродвигателя 6, что увеличивает суммарный крутящий момент на выходных валах 8 и 9, складывающийся из крутящего момента от коронного колеса дифференциального планетарного механизма 2 и крутящего момента электродвигателя 6. Электроконтактор 10 выполняет функцию сцепления.
Формула изобретения
Электромеханическая бесступенчатая передача, состоящая из электрогенератора, электрически соединенного с электродвигателем, вал которого является одним из выходных валов электромеханической бесступенчатой передачи, отличающаяся тем, что дополнительно содержит дифференциальный планетарный механизм и повышающий планетарный механизм, в которой входной вал жестко соединен с солнечным колесом дифференциального планетарного механизма, водило которого соединено с водилом повышающего планетарного механизма, соединенного своим солнечным колесом с валом электрогенератора, еще один выходной вал электромеханической бесступенчатой передачи соединен посредством пары зубчатых колес с коронным колесом дифференциального планетарного механизма и соединительным валом с электродвигателем, а электрогенератор электрически соединен с электродвигателем электроконтактором.
РИСУНКИ
|
|