|
(21), (22) Заявка: 2008135091/09, 01.09.2008
(24) Дата начала отсчета срока действия патента:
01.09.2008
(43) Дата публикации заявки: 10.03.2010
(46) Опубликовано: 10.06.2010
(56) Список документов, цитированных в отчете о поиске:
RU 2319232 C1, 10.03.2008. JP 11163686 A, 18.06.1999. EP 1865601 A1, 12.12.2007. SU 1629962 A1, 23.02.1991.
Адрес для переписки:
119333, Москва, ул. Вавилова, 44, корп.2, Учреждение Российской академии наук Институт проблем информатики РАН (ИПИ РАН)
|
(72) Автор(ы):
Степченков Юрий Афанасьевич (RU), Дьяченко Юрий Георгиевич (RU), Филин Адольф Васильевич (RU), Морозов Николай Викторович (RU)
(73) Патентообладатель(и):
Учреждение Российской академии наук Институт проблем информатики РАН (ИПИ РАН) (RU)
|
(54) ОДНОТАКТНЫЙ САМОСИНХРОННЫЙ RS-ТРИГГЕР С ПРЕДУСТАНОВКОЙ И ВХОДОМ УПРАВЛЕНИЯ
(57) Реферат:
Изобретение относится к импульсной и вычислительной технике и может использоваться при построении самосинхронных триггерных, регистровых и вычислительных устройств, систем цифровой обработки информации. Достигаемый технический результат – обеспечение реализации синхронной и самосинхронной предустановки в однотактном самосинхронном RS-триггере с парафазным информационным входом и входом управления. Однотактный самосинхронный RS-тригтер с предустановкой и входом управления содержит блок памяти и блок индикации. Устройство в зависимости от типа спейсера парафазного информационного входа выполнено на элементах И-ИЛИ-НЕ или ИЛИ-И-НЕ. 11 з.п. ф-лы, 12 ил.
Однотактный самосинхронный RS-триггер с предустановкой и входом управления относится к импульсной и вычислительной технике и может использоваться при построении самосинхронных триггерных, регистровых и вычислительных устройств, систем цифровой обработки информации.
Известен RS-триггер [1], содержащий два элемента ИЛИ-НЕ.
Недостаток известного устройства – отсутствие средств начальной установки и индикации окончания переходных процессов.
Наиболее близким к предлагаемому решению по технической сущности и принятым в качестве прототипа является самосинхронный RS-триггер [2], содержащий блок памяти в виде бистабильной ячейки на элементах И-ИЛИ-НЕ, индикаторный элемент И-ИЛИ-НЕ, парафазный информационный вход, вход управления, парафазный информационный выход и индикаторный выход.
Недостаток прототипа – отсутствие предустановки, что не позволяет обеспечить его начальную установку в определенное состояние и индикацию окончания предустановки. Под предустановкой понимается процедура предварительного сброса прямого выхода триггера в состояние логического нуля или предварительной установки его в состояние логической единицы.
Задача, решаемая в изобретении, заключается в обеспечении синхронной и самосинхронной реализации предустановки однотактного самосинхронного RS-триггера с парафазным входом данных и входом управления.
Это достигается тем, что в однотактном самосинхронном RS-триггере со входом управления, содержащем блок памяти, блок индикации, первую и вторую составляющие парафазного информационного входа, вход управления, первый и второй информационные выходы и индикаторный выход, причем первая составляющая парафазного информационного входа соединена с первыми входами блоков памяти и индикации, вторая составляющая парафазного информационного входа соединена со вторыми входами блоков памяти и индикации, первый информационный выход триггера подключен к первому выходу блока памяти и третьему входу блока индикации, второй информационный выход триггера подключен ко второму выходу блока памяти и четвертому входу блока индикации, вход управления подключен к третьему входу блока памяти и пятому входу блока индикации, индикаторный выход триггера соединен с выходом блока индикации, введены вход предустановки триггера и четвертый вход блока памяти, соединенные друг с другом.
Предлагаемое устройство удовлетворяет критерию “существенные отличия”. Использование входа предустановки в синхронных триггерах известно. Однако использование его в самосинхронном RS-триггере с учетом специфики работы самосинхронных устройств позволило достичь эффекта, выраженного целью изобретения. Существенное отличие предлагаемой реализации предустановки от аналогичных решений в синхронной схемотехнике заключается в том, что в данном случае для успешной предустановки вход управления должен находиться в спейсере (пассивном состоянии). Это позволяет упростить предустановку и обеспечить ее самосинхронность при использовании дополнительного элемента фиксации окончания предустановки, как описано ниже.
Поскольку введенные конструктивные связи в аналогичных технических решениях не известны, устройство может считаться имеющим существенные отличия.
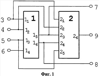
На фиг.1 изображена схема однотактного самосинхронного RS-триггера со входом управления и синхронной предустановкой.
Схема содержит блок памяти 1, блок индикации 2, первую 3 и вторую 4 составляющие парафазного информационного входа, вход управления 5, вход предустановки 6, первый 7 и второй 8 информационные выходы, индикаторный выход 9, первая 3 составляющая парафазного информационного входа соединена с первым 11 входом блока памяти 1 и с первым 21 входом блока индикации 2, вторая 4 составляющая парафазного информационного входа соединена со вторым 12 входом блока памяти 1 и вторым 22 входом блока индикации 2, первый 15 выход блока памяти 1 подключен к третьему 23 входу блока индикации и первому 7 информационному выходу триггера, второй 16 выход блока памяти 1 подключен к четвертому 24 входу блока индикации и второму 8 информационному выходу триггера, вход управления 5 соединен с третьим входом 13 блока памяти и пятым входом 25 блока индикации 2, вход предустановки 6 подключен к четвертому входу 14 блока памяти, выход 26 блока индикации 2 подключен к индикаторному выходу 9 триггера.
Схема работает следующим образом. Установка начального состояния происходит при пассивном (спейсерном) значении управляющего входа 5 триггера, обеспечивающем хранение информации в блоке памяти, подачей активного уровня на вход предустановки 6. Наличие спейсерного состояния на входе управления 5 требуется также для обеспечения неизменного состояния на индикаторном выходе 9 в процессе предустановки, что является необходимым условием правильного функционирования самосинхронного триггера. Конкретные значения входа управления 5 и входа предустановки 6, обеспечивающие предустановку, определяются базисом реализации триггера и типом предустановки и раскрываются ниже.
Особенности данной схемы по сравнению с прототипом следующие.
Триггер имеет вход предустановки, позволяющий установить триггер в определенное состояние и создающий предпосылки для построения схемы индикации окончания предустановки самосинхронного триггера.
Таким образом, предлагаемое устройство обеспечивает синхронную предустановку однотактного самосинхронного RS-триггера с входом управления. Цель изобретения достигнута.
Конкретная техническая реализация предлагаемого однотактного самосинхронного RS-триггера с синхронной и самосинхронной предустановкой и входом управления и его составных блоков зависит от типа спейсера входа управления (высокий или низкий его уровень обеспечивает хранение состояния триггера) и от типа предустановки триггера. Тип спейсера влияет на базис реализации блока памяти: И-ИЛИ-НЕ или ИЛИ-И-НЕ. Тип предустановки в совокупности с типом спейсера определяет спецификацию первой и второй составляющих парафазного информационного входа и первого и второго информационных выходов триггера, как описано ниже.
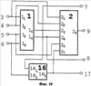
На фиг.2 представлена реализация однотактного самосинхронного RS-триггера с синхронной предустановкой и входом управления с нулевым спейсером. Схема отличается от схемы на фиг.1 тем, что блок памяти реализован на первом 10 и втором 11 элементах И-ИЛИ-НЕ, блок индикации реализован на третьем элементе И-ИЛИ-НЕ 12, первые входы первых групп входов И первого 10 и второго 11 элементов И-ИЛИ-НЕ подключены к первому и второму входам блока памяти 1 соответственно, вторые входы первых групп входов И первого 10 и второго 11 элементов И-ИЛИ-НЕ соединены с третьим входом блока памяти 1, выход первого элемента И-ИЛИ-НЕ 10 подключен к первому входу второй группы входов И второго элемента И-ИЛИ-НЕ 11 и первому выходу блока памяти 1, второй вход второй группы входов И второго элемента И-ИЛИ-НЕ 11 соединен с четвертым входом блока памяти 1, выход второго элемента И-ИЛИ-НЕ 11 подключен ко второму выходу блока памяти 1 и входу второй группы входов И первого элемента И-ИЛИ-НЕ 10, первые входы первой и второй групп входов И третьего элемента И-ИЛИ-НЕ 12 соединены со вторым и первым входами блока индикации 2 соответственно, вторые входы первой и второй групп входов И третьего элемента И-ИЛИ-НЕ 12 подключены к третьему и четвертому входам блока индикации 2 соответственно, третьи входы первой и второй групп входов И третьего элемента И-ИЛИ-НЕ 12 подключены к пятому входу блока индикации 2, выход третьего элемента И-ИЛИ-НЕ 12 соединен с выходом блока индикации 2.
Схема работает следующим образом. При высоком уровне сигнала на входе управления 5 и предустановки 6 триггер воспринимает и запоминает состояние парафазного информационного входа 3, 4 – (0,1) или (1,0), а окончание запоминания нового состояния в блоке памяти, реализованном бистабильной ячейкой на элементах 10 и 11, фиксируется блоком индикации на элементе 12, выход которого (и соответственно индикаторный выход триггера 9) переключается в низкий уровень (логический 0) только после окончания переключения всех элементов схемы триггера. Переход в спейсер входа управления 5 (логический 0) разрешает хранение информации на выходах бистабильной ячейки на базе элементов 10 и 11 (и соответственно на информационных выходах триггера 7 и 8) и одновременно переводит выход блока индикации на элементе 12 (и соответственно индикаторный выход 9 триггера) в высокий уровень (логическую 1), индицируя тем самым завершение перехода триггера в фазу хранения информации.
Предустановка осуществляется при спейсере (низком уровне) на входе управления 5 после подтверждения перехода триггера в фазу хранения (высокий уровень сигнала на индикаторном выходе 9) подачей на вход предустановки 6 низкого уровня. При этом элемент 11 переключается в логическую 1, заставляя элемент 10 перейти в состояние логического 0, завершая тем самым предустановку. На первом информационном выходе 7 триггера формируется низкий уровень. При этом выход блока индикации на элементе 12 (он же – индикаторный выход 9 триггера) не изменяется на всем протяжении предустановки, поскольку его группы входов блокированы нулевым спейсером входа управления 5. По окончании предустановки на вход предустановки 6 подается высокий уровень, и схема триггера готова к продолжению работы.
В схеме на фиг.2 возможны два варианта спецификации входов и выходов триггера:
1) вход предустановки является входом установки нуля, первая и вторая составляющие парафазного информационного входа являются соответственно инверсной и прямой информационными составляющими, а первый и второй информационные выходы триггера являются прямым и инверсным информационными выходами соответственно;
2) вход предустановки является входом установки единицы, первая и вторая составляющие парафазного информационного входа являются соответственно прямой и инверсной информационными составляющими, а первый и второй информационные выходы триггера являются инверсным и прямым информационными выходами соответственно.
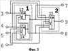
На фиг.3 представлена реализация однотактного самосинхронного RS-триггера с синхронной предустановкой и входом управления с единичным спейсером. Схема отличается от схемы на фиг.1 тем, что блок памяти реализован на первом 13 и втором 14 элементах ИЛИ-И-НЕ, блок индикации реализован на третьем элементе ИЛИ-И-НЕ 15, первые входы первых групп входов ИЛИ первого 13 и второго 14 элементов ИЛИ-И-НЕ подключены к первому и второму входам блока памяти 1 соответственно, вторые входы первых групп входов ИЛИ первого 13 и второго 14 элементов ИЛИ-И-НЕ соединены с третьим входом блока памяти 1, выход первого элемента ИЛИ-И-НЕ 13 подключен к первому входу второй группы входов ИЛИ второго элемента ИЛИ-И-НЕ 14 и первому выходу блока памяти 1, второй вход второй группы входов ИЛИ второго элемента ИЛИ-И-НЕ 14 соединен с четвертым входом блока памяти 1, выход второго элемента ИЛИ-И-НЕ 14 подключен ко второму выходу блока памяти 1 и входу второй группы входов ИЛИ первого элемента ИЛИ-И-НЕ 13, первые входы первой и второй групп входов ИЛИ третьего элемента ИЛИ-И-НЕ 15 соединены со вторым и первым входами блока индикации 2 соответственно, вторые входы первой и второй групп входов ИЛИ третьего элемента ИЛИ-И-НЕ 15 подключены к третьему и четвертому входам блока индикации 2 соответственно, третьи входы первой и второй групп входов ИЛИ третьего элемента ИЛИ-И-НЕ 15 подключены к пятому входу блока индикации 2, выход третьего элемента ИЛИ-И-НЕ 15 соединен с выходом блока индикации 2.
Данная схема в значительной мере совпадает со схемой RS-триггера [3], элементы которой после проведения эквивалентных логических преобразований представляются в базисе ИЛИ-И-НЕ.
Схема работает следующим образом. При низком уровне сигнала на входах управления 5 и предустановки 6 триггер воспринимает и запоминает состояние парафазного информационного входа 3, 4 – (0,1) или (1,0), а окончание запоминания нового состояния в блоке памяти, реализованном бистабильной ячейкой на элементах 13 и 14, фиксируется блоком индикации на элементе 15, выход которого (и соответственно индикаторный выход триггера 9) переключается в высокий уровень (логическую 1) только после окончания переключения всех элементов схемы триггера. Переход в спейсер входа управления 5 (логическая 1) разрешает хранение информации на выходах бистабильной ячейки на базе элементов 13 и 14 (и соответственно на информационных выходах триггера 7 и 8) и одновременно переводит выход блока индикации на элементе 15 (и соответственно индикаторный выход 9 триггера) в низкий уровень (логический 0), индицируя тем самым завершение перехода триггера в фазу хранения информации.
Предустановка осуществляется при спейсере (логической 1) на входе управления 5 после подтверждения перехода триггера в фазу хранения (низкий уровень сигнала на индикаторном выходе 9) подачей на вход предустановки 6 высокого уровня. При этом элемент 14 переключается в логический 0, заставляя элемент 13 перейти в состояние логической 1, завершая тем самым предустановку. На первом информационном выходе 7 триггера формируется высокий уровень. При этом выход блока индикации на элементе 15 (он же – индикаторный выход 9 триггера) не изменяется на всем протяжении предустановки, поскольку его группы входов блокированы единичным спейсером входа управления 5. По окончании предустановки на вход предустановки 6 подается низкий уровень, и схема триггера готова к продолжению работы.
В схеме на фиг.3 также возможны два варианта спецификации входов и выходов триггера:
1) вход предустановки является входом установки единицы, первая и вторая составляющие парафазного информационного входа являются соответственно инверсной и прямой информационными составляющими, а первый и второй информационные выходы триггера являются прямым и инверсным информационными выходами соответственно;
2) вход предустановки является входом установки нуля, первая и вторая составляющие парафазного информационного входа являются соответственно прямой и инверсной информационными составляющими, а первый и второй информационные выходы триггера являются инверсным и прямым информационными выходами соответственно.
В рассмотренных реализациях однотактного самосинхронного RS-триггера с предустановкой и входом управления отсутствуют средства индикации окончания предустановки. Такая предустановка относится к типу синхронной предустановки. Для ее успешной реализации заранее выбирается достаточно большой интервал времени действия активного состояния входа предустановки, в течение которого предустановка заведомо должна завершиться даже при наихудших условиях функционирования устройства, частью которого является самосинхронный RS-триггер с входом управления. Такой подход имеет право на существование, поскольку начальная предустановка, как правило, используется достаточно редко, в основном при включении питания и инициализации всего устройства.
Однако в строго самосинхронных схемах должно быть зафиксировано окончание переключения всех элементов схемы при любом режиме их работы, в том числе и в режиме предустановки. Такая предустановка называется самосинхронной. Ее реализация обеспечивается следующими техническими решениями.
На фиг.4 представлена реализация однотактного самосинхронного RS-триггера с входом управления и самосинхронной предустановкой. Схема отличается от схемы на фиг.1 тем, что в нее введен второй индикаторный выход 17 и элемент фиксации окончания предустановки 16, первый 161 и второй 162, входы которого подключены к первому информационному выходу 7 триггера и входу предустановки 6 триггера соответственно, а выход 163 соединен со вторым индикаторным выходом триггера 17.
Схема на фиг.4 работает так же, как и схема триггера на фиг.1. При этом элемент 16 фиксирует окончания предустановки триггера, обеспечивая самосинхронный характер предустановки.
На фиг.5 представлена реализация однотактного самосинхронного RS-триггера с входом управления с нулевым спейсером и самосинхронной предустановкой. Схема отличается от схемы на фиг.2 тем, что в нее введен второй индикаторный выход 17 и элемент фиксации окончания предустановки 16, содержащий элемент ИЛИ-НЕ 18, первый вход элемента фиксации окончания предустановки 16 подключен к первому информационному выходу 7 триггера и к первому входу элемента ИЛИ-НЕ 18, второй вход элемента фиксации окончания предустановки 16 подключен к входу предустановки 6 триггера и ко второму входу элемента ИЛИ-НЕ 18, а выход элемента фиксации окончания предустановки 16 соединен с выходом элемента ИЛИ-НЕ 18 и со вторым индикаторным выходом триггера 17.
Схема на фиг.5 работает так же, как и схема на фиг.2. Но теперь переключение первого информационного выхода триггера 7 в устанавливаемое состояние индицируется элементом фиксации окончания предустановки 16. При пассивном (единичном) значении сигнала на входе предустановки 6 выход элемента фиксации окончания предустановки 16 находится в состоянии логического 0. В режиме предустановки низкий уровень на входе предустановки и появляющийся в результате предустановки низкий уровень на первом информационном выходе триггера 7 заставляют элемент 18 переключиться в логическую 1. Появление высокого уровня на выходе элемента фиксации окончания предустановки 16 (и соответственно – на втором индикаторном выходе 17) свидетельствует об успешном окончании предустановки. Последующая подача пассивного (логической 1) уровня на вход предустановки 6 переводит элемент фиксации окончания предустановки 16 в состояние логического 0, подтверждающее выход триггера из режима предустановки.
В схеме на фиг.5 также возможны два варианта спецификации входов и выходов триггера:
1) вход предустановки является входом установки нуля, первая и вторая составляющие парафазного информационного входа являются соответственно инверсной и прямой информационными составляющими, а первый и второй информационные выходы триггера являются прямым и инверсным информационными выходами соответственно;
2) вход предустановки является входом установки единицы, первая и вторая составляющие парафазного информационного входа являются соответственно прямой и инверсной информационными составляющими, а первый и второй информационные выходы триггера являются инверсным и прямым информационными выходами соответственно.
На фиг.6 представлена реализация однотактного самосинхронного RS-триггера с самосинхронной предустановкой и с входом управления с единичным спейсером. Схема отличается от схемы на фиг.3 тем, что в нее введен второй индикаторный выход 17 и элемент фиксации окончания предустановки 16, содержащий элемент И-НЕ 19, первый вход элемента фиксации окончания предустановки 16 подключен к первому информационному выходу 7 триггера и к первому входу элемента И-НЕ 19, второй вход элемента фиксации окончания предустановки 16 подключен к входу предустановки 6 триггера и ко второму входу элемента И-НЕ 19, а выход элемента фиксации окончания предустановки 16 соединен с выходом элемента И-HE 19 и со вторым индикаторным выходом триггера 17.
Схема на фиг.6 работает так же, как и схема на фиг.3. Но теперь переключение первого информационного выхода триггера 7 в устанавливаемое состояние индицируется элементом фиксации окончания предустановки 16. При пассивном (нулевом) значении сигнала на входе предустановки 6 выход элемента фиксации окончания предустановки 16 находится в состоянии логической 1. В режиме предустановки высокий уровень на входе предустановки и появляющийся в результате предустановки высокий уровень на первом информационном выходе триггера 7 заставляют элемент 19 переключиться в логический 0. Появление низкого уровня на выходе элемента фиксации окончания предустановки 16 (и соответственно – на втором индикаторном выходе 17) свидетельствует об успешном окончании предустановки. Последующая подача пассивного (нулевого) уровня на вход предустановки 6 переводит элемент фиксации окончания предустановки 16 в состояние логической 1, подтверждающее выход триггера из режима предустановки.
В схеме на фиг.6 также возможны два варианта спецификации входов и выходов триггера:
1) вход предустановки является входом установки единицы, первая и вторая составляющие парафазного информационного входа являются соответственно инверсной и прямой информационными составляющими, а первый и второй информационные выходы триггера являются прямым и инверсным информационными выходами соответственно;
2) вход предустановки является входом установки нуля, первая и вторая составляющие парафазного информационного входа являются соответственно прямой и инверсной информационными составляющими, а первый и второй информационные выходы триггера являются инверсным и прямым информационными выходами соответственно.
В рассмотренных реализациях однотактного самосинхронного RS-триггера с самосинхронной предустановкой и входом управления успешное окончание предустановки индицируется отдельно от индикации окончания обновления состояния триггера под воздействием парафазного информационного входа, что в ряде случаев требует неоправданного усложнения схемы управления самосинхронного устройства, в составе которого используется данный триггер. Этот недостаток может быть устранен путем объединения в блоке индикации свойств индикации всех режимов работы триггера.
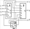
На фиг.7 представлена реализация однотактного самосинхронного RS-триггера с самосинхронной предустановкой и входом управления, в которой успешное завершение предустановки фиксируется на выходе блока индикации. Схема отличается от схемы на фиг.1 тем, что в нее введен элемент фиксации окончания предустановки 16, первый 161 и второй 162 входы которого подключены к первому информационному выходу 7 триггера и входу предустановки 6 триггера соответственно, а в блок индикации 2 введен шестой вход 27, подключенный к выходу элемента фиксации окончания предустановки 16. В такой реализации блок индикации 2 обеспечивает индикацию как предустановки триггера, так и окончания перехода в фазу хранения или обновления состояния триггера.
Схема на фиг.7 работает аналогично схеме на фиг.4 с тем лишь отличием, что блок индикации фиксирует теперь окончание переключений элементов триггера во всех режимах его работы, включая и предустановку.
На фиг.8 показана схема однотактного самосинхронного RS-триггера с входом управления, самосинхронной предустановкой и объединенным индикатором для случая с нулевым спейсером входа управления. Она отличается от схемы на фиг.2 тем, что в нее введен элемент фиксации окончания предустановки 16, содержащий элемент ИЛИ-НЕ 18, и шестой вход блока индикации 2, а в третий элемент И-ИЛИ-НЕ 12 введена третья группа входов И, вход которой подключен к шестому входу блока индикации 2, первый вход элемента фиксации окончания предустановки 16 подключен к первому информационному выходу 7 триггера и к первому входу элемента ИЛИ-НЕ 18, второй вход элемента фиксации окончания предустановки 16 подключен к входу предустановки 6 триггера и ко второму входу элемента ИЛИ-НЕ 18, а выход элемента фиксации окончания предустановки 16 соединен с выходом элемента ИЛИ-НЕ 18 и с шестым входом блока индикации 2.
Схема на фиг.8 работает так же, как и схема на фиг.5, с тем отличием, что окончание предустановки фиксируется блоком индикации 2. При пассивном (логической 1) значении сигнала на входе предустановки 6 выход элемента фиксации окончания предустановки 16 находится в состоянии логического 0 и не влияет на работу элемента И-ИЛИ-НЕ 12 в блоке индикации 2. В режиме предустановки при спейсерном (нулевом) состоянии входа управления 5 низкий уровень на входе предустановки 6 и появляющийся в результате предустановки низкий уровень на первом информационном выходе триггера 7 заставляют элемент 18 переключиться в логическую 1, которая, в свою очередь, инициирует переключение элемента 12 (и соответственно индикаторный выход 9) в логический 0, что свидетельствует об успешном окончании предустановки. Последующая подача пассивного (логической 1) уровня на вход предустановки 6 при сохранении спейсерного (нулевого) состояния на входе управления 5 переводит элемент фиксации окончания предустановки 16 в состояние логического 0, а элемент 12 – в состояние логической 1, подтверждающее выход триггера из режима предустановки.
В схеме на фиг.8 также возможны два варианта спецификации входов и выходов триггера:
1) вход предустановки является входом установки нуля, первая и вторая составляющие парафазного информационного входа являются соответственно инверсной и прямой информационными составляющими, а первый и второй информационные выходы триггера являются прямым и инверсным информационными выходами соответственно;
2) вход предустановки является входом установки единицы, первая и вторая составляющие парафазного информационного входа являются соответственно прямой и инверсной информационными составляющими, а первый и второй информационные выходы триггера являются инверсным и прямым информационными выходами соответственно.
На фиг.9 показана схема однотактного самосинхронного RS-триггера с самосинхронной предустановкой и объединенным индикатором для случая с единичным спейсерным состоянием входа управления. Она отличается от схемы на фиг.3 тем, что в нее введен элемент фиксации окончания предустановки 16, содержащий элемент И-НЕ 19, и шестой вход блока индикации 2, а в третий элемент ИЛИ-И-НЕ 15 введена третья группа входов ИЛИ, вход которой подключен к шестому входу блока индикации 2, первый вход элемента фиксации окончания предустановки 16 подключен к первому информационному выходу 7 триггера и к первому входу элемента И-НЕ 19, второй вход элемента фиксации окончания предустановки 16 подключен к входу предустановки 6 триггера и ко второму входу элемента И-НЕ 19, а выход элемента фиксации окончания предустановки 16 соединен с выходом элемента И-НЕ 19 и с шестым входом блока индикации 2.
Схема на фиг.9 работает так же, как и схема на фиг.6, с тем отличием, что окончание предустановки фиксируется блоком индикации 2. При пассивном (нулевом) значении сигнала на входе предустановки 6 выход элемента фиксации окончания предустановки 16 находится в состоянии логической 1 и не влияет на работу элемента ИЛИ-И-НЕ 15 в блоке индикации 2. В режиме предустановки при спейсерном (логической 1) состоянии входа управления 5 высокий уровень на входе предустановки 6 и появляющийся в результате предустановки высокий уровень на первом информационном выходе триггера 7 заставляют элемент И-НЕ 19 переключиться в логический 0, который, в свою очередь, инициирует переключение элемента 15 в логическую 1, что свидетельствует об успешном окончании предустановки. Последующая подача пассивного (нулевого) уровня на вход предустановки 6 при сохранении спейсерного состояния на входе управления 5 переводит элемент фиксации окончания предустановки 16 в состояние логической 1, а элемент 15 – в состояние логического 0, подтверждающее выход триггера из режима предустановки.
В схеме на фиг.9 также возможны два варианта спецификации входов и выходов триггера:
1) вход предустановки является входом установки единицы, первая и вторая составляющие парафазного информационного входа являются соответственно инверсной и прямой информационными составляющими, а первый и второй информационные выходы триггера являются прямым и инверсным информационными выходами соответственно;
2) вход предустановки является входом установки нуля, первая и вторая составляющие парафазного информационного входа являются соответственно прямой и инверсной информационными составляющими, а первый и второй информационные выходы триггера являются инверсным и прямым информационными выходами соответственно.
На фиг.10 представлена реализация однотактного самосинхронного RS-триггера с входом управления, самосинхронной предустановкой, объединенным индикатором и вторым индикаторным выходом. Схема отличается от схемы на фиг.7 тем, что в нее введен второй индикаторный выход 17, подключенный к выходу элемента фиксации окончания предустановки 16.
Второй индикаторный выход 17 может использоваться в ряде практических применений для ускорения взаимодействия между составными частями самосинхронного устройства.
На фиг.11 представлена реализация однотактного самосинхронного RS-триггера с входом управления с нулевым спейсером, самосинхронной предустановкой, объединенным индикатором и вторым индикаторным выходом. Схема отличается от схемы на фиг.8 тем, что в нее введен второй индикаторный выход 17, подключенный к выходу элемента фиксации окончания предустановки 16.
Схема на фиг.11 работает так же, как и схема на фиг.8. Но теперь выход элемента фиксации окончания предустановки 16 может использоваться для ускорения запрос-ответных взаимодействий между устройствами в общей самосинхронной схеме в режиме предустановки.
На фиг.12 представлена реализация однотактного самосинхронного RS-триггера с входом управления с единичным спейсером, самосинхронной предустановкой, объединенным индикатором и вторым индикаторным выходом. Схема отличается от схемы на фиг.9 тем, что в нее введен второй индикаторный выход 17, подключенный к выходу элемента фиксации окончания предустановки 16.
Схема на фиг.12 работает так же, как и схема на фиг.9. Но теперь выход элемента фиксации окончания предустановки 16 может использоваться для ускорения запрос-ответных взаимодействии между устройствами в общей самосинхронной схеме в режиме предустановки.
Таким образом, представленные варианты однотактного самосинхронного RS-триггера с самосинхронной предустановкой позволяют получить следующие реализации (при соответствующей спецификации входов и выходов триггера):
1) однотактный самосинхронный RS-триггер с нулевым спейсером входа управления и синхронным начальным сбросом – предустановкой низкого уровня на прямом информационном выходе триггера (фиг.2),
2) однотактный самосинхронный RS-триггер с единичным спейсером входа управления и синхронной установкой единицы – предустановкой высокого уровня на прямом информационном выходе триггера (фиг.3),
3) однотактный самосинхронный RS-триггер с нулевым спейсером входа управления и синхронной установкой единицы – предустановкой высокого уровня на прямом информационном выходе триггера (фиг.2),
4) однотактный самосинхронный RS-триггер с единичным спейсером входа управления и синхронным начальным сбросом – предустановкой низкого уровня на прямом информационном выходе триггера (фиг.3).
5) однотактный самосинхронный RS-триггер с нулевым спейсером входа управления и самосинхронным начальным сбросом – предустановкой низкого уровня на прямом информационном выходе триггера (фиг.5, 8 и 11),
6) однотактный самосинхронный самосинхронный RS-триггер с единичным спейсером входа управления и самосинхронной установкой единицы – предустановкой высокого уровня на прямом информационном выходе триггера (фиг.6, 9 и 12),
7) однотактный самосинхронный RS-триггер с нулевым спейсером входа управления и самосинхронной установкой единицы – предустановкой высокого уровня на прямом информационном выходе триггера (фиг.5, 8 и 11),
8) однотактный самосинхронный RS-триггер с единичным спейсером входа управления и самосинхронным начальным сбросом – предустановкой низкого уровня на прямом информационном выходе триггера (фиг.6, 9 и 12).
Источники информации
1. Шило В.Л. Популярные цифровые микросхемы: Справочник. 2-е изд., испр.- Челябинск: Металлургия, Челябинское отд., 1989. – рис.1.54а.
Формула изобретения
1. Однотактный самосинхронный RS-триггер с входом управления, содержащий блок памяти, блок индикации, первую и вторую составляющие парафазного информационного входа, вход управления, первый и второй информационные выходы и индикаторный выход, причем первая составляющая парафазного информационного входа соединена с первыми входами блоков памяти и индикации, вторая составляющая парафазного информационного входа соединена со вторыми входами блоков памяти и индикации, первый информационный выход триггера подключен к первому выходу блока памяти и третьему входу блока индикации, второй информационный выход триггера подключен ко второму выходу блока памяти и четвертому входу блока индикации, вход управления соединен с третьим входом блока памяти и пятым входом блока индикации, индикаторный выход триггера соединен с выходом блока индикации, отличающийся тем, что в него введены вход предустановки триггера и четвертый вход блока памяти, соединенные друг с другом, предустановка является синхронной.
2. Однотактный самосинхронный RS-триггер с входом управления по п.1, отличающийся тем, что блок памяти содержит первый и второй элементы И-ИЛИ-НЕ, блок индикации реализован на третьем элементе И-ИЛИ-НЕ, первые входы первых групп входов И первого и второго элементов И-ИЛИ-НЕ подключены к первому и второму входам блока памяти соответственно, вторые входы первых групп входов И первого и второго элементов И-ИЛИ-НЕ соединены с третьим входом блока памяти, выход первого элемента И-ИЛИ-НЕ подключен к первому входу второй группы входов И второго элемента И-ИЛИ-НЕ и первому выходу блока памяти, выход второго элемента И-ИЛИ-НЕ подключен ко второму выходу блока памяти и входу второй группы входов И первого элемента И-ИЛИ-НЕ, первые входы первой и второй групп входов И третьего элемента И-ИЛИ-НЕ соединены со вторым и первым входами блока индикации соответственно, вторые входы первой и второй групп входов И третьего элемента И-ИЛИ-НЕ подключены к третьему и четвертому входам блока индикации соответственно, третьи входы первой и второй групп входов И третьего элемента И-ИЛИ-НЕ подключены к пятому входу блока индикации, выход третьего элемента И-ИЛИ-НЕ соединен с выходом блока индикации, во вторую группу входов И второго элемента И-ИЛИ-НЕ введен второй вход, соединенный с четвертым входом блока памяти.
3. Однотактный самосинхронный RS-триггер с входом управления по п.1, отличающийся тем, что блок памяти содержит первый и второй элементы ИЛИ-И-НЕ, блок индикации реализован на третьем элементе ИЛИ-И-НЕ, первые входы первых групп входов ИЛИ первого и второго элементов ИЛИ-И-НЕ подключены к первому и второму входам блока памяти соответственно, вторые входы первых групп входов ИЛИ первого и второго элементов ИЛИ-И-НЕ соединены с третьим входом блока памяти, выход первого элемента ИЛИ-И-НЕ подключен к первому входу второй группы входов ИЛИ второго элемента ИЛИ-И-НЕ и первому выходу блока памяти, выход второго элемента ИЛИ-И-НЕ подключен ко второму выходу блока памяти и входу второй группы входов ИЛИ первого элемента ИЛИ-И-НЕ, первые входы первой и второй групп входов ИЛИ третьего элемента ИЛИ-И-НЕ соединены со вторым и первым входами блока индикации соответственно, вторые входы первой и второй групп входов ИЛИ третьего элемента ИЛИ-И-НЕ подключены к третьему и четвертому входам блока индикации соответственно, третьи входы первой и второй групп входов ИЛИ третьего элемента ИЛИ-И-НЕ подключены к пятому входу блока индикации, выход третьего элемента ИЛИ-И-НЕ соединен с выходом блока индикации, во вторую группу входов ИЛИ второго элемента ИЛИ-И-НЕ введен второй вход, соединенный с четвертым входом блока памяти, предустановка является самосинхронной.
4. Однотактный самосинхронный RS-триггер с входом управления по п.1, отличающийся тем, что в него введены второй индикаторный выход и элемент фиксации окончания предустановки, первый и второй входы которого соединены с первым информационным выходом триггера и входом предустановки триггера соответственно, а выход подключен ко второму индикаторному выходу триггера, предустановка является самосинхронной.
5. Однотактный самосинхронный RS-триггер с входом управления по п.2, отличающийся тем, что в него введены второй индикаторный выход и элемент фиксации окончания предустановки, первый и второй входы которого соединены с первым информационным выходом триггера и входом предустановки триггера соответственно, а выход подключен ко второму индикаторному выходу триггера, причем элемент фиксации окончания предустановки реализован на элементе ИЛИ-НЕ, входы которого являются входами элемента фиксации окончания предустановки, а выход служит выходом элемента фиксации окончания предустановки, предустановка является самосинхронной.
6. Однотактный самосинхронный RS-триггер с входом управления по п.3, отличающийся тем, что в него введены второй индикаторный выход и элемент фиксации окончания предустановки, первый и второй входы которого соединены с первым информационным выходом триггера и входом предустановки триггера соответственно, а выход подключен ко второму индикаторному выходу триггера, причем элемент фиксации окончания предустановки реализован на элементе И-НЕ, входы которого являются входами элемента фиксации окончания предустановки, а выход служит выходом элемента фиксации окончания предустановки, предустановка является самосинхронной.
7. Однотактный самосинхронный RS-триггер с входом управления по п.1, отличающийся тем, что в него введены элемент фиксации окончания предустановки и шестой вход блока индикации, первый и второй входы элемента фиксации окончания предустановки соединены с первым информационным выходом триггера и входом предустановки триггера соответственно, а выход элемента фиксации окончания предустановки подключен к шестому входу блока индикации, предустановка является самосинхронной.
8. Однотактный самосинхронный RS-триггер с входом управления по п.2, отличающийся тем, что в него введены элемент фиксации окончания предустановки, шестой вход блока индикации и третья группа входов И в третий элемент И-ИЛИ-НЕ, первый и второй входы элемента фиксации окончания предустановки соединены с первым информационным выходом триггера и входом предустановки триггера соответственно, а выход подключен к шестому входу блока индикации, причем элемент фиксации окончания предустановки реализован на элементе ИЛИ-НЕ, входы которого являются входами элемента фиксации окончания предустановки, а выход служит выходом элемента фиксации окончания предустановки, вход третьей группы входов И третьего элемента И-ИЛИ-НЕ подключен к шестому входу блока индикации, предустановка является самосинхронной.
9. Однотактный самосинхронный RS-триггер с входом управления по п.3, отличающийся тем, что в него введены элемент фиксации окончания предустановки, шестой вход блока индикации и третья группа входов ИЛИ в третий элемент ИЛИ-И-НЕ, первый и второй входы элемента фиксации окончания предустановки соединены с первым информационным выходом триггера и входом предустановки триггера соответственно, а выход подключен к шестому входу блока индикации, причем элемент фиксации окончания предустановки реализован на элементе И-НЕ, входы которого являются входами элемента фиксации окончания предустановки, а выход служит выходом элемента фиксации окончания предустановки, вход третьей группы входов ИЛИ третьего элемента ИЛИ-И-НЕ подключен к шестому входу блока индикации, предустановка является самосинхронной.
10. Однотактный самосинхронный RS-триггер с входом управления по п.7, отличающийся тем, что в него введен второй индикаторный выход, подключенный к выходу элемента фиксации окончания предустановки.
11. Однотактный самосинхронный RS-триггер с входом управления по п.8, отличающийся тем, что в него введен второй индикаторный выход, подключенный к выходу элемента фиксации окончания предустановки.
12. Однотактный самосинхронный RS-тригтер с входом управления по п.9, отличающийся тем, что в него введен второй индикаторный выход, подключенный к выходу элемента фиксации окончания предустановки.
РИСУНКИ
|