|
|
(21), (22) Заявка: 2008131370/09, 31.07.2008
(24) Дата начала отсчета срока действия патента:
31.07.2008
(43) Дата публикации заявки: 10.02.2010
(46) Опубликовано: 10.06.2010
(56) Список документов, цитированных в отчете о поиске:
DATA SHEET ULTRALOW NOTSE, HIGH SPEED BIFET OP AMP AD 745, ANALOG DEVICES, c.10, 2002. RU 14672 U1, 10.08.2000. SU 674253 A1, 15.07.1979. SU 324581 A1, 01.01.1972. SU 1670770 A1, 15.08.1991. US 4549536 A, 24.09.1985.
Адрес для переписки:
115432, Москва, 2-й Кожуховский пр., 29, корп.2, стр.16, ООО “Диамех 2000”
|
(72) Автор(ы):
Радчик Игорь Иосифович (RU), Тараканов Вячеслав Михайлович (RU), Скворцов Олег Борисович (RU), Морев Вячеслав Иванович (RU), Королев Сергей Алексеевич (RU), Гузеев Андрей Николаевич (RU), Тихомиров Вячеслав Николаевич (RU), Устинов Роман Алексеевич (RU), Янчич Владимир Владимирович (RU), Иванов Александр Анатольевич (RU), Смирнов Сергей Иванович (RU), Лихтанский Сергей Валерьевич (RU)
(73) Патентообладатель(и):
Общество с ограниченной ответственностью “ДИАМЕХ 2000” (RU)
|
(54) УСИЛИТЕЛЬ ЗАРЯДА ДЛЯ ПЬЕЗОЭЛЕКТРИЧЕСКОГО ДАТЧИКА ВИБРАЦИИ (ВАРИАНТЫ)
(57) Реферат:
Изобретение относится к устройствам согласования высокоомного выхода пьезодатчика для контроля вибрации и измерительной аппаратуры для контроля вибрации. Технический результат – повышение достоверности функционирования и расширение динамического диапазона измеряемых виброскоростей. В заявленное устройство, содержащее операционный усилитель, выход которого является выходом усилителя заряда и соединен с первым выводом резистора, второй вывод которого соединен с входом резисторного узла, входы операционного усилителя соединены с первым и вторым выходами ограничительного узла, первый и второй входы которого являются входами усилителя заряда, а первый и второй входы обратной связи соединены с первыми выводами соответственно конденсатора обратной связи и резистора обратной связи, вторые выходы которых объединены, введены второй конденсатор, подключенный параллельно резистору, причем величина, обратная произведению величины емкости этого конденсатора на величину сопротивления резистора, меньше нижней граничной частоты усилителя заряда. В другом варианте заявленного усилителя заряда для пьезоэлектрического датчика вибрации, содержащего операционный усилитель, резисторный узел, ограничительный узел, резистор, конденсатор и резистор обратной связи, введены второй конденсатор, подключенный параллельно резистору, причем величина, обратная произведению величины емкости этого конденсатора на величину сопротивления резистора, меньше нижней граничной частоты усилителя заряда, а объединенные вторые выводы конденсатора и резистора обратной связи соединены с выходом повторителя, вход которого соединен с вторым выводом резистора. 2 н. и 23 з.п. ф-лы, 22 ил.
Предлагаемое изобретение относится к устройствам согласования высокоомного выхода пьезодатчика для контроля вибрации и измерительной аппаратуры для контроля вибрации.
Для подавления высокочастотных составляющих, воздействующих на датчик, можно использовать механические фильтры между датчиком и контролируемым объектом. Однако коэффициент подавления таких фильтров может быть недостаточным, а само их применение зачастую невозможно, например, если датчик установлен в области высокой температуры [там же, стр.267].
Известны схемы зарядовых усилителей, в которых для подавления высокочастотных составляющих между датчиком и инвертирующим входом операционного усилителя, который соединен с выходом операционного усилителя через конденсатор обратной связи и через резистор обратной связи, включен дополнительный резистор [Holterman J. and J. van Amerongen, “Analog Controller Design for an Active Damping Element”, in: Proceedings of the 3rd IFAC Symposium on Mechatronic Systems, in: 3rd IFAC Symposium on Mechatronic Systems, September 6-8, 2004, Sydney, Australia, pp 313-318, 2004. Стр.316, Fig.3 и 4.].
Недостатком данного технического решения является необходимость использования резисторов очень большой величины, подключенных к входу усилителя. Действительно, для обеспечения большого коэффициента передачи емкость конденсатора в цепи обратной связи должна быть сравнительно маленькой, что определяет большую величину резистора в печи обратной связи, который определяет нижнюю граничную частоту пропускания. Для эффективного подавления высокочастотных составляющих величина входного резистора должна быть большой, для обеспечения интегрирующей передаточной функции больше чем величина резистора в цепи обратной связи. При такой величине резисторов не только возрастают шумы усилителя, но сам усилитель практически перестает быть усилителем заряда, утрачивая присущие ему преимущества (низкую зависимость от характеристик кабеля связи датчика и усилителя, пониженный уровень шумов и.т.д.). Следует отметить, что включение резистора большой величины между пьезодатчиком и входом усилителя особенно сильно сказывается при повышении температуры пьезодатчика, поскольку его сопротивление утечки и сопротивление утечки соединительного кабеля быстро уменьшаются с ростом температуры и формируемые датчиком заряды стекают через эти резисторы, а не через указанный высокоомный резистор, что снижает коэффициент преобразования с ростом температуры.
Представленные ниже варианты изобретения объединены общим изобретательским замыслом, а именно реализацией во входном каскаде усилителя заряда для пьезоэлектрического датчика вибрации перехода от виброускорения к виброскорости, что подразумевает обеспечение высокого коэффициента преобразования для низкочастотных составляющих и низкого для высокочастотных составляющих. При этом, поскольку операционный усилитель такого каскада имеет спадающую амплитудно-частотную характеристику, на низких частотах можно обеспечить высокое усиление, следовательно обеспечивается хорошее соотношение сигнал/шум и снимаются ограничения, связанные с присущим операционным усилителем спадом коэффициента передачи с повышением рабочей частоты. В указанных технических решениях такие характеристики достигаются за счет подключения резистора и конденсатора обратной связи к выходу частотно-зависимого делителя, коэффициент деления которого уменьшается с ростом частоты для частот выше нижней граничной частоты пропускания усилителя заряда. Таким образом, в качестве выходного сигнала у предлагаемого усилителя на выходе первого каскада сразу формируется сигнал, пропорциональный виброскорости, которая в соответствии с действующим ГОСТом является величиной, определяющей допустимость эксплуатации оборудования. В соответствии с требованиями нормативных документов измерению подлежит величина виброскорости [ГОСТ 26044-83. Вибрация. Аппаратура для эксплуатационного контроля вибрационного состояния энергетических гидротурбинных агрегатов. Общие технические требования. -M.: Издательство стандартов, стр.6 ГОСТ Р ИСО 10816-1-97. Контроль состояния машин по результатам измерения вибрации на невращающихся частях. Часть 1. Общие требования. Госстандарт, Минск, 1998 г., стр.12 ГОСТ Р ИСО 8579-2-99. Контроль вибрационного состояния зубчатых механизмов при приемке. М., 2000, 14 с.].
Известен усилитель заряда для пьезоэлектрического датчика вибрации,содержащий операционный усилитель, выход которого является выходом усилителя заряда и соединен с первым выводом резистора, второй вывод которого соединен с входом резисторного узла, входы операционного усилителя соединены с общей шиной и через соответственно конденсатор обратной связи и резистор обратной связи с вторым выходом резистора [Патент US 6407631, Н. кл. 330/69. МКИ H03F 3/45, 2002 г.].
Недостатками данного усилителя заряда является сравнительно низкая достоверность функционирования и малый динамический диапазон измеряемой виброскорости.
Известен усилитель заряда для пьезоэлектрического датчика вибрации, содержащий операционный усилитель, выход которого является выходом усилителя заряда и соединен через первый резистор с первыми выводами второго и третьего резисторов, второй вывод второго резистора соединен с инвертирующим входом операционного усилителя, который через первый конденсатор соединен с первым выводом третьего резистора, второй вывод которого через второй конденсатор соединен с общей шиной [Datasheet Ultralow Noise, High speed BiFET Op Amp AD745. Analog Devices. Cтp.10, рис.16. 2002 г.].
Данное устройство, как наиболее близкое к предложенному, выбрано в качестве прототипа.
Недостатками данного устройства является сравнительно низкий динамический диапазон измерения виброскорости и относительно низкая достоверность функционирования, поскольку высокочастотные сигналы и ударные воздействия могут перегружать усилитель и искажать сигнал на его выходе.
Целью изобретения является повышение достоверности функционирования и расширение динамического диапазона измеряемых виброскоростей.
Поставленная цель достигается тем, что в усилителе заряда для пьезоэлектрического датчика вибрации, содержащем операционный усилитель, выход которого является выходом усилителя заряда и соединен с первым выводом резистора, второй вывод которого соединен с входом резисторного узла, входы операционного усилителя соединены с первым и вторым выходами ограничительного узла, первый и второй входы которого являются входами усилителя заряда, а первый и второй входы обратной связи соединены через соответственно конденсатор обратной связи и резистор обратной связи с вторым выходом резистора, параллельно резистору подключен второй конденсатор, причем величина, обратная произведению величины емкости на величину сопротивления резистора, меньше нижней граничной частоты усилителя заряда.
Во втором варианте исполнения поставленная цель достигается тем, что в усилителе заряда для пьезоэлектрического датчика вибрации, содержащем операционный усилитель, выход которого является выходом усилителя заряда и соединен с первым выводом резистора, второй вывод которого соединен с входом резисторного узла, входы операционного усилителя соединены с первым и вторым выходами ограничительного узла, первый и второй входы которого являются входами усилителя заряда, а первый и второй входы обратной связи соединены с первыми выводами соответственно конденсатора обратной связи и резистора обратной связи, вторые выходы которых объединены, параллельно резистору подключен второй конденсатор, причем величина, обратная произведению величины емкости на величину сопротивления резистора, меньше нижней граничной частоты усилителя заряда, а объединенные вторые выводы конденсатора и резистора обратной связи соединены с выходом повторителя, вход которого соединен с вторым выводом резистора.
Другое отличие усилителя заряда для пьезоэлектрического датчика вибрации состоит в том, что резисторный узел содержит дополнительный резистор, первый вывод которого соединен с входом резисторного узла, а второй вывод дополнительного резистора соединен с общей шиной.
Другое отличие усилителя заряда для пьезоэлектрического датчика вибрации состоит в том, что резисторный узел содержит дополнительный резистор, первый вывод которого соединен с входом резисторного узла, а второй вывод дополнительного резистора соединен с общей шиной через дополнительный конденсатор.
Другое отличие усилителя заряда для пьезоэлектрического датчика вибрации состоит в том, что резисторный узел содержит дополнительные резисторы, первые выводы которых соединены с входом резисторного узла, а вторые выводы дополнительных резисторов соединены с входами коммутационного элемента, выход которого соединен с общей шиной.
Другое отличие усилителя заряда для пьезоэлектрического датчика вибрации состоит в том, что резисторный узел содержит коммутационный элемент, выход которого является входом резисторного узла, входы коммутационного узла соединены через дополнительные резисторы с общей шиной.
Другое отличие усилителя заряда для пьезоэлектрического датчика вибрации состоит в том, что резисторный узел содержит коммутационный элемент, выход которого является входом резисторного узла, входы коммутационного узла соединены через дополнительные резисторы и соответствующие дополнительные конденсаторы с общей шиной.
Другое отличие усилителя заряда для пьезоэлектрического датчика вибрации состоит в том, что ограничительный узел содержит ограничивающий конденсатор и ограничивающий резистор, первый вход ограничительного узла является первым входом усилителя заряда и соединен через ограничивающий резистор с первым входом обратной связи ограничительного узла, который через ограничивающий конденсатор соединен с первым выходом ограничительного узла, второй выход которого соединен с его вторым входом.
Другое отличие усилителя заряда для пьезоэлектрического датчика вибрации состоит в том, что ограничительный узел содержит ограничивающий конденсатор и ограничивающий резистор, первый вход ограничительного узла является первым входом усилителя заряда и соединен через ограничивающий резистор с первым входом обратной связи ограничительного узла, который через ограничивающий конденсатор соединен с первым выходом ограничительного узла, второй выход которого соединен с его вторым входом, который соединен с анодом и катодом соответственно первого и второго ограничительных диодов, катод и анод которых объединены и соединены с первым анодом двуханодного стабилитрона, второй анод которого соединен с первым выходом ограничительного узла.
Другое отличие усилителя заряда для пьезоэлектрического датчика состоит в том, что ограничительный узел содержит ограничивающий конденсатор и ограничивающий резистор, первый вход ограничительного узла является первым входом усилителя заряда и соединен через ограничивающий резистор с первым входом обратной связи ограничительного узла, который через ограничивающий конденсатор соединен с первым выходом ограничительного узла, второй выход которого соединен с его вторым входом, который соединен с анодом и катодом соответственно первого и второго ограничительных диодов, катод и анод которых объединены и соединены с первым выходом ограничительного узла.
Другое отличие усилителя заряда для пьезоэлектрического датчика вибрации состоит в том, что в ограничительном узле первый вход ограничительного узла является первым входом усилителя заряда и соединен с первым и вторым входами обратной связи ограничительного узла, а также соединен с первым выходом ограничительного узла, второй выход которого соединен с его вторым входом.
Другое отличие усилителя заряда для пьезоэлектрического датчика вибрации по п.1 или 2 в том, что в ограничительном узле первый вход ограничительного узла является первым входом усилителя заряда и соединен с первым и вторым входами обратной связи ограничительного узла, а также соединен с первым выходом ограничительного узла, второй выход которого соединен с его вторым входом через дополнительный ограничивающий резистор.
Другое отличие усилителя заряда для пьезоэлектрического датчика вибрации состоит в том, что в ограничительном узле первый вход ограничительного узла является первым входом усилителя заряда и соединен с первым входом обратной связи и через ограничивающий конденсатор с вторым входом обратной связи ограничительного узла, который соединен с первым выходом ограничительного узла, второй выход которого соединен с его вторым входом.
Другое отличие усилителя заряда для пьезоэлектрического датчика вибрации состоит в том, что ограничительный узел содержит ограничивающий конденсатор и ограничивающий резистор, первый вход ограничительного узла является первым входом усилителя заряда и соединен через ограничивающий резистор с первым входом обратной связи ограничительного узла, который через ограничивающий конденсатор соединен с анодом первого ограничительного диода и катодом второго ограничительного диода, а также с первым выходом ограничительного узла, второй выход которого соединен с его вторым входом, а катод первого ограничительного диода и анод второго ограничительного диода соединены с шинами питания усилителя заряда соответственно наибольшего и наименьшего потенциалов.
Другое отличие усилителя заряда для пьезоэлектрического датчика вибрации состоит в том, что ограничительный узел содержит ограничивающий конденсатор и ограничивающий резистор, первый вход ограничительного узла является первым входом усилителя заряда и соединен через ограничивающий резистор с первым входом обратной связи ограничительного узла, который через ограничивающий конденсатор соединен с первым выходом ограничительного узла, второй выход которого соединен с его вторым входом через дополнительный ограничивающий резистор.
Другое отличие усилителя заряда для пьезоэлектрического датчика вибрации состоит в том, что ограничительный узел содержит дополнительный ограничивающий резистор, первый вывод которого соединен с общей шиной, которая соединена с первым входом ограничительного узла, второй вход которого соединен с вторым выводом дополнительного ограничивающего резистора и вторым выходом ограничительного узла, первый выход которого соединен с его первым и вторым входами обратной связи.
Другое отличие усилителя заряда для пьезоэлектрического датчика вибрации состоит в том, что ограничительный узел содержит ограничивающий конденсатор и ограничивающий резистор, первый вход ограничительного узла является первым входом усилителя заряда и соединен через ограничивающий резистор и через ограничивающий конденсатор, которые соединены последовательно с первым и вторым входами обратной связи и первым выходом ограничительного узла, второй выход которого соединен с его вторым входом через дополнительный ограничивающий резистор.
Другое отличие усилителя заряда для пьезоэлектрического датчика вибрации состоит в том, что ограничительный узел содержит ограничивающий конденсатор и ограничивающий резистор, первый вход ограничительного узла является первым входом усилителя заряда и соединен через ограничивающий резистор и через ограничивающий конденсатор, которые соединены последовательно, с первым и вторым входами обратной связи и первым выходом ограничительного узла, второй выход которого соединен с его вторым входом.
Другое отличие усилителя заряда для пьезоэлектрического датчика вибрации состоит в томм, что ограничительный узел содержит первый и второй ограничивающие конденсаторы и первый, второй и третий дополнительные резисторы, а также первый, второй и третий дополнительные конденсаторы, первый вход ограничительного узла является первым входом усилителя заряда и соединен с первым входом обратной связи ограничительного узла и через ограничивающий конденсатор с первым выходом ограничительного узла, второй выход которого соединен с его вторым входом через второй ограничивающий конденсатор, и с первым выводом первого дополнительного резистора, второй вывод которого соединен с вторым входом ограничительного узла через первый дополнительный конденсатор, через вторые дополнительные конденсатор и резистор с общей шиной и через третьи дополнительный конденсатор и резистор, которые соединены последовательно, также с общей шиной.
Другое отличие усилителя заряда для пьезоэлектрического датчика вибрации состоит в том, что ограничительный узел содержит первый и второй ограничивающие резисторы, первый и второй ограничивающие конденсаторы и первый, второй и третий дополнительные резисторы, а также первый, второй и третий дополнительные конденсаторы, первый вход ограничительного узла является первым входом усилителя заряда и соединен через первый ограничивающий резистор с первым входом обратной связи ограничительного узла, который соединен через ограничивающий конденсатор с первым выходом ограничительного узла, второй выход которого соединен с его вторым входом через второй ограничивающий конденсатор второй ограничивающий резистор, и с первым выводом первого дополнительного резистора, второй вывод которого соединен с вторым входом ограничительного узла через первый дополнительный конденсатор и второй ограничивающий резистор, а также через вторые дополнительные конденсатор и резистор с общей шиной и через третьи дополнительный конденсатор и резистор, которые соединены последовательно, также с общей шиной.
Предлагаемое техническое решение иллюстрируется представленными ниже чертежами и графиками.
На фиг.1 показана структурная схема усилителя заряда для акселерометра по первому варианту исполнения с ограничительным узлом, обеспечивающим дополнительное подавление сигналов в области верхних частот и ограничение влияния пироэффекта за счет введения разделительного конденсатора. На фиг.2 показана структурная схема усилителя заряда для акселерометра по второму варианту исполнения с ограничительным узлом, обеспечивающим дополнительное подавление сигналов в области верхних частот и ограничение влияния пироэффекта за счет введения разделительного конденсатора и защиту от дифференциальных сигналов большой амплитуды двуханодным стабилитроном и диодами. На фиг.3 показана структурная схема усилителя заряда для акселерометра по второму варианту исполнения с ограничительным узлом, обеспечивающим дополнительное подавление сигналов в области верхних частот и ограничение влияния пироэффекта за счет введения разделительного конденсатора и защиту от дифференциальных сигналов большой амплитуды двухканальным стабилитроном и диодами. На фиг.4 показана структурная схема усилителя заряда для акселерометра по первому варианту исполнения с ограничительным узлом, выполненным в виде соединений соответствующих входов и выходов, минимизирующих количество использованного оборудования. На фиг.5 показана структурная схема усилителя заряда для акселерометра по первому варианту исполнения с ограничительным узлом, обеспечивающим дополнительное подавление сигналов в области верхних частот. На фиг.6 показана структурная схема усилителя заряда для акселерометра по первому варианту исполнения с ограничительным узлом, обеспечивающим ограничение влияния пироэффекта за счет введения разделительного конденсатора. На фиг.7 показана структурная схема усилителя заряда для акселерометра по первому варианту исполнения с ограничительным узлом, обеспечивающим дополнительное подавление сигналов в области верхних частот и ограничение влияния пироэффекта за счет введения разделительного конденсатора, а также защиту от сигнала большой амплитуды. На фиг.8 показана структурная схема усилителя заряда для акселерометра по первому варианту исполнения с ограничительным узлом, обеспечивающим дополнительное подавление сигналов в области верхних частот и ограничение влияния пироэффекта за счет введения разделительного конденсатора и симметричное ограничение входных токов операционного усилителя. На фиг.9 показана структурная схема усилителя заряда для акселерометра по первому варианту исполнения с ограничительным узлом, обеспечивающим неинвертирующую передачу сигнала. На фиг.10 показана структурная схема усилителя заряда для акселерометра по первому варианту исполнения с ограничительным узлом, обеспечивающим дополнительное подавление сигналов в области верхних частот и ограничение влияния пироэффекта за счет введения разделительного конденсатора и симметричное ограничение входных токов. На фиг.11 показана структурная схема усилителя заряда для акселерометра по первому варианту исполнения с ограничительным узлом, обеспечивающим дополнительное подавление сигналов в области верхних частот и ограничение влияния пироэффекта за счет введения разделительного конденсатора и несимметричное ограничение входного тока. На фиг.12 показана структурная схема усилителя заряда для акселерометра по первому варианту исполнения с ограничительным узлом, обеспечивающим ограничение влияния синфазных помех, ограничением влияния пироэффекта за счет введения разделительного конденсатора и резисторного блока с коммутируемыми резисторами, позволяющего управлять коэффициентом преобразования, что обеспечивает дополнительное расширение динамического диапазона. На фиг.13 показана структурная схема усилителя заряда для акселерометра по второму варианту исполнения с ограничительным узлом, обеспечивающим ограничение влияния синфазных помех, ограничение влияния пироэффекта за счет введения разделительного конденсатора и резисторного блока с коммутируемыми RC цепочками, позволяющего управлять коэффициентом преобразования, что обеспечивает дополнительное расширение динамического диапазона с подавлением влияния низкочастотных составляющих. На фиг.14 показана амплитудно-частотная характеристика (далее АЧХ) по ускорению. На фиг.15 показана АЧХ по виброскорости при отсутствии резистора (резисторов), который включен последовательно с датчиком ускорения и ограничивает подъем в области верхних частот. Влияние такого резистора показано АЧХ на фиг.16. На фиг.17 показана АЧХ по виброскорости для предлагаемого технического решения при использовании резистора (резисторов), который включен последовательно с датчиком ускорений и ограничивает подъем в области верхних частот. На фиг.18 показана соответствующая АЧХ по ускорению. На фиг.19 показана АЧХ пьезодатчика с подъемом в области резонанса. На фиг.20 и 21 показана АЧХ предлагаемого устройства с учетом резонанса датчика соответственно по ускорению и скорости при использовании резистора (резисторов), который включен последовательно с датчиком ускорения и ограничивает подъем в области верхних частот. На фиг.22 показана АЧХ предлагаемого устройства с учетом резонанса датчика соответственно по ускорению без использовании резистора (резисторов), который включен последовательно с датчиком ускорения и ограничивает подъем в области верхних частот.
Усилитель заряда для пьезоэлектрического датчика вибрации (фиг.1) содержит операционный усилитель 1, выход которого является выходом усилителя заряда и соединен с первым выводом резистора 2, второй вывод которого соединен с входом резисторного узла 3, входы операционного усилителя 1 соединены с первым и вторым выходами ограничительного узла 4, первый и второй входы которого являются входами усилителя заряда, а первый и второй входы обратной связи соединены через соответственно конденсатор 5 обратной связи и резистор 6 обратной связи с вторым выходом резистора 2, параллельно резистору 2 подключен второй конденсатор 7, причем величина, обратная произведению величины емкости этого конденсатора 7 на величину сопротивления резистора 2, меньше нижней граничной частоты усилителя заряда.
Резисторный узел 3 содержит дополнительный резистор 8, первый вывод которого соединен с входом резисторного узла, а второй вывод дополнительного резистора 8 соединен с общей шиной 9 через дополнительный конденсатор 10.
Ограничительный узел 4 содержит ограничивающий конденсатор 11 и ограничивающий резистор 12. Пьезоакселерометр 13 соединен с первым и 14 и вторым 15 входами ограничительного узла 4. Первый вход 14 ограничительного узла является первым входом усилителя заряда и соединен через ограничивающий резистор с первым входом обратной связи ограничительного узла, который через ограничивающий конденсатор 11 соединен с первым выходом ограничительного узла 4, второй выход которого соединен с его вторым входом 15.
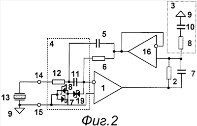
Усилитель заряда для пьезоэлектрического датчика вибрации (фиг.2) содержит операционный усилитель 1, выход которого является выходом усилителя заряда и соединен с первым выводом резистора 2, второй вывод которого соединен с входом резисторного узла 3, входы операционного усилителя 1 соединены с первым и вторым выходами ограничительного узла 4, первый 14 и второй 15 входы которого являются входами усилителя заряда, а первый и второй входы обратной связи соединены с первыми выводами соответственно конденсатора 5 обратной связи и резистора 6 обратной связи, вторые выходы которых объединены, параллельно резистору 2 подключен второй конденсатор 7, причем величина, обратная произведению величины емкости конденсатора 7 на величину сопротивления резистора 2, меньше нижней граничной частоты усилителя заряда, а объединенные вторые выводы конденсатора 5 и резистора 6 обратной связи соединены с выходом повторителя 16, вход которого соединен с вторым выводом резистора 2.
Ограничительный узел 4 содержит ограничивающий конденсатор 11 и ограничивающий резистор 12, первый вход 14 ограничительного узла 4 является первым входом усилителя заряда и соединен через ограничивающий резистор 12 с первым входом обратной связи ограничительного узла 4, который через ограничивающий конденсатор 11 соединен с первым выходом ограничительного узла 4, второй выход которого соединен с его вторым входом 15, который соединен с анодом и катодом соответственно первого 17 и второго 18 ограничительных диодов, катод и анод которых объединены и соединены с первым анодом двуханодного стабилитрона 19, второй анод которого соединен с первым выходом ограничительного узла 4.
Ограничительной узел 4 (фиг.3) содержит ограничивающий конденсатор 11 и ограничивающий резистор 12, первый вход ограничительного узла 14 является первым входом усилителя заряда и соединен через ограничивающий резистор 12 с первым входом обратной связи ограничительного узла 4, который через ограничивающий конденсатор 11 соединен с первым выходом ограничительного узла 4, второй выход которого соединен с его вторым входом 15, который соединен с анодом и катодом соответственно первого 17 и второго 18 ограничительных диодов, катод и анод которых объединены и соединены с первым выходом ограничительного узла 4.
В ограничительном узле 4 (фиг.4) первый вход 14 ограничительного узла является первым входом усилителя заряда и соединен с первым и вторым входами обратной связи ограничительного узла 4, а также соединен с первым выходом ограничительного узла 4, второй выход которого соединен с его вторым входом 15.
В ограничительном узле 4 (фиг.5) первый вход 14 ограничительного узла является первым входом усилителя заряда и соединен с первым и вторым входами обратной связи ограничительного узла 4, а также соединен с первым выходом ограничительного узла, второй выход которого соединен с его вторым входом через дополнительный ограничивающий резистор 20.
В ограничительном узле 4 (фиг.6) первый вход 14 ограничительного узла является первым входом усилителя заряда и соединен с первым входом обратной связи и через ограничивающий конденсатор 11 с вторым входом обратной связи ограничительного узла 4, который соединен с первым выходом ограничительного узла 4, второй выход которого соединен с его вторым входом 15.
Ограничительный узел 4 (фиг.7) содержит ограничивающий конденсатор 11 и ограничивающий резистор 12, первый вход 14 ограничительного узла является первым входом усилителя заряда и соединен через ограничивающий резистор 12 с первым входом обратной связи ограничительного узла 4, который через ограничивающий конденсатор 11 соединен с анодом первого ограничительного диода 17 и катодом второго ограничительного диода 18, а также с первым выходом ограничительного узла 4, второй выход которого соединен с его вторым входом 15, а катод первого ограничительного диода 17 и анод второго ограничительного диода 18 соединены с шинами 21 и 22 питания усилителя заряда соответственно наибольшего и наименьшего потенциалов.
Ограничительный узел 4 (фиг.8) содержит ограничивающий конденсатор 11 и ограничивающий резистор 12, первый вход 14 ограничительного узла является первым входом усилителя заряда и соединен через ограничивающий резистор 12 с первым входом обратной связи ограничительного узла 4, который через ограничивающий конденсатор 11 соединен с первым выходом ограничительного узла, второй выход которого соединен с его вторым входом 15 через дополнительный ограничивающий резистор 20.
Ограничительный узел 4 (фиг.9) содержит дополнительный ограничивающий резистор 20, первый вывод которого соединен с общей шиной, 9 которая соединена с первым входом ограничительного узла 4, второй вход 15 которого соединен с вторым выводом дополнительного ограничивающего резистора 20 и вторым выходом ограничительного узла 4, первый выход которого соединен с его первым и вторым входами обратной связи.
Ограничительный узел 4 (фиг.10) содержит ограничивающий конденсатор 11 и ограничивающий резистор 12, первый вход 14 ограничительного узла является первым входом усилителя заряда и соединен через ограничивающий резистор 12 и через ограничивающий конденсатор 11, которые соединены последовательно, с первым и вторым входами обратной связи и первым выходом ограничительного узла 4, второй выход которого соединен с его вторым входом 15 через дополнительный ограничивающий резистор 20.
Резисторный узел 3 может содержать только один дополнительный резистор 8, первый вывод которого соединен с входом резисторного узла 3, а второй вывод дополнительного резистора 8 соединен с общей шиной 9.
Резисторный узел 3 (фиг.12) содержит коммутационный элемент 23, выход которого является входом резисторного узла, входы коммутационного узла соединены через дополнительные резисторы 8-1, 8-2 с общей шиной 9.
Соединение дополнительных резисторов 8-1, 8-2 и коммутационного элемента 23 может быть выполнено и в обратной последовательности, т.е. резисторный узел 3 содержит дополнительные резисторы 8-1 и 8-2, первые выводы которых соединены с входом резисторного узла 3, а вторые выводы дополнительных резисторов 8-1 и 8-2 соединены с входами коммутационного элемента 23, выход которого соединен с общей шиной 9.
Резисторный узел 3 (фиг.13) содержит коммутационный элемент 23, выход которого является входом резисторного узла 3, входы коммутационного узла соединены через дополнительные резисторы 8-1 и 8-2 и соответствующие дополнительные конденсаторы 10-1 и 10-2 с общей шиной 9.
Ограничительный узел 4 (фиг.12) содержит первый 24 и второй 25 ограничивающие конденсаторы и первый 26, второй 27 и третий 28 дополнительные резисторы, а также первый 29, второй 30 и третий 31 дополнительные конденсаторы, первый вход 14 ограничительного узла 4 является первым входом усилителя заряда и соединен с первым входом обратной связи ограничительного узла 4 и через первый ограничивающий конденсатор 24 с первым выходом ограничительного узла 4, второй выход которого соединен с его вторым входом через второй ограничивающий конденсатор 25 и с первым выводом первого дополнительного резистора 26, второй вывод которого соединен с вторым входом 15 ограничительного узла через первый дополнительный конденсатор 29, через вторые дополнительные конденсатор 29 и резистор 27 с общей шиной 9 и через третьи дополнительный конденсатор 31 и резистор 28, которые соединены последовательно, также с общей шиной 9.
Ограничительный узел 4 (фиг.13) содержит первый 32 и второй 33 ограничивающие резисторы, первый 24 и второй 25 ограничивающие конденсаторы и первый 26, второй 27 и третий 28 дополнительные резисторы, а также первый 29, второй 30 и третий 31 дополнительные конденсаторы, первый вход 14 ограничительного узла является первым входом усилителя заряда и соединен через первый ограничивающий резистор 32 с первым входом обратной связи ограничительного узла 4, который соединен через первый ограничивающий конденсатор 24 с первым выходом ограничительного узла 4, второй выход которого соединен с его вторым входом через второй ограничивающий конденсатор 25 и второй ограничивающий резистор 33, которые соединены последовательно, и с первым выводом первого дополнительного резистора 26, второй вывод которого соединен с вторым входом 15 ограничительного узла 4 через первый дополнительный конденсатор 29 и второй ограничивающий резистор 33, а также, через вторые дополнительные конденсатор 30 и резистор 27 с общей шиной 9 и через третьи дополнительный конденсатор 31 и резистор 28, которые соединены последовательно, также с общей шиной 9.
Устройство работает следующим образом.
Зарядовый сигнал от пьезодатчика 13 поступает на вход 14 и проходит через ограничительный узел 4 на вход операционного усилителя 1. Данный усилитель охвачен отрицательной обратной связью через конденсатор обратной связи 5 и резистор обратной связи 6. Напряжение с выхода операционного усилителя 1 поступает на цепи обратной связи с делителя, образованного параллельно соединенными резистором 2 и конденсатором 7, и резисторным узлом 3. Поскольку в делителе имеется конденсатор 7, коэффициент передачи зависит от частоты. Величина резистора 2 R и величина емкости конденсатора 7 выбираются таким образом, чтобы частота среза, обратно пропорциональная постоянной времени этой RC цепочки, соответствующая спаду с крутизной 6 дБ/октаву, была ниже нижней рабочей частоты измеряемой виброскорости

На верхних частотах, когда реактивное сопротивление конденсатора 7 много меньше сопротивления резистора 2 и резистора 8, коэффициент деления выходного напряжения операционного усилителя близок к единице, коэффициент преобразования определяется величиной конденсатора 5, а на частотах близких к нижней граничной частоте, коэффициент передачи увеличивается пропорционально увеличению коэффициента деления.
Таким образом в рабочем диапазоне частот усилитель обеспечивает реализацию частотной зависимости коэффициента передачи, соответствующей интегрированию входного сигнала ускорения, причем это выполняется непосредственно во входном каскаде – усилителе заряда. Поясняющие это АЧХ показаны на фиг.14 и 15. Как видно на этих характеристиках, АЧХ имеет подъем на частотах выше 1 кГц. Для дальнейшего расширения области рабочих частот в сторону ее увеличения в ограничительном узле можно использовать один или два ограничивающих резистора сравнительно малой величины, обеспечивающих спад АЧХ в области частот выше 1 кГц, как показано на фиг.16. Это позволяет получить результирующие АЧХ по скорости и ускорению с широким частотным диапазоном, как показано на фиг.17 и 18.
Даже значительный всплеск на АЧХ датчика, как показано на фиг.19, из-за интегрирующей характеристики во входном каскаде усилителя заряда обеспечивает отсутствие перегрузки из-за воздействия на датчик высокочастотных вибраций и ударов, что обеспечивает повышение достоверности функционирования, что иллюстрируется результирующими АЧХ измерительного тракта, состоящего из датчика и усилителя заряда.
Для обеспечения требуемой АЧХ в зависимости от заданного диапазона частот необходимо обеспечить ряд соотношений между величинами емкостей и резисторов. В частности, если реализуется схема по первому варианту исполнения, необходимо обеспечить соотношение R6>>R2>>R8, где R – значения сопротивления соответственно резисторов 6, 2 и 8. При этом величина резистора 8 должна быть по возможности более высокой, чтобы имелась возможность использовать конденсаторы 10 сравнительно малой величины. Это не всегда удается обеспечить в области низких частот. В этом случае целесообразно использовать реализацию по второму варианту исполнения, при котором требование R6>>R8 не нужно выполнять, поскольку повторитель 16 имеет высокое входное и низкое выходное сопротивления.
В зависимости от используемого ограничительного узла 4 можно обеспечить не только расширение рабочего диапазона частот в сторону верхних частот, но и обеспечить защиту входных цепей операционного усилителя и снизить влияние пироэффекта. При использовании ограничительных узлов, показанных на фиг.12 и 13, можно обеспечить дифференциальный вход сигнала, обеспечивающий повышенную достоверность работы при наличии синфазных помех.
При использовании резисторных узлов 3 с коммутацией резисторов или RC цепей можно обеспечить управление коэффициентом передачи усилителя заряда для настройки на требуемый диапазон входных сигналов.
Формула изобретения
1. Усилитель заряда для пьезоэлектрического датчика вибрации, содержащий операционный усилитель, выход которого является выходом усилителя заряда и соединен с первым выводом резистора, второй вывод которого соединен с входом резисторного узла, входы операционного усилителя соединены с первым и вторым выходами ограничительного узла, первый и второй входы которого являются входами усилителя заряда, а первый и второй входы обратной связи соединены через соответственно конденсатор обратной связи и резистор обратной связи с вторым выводом резистора, отличающийся тем, что параллельно резистору подключен второй конденсатор, причем величина, обратная произведению величины емкости этого конденсатора на величину сопротивления резистора, меньше нижней граничной частоты усилителя заряда.
2. Усилитель заряда для пьезоэлектрического датчика вибрации по п.1, отличающийся тем, что резисторный узел содержит дополнительный резистор, первый вывод которого соединен с входом резисторного узла, а второй вывод дополнительного резистора соединен с общей шиной.
3. Усилитель заряда для пьезоэлектрического датчика вибрации по п.1, отличающийся тем, что резисторный узел содержит дополнительный резистор, первый вывод которого соединен с входом резисторного узла, а второй вывод дополнительного резистора соединен с общей шиной через дополнительный конденсатор.
4. Усилитель заряда для пьезоэлектрического датчика вибрации по п.1, отличающийся тем, что резисторный узел содержит дополнительные резисторы, первые выводы которых соединены с входом резисторного узла, а вторые выводы дополнительных резисторов соединены с входами коммутационного элемента, выход которого соединен с общей шиной.
5. Усилитель заряда для пьезоэлектрического датчика вибрации по п.1, отличающийся тем, что резисторный узел содержит коммутационный элемент, выход которого является входом резисторного узла, входы коммутационного узла соединены через дополнительные резисторы с общей шиной.
6. Усилитель заряда для пьезоэлектрического датчика вибрации по п.1, отличающийся тем, что резисторный узел содержит коммутационный элемент, выход которого является входом резисторного узла, входы коммутационного узла соединены через дополнительные резисторы и соответствующие дополнительные конденсаторы с общей шиной.
7. Усилитель заряда для пьезоэлектрического датчика вибрации по п.1, отличающийся тем, что ограничительный узел содержит ограничивающий конденсатор и ограничивающий резистор, первый вход ограничительного узла является первым входом усилителя заряда и соединен через ограничивающий резистор с первым входом обратной связи ограничительного узла, который через ограничивающий конденсатор соединен с первым выходом ограничительного узла, второй выход которого соединен с его вторым входом, который соединен с анодом и катодом соответственно первого и второго ограничительных диодов, катод и анод которых объединены и соединены с первым анодом двуханодного стабилитрона, второй анод которого соединен с первым выходом ограничительного узла.
8. Усилитель заряда для пьезоэлектрического датчика вибрации по п.1, отличающийся тем, что ограничительный узел содержит ограничивающий конденсатор и ограничивающий резистор, первый вход ограничительного узла является первым входом усилителя заряда и соединен через ограничивающий резистор с первым входом обратной связи ограничительного узла, который через ограничивающий конденсатор соединен с первым выходом ограничительного узла, второй выход которого соединен с его вторым входом, который соединен с анодом и катодом соответственно первого и второго ограничительных диодов, катод и анод которых объединены и соединены с первым выходом ограничительного узла.
9. Усилитель заряда для пьезоэлектрического датчика вибрации по п.1, отличающийся тем, что в ограничительном узле первый вход ограничительного узла является первым входом усилителя заряда и соединен с первым и вторым входами обратной связи ограничительного узла, а также соединен с первым выходом ограничительного узла, второй выход которого соединен с его вторым входом.
10. Усилитель заряда для пьезоэлектрического датчика вибрации по п.1, отличающийся тем, что в ограничительном узле первый вход ограничительного узла является первым входом усилителя заряда и соединен с первым и вторым входами обратной связи ограничительного узла, а также соединен с первым выходом ограничительного узла, второй выход которого соединен с его вторым входом через дополнительный ограничивающий резистор.
11. Усилитель заряда для пьезоэлектрического датчика вибрации по п.1, отличающийся тем, что в ограничительном узле первый вход ограничительного узла является первым входом усилителя заряда и соединен с первым входом обратной связи и через ограничивающий конденсатор – с вторым входом обратной связи ограничительного узла, который соединен с первым выходом ограничительного узла, второй выход которого соединен с его вторым входом.
12. Усилитель заряда для пьезоэлектрического датчика вибрации по п.1, отличающийся тем, что ограничительный узел содержит ограничивающий конденсатор и ограничивающий резистор, первый вход ограничительного узла является первым входом усилителя заряда и соединен через ограничивающий резистор с первым входом обратной связи ограничительного узла, который через ограничивающий конденсатор соединен с анодом первого ограничительного диода и катодом второго ограничительного диода, а также с первым выходом ограничительного узла, второй выход которого соединен с его вторым входом, а катод первого ограничительного диода и анод второго ограничительного диода соединены с шинами питания усилителя заряда соответственно наибольшего и наименьшего потенциалов.
13. Усилитель заряда для пьезоэлектрического датчика вибрации по п.1, отличающийся тем, что ограничительный узел содержит ограничивающий конденсатор и ограничивающий резистор, первый вход ограничительного узла является первым входом усилителя заряда и соединен через ограничивающий резистор с первым входом обратной связи ограничительного узла, который через ограничивающий конденсатор соединен с первым выходом ограничительного узла, второй выход которого соединен с его вторым входом через дополнительный ограничивающий резистор.
14. Усилитель заряда для пьезоэлектрического датчика вибрации по п.1, отличающийся тем, что ограничительный узел содержит дополнительный ограничивающий резистор, первый вывод которого соединен с общей шиной, которая соединена с первым входом ограничительного узла, второй вход которого соединен с вторым выводом дополнительного ограничивающего резистора и вторым выходом ограничительного узла, первый выход которого соединен с его первым и вторым входами обратной связи.
15. Усилитель заряда для пьезоэлектрического датчика вибрации по п.1, отличающийся тем, что ограничительный узел содержит ограничивающий конденсатор и ограничивающий резистор, первый вход ограничительного узла является первым входом усилителя заряда и соединен через ограничивающий резистор и через ограничивающий конденсатор, которые соединены последовательно, с первым и вторым входами обратной связи и первым выходом ограничительного узла, второй выход которого соединен с его вторым входом через дополнительный ограничивающий резистор.
16. Усилитель заряда для пьезоэлектрического датчика вибрации по п.1, отличающийся тем, что ограничительный узел содержит ограничивающий конденсатор и ограничивающий резистор, первый вход ограничительного узла является первым входом усилителя заряда и соединен через ограничивающий резистор и через ограничивающий конденсатор, которые соединены последовательно, с первым и вторым входами обратной связи и первым выходом ограничительного узла, второй выход которого соединен с его вторым входом.
17. Усилитель заряда для пьезоэлектрического датчика вибрации по п.1, отличающийся тем, что ограничительный узел содержит первый и второй ограничивающие конденсаторы и первый, второй и третий дополнительные резисторы, а также первый, второй и третий дополнительные конденсаторы, первый вход ограничительного узла является первым входом усилителя заряда и соединен с первым входом обратной связи ограничительного узла и через ограничивающий конденсатор – с первым выходом ограничительного узла, второй выход которого соединен с его вторым входом через второй ограничивающий конденсатор, и с первым выводом первого дополнительного резистора, второй вывод которого соединен с вторым входом ограничительного узла через первый дополнительный конденсатор, через вторые дополнительные конденсатор и резистор – с общей шиной и через третьи дополнительный конденсатор и резистор, которые соединены последовательно, также с общей шиной.
18. Усилитель заряда для пьезоэлектрического датчика вибрации по п.1, отличающийся тем, что ограничительный узел содержит первый и второй ограничивающие резисторы, первый и второй ограничивающие конденсаторы и первый, второй и третий дополнительные резисторы, а также первый, второй и третий дополнительные конденсаторы, первый вход ограничительного узла является первым входом усилителя заряда и соединен через первый ограничивающий резистор с первым входом обратной связи ограничительного узла, который соединен через ограничивающий конденсатор с первым выходом ограничительного узла, второй выход которого соединен с его вторым входом через второй ограничивающий конденсатор и второй ограничивающий резистор, и с первым выводом первого дополнительного резистора, второй вывод которого соединен с вторым входом ограничительного узла через первый дополнительный конденсатор и второй ограничивающий резистор, а также через вторые дополнительные конденсатор и резистор – с общей шиной и через третьи дополнительный конденсатор и резистор, которые соединены последовательно, также с общей шиной.
19. Усилитель заряда для пьезоэлектрического датчика вибрации, содержащий операционный усилитель, выход которого является выходом усилителя заряда и соединен с первым выводом резистора, второй вывод которого соединен с входом резисторного узла, входы операционного усилителя соединены с первым и вторым выходами ограничительного узла, первый и второй входы которого являются входами усилителя заряда, а первый и второй входы обратной связи соединены с первыми выводами соответственно конденсатора обратной связи и резистора обратной связи, вторые выходы которых объединены, отличающийся тем, что параллельно резистору подключен второй конденсатор, причем величина, обратная произведению величины емкости этого конденсатора на величину сопротивления резистора, меньше нижней граничной частоты усилителя заряда, а объединенные вторые выводы конденсатора и резистора обратной связи соединены с выходом повторителя, вход которого соединен с вторым выводом резистора.
20. Усилитель заряда для пьезоэлектрического датчика вибрации по п.19, отличающийся тем, что резисторный узел содержит дополнительный резистор, первый вывод которого соединен с входом резисторного узла, а второй вывод дополнительного резистора соединен с общей шиной.
21. Усилитель заряда для пьезоэлектрического датчика вибрации по п.19, отличающийся тем, что резисторный узел содержит дополнительный резистор, первый вывод которого соединен с входом резисторного узла, а второй вывод дополнительного резистора соединен с общей шиной через дополнительный конденсатор.
22. Усилитель заряда для пьезоэлектрического датчика вибрации по п.19, отличающийся тем, что резисторный узел содержит дополнительные резисторы, первые выводы которых соединены с входом резисторного узла, а вторые выводы дополнительных резисторов соединены с входами коммутационного элемента, выход которого соединен с общей шиной.
23. Усилитель заряда для пьезоэлектрического датчика вибрации по п.19, отличающийся тем, что резисторный узел содержит коммутационный элемент, выход которого является входом резисторного узла, входы коммутационного узла соединены через дополнительные резисторы с общей шиной.
24. Усилитель заряда для пьезоэлектрического датчика вибрации по п.19, отличающийся тем, что резисторный узел содержит коммутационный элемент, выход которого является входом резисторного узла, входы коммутационного узла соединены через дополнительные резисторы и соответствующие дополнительные конденсаторы с общей шиной.
25. Усилитель заряда для пьезоэлектрического датчика вибрации по п.19, отличающийся тем, что ограничительный узел содержит ограничивающий конденсатор и ограничивающий резистор, первый вход ограничительного узла является первым входом усилителя заряда и соединен через ограничивающий резистор с первым входом обратной связи ограничительного узла, который через ограничивающий конденсатор соединен с первым выходом ограничительного узла, второй выход которого соединен с его вторым входом.
РИСУНКИ
|
|