|
(21), (22) Заявка: 2009110822/09, 24.03.2009
(24) Дата начала отсчета срока действия патента:
24.03.2009
(46) Опубликовано: 10.06.2010
(56) Список документов, цитированных в отчете о поиске:
US 4410859 A, 18.10.1983. SU 1193773 A, 23.11.1985. US 4543538 A, 24.09.1985. JP 2002-043870 A, 08.02.2002.
Адрес для переписки:
346500, Ростовская обл., г. Шахты, ул. Шевченко, 147, ЮРГУЭС, патентная служба
|
(72) Автор(ы):
Прокопенко Николай Николаевич (RU), Ковбасюк Николай Васильевич (RU), Серебряков Александр Игоревич (RU)
(73) Патентообладатель(и):
Государственное образовательное учреждение высшего профессионального образования “Южно-Российский государственный университет экономики и сервиса” (ГОУ ВПО “ЮРГУЭС”) (RU)
|
(54) ДИФФЕРЕНЦИАЛЬНЫЙ ОПЕРАЦИОННЫЙ УСИЛИТЕЛЬ
(57) Реферат:
Изобретение относится к области радиотехники и связи и может быть использовано в качестве устройства усиления аналоговых сигналов, в структуре аналоговых микросхем различного функционального назначения (например, операционных усилителях (ОУ). Технический результат: повышение коэффициента усиления. Дифференциальный операционный усилитель (ДОУ) содержит входной параллельно-балансный каскад (1), имеющий первый (2) и второй (3) основные входы, первый (4) и второй (5) токовые выходы, вспомогательное токовое зеркало (6), имеющее вход (7) и выход (8), первый выходной инвертирующий каскад по схеме с общим эмиттером на первом транзисторе (9), эмиттер которого связан с шиной (10) источника питания через первый (11) двухполюсник, база подключена ко второму (5) токовому выходу входного параллельно-балансного каскада (1), а коллектор подключен к двухполюснику нагрузки (12) и выходу (13) устройства. В схему введена цепь динамической коррекции коэффициента усиления (14), имеющая первый (15) и второй (16) входы, а также первый (17) и второй (18) выходы, причем второй выход (18) соединен со вторым (5) токовым выходом входного параллельно-балансного каскада (1), первый (17) выход подключен ко входу (7) токового зеркала (6), а второй (16) вход подключен к первому (4) токовому выходу входного параллельно-балансного каскада (1). 3 з.п. ф-лы, 6 ил.
Изобретение относится к области радиотехники и связи и может быть использовано в качестве устройства усиления аналоговых сигналов, в структуре аналоговых микросхем различного функционального назначения (например, операционных усилителях (ОУ).
В современной радиоэлектронной аппаратуре находят применение операционные усилители с существенными различными параметрами. Особое место занимают ОУ с простейшей архитектурой, содержащие небольшое число элементов. На их основе выполняются, например, различные классы селективных цепей, где число маломощных усилителей может измеряться десятками единиц. Предполагаемое изобретение относится к данному типу ОУ).
Наиболее близкой по технической сущности к заявляемому ОУ является двухкаскадная классическая схема ОУ фиг.1, представленная в патенте США 4.410.859, которая стала основой построения большого числа различных аналоговых устройств, в том числе выпускаемых ведущими микроэлектронными фирмами.
Операционный усилитель фиг.1 рассматривается в [1-13]. Основное достоинство его архитектуры – минимально возможный набор функциональных узлов, которые обеспечивают приемлемое для многих применений качество преобразования аналоговых сигналов. В настоящей заявке улучшается важнейший параметр ОУ – его коэффициент усиления без обратной связи.
Существенный недостаток известного ОУ фиг.1 состоит в том, что он имеет сравнительно невысокий коэффициент усиления по напряжению (Ку) без обратной связи. Это не позволяет реализовать на его основе различные решающие устройства с большим петлевым усилением и малой статической погрешностью.
Основная цель предлагаемого изобретения состоит в повышении Ку без существенного ухудшения токопотребления.
Поставленная цель достигается тем, что в операционном усилителе фиг.1, содержащем входной параллельно-балансный каскад 1, имеющий первый 2 и второй 3 основные входы, первый 4 и второй 5 токовые выходы, вспомогательное токовое зеркало 6, имеющее вход 7 и выход 8, первый выходной инвертирующий каскад по схеме с общим эмиттером на первом транзисторе 9, эмиттер которого связан с шиной 10 источника питания через первый 11 двухполюсник, база подключена ко второму токовому выходу 5 входного параллельно-балансного каскада 1, а коллектор подключен к двухполюснику нагрузки 12 и выходу 13 устройства, предусмотрены новые элементы и связи – в схему введена цепь динамической коррекции коэффициента усиления 14, имеющая первый 15 и второй 16 входы, а также первый 17 и второй 18 выходы, причем второй выход 18 соединен со вторым токовым выходом 5 входного параллельно-балансного каскада 1, первый выход 17 подключен ко входу 7 токового зеркала 6, а второй вход 16 подключен к первому 4 токовому выходу входного параллельно-балансного каскада 1.
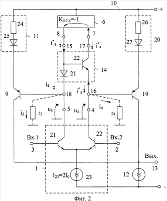
Схема усилителя-прототипа показана на фиг.1. На фиг.2 представлена схема заявляемого устройства в соответствии с п.1 и п.2 формулы изобретения.
На фиг.3 представлена схема заявляемого устройства в соответствии с п.1, п.2 и п.3 формулы изобретения.
На фиг.4 приведена схема ОУ фиг.2 в среде компьютерного моделирования PSpice на моделях интегральных транзисторов ФГУП НПП «Пульсар». Здесь же показаны параметры смещения нуля ДУ фиг.4.
На фиг.5 приведена зависимость дифференциального коэффициента усиления (дБ) от частоты (Гц) при изменении R2 в пределах R2=0.1 ÷ 0.99 кОм с шагом 0,1 кОм для случая, когда R1=0,9 кОм=const.
На фиг.6 показан дифференциальный коэффициент усиления (дБ) от частоты (Гц) при изменении R1 в пределах R1=0.1 ÷ 0.99 кОм с шагом 0,1 кОм для случая, когда R2=1 кОм=const.
Дифференциальный операционный усилитель фиг.2 содержит входной параллельно-балансный каскад 1, имеющий первый 2 и второй 3 основные входы, первый 4 и второй 5 токовые выходы, вспомогательное токовое зеркало 6, имеющее вход 7 и выход 8, первый выходной инвертирующий каскад по схеме с общим эмиттером на первом транзисторе 9, эмиттер которого связан с шиной 10 источника питания через первый 11 двухполюсник, база подключена ко второму токовому выходу 5 входного параллельно-балансного каскада 1, а коллектор подключен к двухполюснику нагрузки 12 и выходу 13 устройства. В схему введена цепь динамической коррекции коэффициента усиления 14, имеющая первый 15 и второй 16 входы, а также первый 17 и второй 18 выходы, причем второй выход 18 соединен со вторым токовым выходом 5 входного параллельно-балансного каскада 1, первый выход 17 подключен ко входу 7 токового зеркала 6, а второй вход 16 подключен к первому токовому выходу 4 входного параллельно-балансного каскада 1.
Кроме этого, на фиг.2 в соответствии с п.2 формулы изобретения к первому токовому выходу 4 входного параллельно-балансного каскада подключен второй выходной инвертирующий каскад по схеме с общим эмиттером на втором транзисторе 19, эмиттер которого связан с шиной источника питания 10 через второй двухполюсник 20.
В соответствии с п.3 формулы изобретения на фиг.2 цепь динамической коррекции коэффициента усиления 14 содержит первый вспомогательный p-n переход 21 и первый вспомогательный транзистор 22, база которого подключена к первому входу 15 цепи динамической коррекции коэффициента усиления 14 и через первый вспомогательный р-n переход 21 соединена со вторым выходом 18 цепи динамической коррекции коэффициента усиления 14, эмиттер соединен с ее вторым входом 16, а коллектор – с первым выходом 17 цепи динамической коррекции коэффициента усиления 14.
На фиг.3 в соответствии с п.4 формулы изобретения цепь динамической коррекции коэффициента усиления 14 содержит второй вспомогательный транзистор 29, коллектор которого подключен к выходу 17 цепи динамической коррекции коэффициента усиления, база подключена к первому входу 15 цепи динамической коррекции коэффициента усиления 14 и через второй вспомогательный p-n переход 30 соединена с коллектором третьего вспомогательного транзистора, база которого соединена со вторым выходом 18 цепи динамической коррекции коэффициента усиления 14, эмиттер соединен со вторым входом 16, а коллектор – с первым выходом 17 цепи динамической коррекции коэффициента усиления 14.
Рассмотрим работу схемы фиг.2 на переменном токе.
Замечательной особенностью предлагаемого усилителя является повышение (более чем на порядок) коэффициента усиления по напряжению Ку. Для ОУ прототипа фиг.1

где r5 – эквивалентное сопротивление в узле 5;
rвых – выходное сопротивление дифференциального каскада 1 относительно выхода 5;
r6 – выходное сопротивление токового зеркала 6;
Rвх.9= 9R11 – эквивалентное сопротивление двухполюсника 11, приведенное к узлу 5;
– крутизна входного дифференциального каскада 1 при коротком замыкании в узле 5, зависящая от сопротивлений эмиттерных переходов транзисторов 21 и 22 (rэ21, rэ22);
9 – коэффициент усиления тока базы транзистора 9;
Ку2 – коэффициент усиления второго каскада на транзисторе 9.
В связи с тем что 9>50 при R11 1 кОм эквивалентное сопротивление r5 в узле 5 определяется транзисторами 21 и 22:

где µ22 10-3÷10-2 – коэффициент внутренней обратной связи транзистора 22.
Поэтому численные значения предельного коэффициента усиления по напряжению первого каскада ОУ фиг.1

В предлагаемом устройстве (фиг.2) максимально возможный коэффициент усиления существенно повышается за счет взаимной компенсации эквивалентной проводимости в узле 5 эквивалентной проводимостью в узле 4. Для этого необходимо создать в узле 4 такое же эквивалентное сопротивление, что и в узле 5. То есть обеспечить


Если условие (7) выполняется, при изменении напряжения в узле (5) на величину u5 через r5 появится паразитный переменный ток i5=u5/r5. Однако в заявляемой схеме напряжение u5 передается и в узел 4 (u4=u5), что вызывает такое же изменение тока через r4:

Этот ток i4 поступает на вход 16 цепи динамической коррекции коэффициента усиления 14 и с единичным коэффициентом передачи передается на вход 7 токового зеркала 6 и, следовательно, на его выход 8. Далее, это приращение i4 поступает через цепь динамической коррекции коэффициента усиления 14 с ее входа 15 на выход 18. Как следствие, в узле 5 происходит вычитание токов i5 и i4:

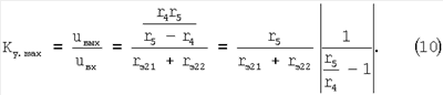
Если r4=r5, то i =0. Следовательно, от параллельно-балансного каскада 1 не требуется создавать дополнительное приращение тока в узле 5 за счет изменения входного дифференциального напряжения (между узлами 2 и 3). В этом случае Ку каскада существенно возрастает:

Таким образом, выигрыш по Ку, который дает заявляемая схема при 9= 19

где R11, R20 – сопротивление двухполюсников 11 и 20.
Действительно, компьютерное моделирование (фиг.5 и фиг.6) показывает, что заявляемый ОУ имеет более чем на 20 дБ большее усиление (Ky>104 или 82 дБ).
Таким образом, предлагаемое техническое решение характеризуется более высокими качественными показателями по усилению, что позволяет рекомендовать его для применения в архитектуре аналоговых микросхем.
БИБЛИОГРАФИЧЕСКИЙ СПИСОК
1. Патент США 4.410.859 fig.1
2. Патент США 4.721.920
3. Патент США 4.783.637
4. А.св. СССР 678639
5. Патент США 4.560.948
6. А.св. 1193773
7. Патент США 4.463.319
8. Патент WO 03/063344A1
9. Патент США 5.343.164
10. Патент США 4.417.216
11. Патент США 5.365.191 fig.7
12. Патент США 4.163.908
13. Патент Японии 54-37561 fig.1
Формула изобретения
1. Дифференциальный операционный усилитель, содержащий входной параллельно-балансный каскад (1), имеющий первый (2) и второй (3) основные входы, первый (4) и второй (5) токовые выходы, вспомогательное токовое зеркало (6), имеющее вход (7) и выход (8), первый выходной инвертирующий каскад по схеме с общим эмиттером на первом транзисторе (9), эмиттер которого связан с шиной (10) источника питания через первый (11) двухполюсник, база подключена ко второму (5) токовому выходу входного параллельно-балансного каскада (1), а коллектор подключен к двухполюснику нагрузки (12) и выходу (13) устройства, отличающийся тем, что в схему введена цепь динамической коррекции коэффициента усиления (14), имеющая первый (15) и второй (16) входы, а также первый (17) и второй (18) выходы, причем второй выход (18) соединен со вторым (5) токовым выходом входного параллельно-балансного каскада (1), первый (17) выход подключен ко входу (7) токового зеркала (6), а второй (16) вход подключен к первому (4) токовому выходу входного параллельно-балансного каскада (1).
2. Устройство по п.1, отличающееся тем, что к первому (4) токовому выходу входного параллельно-балансного каскада (1) подключен второй выходной инвертирующий каскад по схеме с общим эмиттером на втором (19) транзисторе, эмиттер которого связан с шиной источника питания (10) через второй (20) двухполюсник.
3. Устройство по п.1, отличающееся тем, что цепь динамической коррекции коэффициента усиления (14) содержит первый (21) вспомогательный p-n переход и первый (22) вспомогательный транзистор, база которого подключена к первому (15) входу цепи динамической коррекции коэффициента усиления (14) и через первый вспомогательный p-n переход (21) соединена со вторым (18) выходом цепи динамической коррекции коэффициента усиления (14), эмиттер соединен с ее вторым (16) входом, а коллектор – с первым (17) выходом цепи динамической коррекции коэффициента усиления (14).
4. Устройство по п.1, отличающееся тем, что цепь динамической коррекции коэффициента усиления (14) содержит второй (29) вспомогательный транзистор, коллектор которого подключен к выходу (17) цепи динамической коррекции коэффициента усиления, база подключена к первому (15) входу цепи динамической коррекции коэффициента усиления (14) и через второй вспомогательный p-n переход (30) соединена с коллектором третьего вспомогательного транзистора, база которого соединена со вторым (18) выходом цепи динамической коррекции коэффициента усиления (14), эмиттер соединен со вторым (16) входом, а коллектор – с первым (17) выходом цепи динамической коррекции коэффициента усиления (14).
РИСУНКИ
|