|
|
(21), (22) Заявка: 2009114029/09, 13.04.2009
(24) Дата начала отсчета срока действия патента:
13.04.2009
(46) Опубликовано: 10.06.2010
(56) Список документов, цитированных в отчете о поиске:
SU 917281 A, 30.03.1982. SU 748732 A1, 15.07.1980. US 3764886 A, 09.10.1973.
Адрес для переписки:
630092, г.Новосибирск, пр. К. Маркса, 20, НГТУ
|
(72) Автор(ы):
Евдокимов Сергей Александрович (RU)
(73) Патентообладатель(и):
Государственное Образовательное Учреждение Высшего Профессионального Образования Новосибирский Государственный Технический Университет (RU)
|
(54) ПРЕОБРАЗОВАТЕЛЬ ПЕРЕМЕННОГО ТОКА В ПОСТОЯННЫЙ С 16-КРАТНОЙ ЧАСТОТОЙ ПУЛЬСАЦИИ
(57) Реферат:
Преобразователь переменного тока в постоянный с 16-кратной частотой пульсаций может найти применение для питания потребителей постоянного тока, преимущественно с низковольтным питанием. Предложенный преобразователь содержит трехфазный трансформатор с вентильной обмоткой, состоящей из девяти фазных обмоток, размещенных по три на каждом из стержней, причем одна из фазных обмоток на каждом стержне имеет две промежуточные отпайки. Отпайка, расположенная ближе к началу обмотки (относительное число витков которой принято за 1,0), размещенной на одном (первом) из стержней соединена с началами двух обмоток (относительные числа витков которых приняты за tg30°) с отпайками, размещенных на двух других стержнях. Отпайка, расположенная ближе к концу обмотки на первом стержне, соединена с концами двух обмоток (имеющих относительные числа витков tg30°·tg22,5°) без отпаек, размещенными на указанных выше двух других стержнях. Концы двух незадействованных обмоток (имеющих относительные числа витков tg30°·(2sin52,5°-1)) на двух других стержнях соединены с первыми от начал отпайками обмоток с отпайками, размещенных на этих же других стержнях взаимоперекрестно, а вторые отпайки данных обмоток, отделенные от первых отпаек числом витков в относительных единицах, равным 2tg30°·(sin22,5°-sin7,5°), соединены с концами двух обмоток (относительные числа витков которых приняты за tg30°·(1-2sin22,5°)·k, где k=sin63,75°/sin56,25°) без отпаек, размещенных на первом из указанных стержней. Относительное число витков части обмотки, размещенной на первом стержне, от ее конца до второй отпайки равно tg30°·tg22,5°·k, а части, размещенной между отпайками – 2tg30°·tg15°. Преобразователь содержит также десятифазный вентильный мост, разноименные полюса которого образуют выходные выводы устройства, к которым подключена нагрузка. Десять свободных фазных выводов вентильной обмотки соединены с входами переменного тока десятифазного вентильного моста. Предложенный преобразователь переменного тока в постоянный с 16-кратной частотой пульсации обеспечивает технический результат – имеет более высокий КПД и менее сложен в изготовлении. 7 ил.
Изобретение относится к области преобразовательной техники и может найти применение для питания потребителей постоянного тока, преимущественно с низковольтным питанием.
Известен преобразователь переменного тока в постоянный с 16-кратной частотой пульсации, содержащий два трансформаторных источника ортогональных систем напряжений с вторичной фазной обмоткой в каждом, имеющей 7 отпаек, и вентильную схему, состоящую из четырех четырехвентильных колец (а.с. SU 1086524, МПК H02M 7/08, опубл. 15.04.1984, Бюл. 14).
Недостатком данного преобразователя являются большие массогабаритные показатели, что связано с необходимостью применения двух трансформаторов с большой типовой мощностью и обусловлено тем, что полная мощность вентильных обмоток велика и составляет 1,565 относительно мощности нагрузки Pd.
Известен преобразователь переменного тока в постоянный с 16-кратной частотой пульсации, содержащий восемь двухфазных вентильных мостов и два трансформаторных источника ортогональных ЭДС, система вторичных обмоток каждого из которых состоит из четырех гальванически не связанных фазных обмоток, выводы каждой из которых подключены к входам переменного тока одного из двухфазных вентильных мостов, которые соединены согласно последовательно, и образовавшиеся при этом четырехступенчатые мостовые вентильные схемы соединены между собой параллельно на всех ступенях, а разноименные свободные полюса крайних мостов образуют выходные выводы устройства (Пат. ПМ RU 40119, МПК H02M 7/08, опубл. 27.08.2004, Бюл. 24).
Недостатками данного преобразователя являются относительно большие массогабаритные показатели, обусловленные необходимостью применения двух трансформаторов и большого числа (32) вентилей, требуемых для реализации преобразования, и снижение КПД из-за большой мощности потерь в вентилях.
Наиболее близким к изобретению, принятым за прототип, является преобразователь переменного тока в постоянный с 16-кратной частотой пульсации (А.с. SU 1356153, МПК H02M 7/06, опубл. 30.11.1987, Бюл. 44), содержащий трехфазный трансформатор с четырьмя вторичными обмотками, состоящими из фазных обмоток (например, Фиг.9ж, з в описании прототипа), соединенных по схемам с i-ми ЭДС (Фиг.2 в описании прототипа), обеспечивающим ортогональность двух равных по модулю ЭДС, формируемых каждой из вторичных обмоток и последовательный нарастающий (убывающий) на 22,5 эл. град. фазовый сдвиг между ортогональными системами ЭДС, формируемыми вторичными обмотками. При таком фазовом сдвиге реализуется шестнадцатипульсное выпрямление. В силу наличия четырех преобразовательных систем, выполненных на четырех источниках ортогональных ЭДС, на каждом стержне трехфазного трансформатора всегда имеется не менее трех фазных обмоток, причем один из источников ортогональных ЭДС образован группой из трех вторичных фазных обмоток, в которой фазная обмотка одной из фаз выполнена с промежуточной отпайкой, к которой присоединены начала двух равных по размерам обмоток двух других фаз (Фиг.9ж в описании прототипа). Данный преобразователь содержит также вентильную часть с 32 вентилями, 24 из которых соединены в три 8-вентильных кольца, а восемь образуют две 4-вентильные звезды – анодную и катодную, соединенные своими общими точками с нагрузкой.
Недостатком данного преобразователя являются относительно низкий КПД, что обусловлено тем, что в цепи протекания тока нагрузки последовательно включено 5 вентилей, и сложность изготовления, что связано с большим количеством вентилей (32), сложностью построения вентильной части и большим числом частей фазных вентильных обмоток (разным при различных вариантах схем обмоток), необходимым для создания фазовых сдвигов между вторичными системами напряжений.
Задача изобретения – создание преобразователя переменного тока в постоянный с 16-кратной частотой пульсации, имеющего более высокий КПД и менее сложного в изготовлении.
Указанная задача достигается тем, что преобразователь переменного тока в постоянный с 16-кратной частотой пульсации содержит 20 вентилей и трехфазный трансформатор, на каждом из трех стержней которого размещено по три фазных обмотки, причем одна фазная вторичная обмотка одного из стержней имеет одну промежуточную отпайку, к которой присоединены начала двух других фазных обмоток, размещенных по одной на других стержнях, при этом из вентилей сформирован десятифазный вентильный мост с десятью входами переменного тока и двумя разнополярными выходами постоянного тока, к которым подключена нагрузка, а на фазной обмотке, имеющей одну отпайку, выполнена вторая дополнительная промежуточная отпайка, размещенная между первой отпайкой и концом обмотки, причем к данной отпайке присоединены концы двух незадействованных фазных обмоток с других стержней, а на фазных обмотках, соединенных началами с первой отпайкой первой фазной обмотки, выполнены две промежуточные отпайки, к каждой из которых подсоединен конец одной из незадействованных фазных обмоток с других стержней, причем к первым от концов данных обмоток отпайкам подсоединены концы незадействованных фазных обмоток, размещенных на первом стержне, а ко вторым от концов данных обмоток отпайкам подсоединены концы незадействованных фазных обмоток, не принадлежащих стержню каждой из данных обмоток, и образовавшиеся при этом пять свободных начал и три свободных конца фазных обмоток подключены к входам переменного тока вентильного моста, при этом относительное число витков первой фазной обмотки с отпайками принято за tg45°, относительные числа витков фазных обмоток, подключенных к первой отпайке первой фазной обмотки, приняты за tg30°, относительные числа витков фазных обмоток, подключенных к дополнительной отпайке первой фазной обмотки, приняты за tg30°·tg22,5°, относительные числа витков фазных обмоток, соединенных с первыми от концов отпайками фазных обмоток, подключенных к первой отпайке первой фазной обмотки, приняты за tg30°·(1-2sin22,5°)·k, где k=sin63,75°/sin56,25°, относительные числа витков фазных обмоток, соединенных со вторыми от концов отпайками фазных обмоток, подключенных к первой отпайке первой фазной обмотки, приняты за tg30°·(2sin52,5°-1), при этом относительное число витков части первой фазной обмотки с отпайками, размещенной от ее конца до второй дополнительной отпайки, принято за tg30°·tg22,5°·k, а относительное число витков части данной фазной обмотки, размещенной от первой отпайки до второй дополнительной отпайки, принято за 2tg30°·tg15°, относительные числа витков частей двух других фазных обмоток с парами отпаек установлены для частей, размещенных между отпайками, равными 2tg30°·(sin22,5°-sin7,5°), а для частей, размещенных между началами данных фазных обмоток и ближними к ним отпайками, равными 2tg30°·tg7,5°.
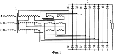
На Фиг.1 приведена принципиальная электрическая схема предлагаемого преобразователя; на Фиг.2 приведена топологическая диаграмма напряжений вентильной обмотки устройства (Фиг.1), поясняющая принцип формирования векторов результирующих выпрямляемых напряжений si; на Фиг.3 приведена топологическая схема вентильной обмотки с топологическими размерами частей фазных обмоток трансформатора; на Фиг.4 приведен амплитудно-фазовый портрет вентильной обмотки с принятыми здесь обозначениями частей вентильной обмотки; на Фиг.5 приведена схема работы обмоток и вентилей преобразователя; на Фиг.6 приведена временная диаграмма кривой выпрямленного напряжения; на Фиг.7 приведены варианты топологии вентильной обмотки: на Фиг.7а – топологическая схема, содержащая шестиугольник; на Фиг.7б – топологическая схема, содержащая треугольник; на Фиг.7в, г – варианты исполнения вентильных обмоток по разомкнутой схеме.
Преобразователь (Фиг.1) содержит трехфазный трансформатор 1 с вентильной обмоткой, состоящей из девяти фазных обмоток, размещенных по три на каждом из стержней, причем одна из фазных обмоток на каждом стержне имеет две промежуточные отпайки. Отпайка, расположенная ближе к началу обмотки с отпайками, размещенной на одном (первом) из стержней соединена с началами двух обмоток с отпайками, размещенных на двух других стержнях. Отпайка, расположенная ближе к концу указанной выше обмотки, соединена с концами двух обмоток без отпаек, размещенными на указанных выше двух других стержнях. Концы двух незадействованных обмоток на двух других стержнях соединены с первыми от начал отпайками обмоток с отпайками, размещенных на этих же стержнях взаимоперекрестно, а вторые отпайки данных обмоток соединены с концами двух обмоток без отпаек, размещенных на первом из указанных стержней. Преобразователь содержит также десятифазный вентильный мост 2, разноименные полюса которого образуют выходные выводы устройства, к которым подключена нагрузка 3. Десять свободных фазных выводов вентильной обмотки соединены с входами переменного тока десятифазного вентильного моста 2.
Принцип работы преобразователя (Фиг.1) иллюстрируется векторными диаграммами напряжений, представленными в виде амплитудно-фазового портрета напряжений фазных обмоток, составляющих вентильную обмотку, и векторами результирующих выпрямляемых напряжений (Фиг.2). Относительные числа витков фазных обмоток, при которых обеспечивается каноническое 16-пульсное выпрямление, приведены на Фиг.3, а обозначения частей фазных обмоток, необходимые для проведения схемотехнического анализа, приведены на Фиг.4.
Формирование 16-пульсного выпрямленного напряжения на нагрузке происходит в соответствии с порядком формирования векторов результирующих выпрямляемых напряжений, которые на Фиг.2 совмещены с амплитудно-фазовым портретом напряжений вентильной обмотки. Выбранное построение АФП обеспечивает формирование восьми векторов результирующих выпрямляемых напряжений за первую половину периода сетевого напряжения и восьми векторов, противофазных первым, за вторую половину периода. При этом модули всех 16-ти векторов равны и они формируются поочередно со сдвигом 22,5 эл. град., что на АФП соответствует их последовательному вращательному перемещению по часовой стрелке.
Так, первый вектор результирующего напряжения s1 является суммой коллинеарных векторов фазных напряжений частей а, а’, а фазной обмотки с отпайками фазы «а» трансформатора. Вектор s2 является вектором линейного напряжения, полученного из фазных напряжений частей обмоток a1, с’, с, а’, а фаз «а» и «с» трансформатора. Аналогично определяются слагаемые остальных векторов результирующих выпрямляемых напряжений. За период формируется 16 одинаковых результирующих напряжений, образующих симметричную 16-фазную систему выпрямляемых напряжений.
Полная схема работы обмоток и вентилей (Фиг.5), полученная из анализа диаграмм на Фиг.2 и 4, позволяет определить, что части фазных обмоток а’, b, с работают 225 эл. град., части фазных обмоток b’, с’ работают 180 эл. град., части a , b , с работают 135 эл. град., а оставшиеся фазные обмотки и части обмоток работают 45 эл. град, за период. Вентили, соединенные с концами фазных обмоток, имеют угол проводимости 67,5 эл. град., остальные вентили – 22,5 эл. град. Ток нагрузки в интервале пульсации обтекает два вентиля.
Форма кривой выпрямленного напряжения, полученная на компьютерной модели, приведена на Фиг.6. Возможные варианты выполнения вентильной обмотки приведены на Фиг.7.
Исходя из геометрического построения диаграмм формирования векторов результирующих напряжений (Фиг.2) определено максимальное значение выпрямленного напряжения при идеальной коммутации и соответственно его среднее значение. Приняв за относительную единицу (о.е.) амплитуду напряжения на вторичной фазной обмотке с отпайками, имеющей наибольшее число витков, в соответствии с векторными диаграммами на Фиг.2 получено среднее значение выпрямленного напряжения Udo=0,9936 о.е.
По результатам анализа работы вторичных обмоток (Фиг.5), учитывая действующие значения напряжений на них (Фиг.3), определена их полная мощность, составившая 1,337 Pd. Коэффициент установленной мощности трансформатора предлагаемого преобразователя равен 1,172, при этом число частей фазных обмоток равно 15 (у прототипа 25). Несмотря на то, что типовая мощность трансформатора прототипа при четырехкаскадном исполнении меньше (1,093 Pd), при переустройстве его на последовательно-параллельную схему (с двумя 8-пульсными секциями), имеющую три вентиля, последовательно включаемых в цепях тока, типовая мощность трансформатора существенно возрастет. Это потребует применения уравнительного реактора, усложняющего схему, и приведет к дополнительному снижению КПД.
Общее число фазных выводов вентильной обмотки трансформатора прототипа равно 16, число вентилей вентильной схемы равно 32, а у предлагаемого устройства число фазных выводов вентильной обмотки равно 10 и, в соответствии с этим, число вентилей в мостовой вентильной схеме равно 20, что упрощает технологию его изготовления.
В цепи протекания тока нагрузки у прототипа последовательно включены 5 вентилей, а у предлагаемого устройства 2 вентиля, что обеспечивает меньшую мощность потерь в вентилях, а значит более высокий КПД.
Таким образом, предлагаемый преобразователь переменного тока в постоянный с 16-кратной частотой пульсации, по сравнению с прототипом, имеет более высокий КПД и менее сложен в изготовлении.
Формула изобретения
Преобразователь переменного тока в постоянный с 16-кратной частотой пульсации, содержащий 20 вентилей и трехфазный трансформатор, на каждом из трех стержней которого размещено по три фазных обмотки, причем одна фазная вторичная обмотка одного из стержней имеет одну промежуточную отпайку, к которой присоединены начала двух других фазных обмоток, размещенных по одной на других стержнях, отличающийся тем, что из вентилей сформирован десятифазный вентильный мост с десятью входами переменного тока и двумя разнополярными выходами постоянного тока, к которым подключена нагрузка, а на фазной обмотке, имеющей одну отпайку, выполнена вторая дополнительная промежуточная отпайка, размещенная между первой отпайкой и концом обмотки, причем к данной отпайке присоединены концы двух незадействованных фазных обмоток с других стержней, а на фазных обмотках, соединенных началами с первой отпайкой первой фазной обмотки, выполнены две промежуточные отпайки, к каждой из которых подсоединен конец одной из незадействованных фазных обмоток с других стержней, причем к первым от концов данных обмоток отпайкам подсоединены концы незадействованных фазных обмоток, размещенных на первом стержне, а ко вторым от концов данных обмоток отпайкам подсоединены концы незадействованных фазных обмоток, не принадлежащих стержню каждой из данных обмоток, и образовавшиеся при этом пять свободных начал и три свободных конца фазных обмоток подключены к входам переменного тока вентильного моста, при этом относительное число витков первой фазной обмотки с отпайками принято за tg45°, относительные числа витков фазных обмоток, подключенных к первой отпайке первой фазной обмотки, приняты за tg30°, относительные числа витков фазных обмоток, подключенных к дополнительной отпайке первой фазной обмотки, приняты за tg30°·tg22,5°, относительные числа витков фазных обмоток, соединенных с первыми от концов отпайками фазных обмоток, подключенных к первой отпайке первой фазной обмотки, приняты за tg30°·(1-2sin22,5°)·k, где k=sin63,75°/sin56,25°, относительные числа витков фазных обмоток, соединенных со вторыми от концов отпайками фазных обмоток, подключенных к первой отпайке первой фазной обмотки, приняты за tg30°·(2sin52,5°-1), при этом относительное число витков части первой фазной обмотки с отпайками, размещенной от ее конца до второй дополнительной отпайки, принято за tg30°·tg22,5°·k, а относительное число витков части данной фазной обмотки, размещенной от первой отпайки до второй дополнительной отпайки, принято за 2tg30°·tg15°, относительные числа витков частей двух других фазных обмоток с парами отпаек установлены для частей, размещенных между отпайками, равными 2tg30°·(sin22,5°-sin7,5°), а для частей, размещенных между началами данных фазных обмоток и ближними к ним отпайками, равными 2tg30°·tg7,5°.
РИСУНКИ
|
|