|
|
(21), (22) Заявка: 2008103344/09, 30.05.2006
(24) Дата начала отсчета срока действия патента:
30.05.2006
(30) Конвенционный приоритет:
30.06.2005 DE 102005030601.2
(43) Дата публикации заявки: 10.08.2009
(46) Опубликовано: 10.06.2010
(56) Список документов, цитированных в отчете о поиске:
SONG-Y1 LIN ET AL: “Analysis and Design Rectifier of Phase Shift Full-Bridge ZVS Converters” IEЕЕ TRANSACTIONS ON INDUSTRIAL ELECTRONICS, IEEE SERVICE CENTR, PISCATAWAY, NJ, US, v.45, 2, April 1998 (1998-04)XP011023364 ISSN: 0278-0046. US 2003/185026 A1, 02.10.2003. SU 1723643 A1, 02.10.2003.
(85) Дата перевода заявки PCT на национальную фазу:
30.01.2008
(86) Заявка PCT:
EP 2006/062704 20060530
(87) Публикация PCT:
WO 2007/003475 20070111
Адрес для переписки:
129090, Москва, ул.Б.Спасская, 25, стр.3, ООО “Юридическая фирма Городисский и Партнеры”, пат.пов. А.В.Мицу, рег. 364
|
(72) Автор(ы):
ЦЕЗНАК Лоранд (AT), КОГАРД Маркус (AT)
(73) Патентообладатель(и):
СИМЕНС АКЦИЕНГЕЗЕЛЛЬШАФТ ЭСТЕРРАЙХ (AT)
|
(54) БЛОК ПИТАНИЯ ОТ СЕТИ СО СХЕМОЙ ПОЛНОГО МОСТА И ШИРОКИМ ДИАПАЗОНОМ РЕГУЛИРОВАНИЯ
(57) Реферат:
Изобретение относится к блоку питания от сети, состоящему, как минимум, из одного трансформатора (TR1), по меньшей мере одной мостовой схемы, при помощи которой первичная обмотка трансформатора (TR1) подключена к входному напряжению постоянного тока (UE), и вторичной обмотки, посредством которой через мостовую выпрямительную схему, а также выходную дроссельную катушку (1, 2) и выходной конденсатор (С2) выходная цепь нагружается выходным напряжением постоянного тока (UA), и разгрузочной схемы, состоящей из диода (D5), конденсатора (С4) и сопротивления (R1) для снижения максимальных напряжений на вторичной стороне, при этом предусмотрены еще одна вторичная обмотка, еще одна мостовая выпрямительная схема с двойной обмоткой и еще одна разгрузочная схема, посредством которых при помощи выходной дроссельной катушки (1, 2) и выходного конденсатора (С2) выходную цепь нагружают частью выходного напряжения постоянного тока (UA). В результате обеспечивается технический результат – в сопротивлениях (TR1, TR2) происходит меньше потерь и повышается кпд блока питания. 4 з.п. ф-лы, 3 ил.
Изобретение относится к блоку питания от сети, состоящему, как минимум, из одного трансформатора, по меньшей мере одной мостовой схемы, при помощи которой первичная обмотка трансформатора подключена к входному напряжению постоянного тока, и вторичной обмотки, посредством которой через мостовую выпрямительную схему, а также выходную дроссельную катушку и выходной конденсатор, выходная цепь нагружается выходным напряжением постоянного тока, и разгрузочной схемы, состоящей из диода, конденсатора и сопротивления для снижения максимальных напряжений на вторичной стороне.
В последние десятилетия чрезвычайно выросло число различных конструкций блоков питания. Одновременно выросли также требования, предъявляемые к блокам питания. Важнейшими требованиями при этом являются минимальное число отказов и высокий кпд. Широко распространенная конструкция представлена переключающими блоками питания, которые, как правило, меньше и легче и приводят к меньшим потерям тепла, чем линейные блоки питания. Для снижения наблюдаемых в переключающих блоках питания потерь при переключении и для ограничения максимальных значений тока и напряжения из уровня техники известно использование так называемых разгрузочных схем, называемых также снубберными схемами. Это позволяет защитить чувствительные схемные элементы и улучшить характеристику ЕМС.
Такие разгружающие схемы состоят, как правило, из конденсатора, а также диода и/или катушки индуктивности, и в определенных случаях сопротивления.
В выполненных в виде преобразователей со схемой полного моста переключающих блоках питания согласно уровню техники используется разгрузочная схема для отвода в нее паразитных максимальных напряжений, возникающих при коммутационных операциях (см. фиг.1). В мостовых преобразователях с постоянным входным и выходным напряжением разгрузочная схема согласно уровню техники может быть рассчитана таким образом, что почти вся аккумулируемая в конденсаторе разгрузочной схемы энергия отводится на выходной конденсатор и, таким образом, не расходуется впустую.
Для мостового преобразователя с диапазоном входного напряжения для подключения, например, к альтернативному генератору энергии (топливные элементы, фотоэлектрические элементы) более затруднительно рассчитать разгружающую схему для ограничения максимальных значений тока и напряжения. Во входной дроссельной катушке преобразователя в течение времени, требуемого для передачи мощности через трансформатор, возникает напряжение, которое зависит от разности между входным напряжением постоянного тока или (mal) коэффициентом трансформации трансформатора и выходным напряжением постоянного тока. Это напряжение затем питает также разгрузочную схему, в результате чего повышается напряжение в конденсаторе разгрузочной схемы относительно выходного напряжения постоянного тока. Благодаря этой разности напряжений накопленная в конденсаторе разгрузочной схемы энергия согласно уровню техники затем может быть также еще больше снижена за счет сопротивления или передана на выходной конденсатор путем установки на минимум исполнительного элемента (Tiefsetzsteller). Для сохранения на низком уровне числа компонентов и производственных издержек, как правило, при этом используют сопротивление и пренебрегают связанными с этим потерями.
Вместе с тем, при использовании блоков питания от сети для альтернативных источников энергии все более важным для оптимизации общего кпд является предусмотреть с входной стороны широкий диапазон регулирования. В таком случае больше не пренебрегают потерянной в сопротивлении разгрузочной схемы энергией.
Поэтому задача изобретения состоит в том, чтобы усовершенствовать вышеуказанный блок питания от сети согласно уровню техники.
Эту задачу решают согласно изобретению за счет блока питания, состоящего, как минимум, из одного трансформатора, по меньшей мере одной мостовой схемы, при помощи которой первичная обмотка трансформатора подключена к входному напряжению постоянного тока, и вторичной обмотки, посредством которой через мостовую выпрямительную схему, а также выходную дроссельную катушку и выходной конденсатор выходная цепь нагружается выходным напряжением постоянного тока, и разгрузочной схемы, состоящей из диода, конденсатора и сопротивления для снижения максимальных напряжений на вторичной стороне, при этом предусмотрены еще одна вторичная обмотка, еще одна мостовая выпрямительная схема полного моста и еще одна разгрузочная схема, посредством которых при помощи выходной дроссельной катушки и выходного конденсатора выходную цепь нагружают частью выходного напряжения постоянного тока.
За счет этой конструкции с двумя вторичными цепями достигается то, что в критическом верхнем диапазоне входного напряжения значительно снижается падение разности напряжений на сопротивлениях. Отведенная энергия вызванных коммутационными операциями максимальных напряжений делится на две разгрузочные схемы и снижает таким образом нагрузку конденсаторов в разгрузочных схемах. Следовательно, в обоих сопротивлениях расходуется впустую меньше энергии и повышается кпд блока питания.
При этом в одном из вариантов исполнения изобретения предусмотрен трансформатор с двумя вторичными обмотками. При этом использование лишь одного трансформатора выгодно сказывается на размерах и производственных издержках блока питания.
Но преимущественным является также, если предусмотрены два трансформатора соответственно с одной первичной обмоткой и одной вторичной обмоткой и каждая из двух первичных обмоток через мостовую схему подсоединена к входному напряжению постоянного тока. Благодаря использованию двух трансформаторов пульсация тока через входную дроссельную катушку и пульсация тока через выходную дроссельную катушку значительно ниже, что позволяет получить значительное уменьшение фильтра с входной стороны и выходной стороны.
Далее преимуществом является, если по меньшей мере одна мостовая схема состоит из четырех переключателей и предусмотрено электронное устройство для управления переключателями. В этом случае переключатели управляются фазосдвигающей модуляцией, при этом модулируется время бестоковой паузы (Todzeit).
Кроме того, выгодно выполнить переключатели в виде транзисторов, так как здесь речь идет о пользующихся спросом безотказных переключателях.
Ниже изобретение поясняется на примерах со ссылкой на прилагаемый чертеж. В схематичном изображении показаны:
Фиг.1 – мостовой преобразователь с разгрузочной схемой согласно уровню техники,
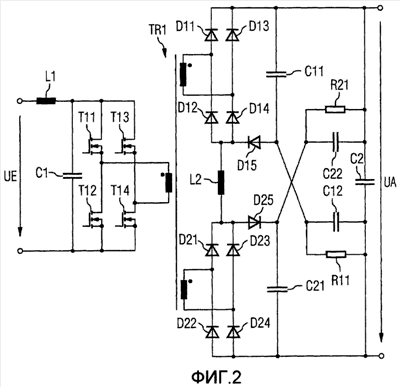
Фиг.2 – мостовой преобразователь с разделенной вторичной обмоткой,
Фиг.3 – мостовой преобразователь с двумя трансформаторами.
На фиг.1 изображен блок питания от сети в виде мостового преобразователя с разгрузочной схемой с вторичной стороны согласно уровню техники. С первичной стороны через входную дроссельную катушку L1 и входной конденсатор С1 к входному напряжению постоянного тока UE подключен включающий четыре транзистора Т1, Т2, Т3 и Т4 мост с двумя обмотками. Выходы моста соединены с первичной обмоткой трансформатора TR1. С вторичной стороны на трансформаторе TR1 расположена намотанная в аналогичном направлении вторичная обмотка, к которой подключена мостовая выпрямительная схема. Мостовая выпрямительная схема включает четыре диода D1, D2, D3 и D4. Через выходную дроссельную катушку L2 и два выходных конденсатора С2 и С3 выходная цепь нагружается выходным напряжением постоянного тока UA. При этом второй выходной конденсатор С3 выполнен, например, в виде поляризованного электролитического конденсатора.
С вторичной стороны дополнительно расположена разгрузочная схема с диодом D5, конденсатором С4 и сопротивлением R1. При этом анод диода D5 соединен с выходным напряжением мостовой выпрямительной схемы, а катод диода D5 – с конденсатором С4 и сопротивлением R1 разгрузочной схемы. Вторые выводы конденсатора С4 и сопротивления R1 подключены к выходному напряжению постоянного тока UA.
При включении первой транзисторной пары Т1 и Т4 создается токовый импульс. Нарастание импульса ограничено индуктивностью рассеяния трансформатора TR1 и обусловлено коммутационными операциями и паразитными емкостями проводящих диодов D3 и D2. С выходной стороны этот токовый импульс вызывает избыточное напряжение. При этом пик напряжения может в два раза превышать величину входного напряжения постоянного тока UE или (mal) коэффициента трансформации трансформатора TR1. Это избыточное напряжение ограничивает разгрузочная схема. При этом характеристики пассивных конструктивных элементов разгрузочной схемы зависят как от выбранного диапазона входного напряжения постоянного тока UE, так и от избранного диапазона выходного напряжения постоянного тока UA. При включении второй транзисторной пары Т3 и Т2 также возникает токовый импульс, и с обоими проводящими диодами D1 и D4 протекают идентичные процессы.
Разность между напряжением в конденсаторе С4 разгрузочной схемы и выходным напряжением постоянного тока UA падает на сопротивлении R1. При этом возникающие потери тем больше, чем выше разность напряжений.
Поэтому в представленном на фиг.2 примере осуществления изобретения для снижения разности напряжений предусмотрено второе вторичное ответвление со второй разгрузочной схемой. С первичной стороны эта конструкция соответствует представленной на фиг.1. С вторичной стороны предусмотрена разделенная вторичная обмотка на трансформаторе TR1, при этом обе обмотки подключены к одной мостовой выпрямительной схеме. Первая мостовая выпрямительная схема включает при этом четыре диода D11, D12, D13 и D14, также как и вторая мостовая выпрямительная схема с диодами D21, D22, D23 и D24. При этом выходная дроссельная катушка L2 расположена между обеими мостовыми выпрямительными схемами таким образом, что выходы первой мостовой выпрямительной схемы соединены с первым выводом выходной дроссельной катушки L2 и выходным напряжением постоянного тока UA, а выходы второй мостовой выпрямительной схемы – со вторым выводом выходной дроссельной катушки L2 и опорным потенциалом с вторичной стороны.
Аналогично описанию к фиг.1 также здесь наблюдаются вызванные токовыми импульсами перенапряжения с выходной стороны. Они ограничены двумя размещенными на выходах мостовых выпрямительных схем разгрузочными схемами. Первая разгрузочная схема включает диод D15, два конденсатора С11 и С12, а также сопротивление R11. Катод диода 15 соединен с анодами диодов 12 и 14 мостовой выпрямительной схемы. Анод диода 15 соединен с конденсаторами С11 и С12, при этом второй вывод первого конденсатора С11 соединен с выходным напряжением постоянного тока UA, а второй вывод второго конденсатора С12 – с опорным потенциалом с вторичной стороны. Сопротивление R11 расположено параллельно со вторым конденсатором С12.
Вторая разгрузочная схема также включает диод 25, два конденсатора С21 и С22, а также сопротивление R21. При этом анод диода 25 соединен с катодами диодов D21 и D23 второй мостовой выпрямительной схемы. Катод диода 25 соединен с обоими конденсаторами С21 и С22, при этом второй вывод первого конденсатора С21 соединен с опорным потенциалом с вторичной стороны, а второй вывод второго конденсатора С22 – с выходным напряжением постоянного тока UA. Сопротивление R21 расположено параллельно со вторым конденсатором С22.
При этом для обеих разгрузочных схем предусмотрено, что каждый из двух имеющихся в схемах конденсаторов может быть удален без ущерба функциональности. Тем не менее, использование двух конденсаторов в каждой разгрузочной схеме обеспечивает более легкое согласование конструктивных элементов.
Приведенная в примере конструкция в отличие от уровня техники способствует тому, что для повышенных входных напряжений постоянного тока UE, в которых перенапряжения отводят в разгрузочные схемы, в сопротивлениях R21 и R11 создаются меньшие потери, так как перенапряжения делят на две разгрузочные схемы.
В представленном на фиг.3 варианте осуществления вторичная часть соответствует показанной на фиг.2 с тем различием, что обе вторичные обмотки расположены не на общем для обеих, а каждая на одном из трансформаторов TR1 и TR2. С первичной стороны первичная обмотка первого трансформатора TR1 через мостовую схему, состоящую из четырех транзисторов T11, T12, Т13 и Т14, через входную дроссельную катушку L1 подключена к входному напряжению постоянного тока UE. В равной мере первичная обмотка второго трансформатора TR2 через мостовую схему, состоящую из четырех транзисторов Т21, Т22, Т23 и Т24, через входную дроссельную катушку L1 подключена к входному напряжению постоянного тока UE. Дополнительно между выходом входной дроссельной катушки L1 и опорным потенциалом с первичной стороны расположен сглаживающий конденсатор С1.
В этой топологии управляющие импульсы мостовых схем смещены относительно друг друга на 90°. При этом ограничиваемые разгрузочными схемами максимальные напряжения возникают аналогичным образом, что и в трансформаторе с разделенной вторичной обмоткой. Однако за счет смещения управляющих импульсов выходная пульсация тока и входная пульсация тока значительно меньше, вследствие чего с входной стороны и с выходной стороны могут быть применены меньшие конструктивные элементы фильтра.
Также здесь в каждой из обеих разгрузочных схем может быть устранен один конденсатор без ограничения функциональности.
Формула изобретения
1. Блок питания от сети, состоящий из: как минимум одного трансформатора (TR1), по меньшей мере, одной мостовой схемы, при помощи которой первичная обмотка трансформатора (TR1) подключена к входному напряжению постоянного тока (UE), и вторичной обмотки, посредством которой через мостовую выпрямительную схему, а также выходную дроссельную катушку (L2) и выходной конденсатор (С2) выходная цепь нагружается выходным напряжением постоянного тока (UA), и разгрузочной схемы, состоящей из диода (D5), конденсатора (С4) и сопротивления (R1) для снижения максимальных напряжений на вторичной стороне, отличающийся тем, что при этом предусмотрены еще одна вторичная обмотка, еще одна выпрямительная схема полного моста и еще одна разгрузочная схема, посредством которых при помощи выходной дроссельной катушки (L2) и выходного конденсатора (С2) выходную цепь нагружают частью выходного напряжения постоянного тока (UA).
2. Блок питания по п.1, отличающийся тем, что предусмотрен трансформатор (TR1) с двумя вторичными обмотками.
3. Блок питания по п.1, отличающийся тем, что предусмотрены два трансформатора (TR1, TR2) соответственно с одной первичной обмоткой и одной вторичной обмоткой и каждая из двух первичных обмоток через мостовую схему подключены к входному напряжению постоянного тока (UE).
4. Блок питания по одному из пп.1-3, отличающийся тем, что, по меньшей мере, одна мостовая схема состоит из четырех переключателей и что предусмотрено электронное устройство для управления переключателями.
5. Блок питания по п.4, отличающийся тем, что в виде переключателей предусмотрены транзисторы.
РИСУНКИ
|
|