|
(21), (22) Заявка: 2009112576/09, 07.04.2009
(24) Дата начала отсчета срока действия патента:
07.04.2009
(46) Опубликовано: 10.06.2010
(56) Список документов, цитированных в отчете о поиске:
US 2007026268 A1, 01.02.2007. RU 2335829 C2, 10.10.2008. RU 2327257 C1, 20.06.2008. US 2001021468 A1, 13.09.2001.
Адрес для переписки:
111116, Москва, ул. Авиамоторная, 2, ФГУП “ЦИАМ им П.И. Баранова”, отдел интеллектуальной собственности
|
(72) Автор(ы):
Байков Алексей Витальевич (RU), Пудовиков Дмитрий Евгеньевич (RU)
(73) Патентообладатель(и):
Федеральное государственное унитарное предприятие “Центральный институт авиационного моторостроения имени П.И. Баранова” (RU), Российская Федерация, от имени которой выступает Министерство промышленности и торговли Российской Федерации (RU)
|
(54) ЭНЕРГЕТИЧЕСКАЯ УСТАНОВКА ДЛЯ САМОЛЕТА С ИСПОЛЬЗОВАНИЕМ ТОПЛИВНЫХ ЭЛЕМЕНТОВ
(57) Реферат:
Изобретение относится к области химических источников энергии (электрического тока) с прямым преобразованием химической энергии в электрическую. Согласно изобретению энергетическая установка для самолета с использованием топливных элементов содержит батарею высокотемпературных твердооксидных топливных элементов, вырабатывающих электричество посредством электрохимической реакции между водородом и кислородом при повышенных рабочих температуре и давлении, и снабжена системой подачи топлива, включающей баллон с водородом, сжатым до высокого давления порядка 70 МПа, и дополнительное, связанное с баллоном, устройство для снижения давления сжатого водорода до повышенного рабочего давления, равного примерно 1 МПа. Устройство для снижения давления сжатого водорода выполнено в виде расширительной газовой турбины, снижающей высокое давление водорода до повышенного рабочего давления. На одном валу с турбиной установлен электрогенератор. Система подачи окислителя энергетической установки содержит компрессор для сжатия атмосферного воздуха и использует в качестве окислителя кислород воздуха. На одном валу с компрессором установлена выходная турбина, соединенная с химическим реактором трубопроводом для отвода газа от химического реактора, и дополнительная турбина, на валу которой установлен электрогенератор для выработки дополнительного электрического тока. Рабочая температура составляет 900 1000°С. Техническим результатом является повышение массовой производительности топливных элементов. 4 з.п. ф-лы, 1 ил.
Изобретение относится к области химических источников энергии (электрического тока) с прямым преобразованием химической энергии в электрическую.
Известна система топливного элемента, содержащая блок батареи, содержащий топливный электрод и воздушный электрод и вырабатывающий электричество посредством электрохимической реакции между водородом и кислородом, блок подачи топлива, подающий водород к топливному электроду батареи, блок подачи воздуха, подающий воздух к воздушному электроду блока батареи, блок хранения остаточного газа, накапливающий остаточный водород, отводимый из блока батареи или блока подачи топлива, и затем подающий этот остаточный водород снова в блок батареи или другую систему, нуждающуюся в водороде (патент РФ 2335829, опубл. 10.10.2008).
Известна микротурбина, которая может применяться в энергетике, в составе силовых установок с электроприводом на транспорте, в том числе воздушном, выполненная в виде двух модулей: турбокомпрессора и электрохимического реактора, устанавливаемого в газовоздушном тракте между компрессором и турбиной вместо камеры сгорания (патент РФ 2334113, опубл. 20.09.2008).
Электрохимический реактор содержит батареи высокотемпературных топливных элементов (например, твердооксидных – SOFC или расплавкарбонатных – MCFC и т.п.) прямого окисления углеводородного топлива либо с внутренней конверсией углеводородного топлива, либо секции топливных элементов, работающих на синтез-газе с высоким содержанием свободного водорода, и топливные процессоры для переработки углеводородного топлива в синтез-газ.
Турбокомпрессор состоит из компрессора и турбины, рабочие колеса которых расположены на общем валу. Каналы отвода сжатого воздуха от компрессора и подвода горячих газов к турбине сообщаются с электрохимическим реактором, образуя единый газовоздушный тракт. Компрессор со степенью повышения давления, равной 2.0-2.5, обеспечивает использование в качестве основного топлива микротурбины бытового газа низкого давления без применения дополнительного дожимного газового компрессора.
В электрохимический реактор в качестве топлива может поступать природный газ, биогаз, синтетический горючий газ, в зависимости от типа применяемых топливных элементов.
Известна система топливных элементов, способная повышать производительность топливных элементов за счет ускорения реакции (патент РФ 2326471).
Повышение удельных характеристик получают за счет подачи озона на катод стопки топливных элементов. Система топливных элементов содержит стопку топливных элементов, включающую в себя анод, катод и электролитическую мембрану, размещенную между ними, топливный бак для подачи водородсодержащего топлива на анод стопки топливных элементов и блок подачи окислителя для добавления озона к кислородсодержащему воздуху и, таким образом, для подачи на катод стопки топливных элементов. Соответственно, озон подается на катод стопки топливных элементов для ускорения реакции в стопке топливных элементов и, таким образом, для достижения сравнительно высокой плотности тока.
Известны системы топливных элементов, пригодные для подачи водорода и воздуха, имеющего подходящую температуру в блоке ячеек.
Система топливных элементов (патент РФ 2327257) содержит блок ячеек для генерирования электричества посредством электрохимической реакции между водородом и воздухом, блок подачи топлива для снабжения блока ячеек водородом, блок подачи воздуха для снабжения блока ячеек воздухом и модульный блок, имеющий трубопровод для отработанного газа, предназначенный для выпуска отработанного газа из блока подачи водорода, подаваемого из блока подачи топлива в блок ячеек, и воздухоподающий трубопровод, предназначенный для подачи воздуха, поставляемого из блока подачи воздуха к блоку ячеек, при этом трубопровод для отработанного газа, топливоподающий трубопровод и воздухоподающий трубопровод установлены последовательно и собраны в единое целое на основе модульного принципа.
Наиболее близким техническим решением является энергетическая установка для самолета (опубл. заявка US 2007/0026268) с использованием топливных элементов, включающая электрохимический реактор, содержащий батарею твердополимерных топливных элементов (ТПТЭ), в которой в качестве окислителя используется кислород, а в качестве восстановителя – водород. Электричество (электроэнергия) вырабатывается посредством электрохимической реакции между водородом и кислородом на поверхности топливных элементов. Запасы газообразного кислорода и водорода под давлением хранятся на борту самолета. Известна схема подвода кислорода и водорода к топливным элементам типа ТПТЭ, включающая систему регулирования, теплообменники и фильтры.
Хотя элементы ТПТЭ имеют высокую удельную мощность, получаемую с единицы поверхности топливного элемента, ресурс их невысок и не превышает 100 часов.
Массовая производительность ТПТЭ также невысока. ТПТЭ имеют рабочую температуру не боле 120°С и не способны увеличивать вырабатываемую электрическую мощность при увеличении рабочего давления.
Кроме того, работа ТПТЭ при низкой рабочей температуре не дает использовать энергию отводимого от химического реактора газа, например, в газотурбинной приставке.
В основу изобретения положена задача создать энергетическую установку для самолета с использованием топливных элементов, которая позволяла бы повысить мощность с одновременным увеличением КПД и ресурса такой энергетической установки.
Техническим результатом является повышение массовой производительности топливных элементов.
Другим техническим результатом является максимизация эффективности использования топлива в выработке электричества.
Поставленная задача решается тем, что энергетическая установка для самолета с использованием топливных элементов, содержащая электрохимический реактор, включающий батарею топливных элементов, использующих водород, поступающий на анодную поверхность, в качестве топлива, и окислитель, системы подачи топлива и окислителя, содержит батарею высокотемпературных твердооксидных топливных элементов, вырабатывающих электричество посредством электрохимической реакции между водородом и кислородом при повышенных рабочих температуре и давлении, система подачи топлива включает баллон с водородом, сжатым до высокого давления порядка 70 МПа, и дополнительное, связанное с баллоном, устройство для снижения давления сжатого водорода до повышенного рабочего давления, равного примерно 1 МПа.
Целесообразно, чтобы энергетическая установка для самолета содержала бы устройство для снижения давления сжатого водорода, выполненное в виде расширительной газовой турбины, снижающей высокое давление водорода до повышенного рабочего давления, и электрогенератор, установленный на одном валу с турбиной.
Кроме того, целесообразно, чтобы в этой энергетической установке система подачи окислителя содержала бы компрессор для сжатия атмосферного воздуха и использовала в качестве окислителя кислород воздуха, при этом установка дополнительно содержала бы выходную турбину, соединенную с химическим реактором трубопроводом для отвода газа от химического реактора и установленную на одном валу с компрессором для сжатия атмосферного воздуха, и дополнительную турбину, входом связанную с выходной, на валу которой установлен электрогенератор для выработки дополнительного электрического тока.
Баллон с водородом может быть выполнен из композиционного материала, выдерживающего давление не менее 70 МПа.
Рабочая температура может составлять 900 1000°С.
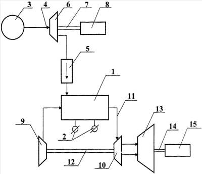
В дальнейшем изобретение поясняется описанием примеров его выполнения и чертежом, на котором изображена принципиально-функциональная схема энергетической установки для самолета с использованием топливных элементов, согласно изобретению.
Лучшим вариантом осуществления изобретения является энергетическая установка для самолета, содержащая химический реактор 1 для выработки электричества посредством электрохимической реакции.
Химический реактор 1 содержит батарею высокотемпературных твердооксидных топливных элементов (ТОТЭ), соединенную с системами подачи водорода и окислителя. В ходе электрохимической реакции окисления водорода возникает разность потенциалов и таким образом вырабатывается электрический ток, отбираемый (отводимый) для потребления с выхода 2.
Система подачи топлива включает баллон 3 с водородом, сжатым до высокого давления порядка 70 МПа. Баллон может быть выполнен из композиционного материала, выдерживающего давление не менее 70 МПа.
Система подачи топлива включает также дополнительное устройство для снижения давления сжатого водорода до рабочего давления, с которым водород поступает в химический реактор 1 на анодную поверхность ТОТЭ.
Устройство для снижения давления сжатого водорода до рабочего давления выполнено в виде расширительной турбины 6.
Вход 4 турбины соединен с баллоном 3 с сжатым водородом, а выход через редуктор 5 связан с входом в химический реактор 1. Давление на выходе турбины 4 является рабочим давлением, с которым водород поступает в электрохимический реактор 1. Величина рабочего давления приспособлена к обеспечению максимизации адсорбции водорода анодной поверхностью при рабочей температуре выше критической и составляет примерно 1 МПа.
На валу 7 расширительной турбины 6 установлен электрогенератор 8, который служит для дополнительной выработки электрического тока при вращении турбины 6 потоком водорода.
Система подачи окислителя содержит компрессор 9 для сжатия атмосферного воздуха и использует в качестве окислителя кислород воздуха.
Энергетическая установка содержит также выходную турбину 10, соединенную с химическим реактором 1 трубопроводом 11 для отвода газа от химического реактора 1. На валу 12 выходной турбины 10 установлен компрессор 9.
Энергетическая установка содержит также дополнительную турбину 13, входом связанную с выходной турбиной 10.
На валу 14 дополнительной турбины 13 установлен электрогенератор 15, который служит для дополнительной выработки электрического тока при вращении выходной турбины 10 потоком отходящих газов из химического реактора 1.
Химический реактор 1 содержит батарею высокотемпературных твердооксидных топливных элементов, характеризующихся высоким рабочим ресурсом и рабочей температурой выше критической при осуществлении электрохимической реакции.
Величина рабочего давления, с которым водород поступает к топливным элементам, приспособлена к обеспечению максимизации адсорбции водорода анодной поверхностью при температуре выше критической, согласно следующему.
Количество адсорбированного газа увеличивается в зависимости от увеличения давления газа по «изотерме Фрейндлиха»: CA=С(p/po)1/n, где
CA – концентрация адсорбированного газа,
С – константа адсорбции,
р – давление газовой среды, омывающей твердое тело,
po – нормальное (атмосферное) давление,
n – показатель изотермы Фрейндлиха.
При величине показателя изотермы n, равной 5-10, увеличение концентрации абсорбированного газа с увеличением давления незначительно. Но если температура Т адсорбирующей поверхности превысит некоторую критическую температуру Ткр, то величина показателя изотермы n понижается до величины n 1,
При рабочем давлении порядка 1 МПа и температуре Т=900 1000°С обеспечивается минимальный вес батареи топливных элементов.
Установка работает следующим образом.
Водород, сжатый до высокого давления порядка 70 МПа, из баллона 3 поступает на вход 4 расширительной турбины 6. В расширительной турбине 6 происходит снижение давления до рабочего давления порядка 1 МПа, с которым водород поступает в электрохимический реактор 1.
На другой вход электрохимического реактора 1 компрессором 9 подается сжатый атмосферный воздух.
При смешении водорода и кислорода воздуха в реакторе 1 происходит электрохимическая окислительная реакция. В ходе электрохимической реакции окисления водорода возникает разность потенциалов и таким образом вырабатывается электрический ток, который отбирают для потребления с выхода 2.
Водород, поступающий в электрохимический реактор 1, адсорбируется анодной поверхностью топливного элемента при повышенном рабочем давлении и температуре выше критической. Эти давление и температура обеспечивают физико-химические условия для дополнительной адсорбции водорода на поверхности топливного элемента, приближая концентрацию адсорбируемого водорода к максимальной.
Интенсифицированная абсорбция водорода повышает массовую производительность и тем самым разность потенциалов и вырабатываемую энергетическую мощность топливных элементов.
Поток водорода вращает расширительную турбину 6, которая приводит в движение генератор 8. Генератор 8 вырабатывает для потребления дополнительный электрический ток.
Образующиеся при окислительной реакции электродные газы, находящиеся в электрохимическом реакторе 1 под повышенным давлением и при высокой температуре, с выхода реактора 1 по трубопроводу 11 поступают на вход выходной турбины 10. Турбина 10 приводит в движение компрессор 9 и дополнительную турбину 13, которая приводит в движение генератор 15, также вырабатывающий для потребления дополнительный электрический ток.
Высокая температура делает возможным создание комбинированных энергетических установок, в которых остаточное тепло электродных газов, покидающих топливную батарею, используют для получения дополнительной электроэнергии.
Увеличение мощности, сопровождается одновременным увеличением КПД ТОТЭ. Суммарный КПД энергетической установки, согласно изобретению, в целом при выработке электроэнергии генераторами 8 и 15 приближется к 90%.
Ресурс ТОТЭ на порядок превосходит ресурс ТПТЭ и превышает 10000 часов (против 1000 часов ТПТЭ).
Формула изобретения
1. Энергетическая установка для самолета с использованием топливных элементов, содержащая электрохимический реактор, включающий батарею топливных элементов, использующих водород, поступающий на анодную поверхность, в качестве топлива, и окислитель, системы подачи топлива и окислителя, отличающаяся тем, что содержит батарею высокотемпературных твердооксидных топливных элементов, вырабатывающих электричество посредством электрохимической реакции между водородом и кислородом при повышенных рабочих температуре и давлении, система подачи топлива включает баллон с водородом, сжатым до высокого давления порядка 70 МПа, и дополнительное связанное с баллоном устройство для снижения давления сжатого водорода до повышенного рабочего давления, равного примерно 1 МПа.
2. Энергетическая установка для самолета по п.1, отличающаяся тем, что содержит устройство для снижения давления сжатого водорода, выполненное в виде расширительной газовой турбины, снижающей высокое давление водорода до повышенного рабочего давления, и электрогенератор, установленный на одном валу с турбиной.
3. Энергетическая установка для самолета по п.1 или 2, отличающаяся тем, что система подачи окислителя содержит компрессор для сжатия атмосферного воздуха и использует в качестве окислителя кислород воздуха, при этом установка дополнительно содержит выходную турбину, соединенную с химическим реактором трубопроводом для отвода газа от химического реактора, и установленную на одном валу с компрессором для сжатия атмосферного воздуха, и дополнительную турбину, входом связанную с выходной турбиной, на валу которой установлен электрогенератор для выработки дополнительного электрического тока.
4. Энергетическая установка для самолета по п.1, отличающаяся тем, что баллон с водородом выполнен из композиционного материала, выдерживающего давление не менее 70 МПа.
5. Энергетическая установка для самолета по п.1, отличающаяся тем, что рабочая температура составляет 900 – 1000°С.
РИСУНКИ
|