| На основании пункта 1 статьи 1366 части четвертой Гражданского кодекса Российской Федерации патентообладатель обязуется заключить договор об отчуждении патента на условиях, соответствующих установившейся практике, с любым гражданином Российской Федерации или российским юридическим лицом, кто первым изъявил такое желание и уведомил об этом патентообладателя и федеральный орган исполнительной власти по интеллектуальной собственности. |
|
(21), (22) Заявка: 2008122829/09, 05.06.2008
(24) Дата начала отсчета срока действия патента:
05.06.2008
(43) Дата публикации заявки: 10.12.2009
(46) Опубликовано: 10.06.2010
(56) Список документов, цитированных в отчете о поиске:
RU 65775 U1, 27.08.2007. RU 2127948 C1, 20.03.1999. RU 2289209 C1, 10.12.2006. JP 2005149478 A, 09.06.2005.
Адрес для переписки:
603076, г.Нижний Новгород, пр-т Ленина, 44, кв.32, Ю.В. Кононову
|
(72) Автор(ы):
Кононов Юрий Вениаминович (RU)
(73) Патентообладатель(и):
Кононов Юрий Вениаминович (RU)
|
(54) ЭЛЕКТРОННАЯ СХЕМА УСТРОЙСТВА ПОДАЧИ КОМАНДНОГО СИГНАЛА
(57) Реферат:
Изобретение относится к электронным устройствам сигнализации и предназначено для автоматической подачи командного сигнала на индикацию. Технический результат заключается в повышении быстродействия и достоверности устройства. Он достигается тем, что предложена электронная схема устройства подачи командного сигнала, содержащая источник питания, первый вывод которого подключен к входу датчика угла и направления наклона, выходы которого подключены к первому каналу прохождения сигнала, содержащего последовательно соединенные элемент памяти, блок задержки сигнала, выполненный на одновибраторах, блоки индикации, при этом в нее введены параллельно подключенные к выходам датчика угла и направления наклона вторые каналы прохождения сигнала, содержащие последовательно соединенные элемент памяти, блок задержки сигнала, в котором элементы задержки сигнала выполнены на счетчиках импульсов, блок индикации. 1 ил.
Изобретение относится к электронным устройствам сигнализации и предназначено для автоматической подачи командного сигнала на индикацию.
Известно устройство подачи командного сигнала на индикацию, например мобильный телефон. В этом устройстве командный сигнал на индикацию подают нажатием нужной кнопки на телефоне.
Наиболее близким по технической сущности является устройство по патенту РФ 65775 на полезную модель «Электронная схема устройства подачи командного сигнала», МКИ А63Н 3/33.
Эта схема содержит источник питания, первый вывод которого подключен к входу датчика угла и направления наклона, выходы которого подключены к каналу прохождения командного сигнала, содержащего последовательно соединенные элемент памяти, блок задержки сигнала, блоки индикации.
Недостатком известного устройства является невысокое быстродействие и функциональность устройства. Указанный недостаток устраняется тем, что в известное устройство, содержащее источник питания, первый вывод которого подключен к входу датчика угла и направления наклона, выходы которого подключены к первому каналу прохождения сигнала, содержащего последовательно соединенные элемент памяти, блок задержки сигнала, выполненный на одновибраторах, блоки индикации, с целью повышения быстродействия устройства введены параллельно подключенные к выходам датчика угла и направления наклона, вторые каналы прохождения сигнала, в которых блоки задержки сигнала выполнены на счетчиках импульсов.
Задержка командного сигнала по первому каналу прохождения командного сигнала защищает устройство от несанкционированного, случайного срабатывания, но не способствует быстрому выбору элемента индикации в блоке индикации.
Задержка командного сигнала, на счетчике импульсов во втором канале прохождения командного сигнала, повышает быстродействие устройства.
Счетчик импульсов позволяет осуществить выбор нужного элемента индикации в блоке индикации быстрее, чем одновибратор. Например, одновибратор настроен на срабатывание через 10 секунд. За это время могут сработать 5 счетчиков и подать сигнал на 5 элементов индикации в блоке индикации.
Подача командного сигнала по параллельным каналам прохождения командного сигнала повышает достоверность устройства.
Вышеуказанное устройство может найти применение:
– для построения пультов управления без наружных кнопок на корпусе пульта управления,
– для создания противоугонных устройств автомобиля,
– для вызова экстренной помощи в чрезвычайной ситуации, например, человеку, оказавшемуся в чрезвычайной ситуации и не способного самостоятельно нажать нужную кнопку вызова помощи на пульте,
– для создания устройств контроля над углом и направлением наклона объекта,
– для создания сигнальных устройств.
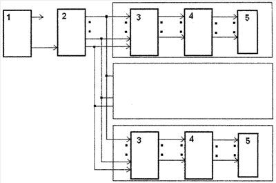
На чертеже представлена функциональная схема устройства.
Устройство содержит источник 1 питания, датчик 2 угла и направления наклона, параллельные каналы прохождения командного сигнала, в каждом из которых элемент 3 памяти, блок 4 задержки сигнала, блоки 5 индикации.
Датчик 2 угла и направления наклона выполнен из диэлектрика. В корпусе датчика 2 угла и направления наклона имеется полость цилиндрической формы. Нижняя часть полости, дно цилиндра, имеет форму чаши. Верхняя часть полости закрыта крышкой.
Внутри датчика 2 угла и направления наклона расположены: неподвижные электроды и подвижный электрод, например металлический шарик.
На поверхности дна цилиндра, по концентрической окружности чаши, расположены два изолированных друг от друга электрода. Первый электрод, нижний, расположен в нижней части чаши. Второй электрод, средний, расположен в верхней части чаши. На цилиндрической поверхности полости, сегментами по числу фиксируемых направлений наклона, расположены третьи, верхние, электроды датчика угла и направления наклона. Количество верхних электродов датчика угла и направления наклона определяет нужное число фиксируемых направлений наклона датчика наклона. Между всеми неподвижными электродами имеется зазор. Зазор между электродами достаточен для замыкания смежных неподвижных электродов подвижным электродом, при перемещении подвижного электрода между ними.
Величину угла наклона на замыкание и размыкание неподвижных электродов подвижным электродом задают размерами подвижного электрода, а также формой и размерами неподвижных электродов датчика 2 угла и направления наклона. На внешней стороне корпуса датчика 2 угла и направления наклона расположены выводы от неподвижных электродов датчика угла и направления наклона.
Вывод от нижнего электрода датчика 2 угла и направления наклона является вторым выходом датчика 2 угла и направления наклона.
Вывод от среднего электрода датчика 2 угла и направления наклона является входом датчика 2 угла и направления наклона.
Выводы от соответствующих верхних электродов датчика 2 угла и направления наклона являются соответствующими первыми выходами датчика 2 угла и направления наклона.
Элемент 3 памяти может быть выполнен на R-S триггерах, по числу верхних электродов датчика. Первые входы триггеров являются первыми входами элемента памяти. Вторые входы триггеров объединены между собой и являются вторым входом элемента памяти. Выходы соответствующих триггеров являются соответствующими выходами элемента памяти.
Блок 4 задержки первого канала прохождения командного сигнала содержит по числу выходов элемента 3 памяти элементы задержки сигнала. Вход и выход соответствующего элемента задержки сигнала являются соответствующим входом и выходом блока 4 задержки сигнала.
Блок 4 задержки сигнала первого канала прохождения командного сигнала выполнен на элементах задержки – одновибраторах, не учитывающих количество импульсов, поступивших на вход элемента задержки.
Блок 4 задержки сигнала второго канала прохождения командного сигнала выполнен на элементах задержки сигнала – счетчика импульсов, учитывающих количество импульсов, поступивших на вход элемента задержки сигнала.
Задержка командного сигнала первого канала прохождения командного сигнала может быть выполнена на одновибраторе с перезапуском, например на микросхеме 561 АГ1 (СД4098).
Время задержки активного сигнала на выходе одновибратора устанавливают превышающим период случайного сигнала на входе запуска одновибратора.
Задержка командного сигнала второго канала прохождения командного сигнала может быть выполнена на двоичном счетчике, например на микросхеме К561ИЕ9.
Время задержки активного сигнала на двоичном счетчике устанавливают емкостью счетчика импульсов.
Блок 5 индикации содержит, по числу выходов блока 4 задержки сигнала, элементы индикации. Вход соответствующего элемента индикации является соответствующим входом блока 5 индикации.
Элемент индикации может быть выполнен как GSM-пейджер с функциями охраны и дистанционного управления, например GSM-автопейджер MS-PGSM (производитель ЗАО «Меджик Системс», Санкт-Петербург); как SMS модуль, например SMS модуль “Цербер”.
Датчик 2 угла и направления наклона крепят на объекте в нужном месте так, чтобы в исходном положении подвижный электрод датчика 2 угла и направления наклона находился в контакте с нижним неподвижным электродом датчика 2 угла и направления наклона.
Схема работает следующим образом. При подаче питания схему устанавливают в исходное состояние. В исходном состоянии на выходах элементов 3 памяти неактивные уровни сигнала. На выходах блоков 4 задержки неактивные уровни сигнала. На выходах блоков 5 индикации нет сигнала излучения.
При наклоне датчика 2 угла и направления наклона, на угол срабатывания датчика 2 угла и направления наклона, подвижный электрод датчика 2 угла и направления наклона замыкает сначала нижний и средний, а затем средний и один из верхних электродов. При замыкании нижнего и среднего электродов активный сигнал со второго выхода датчика угла и направления наклона поступает на второй вход элемента памяти на всех каналах прохождения командного сигнала и подтверждает установку выходов элемента 3 памяти в неактивное состояние. При замыкании среднего и одного из верхних электродов датчика 2 угла и направления наклона активный сигнал с соответствующего первого выхода датчика 2 угла и направления наклона поступает на соответствующий первый вход элемента 3 памяти каждого канала прохождения командного сигнала и на соответствующем выходе элемента 3 памяти появляется активный сигнал.
С соответствующего выхода элемента 3 памяти активный сигнал поступает на соответствующий вход блока 4 задержки. С соответствующего выхода блока 4 задержки сигнал поступает на соответствующий вход блока 5 индикации и включает блок 5 индикации на излучение сигнала.
При случайном кратковременном замыкании и размыкании неподвижных контактов датчика 2 угла и направления наклона происходит перезапуск элемента задержки, выполненном на одновибраторе, и время появления активного сигнала на выходе блока 4 задержки продлевается на заданное время. По истечении заданного времени на выходе блока 4 задержки появляется активный сигнал.
При заданном количестве замыканий и размыканий неподвижных контактов датчика 2 угла и направления наклона происходит подсчет импульсных сигналов в соответствующем элементе задержки сигнала блока 4 задержки сигнала, на втором канале прохождения командного сигнала. При заполнении соответствующего счетчика импульсов на соответствующем выходе блока 4 задержки второго канала прохождения командного сигнала появляется активный сигнал. С соответствующего выхода блока 4 задержки активный сигнал поступает на соответствующий вход блока 5 индикации.
Соответствующие блоки 5 индикации, расположенные в параллельных каналах прохождения командного сигнала, излучают сигнал.
Формула изобретения
Электронная схема устройства подачи командного сигнала, содержащая источник питания, первый вывод которого подключен к входу датчика угла и направления наклона, выходы которого подключены к первому каналу прохождения сигнала, содержащего последовательно соединенные элемент памяти, блок задержки сигнала, выполненный на одновибраторах, блоки индикации, отличающаяся тем, что в нее введены параллельно подключенные к выходам датчика угла и направления наклона вторые каналы прохождения сигнала, содержащие последовательно соединенные элемент памяти, блок задержки сигнала, в котором элементы задержки сигнала выполнены на счетчиках импульсов, блок индикации.
РИСУНКИ
|