|
|
(21), (22) Заявка: 2008152538/09, 29.12.2008
(24) Дата начала отсчета срока действия патента:
29.12.2008
(46) Опубликовано: 10.06.2010
(56) Список документов, цитированных в отчете о поиске:
RU 2284561 C1, 27.09.2006. RU 2058037 C1, 10.04.1996. SU 1418648 A1, 23.08.1988. US 6081751 A, 27.06.2000. FR 2688075 A1, 03.09.1993. DE 2063793 B2, 06.07.1976. EP 0455938 A1, 13.11.1991.
Адрес для переписки:
443100, г.Самара, ул. Молодогвардейская, 244, Главный корпус СамГТУ, патентный отдел
|
(72) Автор(ы):
Вохрышев Валерий Евгеньевич (RU)
(73) Патентообладатель(и):
Государственное образовательное учреждение высшего профессионального образования Самарский государственный технический университет (RU)
|
(54) АДАПТИВНЫЙ РЕЛЕЙНЫЙ РЕГУЛЯТОР
(57) Реферат:
Изобретение относится к области автоматики и может быть использовано в системах управления технологическими процессами в химической промышленности, теплотехнике. Техническим результатом является повышение точности в установившемся режиме работы. Адаптивный самонастраивающийся релейный регулятор содержит блок обнаружения отклонений входного сигнала от заданной величины зоны нечувствительности, индикатор экстремумов, нуль-орган, задатчики уровней выходного сигнала, переключатель, коммутирующие элементы, блок управления. Отличительная особенность регулятора заключается в возможности срыва автоколебаний в системе с последующим обеспечением заданной статической точности. Пример технической реализации алгоритма представлен с использованием пневматических элементов. 3 ил.
Изобретение относится к области автоматического управления и может быть использовано для управления динамическими объектами в химической промышленности, теплотехнике, приборостроении.
Регуляторы с релейной характеристикой (релейные регуляторы) широко распространены в технике (см., например, Цыпкин Я.З. Релейные автоматические системы. – М.: Наука, 1974. С.44-77). Известны также регуляторы с релейными характеристиками, работающие по принципу «включено-выключено» и имеющие положительный или отрицательный гистерезис (см., например, а.с. СССР 631864, 1418648, 1585778).
Наиболее близким по технической сути к заявляемому устройству является регулятор с релейной характеристикой по а.с. СССР 1418648. Опубл. БИ 31, 1988. Регулятор-прототип содержит индикатор экстремумов, нуль-орган, релейный блок, сумматор, два коммутирующих элемента, блок обнаружения отклонений, два задатчика уровней выходного сигнала.
Регулятор-прототип является релейным двухпозиционным регулятором с отрицательным переменным гистерезисом и зоной нечувствительности, величина гистерезиса в котором поставлена в линейную зависимость от амплитуды автоколебаний. Особенность его заключается в том, что переключения регулятора при его использовании в системе регулирования происходят с опережением (с «недоходом») по отношению к сигналам, определяющим границы зоны нечувствительности, и при соответствующем выборе этих сигналов можно добиться срыва автоколебаний.
Уравнение регулятора (закон управления, реализованный в регуляторе-прототипе) имеет вид:

где M(t)=хН+k·(xэ(t)-хН)-x(t), если x(t)
M(t)=xB+k·(хэ(t)-хВ)-х(t), если x(t)>хВ,
хН=x0-с, хВ=x0+с – соответственно величины, определяющие нижнюю и верхнюю границы зоны нечувствительности,
x0 – задание (заданное конечное значение регулируемой координаты x(t) (переменной)),
с – половина величины зоны нечувствительности,
k – постоянный коэффициент, меньший единицы (0 k<1),
xэ(t) – экстремальные значения регулируемой координаты, равные ее максимуму xмакс или минимуму хмин,
Sign – знаковая функция, равная +1 или -1 в зависимости от знака функции M(t),
В – величина управляющего воздействия («полка» реле),
– знак дизъюнкции.
Недостаток регулятора состоит в том, что после срыва автоколебаний регулируемая координата может оказаться в любом месте внутри зоны нечувствительности. В результате точность регулирования в установившемся режиме работы (после срыва автоколебаний) может выходить за рамки допустимых ограничений. Кроме того, в практике конструирования и применения релейных систем управления динамическими объектами с самовыравниванием, а также в тех случаях, когда выходной сигнал регулятора воздействует на исполнительный механизм, управляющий клапаном, работающим по принципу «открыто/закрыто», в системе могут возникать несимметричные относительно x0 автоколебания и статическая ошибка, устранить которую можно смещением управления на некоторую заранее неизвестную величину, которую находят методом последовательных приближений на работающем объекте. При изменении параметров объекта по тем или иным причинам требуется повторная настройка регулятора. Все это снижает точность управления.
Техническим результатом изобретения является повышение точности в установившемся режиме работы.
Технический результат достигается тем, что в регулятор с релейной характеристикой, содержащий два коммутирующих элемента, блок обнаружения отклонений, два задатчика уровней выходного сигнала, релейный блок, нуль-орган, сумматор, индикатор экстремумов, выходы которого соединены с входами релейного блока, первый вход регулятора связан со входом индикатора экстремумов и вторым инверсным входом нуль-органа, первый вход которого соединен с выходом сумматора, первый вход сумматора подсоединен к выходу релейного элемента, а второй вход сумматора связан с сигнальным выходом блока обнаружения отклонений, первый и второй сигнальные входы которого подключены соответственно к первому и второму входам регулятора, а управляющий выход – к управляющему входу второго коммутирующего элемента, выход нуль-органа соединен с управляющим входом первого коммутирующего элемента, первый и второй информационные входы которого подключены соответственно к выходам первого и второго задатчиков уровня выходного сигнала, а выход – к первому информационному входу второго коммутирующего элемента, выход которого подключен к выходу регулятора, дополнительно введены третий задатчик уровня выходного сигнала и блок управления, первый, второй и третий информационные входы которого соединены соответственно с выходом третьего задатчика уровня выходного сигнала, с первым и вторым входами регулятора, а выход – со вторым входом второго коммутирующего элемента.
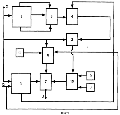
Регулятор изображен на фиг.1, где представлена его блок-схема, и фиг.2, которая иллюстрирует пример конкретного выполнения регулятора на пневматических элементах УСЭППА.
Регулятор содержит (фиг.1) индикатор экстремумов 1, нуль-орган 2, релейный блок 3, сумматор 4, блок 5 обнаружения отклонений, блок управления 6, второй 7 и первый 10 коммутирующие элементы, первый 8, второй 9 и третий 11 задатчики уровней выходного сигнала, x – регулируемая координата, x0 – сигнал задания, u – выход регулятора,
Первый вход регулятора (переменная – x) соединен с входом индикатора экстремумов 1, со вторым входом блока обнаружения отклонений 5, вторым входом блока управления 6 и вторым (инверсным) входом нуль-органа 2, второй вход регулятора x0 связан с первым информационным входом блока 5 и первым входом блока управления 6, информационный выход блока 5 соединен со вторым входом сумматора 4, выход которого соединен с первым входом нуль-органа 2. Выходы индикатора экстремумов соединены со входами релейного блока 3, выход которого соединен с первым входом сумматора 4, выход нуль-органа 2 связан с управляющим входом коммутирующего элемента 10, коммутационные входы которого подключены к выходам задатчиков 8 и 9, а выход – к первому входу второго коммутирующего элемента 7, второй вход которого соединен с выходом блока управления 6. Управляющий выход блока обнаружения отклонений 5 соединен с управляющим входом коммутирующего элемента 7, выход которого связан с выходом регулятора U.
Подобное соединение элементов позволяет реализовать следующий закон управления:

где M(t)=хН+k·(хэ(t)-хН)-x(t), если x(t)<хН,
M(t)=хВ+k·(xэ(t)-хВ)-х(t), если x(t)>хВ,
– знак дизъюнкции,

где В1 – выходной сигнал третьего задатчика, B2(t)=f(x0-x(t)) – сигнал, формируемый в блоке управления как функция ошибки, который может меняться по интегральному закону – в виде (И-закон), или ПИ-закону – , или ПИД – закону, или другому.
k1, k2, k3 – постоянные коэффициенты.
Из выражения (2) видно, что отличие его от уравнения (1) заключается в наличии переменного члена B0(t), автоматическое изменение которого в функции ошибки позволяет устранить статическую ошибку, чем и достигается заявленный технический результат.
Рассмотрим работу отдельных элементов регулятора и устройства в целом по Фиг.2.
Индикатор 1 экстремумов (АС 482757. БИ 32, 1975) работает следующим образом. При изменении регулируемой координаты, например, в сторону уменьшения на выходе элемента 11 запоминается сигнал хмакс при х(t)<(xмакс+а), где а – величина сдвига, настраиваемая в элементе 11 запоминания, элемент 16 срабатывает и отключает элемент запоминания 11, закрыв верхний контакт реле 14, а выход элемента запоминания 18 через другой контакт реле 14 соединяется с вторым входом элемента 16 сравнения. При дальнейшем уменьшении сигнала выходной сигнал элемента 16 сравнения не изменяется. С увеличением входного сигнала на выходе элемента 18 запоминания запоминается xмин, элемент 16 сравнения принимает исходное положение, а второй вход элемента 16 сравнения вновь соединяется с выходом элемента 11 запоминания максимума. Повторители 12 и 13 обеспечивают гальваническую развязку сигналов хмакс, xмин. Пневмоемкость 15 обеспечивает сохранение сигналов при переключениях реле 14.
Релейный блок 3 (двухконтактное реле) обеспечивает коммутацию xмакс, xмин по команде с выхода элемента 16 сравнения на вход сумматора 4. Последний выполнен по схеме дроссельного сумматора. Его выход равен (1-k)·х1+k·хЭ, где k=d/(d+b), d и b – проводимости дросселей сумматора, х1 и хэ – сигналы, действующие на входах сумматора 4.
Блок обнаружения отклонений – устройство, формирующее дискретный сигнал на своем первом выходе, если входной сигнал х становится меньше сигнала хН или больше сигнала хВ, которые определяют нижнюю и верхнюю границы зоны нечувствительности. Он содержит (фиг.2) повторители со сдвигом 17 и 18, входы которых соединены с каналом задания x0, а выходы – со входами элементов 19 и 20. С помощью элементов 17 и 18 задается зона допустимых отклонений соответственно +с и -с относительно задания. При этом, если сигнал x(t) меньше сигнала хН, то срабатывает элемент 20, его выходной сигнал через элемент ИЛИ 23 появляется на первом выходе блока 5 и одновременно переключает реле 22, обеспечивая коммутацию сигнала хН на второй выход блока 5 через усилитель 21. Если x(t) xH, элемент 20 принимает исходное состояние, его выходной сигнал переключает реле 22 и на информационном выходе блока 5 появляется сигнал хВ. Если x(t) хВ, то срабатывает элемент 19 и его выходной сигнал появляется через элемент ИЛИ 23 на выходе блока 5. Элемент 20 при этом находится в исходном состоянии, и на выход реле 22 проходит по-прежнему сигнал хВ. Если входной сигнал находится в зоне допустимых отклонений, то на выходах элементов 19 и 20 – «0».
Элементы коммутации 10 и 7 – реле, включенные по схеме коммутации двух сигналов. Эти элементы обеспечивают при наличии дискретных управляющих сигналов на выходах блока 5 и нуль-органа 2 коммутацию на выход блока 7 сигнала управления u, который равен выходным сигналам задатчиков 8 или 9, если выход нуль-органа 2 соответственно «1» или «0», а выходной сигнал блока 5 – «1» (в этом случае регулируемый входной сигнал х находится вне зоны нечувствительности). Если же выходной дискретный сигнал блока 5 равен «0» (в этом случае переменная х находится в зоне нечувствительности регулятора), на выход регулятора коммутируется сигнал с выхода блока управления 6.
Блок управления 6 в данном примере технической реализации устройства представляет собой типовую схему интегратора, содержащего усилитель 24, пневмоемкость 27, переменный дроссель 29 и усилитель мощности 25. Кроме того, в блок 6 введен дроссельный сумматор 26 и усилитель мощности 28. Входами блока 6 являются сигнал задания x0, сигнал переменной х и выходной сигнал третьего задатчика 11, который суммируется с выходным сигналом интегратора в сумматоре 26. В результате на выходе блока 6 формируется сигнал, величина которого определяется выражением (3).
Рассмотрим работу регулятора в целом. Пусть входная координата x(t) изменяется от нуля в сторону увеличения. В момент включения срабатывает элемент 20, на выходе которого «1». В результате на информационном выходе блока 5 формируется сигнал хН, который с элемента 18 через открытый выходным сигналом элемента 20 верхний контакт реле 22, усилитель 21 подается на вход сумматора 4, на другом входе которого действует выходной сигнал индикатора экстремумов 1 хэ=хмин=0. Выходной сигнал сумматора 4 соединяется с прямым входом нуль-органа 2. В результате величина выходного сигнала нуль-органа 2 равна «1». Этот сигнал переключает реле 10, и выходной сигнал задатчика 9 через верхние открытые контакты реле 10 и 7 проходит на выход регулятора. Этот сигнал равен +В. Дальнейшее увеличение сигнала переменной x(t) до величины x(t)=(1+k)·хН приводит к переключению нуль-органа 2 и элемента 10, и на выход регулятора проходит сигнал -В с задатчика 8. Как только переменная x(t) достигает нижней границы зоны нечувствительности хН, на сигнальном выходе блока 5 «0», который переключает реле 22 и 7, через нижний открытый контакт которого на выход регулятора проходит сигнал «условный нуль» или «смещение» B0(t) с выхода блока управления 6, а на вход сумматора 4 – сигнал хВ с выхода элемента 17. Разность сигналов, действующих на входе нуль-органа 2 (1+k)·хВ-x(t), остается по-прежнему положительной. Поэтому выходной сигнал нуль-органа 2 не меняется. Когда входной сигнал достигает верхней границы зоны нечувствительности хВ, срабатывает элемент 19, выходной сигнал которого переключает реле 7, и через его открытый нижний контакт на выход регулятора вновь проходит сигнал с задатчика 8. При изменении входного сигнала в сторону уменьшения на выходе индикатора экстремумов запоминается сигнал хмакс, и состояние нуль-органа 2 теперь будет определяться суммой сигналов M(t)=xB+k(xmaкс(t)-xB)-x(t). Когда сигнал M(t) обращается в нуль, срабатывает нуль-орган 2. Его выходной сигнал переключает реле 10, и на выход регулятора проходит сигнал с задатчика 8, который равен -В. Однако выходной сигнал нуль-органа 2 по-прежнему не меняется и остается равным «0», поскольку сигнал M(t)<0. Когда сигнал M(t) становится равным нулю, меняется состояние нуль-органа 2 с «1» на «0», происходит переключение реле 10, и на выход регулятора проходит сигнал с задатчика 9. Сигнал управления становится равным +В. Когда сигнал x(t) становится равным сигналу хВ, срабатывает элемент 19 и переключает реле 7. В результате к выходу регулятора вновь подключается сигнал B0(t) с выхода блока управления 6. Этот сигнал является переменным. Его изменение прекращается в том случае, когда величина разности сигналов, действующих на входах элемента 24, не станет равной нулю.
Далее цикл повторяется.
На Фиг.3, полученной методом цифрового моделирования релейной системы с заявляемым регулятором и объектом с передаточной функцией
,
приведены графики переходных процессов (переменной, управления и сигнала смещения). Здесь же указаны заданное конечное значение переменной и границы зоны нечувствительности. Алгоритм функционирования релейного регулятора реализует закон (2). Объект управления переводится из заданного начального состояния х(0)=0 в конечное состояние x0=0.5. Настройки и параметры регулятора имели следующие значения: В=0.3, k=0.28, с=0.08, хН=0.42, xB=0.58, k2=0.003, k1·В1=0.25 Нетрудно видеть, что моменты переключения управления точно соответствуют закону (2) и описанию работы устройства. Срыв автоколебаний здесь происходит за одно переключение управления, а в зоне нечувствительности величина сигнала B0(t) «подтягивается» блоком управления к величине, при которой статическая ошибка в системе равна нулю.
Настройка регулятора связана с установками коэффициента k и выходных сигналов источников 8, 9 таким образом, чтобы амплитуда автоколебаний в системе была бы не больше заданной величины зоны нечувствительности, которая задается произвольно. Выходной сигнал источника 11 устанавливается также произвольно. Блок управления настраивается так, чтобы процессы в системе были сходящимися.
Таким образом, заявляемое устройство относится к классу адаптивных самонастраивающихся по временным характеристикам релейным регуляторам, способным функционировать в условиях неопределенности параметров объекта и среды. Блок управления, автоматически изменяющий параметры регулятора, обеспечивает устранение ошибки в установившемся режиме работы.
Формула изобретения
Адаптивный релейный регулятор, содержащий два коммутирующих элемента, блок обнаружения отклонений, два задатчика уровней выходного сигнала, релейный блок, нуль-орган, сумматор, индикатор экстремумов, выходы которого соединены с входами релейного блока, первый вход регулятора связан с входом индикатора экстремумов и вторым инверсным входом нуль-органа, первый вход которого связан с выходом сумматора, первый вход сумматора подсоединен к выходу релейного элемента, а второй вход которого связан с сигнальным выходом блока обнаружения отклонений, первый и второй сигнальные входы которого подключены соответственно к первому и второму входам регулятора, а управляющий выход – к управляющему входу второго коммутирующего элемента, выход нуль-органа соединен с управляющим входом первого коммутирующего элемента, первый и второй информационные входы которого подключены соответственно к выходам первого и второго задатчиков уровня выходного сигнала, а выход – к первому информационному входу второго коммутирующего элемента, выход которого подключен к выходу регулятора, дополнительно введены третий задатчик уровня выходного сигнала и блок управления, первый, второй и третий информационные входы которого соединены соответственно с выходом третьего задатчика уровня выходного сигнала, с первым и вторым входами регулятора, а выход – со вторым входом второго коммутирующего элемента.
РИСУНКИ
,
|
|