|
(21), (22) Заявка: 2008116011/28, 22.04.2008
(24) Дата начала отсчета срока действия патента:
22.04.2008
(43) Дата публикации заявки: 10.11.2008
(46) Опубликовано: 10.06.2010
(56) Список документов, цитированных в отчете о поиске:
RU 2094829 C1, 27.10.1997. RU 2134893 C1, 20.08.1999. RU 2231089 C1, 20.06.2004. CA 2299743 A1, 22.08.2001. US 5796253 A, 18.08.1998.
Адрес для переписки:
353461, Краснодарский край, г. Геленджик-1, а/я 42, С.И. Котяшкину
|
(72) Автор(ы):
Небрат Александр Григорьевич (RU)
(73) Патентообладатель(и):
Небрат Александр Григорьевич (RU)
|
(54) СПОСОБ ГЕОЭЛЕКТРОРАЗВЕДКИ НЕФТЕГАЗОВЫХ МЕСТОРОЖДЕНИЙ С ПРОГНОЗОМ УГЛЕВОДОРОДНОГО НАСЫЩЕНИЯ
(57) Реферат:
Использование: в геоэлектроразведке по технологии вызванной поляризации (ВП) для зондирования становлением электромагнитного поля (ЭМП) в ближней зоне при разведке месторождений углеводородов (УВ) и идентификации их типа. Сущность: на исследуемом профиле возбуждают импульсное электромагнитное поле (ЭМП). В паузах между импульсами возбуждающего тока измеряют суммарную переходную характеристику напряженности полного ЭМП. О наличии месторождения углеводородов судят на основании сравнения измеренной в паузах между импульсами тока величины компоненты индукционной вызванной поляризации напряженности ЭМП с теоретически рассчитываемой величиной. Дополнительно измеряют значения компоненты напряженности ЭМП, обусловленной процессом ВП, на заданном интервале линейного профиля и значения фона ВП на этом же интервале. Идентификацию типа углеводородов осуществляют по повышенным или пониженным относительно фона аномальным значениям измеренных параметров ВП. Технический результат: повышение достоверности обнаружения залежей УВ и информативности поиска при однозначной идентификации типа УВ (нефть или газ). 5 ил.
Техническое решение относится к способам геоэлектроразведки по технологии вызванной поляризации (ВП) для зондирования становлением электромагнитного поля (ЭМП) в ближней зоне (ЗСБ) и может быть использовано при изучении геоэлектрического разреза и при разведке месторождений полезных ископаемых, включая месторождения углеводородов (УВ) и идентификацию их типа (раздельный прогноз нефти или газа).
Известная технология геоэлектроразведки [6-9] методом ЗСБ ЭМП основана на изучении переходных процессов, происходящих в земле при искусственном возбуждении ЭМП прямоугольными импульсами постоянного тока, и включает возбуждение импульсного ЭМП и измерения переходного процесса в паузах между импульсами тока. О геологическом строении судят по кривой становления поля, которая после специальной обработки представляется в форме геоэлектрического разреза. Но традиционная технология ЗСБ геоэлектроразведки обладает недостаточной помехозащищенностью и разрешающей способностью для корректной реализации прямых метод разведки полезных ископаемых. Идентификация типа УВ в традиционных технологиях не представляется возможной.
В последнее время запатентован ряд способов геоэлектроразведки [3-6], реализующих ЗСБ с выделением эффекта индукционной вызванной поляризации (ИВП). Эти технические решения основаны на экспериментально установленном и теоретически обоснованном [1, 7-9]) свойстве зондирующего ЭМП, заключающемся в том, что вызванная поляризация (ВП) ЭМП обусловливается двумя составляющими: процессом ВП и индукционной вызванной поляризацией (ИВП). Регистрация данных при технологии ЗСБ-ИВП и последующая обработка и интерпретация измерений геоэлектрического разреза позволяют по сравнению с традиционными способами получить качественно новый технический результат электроразведки: повысить разрешающую способность и достоверность получаемого разреза за счет выделения осцилляции напряженности ЭМП ИВП (за счет эффектов более тонкой структуры).
Общими признаками способов геоэлектроразведки [2-6] являются: выполнение исследований геологической среды вдоль профиля наблюдения путем возбуждения импульсов тока в исследуемой среде и определение параметров становления поля и ВП исследуемой среды, построение геологического разреза вынесение суждения о наличии залежей УВ по выявленным аномалиям поля становления и параметров ВП.
Так, способ геоэлектроразведки [3] предусматривает измерение ЭМП в паузах между импульсами тока, определение параметров ВП и постоянной времени спада разности потенциалов ВП и построение временных разрезов по этим параметрам. Способ [2] электроразведки при поисках нефтегазовых месторождений заключается в возбуждении ЭМП, приеме значений ЭМП в паузах между импульсами ЭМП и обработке данных методом становления ЭМП: определение средних значений и приращений на заданном интервале с последующим вынесением суждения о наличии в пределах исследуемого района нефтегазовых залежей, их контуров и глубины залегания.
Однако при реализации способов [2, 3] не может быть осуществлена адекватная комплексная обработка всей совокупности измерений и, тем более, – идентификация типа УВ в месторождении.
Способ [1] геоэлектроразведки, принятый за прототип, включает возбуждение импульсного ЭМП на исследуемом профиле и измерение в паузах между импульсами тока суммарной переходной характеристики g(t) в виде трех процессов: становления, вызванной поляризации (ВП) и индукционной вызванной поляризации (ИВП) в зависимости от времени t
g(t)=gC(t)+gВП(t)+gИВП(t),
где g(t) – напряженность полного ЭМП;
gС(t) – компонента напряженности переходной характеристики становления ЭМП;
gВП(t) – компонента напряженности ЭМП, обусловленная процессом ВП;
gИВП(t) – компонента ИВП напряженности ЭМП,
причем о наличии месторождения углеводородов судят на основании сравнения измеренной в паузах между импульсами тока величины компоненты ИВП gИВП(t) с теоретически рассчитываемой величиной gИВП,теор(t, ), где – удельное электрическое сопротивление, обусловленное процессом ВП при выключении тока.
В способе [1], как и в других известных способах [2-4], обрабатывают средние значения измеряемых сигналов геоэлектрического поля, и он не предусмотрен для анализа вероятностно-статических характеристик значений параметров, что ограничивает его информативность и, как следствие, достоверность и надежность обнаружения залежей УВ. Основным недостатком способа [1], как и других известных способов, является невозможность идентификации типа УВ (раздельного прогноза УВ насыщения: нефть или газ).
Сущность предлагаемого технического решения заключается в создании способа для поиска и разведки нефтегазовых месторождений по результатам измерений ВП, позволяющего на основе нового поискового критерия (значений параметров ВП относительно фона на заданном интервале профиля измерений) идентифицировать тип УВ месторождения.
Техническое решение основано на выявленной по результатам проведенных авторами геоэлектрических измерений зависимости отображения типа УВ в виде экстремальных значений параметра ВП: нефтяным месторождениям соответствуют зоны повышенных над фоном значений параметра ВП, а газовым месторождениям – зоны пониженных относительно фона значений параметра ВП.
Основной технический результат предлагаемого способа – повышение достоверности обнаружения залежей УВ и информативности поиска при однозначной идентификации типа УВ (нефть или газ). Способ позволяет осуществить синергию обработки данных по новому поисковому критерию с традиционной технологией выявления аномалий типа залежи в средних значениях геофизических параметров.
Технический результат достигается следующим образом.
Способ геоэлектроразведки нефтегазовых месторождений включает возбуждение импульсного электромагнитного поля (ЭМП) на исследуемом профиле и измерение в паузах между импульсами тока суммарной переходной характеристики g(t) в виде трех процессов: становления, вызванной поляризации (ВП) и индукционной вызванной поляризации (ИВП) в зависимости от времени t
g(t)=gС(t)+gВП(t)+gИВП(t), (1)
где g(t) – напряженность полного ЭМП;
gС(t) – компонента напряженности переходной характеристики становления ЭМП;
gВП(t) – компонента напряженности ЭМП, обусловленная процессом ВП;
gИВП(t) – компонента ИВП напряженности ЭМП,
причем о наличии месторождения углеводородов судят на основании сравнения измеренной в паузах между импульсами тока величины компоненты ИВП gИВП(t) с теоретически рассчитываемой величиной gИВП,тeop(t, ), где – удельное электрическое сопротивление, обусловленное процессом ВП при выключении тока.
Отличительной особенностью предлагаемого способа является то, что дополнительно измеряют значения параметров ВП gВП(t, x) на заданном интервале расстояний x линейного профиля и значения фона ВП на этом же интервале, а идентификацию типа углеводородов при раздельном прогнозировании нефти или газа в выявленном месторождении осуществляют по повышенным или пониженным относительно фона аномальным значениям параметров ВП.
На фиг.1-5 проиллюстрированы сущность и технический результат, достигаемый предложенным техническим решением:
фиг.1 – пример проявления в геоэлектрических параметрах методов ВП, ЗСБ, вторичного сейсмоэлектрического эффекта (ВСЭ) и ЗСБ-ИВП, нефтяное месторождение Каневское, Краснодарский край, 2006 г.;
фиг.2 – то же для нефтяной залежи Шенгли-море, КНР, 2006 г.;
фиг.3 – пример проявления в геоэлектрических параметрах методов ВП и ЗСБ-ВСЭ для газового месторождения Бейсугское, Краснодарский край, 2007 г.;
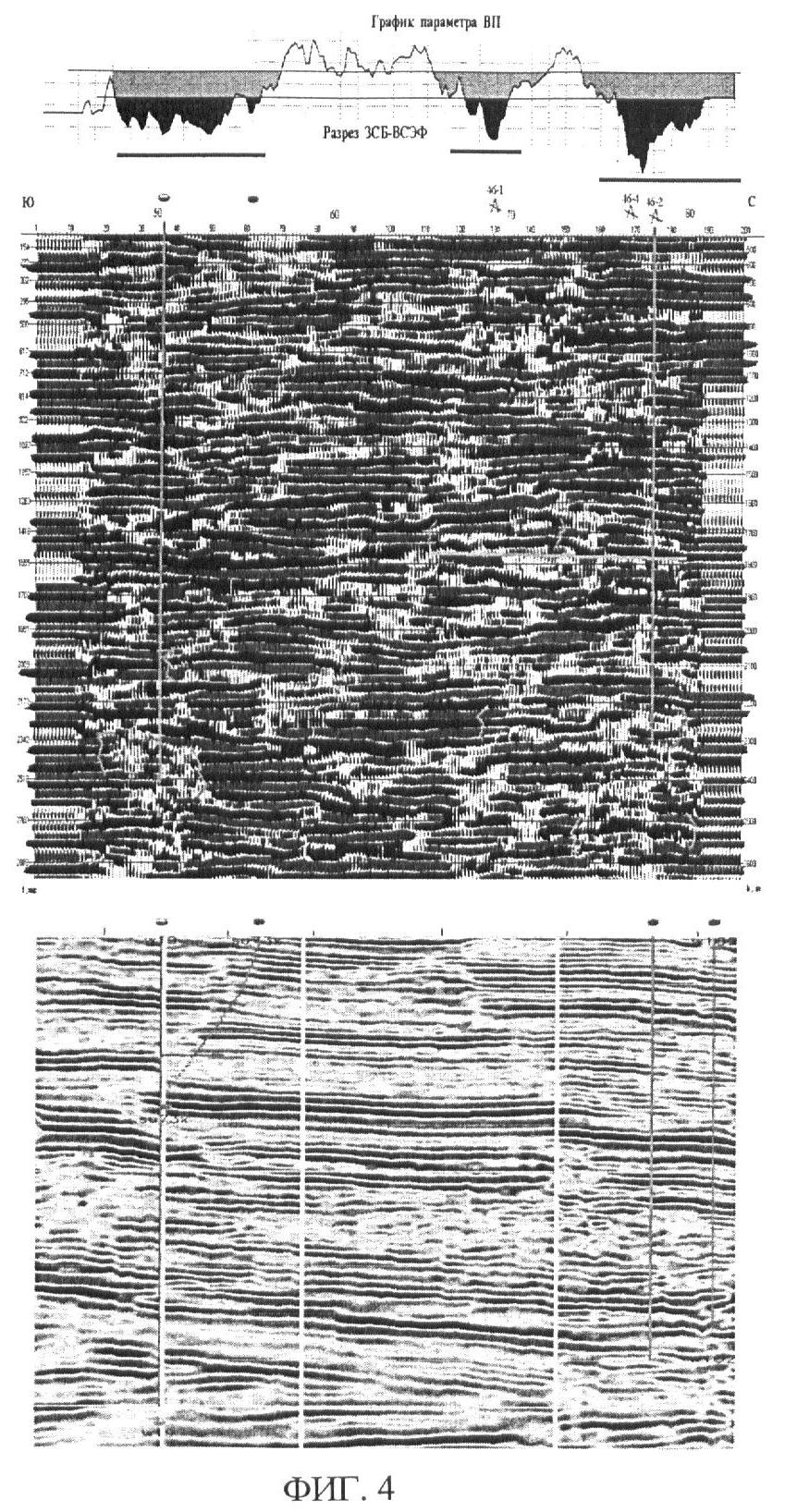
фиг.4 – то же в сравнении с сейсмическим разрезом, газовое месторождение в провинции Хуабей, КНР, 2007 г.;
фиг.5 – то же в сравнении с сейсмическим разрезом, газовое месторождение, Сирия, 2007 г.
Подтверждение осуществления предложенного способа с реализацией указанного технического результата иллюстрируется следующими примерами (фиг.1-5).
Электроразведочные работы выполняли над известными по сейсмическим данным углеводородными структурами. ЭМП возбуждали токовым импульсом прямоугольной формы длительностью 1-3. Измерения процесса становления ЭМП проводили поканально дипольно-симметричной многоканальной многоэлектродной установкой с количеством электродов в 6-8 раз больше количества каналов. Для реализации метода ЗСБ-ИВП регистрировали напряженность ЭМП ИВП в соответствии с выражением (1), а осцилляции ИВП для построения геоэлектрического разреза выделяли из измеренного сигнала полного ЭМП по методике, описанной в [1]. Наличие в исследуемом районе нефтегазовых месторождений и определение их контуров и глубины осуществляли (аналогично [1]) посредством сравнения корреляции результатов анализа данных исследуемого района с характеристиками известных эталонных (или теоретически рассчитываемых значений gИВП,теор) углеводородных залежей и/или пустых ловушек.
Идентификацию типа углеводородов (раздельное прогнозирование нефти или газа) в выявленном месторождении осуществляли по измеренным аномальным значениям параметров ВП gВП(t,x) на заданном интервале x линейного профиля и значениям фона ВП на этом же интервале. По повышенным относительно фона значениям параметра ВП УВ месторождение идентифицировали как нефтяное (фиг.1, 2), а по пониженным относительно фона значениям параметра ВП идентифицировали газовое месторождение (см. фиг.3-5).
Эмпирические данные 2006-2008 г.г. подтвердили, что признаки предложенного способа геоэлектроразведки обеспечивают качественно новый технический результат: повышение достоверности обнаружения залежей УВ и информативности поиска с однозначной идентификацией типа УВ (нефть или газ) при обработке измерений ВП по новому поисковому критерию.
ИСТОЧНИКИ ПО УРОВНЮ ТЕХНИКИ
I. Прототип и аналоги:
1. RU 2094829 С1, 27.10.1997 (прототип).
2. RU 2134893 С1, 20.08.1999 (аналог).
3. RU 2231089 С1, 20.06.2004 (аналог).
II. Дополнительные источники по уровню техники:
4. RU 2111514 С1, 20.05.1998.
5. RU 2148839 С1, 10.05.2000.
6. RU 2298210 С1, 27.04.2007.
7. Сочельников В.В. Высокоразрешающая электроразведка. – Новороссийск: Изд-во МГА им. адм. Ф.Ф.Ушакова, 2006, 41 с.
8. Сочельников В.В., Небрат А.Г. и др. Теория и практические возможности метода ЗСБ-ИВП при поисках нефти и газа. – Физика Земли, 6, 1994, с.54-56.
9. Электроразведка: Справочник геофизика. – М.: Недра, 1980, с.329-355, 402-406.
Формула изобретения
Способ геоэлектроразведки нефтегазовых месторождений путем возбуждения импульсного электромагнитного поля (ЭМП) на исследуемом профиле и измерения в паузах между импульсами тока суммарной переходной характеристики g(t) в виде трех процессов: становления, вызванной поляризации (ВП) и индукционной вызванной поляризации (ИВП) в зависимости от времени t g(t)=gС(t)+gВП(t)+gИВП(t), где g(t) – напряженность полного ЭМП; gС(t) – компонента напряженности переходной характеристики становления ЭМП; gВП(t) – компонента напряженности ЭМП, обусловленная процессом ВП; gИВП(t) – компонента ИВП напряженности ЭМП, причем о наличии месторождения углеводородов судят на основании сравнения измеренной в паузах между импульсами тока величины компоненты ИВП gИВП(t) с теоретически рассчитываемой величиной gИВП,теор(t, ), где – удельное электрическое сопротивление, обусловленное процессом ВП при выключении тока, отличающийся тем, что дополнительно измеряют значения параметров ВП gВП(t,x) на заданном интервале расстояний х линейного профиля и значения фона ВП на этом же интервале, а идентификацию типа углеводородов при раздельном прогнозировании нефти или газа в выявленном месторождении осуществляют по повышенным или пониженным относительно фона аномальным значениям параметров ВП.
РИСУНКИ
|