|
(21), (22) Заявка: 2009103681/28, 04.02.2009
(24) Дата начала отсчета срока действия патента:
04.02.2009
(46) Опубликовано: 10.06.2010
(56) Список документов, цитированных в отчете о поиске:
RU 2006132155 А, 20.03.2008. RU 2010247 C1, 30.03.1994. SU 309320 A, 09.07.1971. SU 737886 A, 30.05.1980. SU 894601 А, 30.12.1981. JP 59-133469 А, 31.07.1984.
Адрес для переписки:
662972, Красноярский край, ЗАТО Железногорск, г. Железногорск, ул. Ленина, 52, ОАО “ИСС”, начальнику УИО Р.П. Туркеничу
|
(72) Автор(ы):
Ловушкин Иван Николаевич (RU), Дубенко Владимир Алимович (RU)
(73) Патентообладатель(и):
Открытое акционерное общество “Информационные спутниковые системы” имени академика М.Ф. Решетнева” (RU)
|
(54) СПОСОБ АВТОМАТИЧЕСКОГО КОНТРОЛЯ СОПРОТИВЛЕНИЯ ИЗОЛЯЦИИ ШИН ИСТОЧНИКОВ ПОСТОЯННОГО ТОКА НА КОРПУС
(57) Реферат:
Изобретение относится к измерительной технике и может быть использовано в аппаратно-программных комплексах (КПА) и в «интеллектуальных» средствах измерения сопротивлений изоляции цепей источников. Технический результат: повышение достоверности контроля сопротивления изоляции цепей гальванически связанных источников постоянного тока, расширение функциональных возможностей за счет обеспечения возможности контроля в случае преднамеренной связи общей минусовой шины с корпусом. Сущность: вначале определяют отсутствие короткого замыкания цепей источников постоянного тока на корпус. Для этого выполняют два измерения корпусного тока между общей минусовой шиной и корпусом: с включением в цепь измерителя тока ограничивающего резистора и затем с добавлением в цепь контрольного источника постоянного напряжения. По величине разницы токов судят о наличии короткозамкнутых цепей контролируемых источников постоянного тока с корпусом. При отсутствии короткого замыкания производят два измерения корпусного тока между общей минусовой шиной и корпусом с включением в цепь измерителя тока контрольного источника постоянного напряжения и без него. Вычисляют эквивалентное сопротивление изоляции по разнице измеренных токов и величине напряжения контрольного источника. 3 ил.
Изобретение относится к измерительной технике, в частности к области автоматического контроля сопротивления изоляции цепей нерегулируемых и регулируемых источников постоянного тока, гальванически связанных, имеющих одну общую шину, например минусовую, шин, находящихся под напряжением или обесточенных.
Известен способ определения сопротивления путей утечек тока на землю в электрических системах по а.с. 2010247. Этот способ применим, в частности, для определения путей утечек тока на землю полюсов гальванически связанных источников постоянного напряжения, соединенных последовательно (аккумуляторы). Поскольку каждый элемент аккумулятора имеет внутреннее сопротивление, то, шунтируя его, можно изменять напряжение на элементе и, зная напряжение на других, составить систему уравнений. При этом число элементов в системе может быть любым. Сопротивление шунта должно быть соизмеримо с величиной внутреннего сопротивления элемента.
Недостатком этого способа контроля является большое энергопотребление в процессе контроля последовательно соединенных источников электрической энергии и неработоспособность способа контроля последовательно соединенных приемников, когда сопротивление пути утечки меньше или равно сопротивлению витка. Аппаратура объекта контроля (ОК) не допускает работу при циклическом изменении напряжения питания.
Наиболее близким по технической сущности к предлагаемому способу является способ контроля сопротивления изоляции шин источников постоянного тока а. с. 309320, заключающийся в том, что перед каждым подключением контролируемой шины к чувствительному элементу ее замыкают на корпус через сопротивление, эквивалентное сопротивлению чувствительного элемента, это исключает влияние емкостного тока от конденсаторов.
Недостатком этого способа контроля является невозможность работы устройства при преднамеренной связи общей шины источников с корпусом.
Задачей предлагаемого способа является повышение достоверности контроля сопротивления изоляции на корпус цепей нерегулируемых и регулируемых источников постоянного тока, гальванически связанных, имеющих одну общую шину, например минусовую; шины могут быть под напряжением и обесточенными, и в случае преднамеренной связи общей минусовой шины с корпусом (расширение функциональных возможностей).
Эта задача достигается тем, что вначале определяют отсутствие короткого замыкания цепей источников постоянного тока на корпус, для чего выполняют два измерения корпусного тока между общей минусовой шиной и корпусом вначале с включением в цепь измерителя тока ограничивающего резистора, а затем с добавлением в цепь еще контрольного источника постоянного напряжения, вычисляют разницу двух измеренных токов и по величине этой разнице судят о наличии короткозамкнутых конкретных цепей контролируемых источников постоянного тока с корпусом, а при отсутствии короткого замыкания производят два измерения корпусного тока между общей, минусовой шиной и корпусом с включением в цепь измерителя тока контрольного источника постоянного напряжения и без него и вычисляют эквивалентное сопротивление изоляции по разнице измеренных токов и величине напряжения контрольного источника.
Контроль сопротивления изоляции шин источников по предлагаемому способу выполняется следующим образом.
Упрощенная электрическая схема гальванически связанных нерегулируемых источников объекта контроля приведена на фиг.1. V1, V2, V3, V4 – источники напряжения с общей минусовой шиной; V3, V4 – первичные источники питания объекта контроля ОК (блоки В1 и В2 соответственно), V1, V2- источники блока питания (С) ОК, блоки А1 и А2 блоки нагрузок (аппаратура) соответствующих источников, Rл – сопротивление линии, Rш – сопротивление шунта. Общая минусовая шина соединена с корпусом перемычкой mc вне блоков ОК.
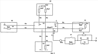
Упрощенная электрическая схема варианта устройства, обеспечивающего контроль по предлагаемому способу, приведена на фиг.2. Устройство входит в состав контрольно-проверочной аппаратуры (КПА) (на базе аппаратно-программных средств) и управляется программным модулем (ПМ) по определенному алгоритму. Устройство содержит (фиг.2): К1-К3 – реле, управляемое модулем выдачи команд КПА (модуль выдает команды по алгоритму ПМ); Ш – общая минусовая шина источников постоянного тока объекта контроля (ОК); К – корпус; ИП1 – измеритель тока в КПА; Vk – контрольный источник постоянного тока, Rогр – ограничивающий резистор, R – вспомогательный резистор для исключения разрыва цепи общий минус- корпус.
Устройство контроля корпуса подключается на время электрических испытаний ОК в разрыв между перемычкой заземления и корпусом согласно фиг.3.
Измерение всех напряжений источников ОК осуществляется измерительными модулями КПА. Устройство управляется программным модулем (ПМ), при этом автоматически исполняются последовательно повторяющиеся циклы контроля.
Работа устройства
1. При выдачи команды на начало контроля шин источников ОК программный модуль формирует запрос напряжений источников ОК и на первое значение корпусного тока (Iк1) между минусовой шиной и корпусом с подключенным Rогр.
2. После запроса тока Iк1 выдается команда ТКУ2, по которой срабатывают реле К2 и К3 и в цепь измерителя тока подключается контрольный источник Vк. Через t1 (0.25 с) выполняется второе измерение корпусного тока(Iк2). После запроса тока Iк2 программный модуль вычисляет разность двух токов 1=Iк1-Iк2.
Время t1, пределы измеренных значений токов и вычисленного значения сопротивления изоляции для принятия соответствующих решений по алгоритму окончательно устанавливаются по результатам работы с объектом контроля.
3. Программный модуль выполняет анализ 1 (для случая Rогр=1 кОм, Vк=1 B):
– при 1=0 mА (Iк1=Iк2=0) цепей источников ОК, связанных с корпусом, нет, ПМ формирует параметр «система контроля корпуса» (СКК) СКК=1 (Норма),
– при 1=1mA (Iк2=Vк/Rогр mA) – короткое замыкание на корпус общей минусовой шины, ПМ формирует параметр СКК=2;
– при 1=1mA (Iк1=V1/Rогр mA) – короткое замыкание на корпус плюсовой шины источника V1, ПМ формирует параметр СКК=3;
– при 1=1mA (Iк1=V2/Rогр mA) – короткое замыкание на корпус плюсовой шины источника V2, ПМ формирует параметр СКК=4;
– при 1=1mA (Iк1=V3/Rогр mA) – короткое замыкание на корпус плюсовой шины источника V3, ПМ формирует параметр СКК=5;
– при 1=1mA (Iк1=V4/Rогр mA) – короткое замыкание на корпус плюсовой шины источника V4, ПМ формирует параметр СКК=6;
– при 1=1mA (Iк1=V/Rогр mA) – короткое замыкание на корпус участка плюсовой цепи какого-либо источника, ПМ формирует параметр СКК=9;
– при 1<1 mA короткозамкнутых цепей источников ОК на корпус нет, программный модуль реализует алгоритм по вычислению Rэ по п.4.
4. При отсутствии короткого замыкания по п.3 выдается команда ТКУ1, исключается из цепи измерителя Rогр и выполняется первое измерение корпусного тока Iк3, после запроса ПМ тока Iк3 выдается команда ТКС2, исключается из цепи измерителя Vк и выполняется второе измерение корпусного тока Iк4, после запроса тока Iк4, ПМ вычисляет разницу токов 2=Iк4-Iк3, эквивалентное сопротивление R3 по разности токов и напряжению Vк .
5. Программный модуль выполняет анализ Rэ.
– Если сопротивление Rэ>Rдоп (допустимая величина сопротивления изоляции, заданная на электрические испытания ОК), ПМ формирует параметр СКК=1.
– Если сопротивление Rэ
– Если Iк4=0 (выражение Iк4-Iк3 берется по абсолютной величине), значение Rэ при этом равно сопротивлению изоляции общей минусовой шины. ПМ формирует параметр СКК=7.
– Если Iк4 0, ПМ формирует параметр СКК=8, на корпусе цепи источников.
6. После формирования каждого параметра СКК программный модуль формирует кадр 1, выдает команду ТКС1 и начинает новый цикл контроля с п.1
Параметр СКК находится на постоянном контроле в КПА.
Прекращение контроля производится по команде, вызывающей остановку работы программного модуля.
Поиск цепей плюсовой шины источника ОК, связанных с корпусом по п.5, следует начинать с того источника, напряжение которого равно произведению эквивалентного сопротивления изоляции по п.5 и корпусного тока Iк4 0 по п.4 (если исходить из предположения, что наиболее вероятной связью с корпусом может быть только связь одной шины источников).
Предложенное техническое решение дает при использовании положительный эффект, заключающийся в повышении достоверности контроля, расширении функциональных возможностей.
Предлагаемый способ может быть использован в контрольно-проверочной аппаратуре (аппаратно-программных комплексах) для работ со сложными объектами контроля и в «интеллектуальных» средствах измерения сопротивления изоляции источников других устройств.
На предприятии вышеуказанный способ отработан и заложен в техническую документацию КПА по испытаниям объектов контроля.
Формула изобретения
Способ автоматического контроля сопротивления изоляции цепей гальванически связанных источников постоянного тока путем измерения корпусного тока и допускового контроля вычисленного эквивалентного сопротивления изоляции с помощью программного модуля с выдачей информации, отличающийся тем, что вначале определяют отсутствие короткого замыкания цепей источников постоянного тока на корпус, для чего выполняют два измерения корпусного тока между общей минусовой шиной и корпусом вначале с включением в цепь измерителя тока ограничивающего резистора, а затем с добавлением в цепь еще контрольного источника постоянного напряжения вычисляют разницу двух измеренных токов и по величине этой разницы судят о наличии короткозамкнутых конкретных цепей контролируемых источников постоянного тока с корпусом, а при отсутствии короткого замыкания производят два измерения корпусного тока между общей минусовой шиной и корпусом с включением в цепь измерителя тока контрольного источника постоянного напряжения и без него и вычисляют эквивалентное сопротивление изоляции по разнице измеренных токов и величине напряжения контрольного источника.
РИСУНКИ
доп,>
|