|
|
(21), (22) Заявка: 2009112252/28, 03.04.2009
(24) Дата начала отсчета срока действия патента:
03.04.2009
(46) Опубликовано: 10.06.2010
(56) Список документов, цитированных в отчете о поиске:
RU 2156472 С2, 20.09.2000. RU 2214610 С2, 13.12.2001. EP 1341306 A1, 03.09.2003. US 2007194800 A1, 23.08.2007.
Адрес для переписки:
355018, г.Ставрополь, ул. Азовская, 50, кв.1, В.С. Ядыкину
|
(72) Автор(ы):
Лоскутов Евгений Данилович (RU), Вострухин Александр Витальевич (RU), Ядыкин Виктор Семенович (RU), Ерина Марина Александровна (RU), Горяинов Михаил Фёдорович (RU)
(73) Патентообладатель(и):
Общество с ограниченной ответственностью научно-производственная компания “Интеллект-Сервис” (RU)
|
(54) МИКРОКОНТРОЛЛЕРНЫЙ ИЗМЕРИТЕЛЬНЫЙ ПРЕОБРАЗОВАТЕЛЬ ЕМКОСТИ И СОПРОТИВЛЕНИЯ В ДВОИЧНЫЙ КОД
(57) Реферат:
Изобретение относится к измерительной технике, в частности к устройствам для измерения емкости и активного сопротивления. Измерительный преобразователь емкости и сопротивления в двоичный код содержит микроконтроллер, образцовый резистор, емкостной датчик, конденсатор образцовой емкости и резистор измеряемого сопротивления. Резисторы образцового и измеряемого сопротивления первыми выводами подключены к первым обкладкам, соответственно, емкостного датчика и конденсатора образцовой емкости. Дополнительно в измерительный преобразователь введен резистивный делитель напряжения. Первые выводы резисторов делителя напряжения подключены к первому входу аналогового компаратора микроконтроллера, а вторые к выводам питания микроконтроллера. Технический результат заключается в повышении точности измерения. 1 ил.
Область техники, к которой относится изобретение
Изобретение относится к измерительной технике, в частности к устройствам для измерения емкости и активного сопротивления, и может быть использовано в средствах для измерения и контроля неэлектрических величин емкостными и резистивными датчиками.
Уровень техники
Известно устройство для измерения электрической емкости, содержащее два одновибратора, включенные по схеме кольцевого автогенератора, два интегрирующих RC-звена, подключенные к выходам соответствующих одновибраторов, блок индикации, включенный между выходами интегрирующих RC-звеньев, во времязадающие цепи одновибраторов включены конденсаторы, соответственно, образцовой емкости и измеряемой. На выходе устройства формируется постоянное напряжение, значение которого зависит от изменения измеряемой емкости и которое отражается блоком индикации (см. пат. РФ 2156472, кл. G01R 27/26, опубликовано 20.09.2000 г.).
Недостатком известного решения является ограничение функциональных возможностей, поскольку устройство не позволяет преобразовать емкость в двоичный код.
Известно устройство для измерения неэлектрических величин конденсаторными датчиками, содержащее первый и второй генераторы, микроконтроллер (МК) и цифровой индикатор, во времязадающие цепи генераторов включены, соответственно, конденсаторный датчик измеряемой емкости, и конденсатор образцовой емкости, времязадающие резисторы включены по известным схемам, причем выходы генераторов подключены к счетным входам, соответствующих счетчиков МК, один из выводов МК подключен к входам разрешения генерирования обоих генераторов, цифровой индикатор подключен к МК (см. пат. РФ 2214610, кл. G01R 27/26, опубликовано 20.10.2003 г.).
Недостаток известного решения – относительно высокая погрешность, вносимая генераторами, параметры которых зависят от внешних факторов.
Наиболее близким по технической сущности к заявляемому техническому решению и принятое авторами за прототип, является устройство для измерения емкости и диэлектрических потерь конденсаторного датчика, содержащее МК, цифровой индикатор, первый и второй генераторы, времязадающие цепи, которые содержат, соответственно, конденсаторный датчик, конденсатор образцовой емкости и времязадающие резисторы, управляемые ключи, причем выходы первого и второго генераторов подключены к входам МК, выход МК подключен к входам разрешения генерирования обоих генераторов, к выходу передачи двоичного кода МК подключен цифровой индикатор (см. пат. РФ 2258232, кл. G01R 27/26, опубликован 10.08.2005 г.).
Недостаток известного решения – низкая точность преобразования, обусловленная погрешностью, вносимой генераторами, параметры выходных сигналов которых зависят от внешних факторов, например от температуры.
Раскрытие изобретения
Техническим результатом изобретения является повышение точности измерения.
Технический результат достигается тем, что в микроконтроллерный измерительный преобразователь емкости и сопротивления в двоичный код, содержащий МК, микропроцессорное устройство, емкостный датчик, конденсатор образцовой емкости, образцовый резистор и резистор измеряемого сопротивления, выход передачи двоичного кода, причем резисторы образцового и измеряемого сопротивления первыми выводами подключены к первым обкладкам, соответственно, емкостного датчика и конденсатора образцовой емкости, согласно изобретения в микроконтроллерный измерительный преобразователь емкости введен резистивный делитель напряжения, причем первые выводы резисторов делителя напряжения подключены к первому входу аналогового компаратора МК, а вторые выводы подключены соответственно к выводам питания МК, первые выводы образцового и измеряемого резисторов подключены к второму входу аналогового компаратора МК, вторые выводы образцового и измеряемого резисторов подключены соответственно к первому и второму выходам МК, вторые обкладки емкостного датчика и конденсатора образцовой емкости подключены соответственно к третьему и четвертому выходам МК.
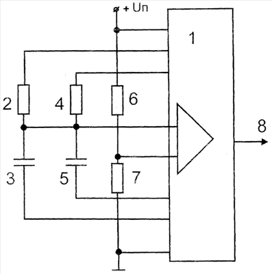
На чертеже представлена структурная схема микроконтроллерного измерительного преобразователя емкости и сопротивления в двоичный код.
Осуществление изобретения
Микроконтроллерный измерительный преобразователь емкости и сопротивления в двоичный код содержит (фиг.1) микроконтроллер 1, образцовый резистор 2, емкостный датчик 3, измеряемый резистор 4, конденсатор образцовой емкости 5, резистивный делитель, состоящий из резисторов 6 и 7, выход 8 передачи двоичного кода. Резисторы 2 и 4, первыми выводами подключены к неинвертирующему входу аналогового компаратора МК и первым обкладкам емкостного датчика 3 и конденсатора 5 образцовой емкости, первые выводы резисторов 6 и 7 делителя напряжения подключены к инвертирующему входу аналогового компаратора МК, а вторые выводы подключены, соответственно к выводам питания МК, вторые выводы резисторов 2 и 4 подключены соответственно к первому и второму выходам МК, вторые обкладки емкостного датчика 3 и конденсатора 5 образцовой емкости подключены соответственно к третьему и четвертому выходам МК, выход 8 передачи данных МК подключен к микропроцессорному устройству отображения результата измерения (не показано).
Микроконтроллерный измерительный преобразователь емкости и сопротивления в двоичный код работает следующим образом.
На инвертирующий вход аналогового компаратора МК подается с резистивного делителя 6, 7 напряжение, равное 0,63Uп. Для измерения емкости 3 МК отключает цепь, состоящую из резистора 4 и конденсатора 5, путем перевода второго и четвертого выходов, к которым подключена эта цепь в высокоомное состояние. Затем МК выводит на третий выход низкий уровень напряжения (лог.0) и разряжает емкость 3 через резистор 2 путем вывода лог.0 в первый выход. Через некоторое время МК 1 выводит высокий уровень напряжения (лог.1) в первый выход и запускает внутренний, заранее обнуленный двоичный счетчик. Когда напряжение на емкостном датчике 3 достигнет уровня 0,63Uп на выходе аналогового компаратора будет сформирован лог.1. По этому сигналу МК 1 останавливает двоичный счетчик и сохраняет его содержимое, т.е. двоичный код N, который пропорционален постоянной времени =Ro·Cx, определяется выражением N= /Т, где Т – период (длительность такта) тактового генератора МК, определяется Т=1/f, где f – частота тактового генератора МК. МК определяет постоянную времени из выражения =T·N, а затем определяет Сх=Т·N/R0, где R0 известно.
Для измерения сопротивления резистора 4 МК 1 выполняет тот же алгоритм, что и для измерения емкости 3. Rx определяется из выражения Rx=T·N/C0, где С0 известно.
Двоичные коды результатов преобразований МК 1 передает через выход 8 передачи двоичного кода на микропроцессорное устройство.
Предлагаемое изобретение по сравнению с прототипом и другими известными решениями имеет следующее преимущество: снижены погрешности измерения, вносимые у прототипа дополнительными преобразовательными устройствами – генераторами, за счет чего повышается точность измерения.
Формула изобретения
Микроконтроллерный измерительный преобразователь емкости и сопротивления в двоичный код содержит микроконтроллер, емкостной датчик, конденсатор образцовой емкости, образцовый резистор и резистор измеряемого сопротивления, выход передачи двоичного кода, причем резисторы образцового и измеряемого сопротивления первыми выводами подключены к первым обкладкам соответственно емкостного датчика и конденсатора образцовой емкости, отличающийся тем, что в микроконтроллерный измерительный преобразователь емкости введен резистивный делитель напряжения, причем первые выводы резисторов делителя напряжения подключены к первому входу аналогового компаратора микроконтроллера, а вторые выводы подключены соответственно к выводам питания микроконтроллера, первые выводы образцового и измеряемого резисторов подключены соответственно к первому и второму выходам микроконтроллера, вторые обкладки емкостного датчика и конденсатора образцовой емкости подключены соответственно к третьему и четвертому выходам микроконтроллера.
РИСУНКИ
|
|