|
|
(21), (22) Заявка: 2009119274/28, 21.05.2009
(24) Дата начала отсчета срока действия патента:
21.05.2009
(46) Опубликовано: 10.06.2010
(56) Список документов, цитированных в отчете о поиске:
SU 1786449 A1, 07.01.1993. US 4857830 A, 15.08.1989. SU 1352406 A1, 15.11.1987. SU 565260 A1, 15.07.1977.
Адрес для переписки:
196128, Санкт-Петербург, ул. Благодатная, 6, Федеральное государственное унитарное предприятие “ЦНИИ судовой электротехники и технологии” (ФГУП “ЦНИИ СЭТ”)
|
(72) Автор(ы):
Васин Игорь Михайлович (RU), Китаев Александр Михайлович (RU)
(73) Патентообладатель(и):
Федеральное государственное унитарное предприятие “ЦНИИ судовой электротехники и технологии” (ФГУП “ЦНИИ СЭТ”) (RU)
|
(54) УСТРОЙСТВО КОНТРОЛЯ СОПРОТИВЛЕНИЯ ИЗОЛЯЦИИ
(57) Реферат:
Изобретение относится к электрическим измерениям, а именно к контролю сопротивления изоляции в электрических сетях с изолированной нейтралью. В устройство контроля сопротивления изоляции введены датчик тока на главной линии сети, который подключен к дополнительному усилителю. К усилителю в свою очередь подключен фазочувствительный блок, индикатор, пороговый блок, сумматор, двухпороговый компаратор и блок сигнализации. Технический результат заключается в том, что при небольшом числе дополнительных элементов достигается существенное повышение информативности и достоверности системы контроля изоляции разветвленной электрической сети. 1 ил.
Предложение относится к электрическим измерениям, а именно к контролю сопротивления изоляции в электрических сетях с изолированной нейтралью.
Известно устройство (А.С. СССР 1352406, кл. G01R 27/18, 1987), содержащее источник тока непромышленной частоты, фильтр напряжения нулевой последовательности, датчики тока, коммутатор, выпрямитель, потенциометр, селекторы-преобразователи и логометр.
Недостаток устройства заключается в отсутствии общего контроля сопротивления изоляции сети, а также в больших затратах времени по отысканию линии с пониженным сопротивлением изоляции.
Известно также устройство для измерения сопротивления электрической линии (патент США 4857830, МПК G01R 31/00, 15.08.1989), содержащее генератор непромышленной частоты, датчик тока, усилитель, фильтр и фазочувствительный блок в виде аналогового перемножителя сигналов.
Недостаток устройства состоит в отсутствии избирательного контроля сопротивления изоляции разветвленной электрической сети.
За прототип взято устройство избирательного контроля сопротивления изоляции (А.С. СССР 1786449, кл. G01R 27/18, 28.02.1991), включающее в себя источник тока непромышленной частоты, фильтр напряжения нулевой последовательности, датчики тока, усилители, фазочувствительные блоки, блок выделения наибольшего напряжения, индикатор, пороговый блок и блок индикации номера линии с пониженным сопротивлением изоляции.
Недостаток устройства заключается в отсутствии общего контроля сопротивления изоляции и проверки достоверности результатов контроля электрической сети в целом.
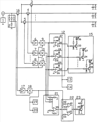
Устройство контроля сопротивления изоляции, схема которого представлена на чертеже, содержит источник 1 тока непромышленной частоты, один из выходов которого подключен к нейтрали контролируемой сети и входу фильтра 2 напряжения нулевой последовательности, другой соединен с общей шиной. Датчики тока 3, 4, 5 установлены на каждом ответвлении контролируемой сети и соединены через усилители 6, 7, 8 с первыми входами фазочувствительных блоков 9, 10, 11, со вторыми входами которых связан выход фильтра 2, а с выходами – входы блока 12 выделения наибольшего напряжения. Один выход блока 12 соединен с входами индикатора 13 и порогового блока 14, а другие выходы – с входами блока 15 индикации номера ответвления с пониженным сопротивлением изоляции. Устройство снабжено также датчиком тока 16, установленным на главной линии сети и связанным через дополнительный усилитель 17 с первым входом дополнительного фазочувствительного блока 18, со вторым входом которого соединен выход фильтра 2, а с выходом – входы дополнительных индикатора 19 и порогового блока 20, сумматором 21, двухпороговым компаратором 22 и блоком 23 сигнализации. Причем входы сумматора 21 соединены с выходами фазочувствителных блоков 9, 10, 11, а выход – с первым входом компаратора 22, ко второму входу которого подключен выход блока 18, а выход компаратора 22 связан с блоком 23.
Блок 12 выполнен в виде операционных выпрямителей 24, 25, 26, входы которых подсоединены к входам блока 12, выходы 27, 28, 29 выпрямленного напряжения объединены и связаны с одним выходом блока 12, а выходы 30, 31, 32 невыпрямленного напряжения подключены к другим выходам блока 12.
Блок 15 выполнен в виде транзисторных ключей 33, 34, 35, входы которых подсоединены к входам блока 15, а в коллекторные цепи включены светодиоды 36, 37, 38.
Сумматор 21 выполнен в неинвертирующем варианте на операционном усилителе 39.
Двухпороговый компаратор 22 выполнен на двух однопороговых компараторах 40, 41 и делителе напряжения на резисторах 42, 43, 44.
Блок 23 выполнен в виде транзисторного ключа 45 со светодиодом 46 в коллекторной цепи.
Устройство работает следующим образом.
Наложенный ток от источника 1, растекаясь по ответвлениям сети и замыкаясь через соответствующие сопротивления и емкости изоляции на общую шину, воздействует на датчики 3, 4, 5, 16. Напряжения с выходов датчиков 3, 4, 5, 16 прикладываются к входам избирательных усилителей 6, 7, 8, 17. Усиленные напряжения с выходов усилителей 6, 7, 8, 17 поступают на фазочувствительные блоки 9, 10, 11, 18, на вторые входы которых подается напряжение с выхода фильтра 2. Блоки 9, 10, 11, 18 осуществляют преобразование входных переменных напряжений в постоянные положительные напряжения, величина которых пропорциональна токам утечки через сопротивления изоляции отдельных ответвлений и всей сети в целом. В блоке 12 на объединенных выходах 27, 28, 29 выпрямителей 24, 25, 26 выделяется наибольшее входное напряжение (например, напряжение выпрямителя 24), соответствующее максимальному активному току утечки одного (верхнего) из ответвлений. Это напряжение с выхода блока 12 поступает на индикатор 13 и блок 14, осуществляющие контроль текущего и предельного значений сопротивления изоляции в ответвлении с наименьшим сопротивлением изоляции. При этом на выходе 30 выпрямителя 27 присутствует отрицательное, а на выходах 31, 32 выпрямителей 28, 29 положительные напряжения. Под действием напряжения на выходе 30 в блоке 15 открывается ключ 33, и загорается светодиод 36, сигнализирующий о том, что наиболее низким сопротивлением изоляции обладает верхнее ответвление сети. Под действием напряжений на выходах 31, 32 ключи 34, 35 закрыты, а светодиоды 37, 38 погашены.
Одновременно с этим выходные напряжения блоков 9, 10, 11 суммируются без изменения фазы в сумматоре 21. В результате на выходе сумматора 21 формируется напряжение, пропорциональное сумме токов утечки всех ответвлений электрической сети. На выходе блока 18 также присутствует напряжение, пропорциональное общему активному току утечки сети, но полученное с помощью датчика 16, установленного на главной линии сети. При исправности всех блоков устройства контроля напряжения на выходах блока 18 и сумматора 21 должны быть близки. С помощью компаратора 22 оценивается близость указанных напряжений. В случае их расхождения на заданную величину (15-20%) в компараторе 22 срабатывает один из однопороговых компараторов 40, 41 и на их объединенном выходе появляется высокое напряжение, под действием которого в блоке 23 открывается транзистор 45 и зажигается светодиод 46, сигнализирующий о неисправности в устройстве контроля изоляции сети.
Индикатор 19 и блок 20, подключенные к выходу блока 18, осуществляют контроль текущего и предельного значений общего сопротивления изоляции электрической сети.
Таким образом, предлагаемое устройство обеспечивает обслуживающий персонал полной информацией о состоянии сопротивления изоляции как сети в целом, так и отдельных ее ответвлений с указанием наиболее опасного участка сети. Кроме того, устройство находится в режиме постоянного самоконтроля, что повышает его надежность и безаварийность эксплуатации сети.
Формула изобретения
Устройство контроля сопротивления изоляции, содержащее источник тока непромышленной частоты, один из выходов которого подключен к нейтрали контролируемой сети и входу фильтра напряжения нулевой последовательности, другой соединен с общей шиной, датчики тока, установленные на каждом ответвлении контролируемой сети и соединенные через усилители с первыми входами фазочувствительных блоков, со вторыми входами которых связан выход фильтра напряжения нулевой последовательности, а с выходами – входы блока выделения наибольшего напряжения, один выход которого соединен с входами индикатора и порогового блока, а другие выходы – с входами блока индикации номера ответвления с пониженным сопротивлением изоляции, отличающееся тем, что оно снабжено датчиком тока, установленным на главной линии сети и связанным через дополнительный усилитель с первым входом дополнительного фазочувствительного блока, со вторым входом которого соединен выход фильтра напряжения нулевой последовательности, а с выходом – входы дополнительных индикатора и порогового блока, сумматором, двухпороговым компаратором и блоком сигнализации, причем входы сумматора соединены с выходами основных фазочувствительных блоков, а выход – с первым входом двухпорогового компаратора, ко второму входу которого подключен выход дополнительного фазочувствительного блока, а выход двухпорогового компаратора связан с блоком сигнализации.
РИСУНКИ
|
|