|
|
(21), (22) Заявка: 2003119969/63, 03.12.2001
(24) Дата начала отсчета срока действия патента:
03.12.2001
(30) Конвенционный приоритет:
04.12.2000 EP 00204323,0
(43) Дата публикации заявки: 20.12.2004
(46) Опубликовано: 10.06.2010
(56) Список документов, цитированных в отчете о поиске:
ЕПИФАНОВ В.И. и др. Технология обработки алмазов в бриллианты. – М.: Высшая школа, 1982, с.86. SU 498200 А, 04.02.1974. GB 2081439 А, 17.02.1982. GB 2293236 А, 20.03.1996. RU 2054656 С1, 20.02.1996.
(85) Дата перевода заявки PCT на национальную фазу:
04.07.2003
(86) Заявка PCT:
EP 01/14466 20011203
(87) Публикация PCT:
WO 02/46725 20020613
Адрес для переписки:
129090, Москва, ул.Б.Спасская, 25, стр.3, ООО “Юридическая фирма Городисский и Партнеры”, пат.пов. Ю.Д.Кузнецову
|
(72) Автор(ы):
СИВОВОЛЕНКО Сергей Борисович (RU), ВАН ДЕР СТЕН Пол (BE)
(73) Патентообладатель(и):
ДИАМКАД Н.В. (BE), СИВОВОЛЕНКО Сергей Борисович (RU)
|
(54) СПОСОБ ЛОКАЛИЗАЦИИ ВКЛЮЧЕНИЙ В АЛМАЗЕ
(57) Реферат:
Изобретение относится к области исследования драгоценных камней, в частности алмазов. Алмаз фиксируют на держателе, исследуют его под определенным углом для получения изображения, затем осуществляют второе измерение для получения двух наборов данных, рассчитываемых на компьютере, при этом указанный второй набор данных можно получить посредством измерения глубины или путем изменения направления наблюдения. Изобретение позволяет повысить точность локализации. 3 з.п. ф-лы, 2 ил.
Изобретение относится к способу и устройству для локализации включений в алмазе.
До настоящего времени для определения включений в алмазах использовали несколько способов (GB 2081439, US 4152069), и все они имеют недостатки, связанные с трудностью локализации включений относительно внешней поверхности алмаза. Главным образом, могут быть получены двумерные изображения алмаза, что приведет к неточной локализации таких включений.
Цель изобретения заключается в преодолении вышеупомянутых недостатков, и способ согласно изобретению отличается тем, что алмаз фиксируют на держателе, указанный алмаз на держателе исследуют (измеряют) под предварительно определенным углом для получения изображения, затем осуществляют второе измерение, для получения двух наборов данных, рассчитываемых на компьютере, для локализации включения относительно внешней поверхности указанного алмаза. Согласно первому варианту реализации изобретения способ, кроме того, отличается тем, что алмаз фиксируют на держателе, при этом указанный алмаз на держателе детектируют под предварительно определенным углом для получения эталонного изображения, далее осуществляют изменение направления, под которым осуществляют исследование алмаза, по меньшей мере, один раз, для получения изменений, при этом данные изображения вносят в компьютер для расчета трехмерного изображения, включающего одно или каждое включение по отношению к эталонному.
После осуществления четкой локализации включения по отношению к внешней поверхности алмаза, указанный алмаз можно легко разрезать по наиболее оптимальной плоскости, рассчитанной с помощью компьютера. Указанная оптимальная плоскость проходит через включение так, что при разрезании алмаза включение исчезает.
Хотя направление наблюдения относительно алмаза может быть осуществлено изменением положения сканера и так далее, согласно изобретению это легче сделать вращением и/или перемещением держателя с алмазом по отношению к фиксированному направлению наблюдения.
Кроме того, одна из целей изобретения заключается во введении корректирующего коэффициента, связанного с показателем преломления алмаза, который следует учесть при расчете, в том случае, когда направление сканирования отклоняется от направления наблюдения, перпендикулярного поверхности алмаза.
Для более простого осуществления точной локализации и/или определения объемности включения в алмазе можно использовать оптический цилиндр, диаметр и направление детектирования которого используют для расчета на компьютере.
Согласно еще одному варианту реализации изобретения включение можно локализовать, используя сканер, имеющий устройство для фокусировки, для получения положения глубины вдоль указанного направления наблюдения посредством фокусировки указанного включения.
Изобретение поясняется посредством следующего описания варианта реализации изобретения, заключающегося в локализации включений в алмаз.
На чертежах представлено:
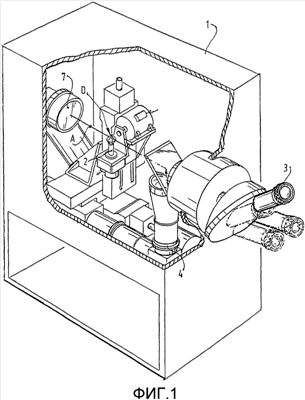
Фиг.1 представляет перспективный вид варианта реализации изобретения, иллюстрирующий сканирование алмаза на держателе.
На фиг.2A, B, C, D схематично представлены последовательные стадии предпочтительного способа согласно изобретению.
На фиг.1 изображен корпус 1, который содержит держатель 2, над которым зафиксирован алмаз D. Посредством подходящего привода можно осуществлять вращение держателя и/или перемещение держателя, для размещения алмаза на оптической оси A, являющейся оптической осью проекционного светового луча 7, проецируемого сквозь алмаз на полупроницаемое зеркало, отражающее изображение алмаза на микроскоп и/или камеру 3 и на сканер 4.
При проецировании света возможно установить держатель 2 в правильное положение относительно шкалы микроскопа ручным способом, выполненным оператором. Сканер 4 используют для получения необходимых данных для указанного конкретного изображения и использования полученных данных в расчетах на компьютере.
На фиг.2 представлено осуществление нескольких этапов реализации способа согласно изобретению.
a) Осуществляют фиксацию алмаза на столике и устанавливают сканер 4 от внешней поверхности камня в произвольном начальном положении. Координаты данного положения – X0, Y0, Z0, 0, 0, o.
i) Осуществляют вращение камня, чтобы сделать необходимое включение видимым посредством микроскопа (с измеряющим окуляром).
b) Осуществляют перемещение включения в положение перед шкалой 9 микроскопа. Оператор, исследующий камень через микроскоп, делает это, регулируя столик. Выполненные перемещения X1, Y1, Z1 и вращения 1, 1, 1 алмаза на столике регистрируют исходя из его начального положения. Определяют грань (по ее нормали 1, 1, 1) через которую включение видимо. Определяют цилиндр (или линию) так, чтобы включение было внутри указанного цилиндра (или пересекалось указанной линией). Такую же процедуру (стадии a и b) осуществляют из нескольких различных положений “n”.
c) Различные местоположения понимают либо или как просмотр через разные грани алмаза, либо просмотр через одни и те же грани, но по различным направлениям. Регистрируют различный набор перемещений и вращений: X2 Xn, Y2 Yn, Z2 Zn, 2 n, 2 n, 2 n.
d) Местоположение включений внутри алмаза рассчитывают исходя из зарегистрированных перемещений и вращений, сканирования внешней поверхности и показателя преломления алмаза. Положение включения определяют как ближайшие точки пересечения линий или цилиндров, созданные на стадии b. Символ включения 8 проецируется в сканируемое изображение.
Изобретение не ограничивается вышеописанным способом. Например, перекрестье (шкала) микроскопа можно заменить “координатной картой”, тем самым избегая перемещения держателя в каждом просматриваемом направлении.
Формула изобретения
1. Способ локализации включений в алмазе (D), при котором осуществляют фиксирование алмаза на держателе (2), осуществляют исследование алмаза (D) на держателе в первоначальном положении для получения изображения наружной поверхности указанного алмаза, при этом осуществляют регистрацию координат (Х0, Y0, Z0, 0, 0, 0) первоначального положения, отличающийся тем, что осуществляют исследование включения в алмазе, по меньшей мере, в первом и втором направлениях наблюдения, при этом по меньшей мере в первом и втором положении с координатами (X1, Y1, Z1, 1, 1, 1) (X2, Y2, Z2, 2, 2, 2) указанные координаты подаются в компьютер для осуществления локализации включения (8) относительно внешней поверхности указанного алмаза (D).
2. Способ по п.1, отличающийся тем, что осуществляют вращение и/или перемещение держателя (2) с алмазом (D) для обеспечения направления наблюдения.
3. Способ по п.1 или 2, отличающийся тем, что при отклонении направления наблюдения от 90° относительно поверхности алмаза вводят корректирующий коэффициент, являющийся функцией показателя преломления алмаза при осуществлении вычислений компьютером.
4. Способ по любому из предыдущих пунктов, отличающийся тем, что направление наблюдения является таким, что включение или каждое включение (8) является заключенным в оптический цилиндр, диаметр и направление детектирования которого используют при осуществлении вычислений компьютером.
РИСУНКИ
|
|