|
|
(21), (22) Заявка: 2008119864/28, 19.05.2008
(24) Дата начала отсчета срока действия патента:
19.05.2008
(43) Дата публикации заявки: 27.11.2009
(46) Опубликовано: 10.06.2010
(56) Список документов, цитированных в отчете о поиске:
Методы испытаний водных растворов поверхностно-активных веществ. Гетманский И.К. и др. – М.: НИИТЭИ, с.35-50, 1965. RU 2229110 C1, 20.05.2004. SU 2007277597 A1, 06.12.2007. EP 0924505 A2, 23.06.1999. DE 10016634 A1, 18.10.2001.
Адрес для переписки:
392620, г.Тамбов, ул. Советская, 106, ТГТУ, патентное подразделение
|
(72) Автор(ы):
Баршутина Мария Николаевна (RU), Мордасов Михаил Михайлович (RU)
(73) Патентообладатель(и):
ГОУ ВПО “Тамбовский государственный технический университет” (ГОУ ВПО “ТГТУ”) (RU)
|
(54) СПОСОБ ОПРЕДЕЛЕНИЯ ФИЗИЧЕСКИХ СВОЙСТВ ЖИДКОСТИ
(57) Реферат:
Способ определения физических свойств жидкости, согласно которому осуществляют подачу газа на вход газоподводящей трубки, погруженной на заданную глубину в контролируемую жидкость. Затем измеряют максимальное давление в трубке. Кроме того, дополнительно измеряют периоды следования пузырьков газа при двух различных расходах газа в газоподводящую трубку. Далее по величине максимального давления в трубке и периодам следования пузырьков газа судят о поверхностном натяжении, плотности и вязкости контролируемой жидкости.
Техническим результатом изобретения является повышение точности определения поверхностного натяжения жидкости и расширение функциональных возможностей способа путем обеспечения возможности определения плотности и вязкости жидкости. 1 ил.
Изобретение относится к области измерительной техники, в частности к пневматическим способам контроля поверхностного натяжения и плотности жидкости, и может найти применение в различных отраслях промышленности, таких как нефтяная, химическая, микробиологическая, пищевая и др.
Известен способ определения коэффициента поверхностного натяжения жидкости по методу “лежачей” капли (А.Д.Зимон. Адгезия жидкостей и смачивание. М., Химия, 1974, с.52-55), заключающийся в определении формы и размеров капли, лежащей на пластине, с помощью оптических систем, например микроскопа.
Недостатками способа являются сложность определения характеристических размеров капли и зависимость результата измерения от плотности.
Известно определение коэффициента поверхностного натяжения жидкости способом отрыва кольца, серьги или пластинки от исследуемой жидкости (метод Дю-Нуи) (Поверхностные явления и поверхностно-активные вещества. Справочник под ред. А.А.Абрамова. Л., Химия, 1984, с.167-168), заключающимся в измерении силы, необходимой для отрыва кольца от поверхности жидкости. Недостатками способа являются невысокая точность измерения, обусловленная загрязнением поверхности кольца, и невозможность обеспечения непрерывности измерения.
Наиболее близким к предложенному по технической сущности является способ определения поверхностного натяжения жидкостей методом максимального давления в пузырьке (Методы испытаний водных растворов поверхностно-активных веществ. Обзор. Часть 1. Составители: И.К.Гетманский и Л.И.Бавик. М., НИИТЭИ, 1965, стр.39-50), заключающийся в определении наибольшего давления в пузырьке воздуха, выдуваемого из капилляра, погруженного в исследуемую жидкость на заданную глубину.
Недостатком способа, принятого за прототип, является зависимость результата измерения от глубины погружения капилляра и вязкости жидкости.
Техническая задача состоит в повышении точности определения поверхностного натяжения вязких жидкостей, а также расширении функциональных возможностей способа путем обеспечения возможности определения плотности и вязкости жидкости.
Поставленная техническая задача решается тем, что для определения плотности, поверхностного натяжения и вязкости в контролируемую жидкость погружают на заданную глубину газоподводящую трубку известного диаметра, подают газ с заданным расходом на вход газоподводящей трубки, измеряют величину максимального давления в трубке и дополнительно измеряют период следования пузырьков газа, затем изменяют величину расхода газа на заданное значение и снова измеряют период следования пузырьков, в результате по величинам максимального давления в трубке и периодам следования пузырьков, соответствующим различным значениям расхода газа, судят о плотности, поверхностном натяжении и вязкости контролируемой жидкости.
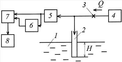
На фиг.1 представлена структурная схема устройства для реализации предложенного способа определения физических свойств жидкости.
На вход газоподводящей трубки 1, погруженной в контролируемую жидкость 2 на глубину Н, через пневматическое сопротивление 3 подается газ с заданным расходом от источника 4. К входу газоподводящей трубки 1 подключен преобразователь давления 5. Выход преобразователя 5 соединен с входом частотомера 6, измеряющим период колебаний давления в газоподводящей трубке, т.е. период следования пузырьков. Выходы преобразователя 5 и счетчика 6 подключены к входам вычислительного блока 7, выход которого соединен с входом вторичного прибора 9.
При подаче газа в газоподводящую трубку 1 на ее выходе образуется пузырек газа, диаметр которого растет до тех пор, пока подъемная сила Fa=Vng( ж– г), где Vn – объем пузырька в момент отрыва, g – ускорение свободного падения, ж – плотность жидкости, г – плотность газа, не станет равной сумме сил вязкого трения F =6 ж 1rn и силы, возникающей вследствие адгезии пузырька F = жd0sin , где ж – динамическая вязкость жидкости, 1 – скорость перемещения центра пузырька при подаче газа в трубку с постоянным расходом Q1, rn – объем пузырька в момент отрыва, ж – поверхностное натяжение жидкости, d0 – диаметр трубки, – краевой угол смачивания.
Принимая, что центр пузырька движется равномерно и его отрыв происходит, когда расстояние между центром пузырька и концом трубки становится равным 2rn, скорость перемещения 1 можно найти по формуле

где Т1 – период следования пузырьков при подаче газа в трубку с расходом Q1.
При постоянстве расхода Q1 отрывной объем пузырька Vn определяется выражением

С учетом (1) и (2) и при условии sin =1 баланс сил, действующих на пузырек в момент его отрыва, запишется в виде:

При изменении расхода газа в газоподводящую трубку от значения Q1 до Q2 уравнение (3) примет вид

где T2 – период следования пузырьков при подаче газа в трубку с расходом Q2.
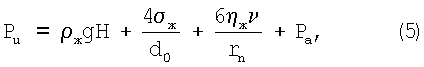
В то же время для вязких жидкостей максимальное избыточное давление Pи в пузырьке определяется выражением

где H – глубина погружения трубки в жидкость, Pa – избыточное давление над поверхностью жидкости.
С учетом (1) выражение (5) при Q1=const примет вид

Уравнения (3), (4) и (6) составляют систему, решая которую относительно ж, ж и ж, получим выражения для определения ж, ж и ж по измеренным значениям Pи, T1 и T2 при Q1, Q2, g, d0, H=const.



где   
  
  
  – коэффициенты пропорциональности.
Таким образом, измерение Pи, T1 и Т2 позволяет определить по уравнениям (7), (8) и (9) поверхностное натяжение ж, плотность ж и вязкость жидкости ж.
В процессе измерения при Q1=const давление в газоподводящей трубке 1, увеличивающееся с ростом пузырька газа, поступает на вход преобразователя давления 5, измеряющего давление Pи в трубке в момент отрыва пузырька. Одновременно импульсный выходной сигнал с преобразователя 5 поступает на вход частотомера 6, измеряющего период следования пузырьков T1, сигнал которого вместе с сигналом от преобразователя давления 5 поступает в вычислительный блок 8. Затем изменяется расход газа с Q1 до Q2 и на вход вычислительного блока 7 с частотомера 6 поступает новое значение периода следования пузырьков Т2, соответствующее расходу Q2. На последнем этапе вычислительный блок 7 на основании измеренных Pи, T1 и Т2 по формулам (7), (8) и (9) определяет значения поверхностного натяжения ж, плотности ж и вязкости жидкости ж и формирует сигналы, поступающие на вход вторичного прибора 8.
В предложенном способе производят измерения максимального давления в пузырьке и периодов следования пузырьков газа при двух различных значениях расхода, что позволяет определить вязкость и плотность жидкости, а также повысить точность определения поверхностного натяжения благодаря учету влияния вязкости и плотности на результат измерения.
Формула изобретения
Способ определения физических свойств жидкости, согласно которому осуществляют подачу газа на вход газоподводящей трубки, погруженной на заданную глубину в контролируемую жидкость, и измеряют максимальное давление в трубке, отличающийся тем, что дополнительно измеряют периоды следования пузырьков газа при двух различных расходах газа в газоподводящую трубку, и по величине максимального давления в трубке и периодам следования пузырьков газа судят о поверхностном натяжении, плотности и вязкости контролируемой жидкости.
РИСУНКИ
|
|