|
|
(21), (22) Заявка: 2006145548/28, 20.12.2006
(24) Дата начала отсчета срока действия патента:
20.12.2006
(43) Дата публикации заявки: 27.06.2008
(46) Опубликовано: 10.06.2010
(56) Список документов, цитированных в отчете о поиске:
SU 322627 А, 15.02.1972. SU 286265 А, 12.01.1971. WO 2004/027394 А1, 01.04.2004. GB 2307989 А, 11.06.1997. US 4512200 А, 03.04.1985.
Адрес для переписки:
346428, Ростовская обл., г. Новочеркасск, ул. Просвещения, 132, ГОУ ВПО ЮРГТУ (НПИ), ОИС
|
(72) Автор(ы):
Гузий Валерий Григорьевич (RU)
(73) Патентообладатель(и):
Открытое акционерное общество “Шестая генерирующая компания оптового рынка электроэнергии” (ОАО “ОГК-6”) (RU), Общество с ограниченной ответственностью “Фирма АПРОКС” (RU)
|
(54) СПОСОБ ИЗМЕРЕНИЯ РАСХОДА И КАЛОРИЙНОСТИ ПОТОКА УГОЛЬНОЙ ПЫЛИ И УСТРОЙСТВО ДЛЯ ЕГО ОСУЩЕСТВЛЕНИЯ
(57) Реферат:
Изобретение относится к измерению расхода и калорийности угольной пыли, подаваемой в горелки пылеугольных парогенераторов тепловых электростанций. Измеряемый поток пыли пропускают внутри трех трубчатых электродов 4, 5, 6, разделенных изолирующими вставками. Измерение ведут путем приложения к электроду 5 двух различных значений напряжения от источника питания 2 и определения проводимости потока по разности соответствующих токов в цепи электрода. Переключение значений напряжения от источника питания производят при одном и том же значении фазового угла синусоиды напряжения питающей сети, а запоминание соответствующих токов в цепи среднего электрода 5 после переключения напряжений производят с задержкой, большей или равной длительности переходного процесса измерения тока, обусловленного емкостью кабеля, соединяющего средний и крайние электроды 4, 6 с источником питания и измерительной схемой 3. Измерение калорийности (зольности) производят при постоянном массовом расходе угольной пыли. Изобретение обеспечивает повышение надежности и точности измерения. 2 н.п. ф-лы, 2 ил.
Изобретение относится к области измерительной техники, а именно к измерению расхода твердых или жидких включений, диспергированных в газовом потоке, и непроводящих или полупроводящих жидкостей. В частности, изобретение относится к измерению расхода угольной пыли, подаваемой в горелки пылеугольных парогенераторов тепловых электростанций (ТЭС). Кроме того, изобретение относится к аналитической технике, а именно к приборам для измерения физико-химических параметров жидких и сыпучих сред для оперативного измерения калорийности или зольности пылеугольного топлива.
Известен способ измерения массового расхода непроводящих и полупроводящих жидкостей, а также твердых включений, диспергированных в газовом потоке, с помощью помещенного в поток электрода, по которому, с целью обеспечения независимости результата измерения от свойств контактирующих веществ и окружающей среды, влияющих на величину статического заряжения электрода, и от предварительного заряжения вещества в потоке, заряжают электрод до максимального потенциала после изоляции его от земли, значение которого понижают до уровня безопасного от искрового пробоя пространства, окружающего электрод, поддерживают его постоянным изменением величины отводимого с электрода части заряда и расход определяют по отношению тока короткого замыкания к указанному потенциалу (Эткин В.Б., Бабий В.И. Способ измерения массового расхода непроводящих и полупроводящих жидкостей. А.С. 286265 (СССР). – опубл. в бюл. «Открытия. Изобретения. Пром. Образцы. Товарные знаки», 1970, 34).
Недостатком способа является практическая невозможность его применения на угольных ТЭС. Как показали испытания, введенный в поток угольной пыли электрод за короткое время обволакивается остатками волокнистой теплоизоляции, бумаги и другими посторонними включениями, что недопустимо искажает результат измерения. Кроме того, в двухфазном потоке расходомер не будет с приемлемой точностью измерять малые расходы угольной пыли, пока плотная фаза потока не достигнет электрода.
Известно устройство для измерения расхода сыпучих материалов в транспортирующей трубе при пневматической транспортировке, основанное на емкостном принципе действия, содержащее датчик скорости потока, датчик концентрации потока и измерительную схему (Korrellative Durchsatzmessung von pneumatisch geförderten Schüttgütem. Sonderdruck aus “Automatisierungstechnische Praxis”, 28 (1986), Heft 10, Seite 496-502). Описание данного устройства и его перевод приложены к материалам заявки.
Недостатком устройства является его сложность. Кроме того, из-за незначительного изменения информативного параметра датчика концентрации (емкости) под действием измеряемого потока на результат измерения концентрации потока будут оказывать сильное влияние помехи, особенно наэлектризованность потока угольной пыли, которая на ТЭС может иметь большую величину в зависимости от влажности окружающего воздуха.
Известен также способ, взятый за прототип, измерения массового расхода твердых частиц диспергированных в газовой среде по проводимости потока с помощью помещенного в поток электрода, выполненного в виде пластины или стержня, к которому приложено напряжение от источника тока (Эткин В.Б., Бабий В.И. Способ измерения массового расхода твердых или жидких включений. А.С. 322627 (СССР). – опубл. в бюл. «Открытия. Изобретения. Пром. образцы. Товарные знаки», 1971, 36) и устройство для его осуществления, взятое за прототип (Бабий В.И., Эткин В.Б. Измерение расхода пылевзвеси по электропроводности потока. – «Теплоэнергетика», 1974, 2). Для обеспечения независимости результата измерения от статического электричества и предварительного заряжения вещества потока в трубопроводе до контакта с электродом к электроду прикладывают два различных значения напряжения от источника тока, измеряют величины токов в цепи электрода и о расходе судят по проводимости потока, равной отношению разности токов в цепи электрода к разности приложенных значений напряжения.
Недостатками таких способа и устройства является практическая невозможность их применения на угольных ТЭС из-за обволакивания введенного в поток угольной пыли электрода остатками волокнистой теплоизоляции, бумаги и другими посторонними включениями и низкая точность измерения малых расходов двухфазного потока угольной пыли (пока плотная фаза потока не достигнет электрода). Кроме того, на электрических станциях смонтированный на пылепроводе датчик, как правило, на десятки метров удален от электронного блока (измерительной схемы). В этом случае из-за большого сопротивления датчика (стремится к бесконечности при уменьшении расхода пыли) в измерительной схеме наводится мощная периодическая помеха, с частотой, равной или кратной частоте напряжения питающей сети, которая сильно влияет на результат измерения. Недостатком является и то, что из-за переключения приложенного к электроду напряжения, на результат измерения также оказывает влияние емкость кабеля, соединяющего датчик с электронным блоком.
Контроль качества угля, характеризующийся его калорийностью или зольностью, на ТЭС производится лабораторным методом путем сжигания и взвешивания образцов угольной пыли. Анализ пробы занимает несколько часов. Поэтому его результат не может быть использован для оперативного управления котлом.
Проводимость потока угольной пыли и, следовательно, результат измерения ее расхода при прочих равных условиях пропорционален концентрации углеродной составляющей в угольном топливе. Качество сжигаемого на ТЭС угля, характеризующееся его калорийностью или зольностью, как правило, меняется в широких пределах. Поэтому возможность измерения не общего расхода пылеугольного топлива, а расхода его углеродной составляющей является существенным преимуществом, так как позволяет подавать в котел угольное топливо с учетом его калорийности и тем самым повысить показатели работы котла: маневренность, стабильность, надежность. С другой стороны, при обеспечении постоянного массового расхода угольной пыли сигнал расходомера будет пропорционален его калорийности. Это также имеет важное практическое значение, т.к. оперативная информация о качестве угольного топлива позволяет машинисту котла принять своевременные меры по предотвращению потухания котла при резком снижении калорийности угольной пыли.
Изобретение направлено на повышение надежности и точности измерения расхода углеродной составляющей пылеугольного топлива и обеспечения непрерывного оперативного измерения его калорийности (зольности) перед подачей в топку котла в условиях угольных ТЭС, за счет того, что измерение расхода и калорийности угольной пыли ведут путем приложения к контактирующему с измеряемым потоком электроду двух различных значений напряжения от источника питания и определения проводимости потока по разности соответствующих токов в цепи электрода, причем измеряемый поток угольной пыли пропускают внутри трех трубчатых электродов, разделенных изолирующими вставками, и определяют проводимость измеряемого потока между средним и крайними электродами, переключение значений напряжения от источника питания, приложенного к среднему электроду, производят при одном и том же значении фазового угла синусоиды напряжения питающей сети, а запоминание соответствующих токов в цепи среднего электрода после переключения напряжений производят с задержкой, большей или равной длительности переходного процесса измерения тока, обусловленного емкостью кабеля, соединяющего средний и крайние электроды с источником питания и измерительной схемой. Измерение калорийности (зольности) производят при постоянном массовом расходе угольной пыли.
Для измерения расхода и калорийности угольной пыли, используют устройство, содержащее контактирующий с измеряемым потоком электрод измерительной ячейки датчика, источник питания датчика, формирующий два значения напряжения на электроде измерительной ячейки датчика и измерительную схему, электрод измерительной ячейки датчика выполнен в виде отрезка трубы, внутри которого проходит измеряемый поток, расположенный между двумя дополнительно введенными трубчатым электродами и изолирующими вставками, отделяющими средний электрод от крайних, причем крайние электроды электрически связаны между собой, а средний электрод подключен к первому выводу источника питания датчика, измерительная схема содержит формирователь импульсов синхронизации с напряжением питающей сети, формирователь импульсов управления источником питания датчика, соединенный входом с выходом формирователя импульсов синхронизации с напряжением питающей сети, а выходом – с управляющим входом источника питания датчика; преобразователь «ток-напряжение» с фильтром нижних частот, первый вход которого соединен со вторым выводом источника питания датчика, а второй вход – с крайними электродами измерительной ячейки датчика; первое и второе запоминающие устройства, информационными входами соединенные с выходом преобразователя «ток-напряжение» с фильтром нижних частот; вычитатель, входы которого соединены с выходами запоминающих устройств; формирователь импульсов управления запоминающими устройствами, соединенный входом с выходом формирователя импульсов синхронизации с напряжением питающей сети, первым выходом – с управляющим входом первого запоминающего устройства, а вторым выходом – с управляющим входом второго запоминающего устройства, причем формирователь импульсов управления запоминающими устройствами выполнен с возможностью задержки управляющих импульсов на своем первом и втором выходах по отношению к моментам включения первого и второго напряжений источника питания датчика.
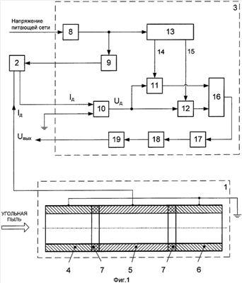
На фиг.1 приведена функциональная схема устройства, реализующего предлагаемый способ;
На фиг.2 – временные диаграммы работы устройства.
Устройство для измерения расхода и калорийности угольной пыли содержит датчик 1, источник питания датчика 2 и измерительную схему 3. Измерительная ячейка датчика 1 выполнена в виде трех трубчатых электродов 4, 5, и 6, разделенных изолирующими вставками 7, внутри которых проходит контролируемый поток. Крайние электроды 4 и 6 электрически связаны между собой и могут быть электрически связаны с защитным корпусом датчика (на фиг.1 не указан), контролируемым пылепроводом (на фиг.1 не указан) и заземлены, а средний электрод 5 должен быть изолирован. Источник питания датчика 2 выполнен управляемым. Он формирует на своих выводах два значения напряжения Uп1 и Uп2, переключающихся при поступлении импульса на его управляющем входе. Измерительная схема 3 состоит из следующих основных элементов: формирователя импульсов синхронизации с напряжением питающей сети 8, формирователя импульсов управления источником питания датчика 9, преобразователя «ток-напряжение» с фильтром нижних частот 10, запоминающих устройств 11 и 12, формирователя импульсов управления запоминающими устройствами 13 с выходами 14 и 15, вычитателя 16. Формирователь импульсов управления запоминающими устройствами 13 выполнен с возможностью задержки импульсов, разрешающих запоминающим устройствам 11 и 12 считывание сигнала на информационном входе. Длительность задержки tз должна превышать время переходных процессов изменения Iд при переключениях Uп, обусловленных емкостью кабеля, соединяющего датчик 1 с источником питания датчика 2 и измерительной схемой 3.
Изображенная на фиг.1 измерительная схема содержит так же блоки, которые не являются обязательными для реализации предлагаемого способа, но улучшают потребительские свойства устройства. Нелинейный преобразователь 17 используется для расширения диапазона измерения расхода и калорийности за счет более высокого коэффициента усиления при малых сигналах и для обеспечения линейности выходной характеристики устройства. Демпфер 18 служит для подавления пульсаций измеряемого сигнала и определяет быстродействие устройства. Блок гальванической развязки 19 выходного сигнала устройства Uвых необходим в связи с тем, что вход измерительной схемы (входы блока 10) связан с землей через электроды 4, 5, 6 датчика 1, поток угольной пыли и пылепровод.
Для формирования импульсов синхронизации в формирователе 8 целесообразно использовать полуволны напряжения питающей сети. В результате преобразования известными способами этих полуволн в прямоугольные импульсы получаются синхронизированные с частотой питающей сети тактовые импульсы, управляющие работой устройства. Запоминающие устройства 11 и 12 при поступлении импульса на их управляющий вход могут фиксировать или мгновенное значение напряжение Uд на выходе преобразователя «ток-напряжение» с фильтром нижних частот 10, соответствующие току Iд в цепи среднего электрода 5, или усредненное за время запоминания значения Uд. Во втором случае можно получить более стабильный результат измерения расхода при большой амплитуде высокочастотных пульсаций контролируемого потока. Функции запоминающих устройств 11 и 12 в первом случае могут быть реализованы, например, на базе запоминающей микросхемы КР1100СК2, а во втором случае – на базе интегратора или апериодического звена. Остальные блоки могут быть реализованы на интегральных аналоговых и цифровых элементах. В обоих случаях функции запоминающих устройств 11 и 12, как и других блоков устройства, могут быть реализованы программно при использовании микропроцессорной техники.
Временные диаграммы работы устройства (фиг.2) построены при следующих условиях: цикл измерения Тц занимает восемь импульсов с выхода формирователя импульсов синхронизации с напряжением питающей сети 8; запоминающие устройства 11 и 12 фиксируют мгновенные значения напряжения на своем информационном входе; второе значение напряжения питания датчика Uп2=0; полярность первого напряжения питания датчика Uп1 выбрана так, чтобы составляющая Uдп напряжения на выходе преобразователя «ток-напряжение» с фильтром нижних частот 10, обусловленная Uп1, совпадала по знаку с составляющей Uдэ, обусловленной предварительной электризацией измеряемого потока пыли; Uдэ=const.
Работает устройство следующим образом. На вход преобразователя «ток-напряжение» с фильтром нижних частот 10 поступает ток Iд=Iдп+Iдэ, где составляющая Iдп определяется проводимостью потока угольной пыли (между средним 5 и крайними электродами 4 и 6), пропорциональной расходу G углеродной составляющей угольной пыли и напряжениям Uп1 и Uп2 на выходах источника питания датчика 2, а составляющая Iдэ обусловлена предварительной электризацией измеряемого потока угольной пыли. На выходе преобразователя «ток-напряжение» с фильтром нижних частот 10 формируется напряжение Uд=Uдп+Uдэ составляющие которого Uдп и Uдэ, соответствуют составляющим тока Iдп и Iдэ. Переключение напряжений Uп1 и Uп2 происходит при поступлении на управляющий вход источника питания датчика 2 импульса с выхода формирователя импульсов управления источником питания датчика 9. В период включения напряжения Uп1 значение напряжения Uд1=Uдп1+Uдэ (где Uдп1 – значение Uдп при Uп=Uп1) запоминается запоминающим устройством 11 при поступлении на его управляющий вход сигнала с выхода 14 формирователя импульсов управления запоминающими устройствами 13. В период включения напряжения Uп2 значение напряжения Uд2=Uдп2+Uдэ (где Uдп2 – значение Uдп при Uп=Uп2) запоминается запоминающим устройством 12 при поступлении на его управляющий вход сигнала с выхода 15 формирователя импульсов управления запоминающими устройствами 13. Формирователь импульсов управления запоминающими устройствами 13 задерживает на время t3 подачу управляющих сигналов на выходах 14 и 15 по отношению к моментам включения напряжений Uп1 и Uп2. В рассматриваемом примере запоминание напряжений Uд1 и Uд2 происходит по заднему фронту третьего после включения напряжений Uп1 и Uп2 импульса с выхода формирователя импульсов синхронизации с напряжением питающей сети 8. Длительность задержки t3 выбирается такой, чтобы за это время успевал устанавливаться переходной процесс изменения тока Iд при переключениях Uп, обусловленный емкостью кабеля, соединяющего датчик 1 с источником питания датчика 2 и измерительной схемой 3. Этим достигается независимость результатов измерения расхода (калорийности) от длины кабеля. Зафиксированные устройством 12 и 13 значения напряжений Uд1 и Uд2 вычитаются вычитателем 16. Разность Uд1-Uд2=(Uдп1+Uдэ)-(Uдп2+Uдэ)=Uдп1-Uдп2 соответствует только проводимости измеряемого потока, пропорциональной расходу углеродной составляющей угольной пыли. Следовательно, устранено влияние на результат измерения расхода (калорийности) предварительной электризации потока. Переключения напряжений Uп1 и Uп2 и моменты запоминания напряжений Uд1 и Uд2 каждый раз происходят при одном фазовом угле синусоиды напряжения питающей сети и, следовательно, при одном фазовом угле наводимой в измерительной схеме помехи, которая по частоте равна или кратна частоте питающей сети. Поэтому влияние этой помехи на напряжения Uд1 и Uд2 оказывается одинаковым, и это влияние также компенсируется на выходе вычитателя 16.
Предложенные способ и устройство прошли длительную отработку и проверку в лабораторных и промышленных условиях. Опытные образцы устройств находятся в промышленной эксплуатации на Новочеркасской ГРЭС: 20 устройств на котле 3 с января 2003 г. и 12 устройств на котле 6 с октября 2005 г.
Формула изобретения
1. Способ измерения расхода и калорийности потока угольной пыли путем приложения к контактирующему с измеряемым потоком электроду двух различных значений напряжения от источника питания и определения проводимости потока по разности соответствующих токов в цепи электрода, отличающийся тем, что измеряемый поток угольной пыли пропускают внутри трех трубчатых электродов, разделенных изолирующими вставками и определяют проводимость измеряемого потока между средним и крайними электродами, причем переключение значений напряжения от источника питания, приложенного к среднему электроду, производят при одном и том же значении фазового угла синусоиды напряжения питающей сети, а запоминание соответствующих токов в цепи среднего электрода после переключения напряжений производят с задержкой, большей или равной длительности переходного процесса измерения тока, обусловленного емкостью кабеля, соединяющего средний и крайние электроды с источником питания и измерительной схемой, при этом измерение калорийности (зольности) производят при постоянном массовом расходе угольной пыли.
2. Устройство для измерения расхода и калорийности потока угольной пыли, содержащее контактирующий с измеряемым потоком электрод измерительной ячейки датчика, источник питания датчика, формирующий два значения напряжения на электроде измерительной ячейки датчика, и измерительную схему, отличающееся тем, что электрод измерительной ячейки датчика выполнен в виде отрезка трубы, внутри которого проходит измеряемый поток, расположенного между двумя дополнительно введенными трубчатыми электродами и изолирующими вставками, отделяющими средний электрод от крайних, причем крайние электроды электрически связаны между собой, а средний электрод подключен к первому выводу источника питания датчика, измерительная схема содержит формирователь импульсов синхронизации с напряжением питающей сети, формирователь импульсов управления источником питания датчика, соединенный входом с выходом формирователя импульсов синхронизации с напряжением питающей сети, а выходом – с управляющим входом источника питания датчика; преобразователь «ток-напряжение» с фильтром нижних частот, первый вход которого соединен со вторым выводом источника питания датчика, а второй вход – с крайними электродами измерительной ячейки датчика; первое и второе запоминающие устройства, информационными входами соединенные с выходом преобразователя «ток-напряжение» с фильтром нижних частот; вычитатель, входы которого соединены с выходами запоминающих устройств; формирователь импульсов управления запоминающими устройствами, соединенный входом с выходом формирователя импульсов синхронизации с напряжением питающей сети, первым выходом – с управляющим входом первого запоминающего устройства, а вторым выходом – с управляющим входом второго запоминающего устройства, причем формирователь импульсов управления запоминающими устройствами выполнен с возможностью задержки управляющих импульсов на своем первом и втором выходах по отношению к моментам включения первого и второго напряжений источника питания датчика.
РИСУНКИ
|
|