Патент на изобретение №2391517

Published by on




РОССИЙСКАЯ ФЕДЕРАЦИЯ



ФЕДЕРАЛЬНАЯ СЛУЖБА
ПО ИНТЕЛЛЕКТУАЛЬНОЙ СОБСТВЕННОСТИ,
ПАТЕНТАМ И ТОВАРНЫМ ЗНАКАМ
(19) RU (11) 2391517 (13) C2
(51) МПК

F01K23/10 (2006.01)

(12) ОПИСАНИЕ ИЗОБРЕТЕНИЯ К ПАТЕНТУ

Статус: по данным на 09.08.2010 – действует

(21), (22) Заявка: 2008114100/06, 09.04.2008

(24) Дата начала отсчета срока действия патента:

09.04.2008

(43) Дата публикации заявки: 20.12.2009

(46) Опубликовано: 10.06.2010

(56) Список документов, цитированных в отчете о
поиске:
Е. JEFFS Texas GT24: High Availability and Flexibility, Turbomachinery International, January/February 2003, p.23, p.25, fig.5. RU 2237815 C2, 10.10.2004. RU 2124134 C1, 27.12.1998. SU 1163681 A, 15.12.1985. RU 2153081 C1, 20.07.2000. WO 9636793 A1, 21.11.1996.

Адрес для переписки:

308017, г. Белгород, ул. Волчанская, 165, ЗАО “Энергомаш (Белгород) – БЗЭМ”, патентно-лицензионное бюро

(72) Автор(ы):

Верткин Михаил Аркадьевич (RU)

(73) Патентообладатель(и):

Закрытое Акционерное общество “Энергомаш (Белгород) – БЗЭМ” (RU)

(54) ПАРОГАЗОВАЯ УСТАНОВКА

(57) Реферат:

Изобретение относится к теплоэнергетике и может быть использовано в энергетических парогазовых установках бинарного типа. Парогазовая установка содержит газотурбинную установку, паровой котел-утилизатор с парогенерирующими контурами двух давлений, содержащими экономайзерные и испарительные поверхности двух давлений и перегреватель пара высокого давления (в.д.), паротурбинную установку с конденсатором и двумя паровыми турбинами, первая из которых на входе по пару сообщена с выходом перегревателя пара в.д. по пару, вторая паровая турбина на выходе по пару сообщена с входом по пару конденсатора, сообщенного на выходе по конденсату с входом КУ по конденсату, и промежуточный перегреватель пара, сообщенный на входе по пару с выходом первой паровой турбины по пару, на выходе по пару – с входом второй паровой турбины по пару, причем промежуточный перегреватель пара выполнен в виде водяного пароперегревателя и сообщен на входе по пару также с выходом КУ по пару низкого давления (н.д.), на входе и выходе по греющей воде – соответственно с выходом и входом экономайзера в.д. КУ по воде. Изобретение позволяет увеличить суммарный теплоперепад, срабатываемый в паровых турбинах, за счет снижения потерь давления в тракте промежуточного перегрева и снижения температуры пара перед промежуточным перегревателем пара. 1 ил.

Изобретение относится к теплоэнергетике и может быть использовано в энергетических парогазовых установках (ПГУ) бинарного типа, содержащих газотурбинные установки (ГТУ) с котлами-утилизаторами (КУ) и паровыми турбинами. Наибольший эффект может быть получен от внедрения изобретения в бинарных ПГУ с ГТУ средней мощности, а также с относительно небольшой температурой газов на выхлопе.

Повышение КПД паросиловой части высокотемпературных ПГУ стремятся обеспечить путем увеличения суммарного теплоперепада, срабатываемого в паровых турбинах, что достигается, в частности, путем повышения начального давления и применения промежуточного перегрева (промперегрева) пара после его расширения в паровой турбине до среднего давления.

Наиболее близким аналогом (прототипом) заявляемого изобретения является ПГУ [1] (c.25, Fig.5), содержащая газотурбинную установку (ГТУ), паровой котел-утилизатор (КУ) двух давлений с промежуточным перегревателем пара и паротурбинную установку с конденсатором и двумя паровыми турбинами, первая из которых – паровая турбина высокого давления (ПТВД) на входе по пару сообщена с выходом КУ по пару в.д., вторая паровая турбина – паровая турбина средненизкого давления (ПТСНД) на выходе по пару сообщена с входом по пару конденсатора, сообщенного на выходе по конденсату с входом КУ по конденсату, и промежуточный перегреватель пара (ППП), сообщенный на входе по пару с выходом ПТВД по пару, на выходе по пару – с входом ПТСНД по пару.

Недостаток данного технического решения состоит в том, что оно является эффективным только применительно к мощным ПГУ с ГТУ с высокотемпературным выхлопом (в прототипе – выше 600°С). В таких ПГУ может быть использован достаточно высокий уровень начального давления (в прототипе – 16 МПа) и температуры пара перед турбинами.

В ПГУ же, выполненной по данной схеме, укомплектованной ГТУ средней мощности или с умеренной температурой газа на выхлопе, повышение начального давления перед ПТВД оказывается неэффективным из-за чрезмерного снижения высот лопаток ПТВД и снижения КПД ее проточной части. С понижением начального давления растет температура пара за ПТВД. В этом случае, а также с понижением температуры пара за промежуточным перегревателем прирост температуры пара в нем уменьшается. Потери же давления в тракте промежуточного перегрева мало зависят от температуры и в приведенной схеме составляют порядка 15-20% от давления за ПТВД. Они складываются из потерь в линиях подачи пара с.д. из паровой турбины в ППП КУ и обратно, а также потерь давления в самом КУ: в узле раздачи пара по трубам поверхности теплообмена ППП, в самих трубах ППП и в коллекторе перегретого промежуточного пара (промпара) КУ.

В результате применение промежуточного перегрева пара в таких ПГУ оказывается неэффективным, приведенная схема при создании ПГУ с относительно невысокой температурой газов перед КУ также не применяется.

Техническим результатом заявляемой ПГУ является увеличение суммарного теплоперепада, срабатываемого в паровых турбинах ПГУ средней мощности, за счет снижения потерь давления в тракте промежуточного перегрева и снижения температуры пара перед промежуточным перегревателем пара.

Для достижения указанного технического результата в заявляемой ПГУ, содержащей ГТУ, паровой КУ с парогенерирующими контурами двух давлений, содержащими экономайзерные и испарительные поверхности двух давлений и перегреватель пара высокого давления, паротурбинную установку с конденсатором и двумя паровыми турбинами, первая из которых на входе по пару сообщена с выходом перегревателя пара в.д. по пару, вторая паровая турбина на выходе по пару сообщена с входом по пару конденсатора, сообщенного на выходе по конденсату с входом КУ по конденсату, и промежуточный перегреватель пара, сообщенный на входе по пару с выходом первой паровой турбины по пару, на выходе по пару – с входом второй паровой турбины по пару, в соответствии с изобретением промежуточный перегреватель пара выполнен в виде водяного пароперегревателя и сообщен на входе по пару также с выходом КУ по пару н.д., на входе и выходе по греющей воде – соответственно с выходом и входом экономайзера в.д. КУ по воде.

Изобретение поясняется примером его реализации, схематически изображенном на чертеже.

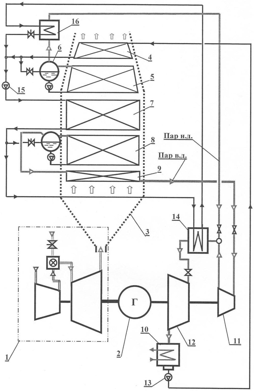
Приведенная на чертеже ПГУ содержит ГТУ 1 с турбогенератором 2, паровой КУ 3 с паровыми контурами двух давлений, содержащими экономайзер низкого давления (н.д.) 4, испаритель н.д. 5 с барабаном-сепаратором н.д. 6, экономайзер высокого давления (в.д.) 7, испаритель в.д. 8 и перегреватель пара в.д. 9, паротурбинную установку с конденсатором 10 и двумя паровыми турбинами 11 и 12, первая из которых – паровая турбина в.д. (ПТВД) 11 – на входе по пару сообщена с выходом перегревателя пара в.д. 9 по пару, вторая паровая турбина – паровая турбина н.д. (ПТНД) 12 – на выходе по пару сообщена с входом по пару конденсатора 10, сообщенного на выходе по конденсату через конденсатный насос 13 с входом КУ 3 по конденсату, и промежуточный перегреватель пара (ППП) 14, сообщенный на входе по пару с выходом первой паровой турбины ПТВД 11 по пару, на выходе по пару – с входом ПТНД 12 по пару. Экономайзер в.д. 7 на входе по воде в.д. сообщен с выходом экономайзера н.д. 4 по воде через питательный насос в.д. 15. ППП 14 выполнен в виде водяного пароперегревателя и сообщен на входе по пару также с выходом КУ (в данном примере – барабана-сепаратора н.д.6) по пару н.д., на входе и выходе по греющей воде – соответственно с выходом и входом экономайзера в.д. 7 по воде. В данном примере ППП 14 на выходе по воде сообщен с входом экономайзера в.д. 7 через питательный насос в.д. 15.

В приведенном примере ПГУ содержит также водяной перегреватель пара н.д. (ВПНД) 16, при этом ППП 14 сообщен на входе по пару с выходом КУ (в данном случае – барабана-сепаратора н.д. 6) по пару н.д. через тракт ВПНД 16 по пару, на выходе по греющей воде с входом экономайзера в.д. КУ по воде – через тракт ВПНД 16 по греющей воде и – в данном примере – через питательный насос в.д. 15.

Назначение ВПНД 16 состоит в предварительном подогреве насыщенного пара н.д. перед ППП 14 примерно на 2-3 градуса во избежание образования конденсата в паропроводе н.д. между барабаном н.д. 6 и ППП 14.

ПГУ работает следующим образом.

ГТУ 1 совершает работу по приводу турбогенератора 2. В КУ 3 теплом выхлопных газов ГТУ 1 вырабатывают пар двух давлений. Пар в.д. подают из перегревателя пара в.д. 9 в ПТВД 11, где он расширяется до давления в контуре н.д., совершая работу по приводу турбогенератора 2. Далее, отработанный пар ПТВД 11 вместе с паром, поступающим из контура н.д. КУ 3 (в данном примере – из ВПНД 16), подают на вход ППП 14 по пару, где его перегревают водой в.д., подаваемой из экономайзера в.д. 7. Из ППП 14 перегретый пар поступает в ПТНД 12, где пар расширяется до давления в конденсаторе 10, совершая при этом работу по приводу турбогенератора 2.

Поскольку пар в ПТВД 11 расширяется до давления в контуре н.д., температура пара при расширении в ПТВД 11 снижается примерно до уровня температуры насыщения, т.е. до значительно более низкого уровня, чем в прототипе и чем температура воды за экономайзером в.д.. Благодаря этому вода в.д. используется в качестве греющего теплоносителя в ППП 14, при этом расход тепла на промежуточный перегрев пара производится за счет снижения паропроизводительности контура н.д., а не производительности контура в.д., как в прототипе.

Поскольку ППП 14 является водяным пароперегревателем, в его трубах течет не пар, а греющая вода. Потери давления в тракте промежуточного перегрева заявляемой ПГУ – это, в основном, потери давления пара в корпусе водяного ППП 14 при поперечном обтекании паром водяных труб, причем со значительно более высоким коэффициентом теплопередачи, чем в прототипе. Вследствие этого водяной ППП 14 оказывается значительно более компактным по сравнению с газовым ППП КУ прототипа и может быть размещен вблизи ПТВД 11 и ПТНД 12 либо непосредственно в переходном участке между ПТВД и ПТНД по пару (т.е. потери давления в линиях подачи пара из паровой турбины в ППП и обратно также незначительны либо отсутствуют). Коллектор промпара и узел раздачи промпара по трубам ППП отсутствуют. В результате суммарные потери давления в тракте промперегрева оказываются примерно на порядок меньше, чем в прототипе.

В результате эффективность промежуточного перегрева в условиях ПГУ с ГТУ средней мощности или с относительно небольшой температурой газов перед КУ повышается, суммарный теплоперепад, срабатываемый в ПТВД и ПТНД, увеличивается.

В итоге заявляемое устройство обеспечивает повышение КПД паросиловой части ПГУ при использовании его в ПГУ с ГТУ указанного типа.

Приведенный на чертеже пример предназначен лишь для иллюстрации изобретения в соответствии с формулой и не исчерпывают всего многообразия возможных технических решений по реализации заявляемого изобретения.

В частности, ВПНД 16 может отсутствовать, а КУ может содержать газовый подогреватель пара н.д.; контур греющей воды в.д. для ППП 14 может быть снабжен циркуляционным насосом, и греющая вода из ВПНД 16 (или в отсутствие последнего из ППП 14) может подаваться в экономайзер в.д. 7 не через питательный насос 15, а циркуляционным насосом непосредственно на вход экономайзера в.д. 7 по воде в.д.; водяной ППП 14 в силу своих небольших габаритов может быть выполнен не выносным, как показано на чертеже, а, как было указано выше, встроенным в переходной участок между ПТВД 11 и ПТНД 12 по пару; ротор ПТВД 11 может быть выполнен не установленным на одном валу с ротором ПТНД 12, а соединенным с ним через редуктор (как в прототипе); паровая турбина может быть установлена на валу не общего с ГТУ 1 турбогенератора 2, а отдельного турбогенератора; в составе одной ПГУ на одну паровую турбину может приходиться не одна, а две или более ГТУ с КУ, и т.п.

Источники информации

Формула изобретения

Парогазовая установка (ПГУ), содержащая газотурбинную установку (ГТУ), паровой котел-утилизатор (КУ) с парогенерирующими контурами двух давлений, содержащими экономайзерные и испарительные поверхности двух давлений и перегреватель пара высокого давления (в.д.), паротурбинную установку с конденсатором и двумя паровыми турбинами, первая из которых на входе по пару сообщена с выходом перегревателя пара в.д. по пару, вторая паровая турбина на выходе по пару сообщена с входом по пару конденсатора, сообщенного на выходе по конденсату с входом КУ по конденсату, и промежуточный перегреватель пара, сообщенный на входе по пару с выходом первой паровой турбины по пару, на выходе по пару – с входом второй паровой турбины по пару, отличающаяся тем, что промежуточный перегреватель пара выполнен в виде водяного пароперегревателя и сообщен на входе по пару также с выходом КУ по пару низкого давления (н.д.), на входе и выходе по греющей воде – соответственно с выходом и входом экономайзера в.д. КУ по воде.

РИСУНКИ

Categories: BD_2391000-2391999