|
|
(21), (22) Заявка: 2009105722/02, 18.02.2009
(24) Дата начала отсчета срока действия патента:
18.02.2009
(46) Опубликовано: 10.06.2010
(56) Список документов, цитированных в отчете о поиске:
SU 1585364 A1, 15.08.1990. RU 2121010 C1, 27.10.1998. RU 2170280 C1, 10.07.2001. DE 19625807 A1, 02.01.1997. JP 09-184033 A, 15.07.1997.
Адрес для переписки:
660025, г.Красноярск, пр. Красноярский рабочий, 95, СФУ, отдел промышленной собственности, Л.В. Пономаревой
|
(72) Автор(ы):
Сидельников Сергей Борисович (RU), Довженко Николай Николаевич (RU), Биронт Виталий Семёнович (RU), Столяров Александр Валентинович (RU), Усков Игорь Васильевич (RU), Лопатина Екатерина Сергеевна (RU), Лебедева Ольга Сергеевна (RU), Шульгин Дмитрий Романович (RU), Шубаков Александр Павлович (RU), Бабушкин Олег Викторович (RU)
(73) Патентообладатель(и):
Федеральное государственное образовательное учреждение высшего профессионального образования “Сибирский федеральный университет” (RU), Открытое акционерное общество “Красноярский завод цветных металлов имени В.Н. Гулидова” (RU)
|
(54) СПЛАВ НА ОСНОВЕ ЗОЛОТА
(57) Реферат:
Изобретение относится к металлургии сплавов на основе золота, предназначенных для изготовления ювелирных изделий. Сплав содержит, мас.%: золото 58,0-58,6; серебро 4,0-6,0; цинк 1,0-2,9; рутений 0,01-0,4; медь остальное. Обеспечивается повышение уровня механических свойств и их равномерного распределения по длине слитка, а также качества ювелирных изделий в виде цепочек. 2 табл., 1 ил.
Настоящее изобретение относится к области металлургии сплавов на основе золота, предназначенных для изготовления ювелирных изделий.
Известен сплав на основе золота, содержащий по массе, %: золото 58,2-58,8, серебро 7,5-8,5 и медь остальное (Межгосударственный стандарт ГОСТ 6835-2002 «Золото и сплавы на его основе. Марки». Межгосударственный совет по стандартизации, метрологии и сертификации, Минск, ИПК Издательство стандартов, 2002, стр.4).
Такой сплав имеет низкие прочностные и пластические свойства в литом состоянии, обусловленные несовершенством литой структуры и в первую очередь крупнозернистостью. При этом в зависимости от способа литья такая структура распространена по всей длине литой заготовки, что особенно важно при непрерывном способе литья. Изготовление из такого сплава сложных ювелирных изделий сопряжено с наличием большого количества переходов от толстого сечения к тонкому и затруднено в связи с возникновением при литье большого количества дефектов в виде пор усадочного происхождения и горячих трещин.
Наиболее близким к изобретению по составу является сплав на основе золота (а.с. 1585364, МПК C22C 5/02. Сплав на основе золота / Кондаков Е.Н. Всесоюзный научно-исследовательский и проектно-конструкторский институт ювелирной промышленности Ленинградского производственного объединения «Русские самоцветы», опубл. 15.08.90, бюл. 30), содержащий серебро, марганец и медь, дополнительно содержит цинк при следующем соотношении компонентов, мас.%:
| золото |
58,0-59,0 |
| серебро |
9,0-11,5 |
| марганец |
2,0-3,5 |
| цинк |
3,0-4,0 |
| медь |
остальное |
Данный сплав по сравнению с аналогом имеет более высокие механические свойства, а именно повышенную пластичность в литом состоянии.
Однако этот сплав используется в основном для получения ювелирных изделий методом литья в изложницу и последующей прокатки. При использовании его для получения литых заготовок методом непрерывного литья возникает неравномерность свойств по длине, так как легирующие элементы, входящие в состав сплава, не обеспечивают мелкозернистую структуру от начала до конца длинномерного слитка. Последующие операции обработки металлов давлением (сортовая прокатка, волочение) позволяют получить деформированные полуфабрикаты достаточно малых размеров (проволока диаметром 1,4-2,0 мм). Однако при этом из-за разности механических свойств и структуры металла на разных участках проволоки возникают обрывы при волочении и разрушения при изготовлении ювелирных цепочек на цепевязальных автоматах.
Основной задачей изобретения является повышение уровня механических свойств и их равномерного распределения по длине слитка, а также качества ювелирных изделий в виде цепочек.
Для решения поставленной задачи предложенный сплав на основе золота, содержащий медь, серебро и цинк, дополнительно содержит рутений при следующем соотношении компонентов, мас.%:
| золото |
58,0-58,6 |
| серебро |
4,0-6,0 |
| цинк |
1,0-2,9 |
| рутений |
0,01-0,4 |
| медь |
остальное |
Выбор граничных значений параметров компонентов, указанных в формуле изобретения, обусловлен следующим.
Серебро в пределах 4,0-6,0 мас.% улучшает пластичность сплава, повышает антикоррозионные свойства при литье.
Наличие меди является оптимальным для замещения золота в сплаве и обеспечивает красный цвет сплава, а также повышенное сопротивление разрыву.
Цинк в пределах 1,0-2,9 мас.% необходим как раскислитель.
Рутений в пределах 0,01-0,4 дает возможность получить мелкозернистую структуру за счет модифицирования, при этом повышается пластичность сплава и идет выравнивание свойств по длине литой заготовки.
Заявляемый сплав таким образом по сравнению с известным характеризуется комплексом повышенных механических свойств и мелкозернистой структурой по всей длине слитка, полученного путем непрерывного литья.
Сплав был получен следующим образом: сначала напрямую сплавлялся цинк с серебром при постепенном увеличении температуры от температуры плавления цинка до полного расплавления (ориентировочно 800-850°С), затем в расплав вводились медь и рутений. При этом температура расплава поднималась до 1000°С, расплав выдерживался при этой температуре до полного расплавления компонентов, после чего производилась грануляция в воду. Полученная таким образом лигатура золотого сплава просушивалась и затем сплавлялась с соответствующим количеством золота. При этом производилось раскисление фосфористой медью, выдержка с последующей разливкой сплава. Температурный интервал сплава определялся методом дифференциально-термического анализа. Состав сплава контролировался с помощью количественного химического анализа.
Для изучения деформируемости слитки подвергали сортовой прокатке без применения промежуточных отжигов до диаметра 2 мм, а далее волочили заготовку на стане со скольжением до диаметра 0,3 мм без промежуточных отжигов. Относительное удлинение и временное сопротивление разрыву определяли на деформированных образцах с помощью разрывной машины типа H5KS.
Структура образцов сплава на всех этапах обработки анализировалась металлографическими методами исследования, при этом определялась микротвердость образцов. Исследования микротвердости образцов проводили на цифровом микротвердомере DM8 на литых и деформированных образцах.
Для опробования предложенного сплава были приготовлены композиции, химический состав и свойства которых в сопоставлении с известным сплавом приведены в табл.1, 2. В качестве механических характеристик сплавов приведены следующие: в – временное сопротивление разрыву; – относительное удлинение.
| Таблица 1 |
| Составы заявляемого и известных сплавов |
 |
Сплав |
Химический состав сплава, массовая доля компонента, % |
| Золото |
Серебро |
Рутений |
Цинк |
Марганец |
Медь |
| 1 |
известный |
58,0 |
9,0 |
– |
4,0 |
3,5 |
остальное |
| 2 |
известный |
59,0 |
11,5 |
– |
3,0 |
2,0 |
остальное |
| 3 |
заявляемый |
58,5 |
5,0 |
0,4 |
2,9 |
– |
остальное |
| 4 |
заявляемый |
58,5 |
6,0 |
0,01 |
1,0 |
– |
остальное |
| Таблица 2 |
| Свойства заявляемого и известных сплавов |
 |
Сплав |
Микротвердость, HV |
в, МПа |
, % |
| 1 |
известный |
– |
360 |
35,3 |
| 2 |
известный |
– |
360 |
34,0 |
| 3 |
заявляемый |
159,6 |
494,7 |
14,3 |
| 4 |
заявляемый |
144,4 |
446,8 |
21,3 |
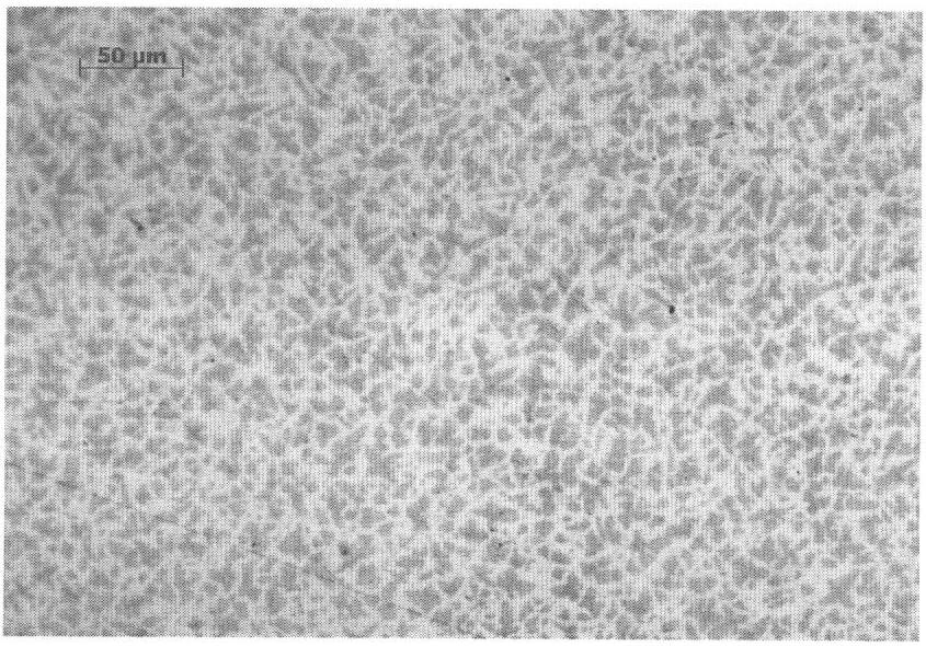
Микроструктура предлагаемого сплава приведена на чертеже. Как видно из табл.1 и 2 и чертежа, заявляемые сплавы по сравнению с известными благодаря оптимальному сочетанию в сплаве компонентов в указанном количественном соотношении характеризуются повышенными прочностными свойствами и мелкозернистой структурой по всей длине слитка.
Видно, что в сплаве с рутением она мелкая, однородная с дендритными кристаллами компактной формы. Такая структура наблюдается по всему сечению слитка, что говорит о высокой технологичности рутения как модификатора.
Введение рутения в сплав таким образом обеспечивает эффект модифицирования, принципиально изменяя размер и форму дендритных ячеек, что благоприятно отражается на свойствах получаемых полуфабрикатов.
Формула изобретения
Сплав на основе золота, содержащий медь, серебро и цинк, отличающийся тем, что он дополнительно содержит рутений при следующем соотношении компонентов, мас.%:
| золото |
58,0-58,6 |
| серебро |
4,0-6,0 |
| цинк |
1,0-2,9 |
| рутений |
0,01-0,4 |
| медь |
остальное |
РИСУНКИ
|
|