Патент на изобретение №2391417

Published by on




РОССИЙСКАЯ ФЕДЕРАЦИЯ



ФЕДЕРАЛЬНАЯ СЛУЖБА
ПО ИНТЕЛЛЕКТУАЛЬНОЙ СОБСТВЕННОСТИ,
ПАТЕНТАМ И ТОВАРНЫМ ЗНАКАМ
(19) RU (11) 2391417 (13) C1
(51) МПК

C21D9/52 (2006.01)
B21B45/02 (2006.01)

(12) ОПИСАНИЕ ИЗОБРЕТЕНИЯ К ПАТЕНТУ

Статус: по данным на 09.08.2010 – действует

(21), (22) Заявка: 2009116068/02, 29.04.2009

(24) Дата начала отсчета срока действия патента:

29.04.2009

(46) Опубликовано: 10.06.2010

(56) Список документов, цитированных в отчете о
поиске:
SU 1772182 A1, 30.10.1992. RU 2061062 C1, 27.05.1996. RU 18826 U1, 20.07.2001. SU 1534068 A1, 07.01.1999. SU 2075359 C1, 20.03.1997. RU 2287019 C2, 20.06.2006.

Адрес для переписки:

105005, Москва, а/я 18, Закрытое акционерное общество “КОРАД”, для В.М. Ковыльниковой

(72) Автор(ы):

Манюров Шамиль Борисович (RU),
Куклев Александр Валентинович (RU),
Айзин Юрий Моисеевич (RU),
Тиняков Владимир Викторович (RU)

(73) Патентообладатель(и):

Закрытое акционерное общество “КОРАД” (RU)

(54) СПОСОБ РЕГУЛИРУЕМОГО ОХЛАЖДЕНИЯ РУЛОНА ГОРЯЧЕКАТАНОЙ ПОЛОСЫ И УСТРОЙСТВО ДЛЯ ЕГО ОСУЩЕСТВЛЕНИЯ

(57) Реферат:

Изобретение относится к области металлургии, в частности к охлаждению рулона горячекатаной полосы. Для снижения структурной неоднородности металла и обеспечения равномерных физико-механических свойств по длине и ширине полосы и повышения выхода годного осуществляют охлаждение горизонтально расположенного рулона горячекатаной полосы путем создания перепада давлений в полости рулона, образованной с помощью расположенных по торцам рулона двух полусферических емкостей, одна из которых связана с ресивером, а другая – с эжектором для изменения степени разрежения. Устройство для осуществления способа охлаждения горизонтально расположенного рулона содержит емкости с охладителем, при этом каждая емкость выполнена в виде полусферы с приводом ее горизонтального перемещения относительно торцов рулона и имеет центрирующие запорные замки, одна из емкостей соединена патрубком для подвода охладителя с ресивером, а другая емкость – патрубком для отвода охладителя с эжектором и холодильником с обеспечением перепада давлений по торцам рулона. 2 н.п. ф-лы, 8 ил.

Предлагаемое изобретение относится к области металлургии, в частности, к прокатке горячекатаных полос на непрерывных широкополосных станах и смотки их в рулоны.

В технологии производства горячекатаной листовой стали на непрерывных широкополосных станах одной из необходимых операций является смотка готовой полосы в рулон и ее охлаждение до температуры не выше 100°С. Данное ограничение связано с требованиями технологических процессов дальнейшей переработки горячекатаной полосы.

Известен способ регулируемого охлаждения рулонов горячекатаной полосы, включающий расположение рулона в горизонтальном положении и подачу под давлением охладителя на торцы рулона, (см. SU 1772182 A1, C21D 9/52, 30.10.1992).

Отличие предложенного способа от известного состоит в том, что охладитель проходит между витками рулона в виде пара.

Наиболее близким по технической сущности к заявляемому является устройство для охлаждения рулона горячекатаной полосы, содержащее емкость с охладителем и запорные замки (см. SU 1534068A1, C21D 1/62, 07.01.1990).

Это устройство не обеспечивает прохождения охладителя через витки рулона, тем самым не осуществляет равномерного охлаждения, как по длине горячекатаной полосы, так и по ее ширине, что ведет к неравномерности механических свойств полосы.

Техническим результатом изобретения является снижение структурной неоднородности металла и получения равномерности физико-механических свойств полосы, что повышает выход годного.

Для достижения технического результата в способе охлаждения горизонтально расположенного рулона горячекатаной полосы, включающем подачу под давлением охладителя на торцы рулона, подачу охладителя производят путем создания перепада давлений в полости рулона, образованной с помощью расположенных по торцам рулона двух полусферических емкостей, одна из которых связана с ресивером, а другая – с эжектором для изменения степени разрежения.

Заявленное устройство для охлаждения горизонтально расположенного рулона горячекатаной полосы содержит емкости с охладителем, при этом оно снабжено центрирующими запорными замками, каждая емкость выполнена в виде полусферы с приводом ее горизонтального перемещения относительно торцов рулона, при этом одна из емкостей соединена патрубком для подвода охладителя рулона, при этом одна из емкостей соединена патрубком для подвода охладителя с ресивером, а другая емкость – патрубком для отвода охладителя с эжектором и холодильником с обеспечением перепада давлений по торцам рулона.

Время нахождения рулона в охлаждающем устройстве определяется конечной температурой охлаждения, при которой в металле данной марки стали заканчиваются все структурные преобразования, способные вызвать изменение физико-механических свойств.

Следовательно, оно зависит, как от толщины полосы в рулоне и его массы, так и от теплопроводности металла (марки стали).

Рулоны сматываются из горячекатаных полос различной длины, а это значит, что их диаметры будут также разными. Полусферические емкости и центральная подпружиненная запорная полусфера позволяет охлаждать рулоны различных диаметров.

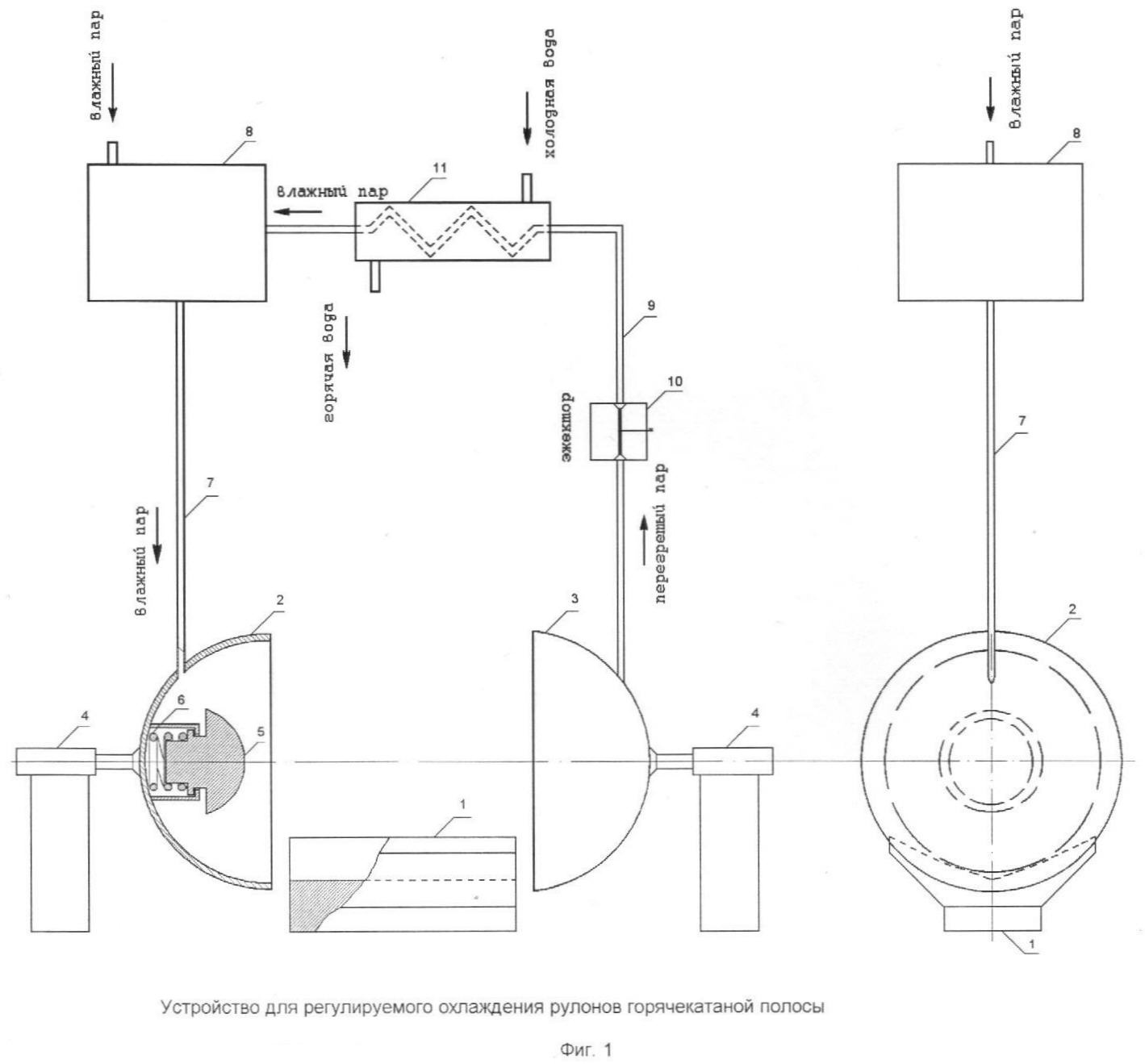
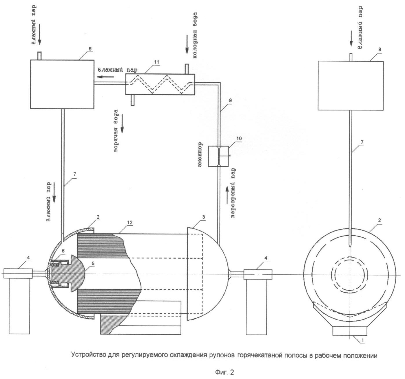
На фиг.1 представлена схема устройства для осуществления предлагаемого способа; на фиг.2 – то же, на стадии охлаждения рулона горячекатаной полосы.

Устройство для осуществления предлагаемого способа (фиг.1) состоит из: подставки 1 для рулонов горячекатаных полос, двух полусферических емкостей 2 и 3, перемещающихся в горизонтальном направлении навстречу друг другу и обратно с помощью гидравлических цилиндров 4, причем полусферическая емкость 2 снабжена запорным замком 5, предназначенным для запирания центрального отверстия рулона и выполненным в виде полусферы, подпружиненной пружиной 6. В полусферическую емкость 2 вмонтирован паропровод 7, для подачи охладителя, например насыщенного влажного пара, под давлением из ресивера 8. В полусферическую емкость 3 вмонтирован паропровод 9 для удаления перегретого пара через вакуумный эжектор 10, в холодильную установку 11, откуда перегретый пар, охлажденный до состояния насыщенного влажного пара, поступает обратно в ресивер 8.

Устройство работает следующим образом.

Смотанный рулон 12 передаточным механизмом в горизонтальном положении перемещается от моталки к охлаждающему устройству. Торцы, установленного на подставку 1 рулона горячекатаной полосы, закрываются полусферами. Как только полусферы 2 и 3 закроют торцы рулона, включается подача насыщенного влажного пара под некоторым давлением из ресивера 8 через паропровод 7 в полость, образованную полусферой 2 и одним из торцов рулона, который, проходя через горячие витки рулона, отнимает у них тепло и переходит в перегретое состояние. Перегретый пар, проходя по паропроводу 9 через вакуумный эжектор 10, создающий разряжение в полости, образованной полусферой 3 и другим торцом рулона, служащим для интенсификации прохождения пара через витки рулона, поступает в холодильную установку 11, где охлаждаясь, превращается в насыщенный влажный пар, поступающий в ресивер 8, в который извне тоже поступает насыщенный влажный пар.

Примеры использования предлагаемого изобретения.

С помощью описанного устройства и способа регулируемому охлаждению подвергали рулоны различных марок стали: низкоуглеродистой, среднеуглеродистой, высокоуглеродистой, низколегированной и легированной. Для каждой марки стали опытным путем подбирали оптимальную скорость охлаждения рулона. При превышении скорости охлаждения рулона выше оптимальной увеличивалась твердость и уменьшалась пластичность получаемой полосы, особенно на низколегированных и легированных сталях. Также при этом наблюдалась значительная разница в механических свойствах на поверхности и в центре полосы. При скорости охлаждения меньшей, чем оптимальная, увеличивалось время охлаждения рулонов, твердость полосы не удовлетворяла заданным требованиям, а также возникала разнозернистость металла, что неблагоприятно сказывалось на механических свойствах металла. Оптимальная скорость охлаждения зависит от ряда параметров стали: горячей прочности, коэффициента термического расширения, скорости роста зерна и, главным образом, теплопроводности металла. Эти параметры зависят от химического состава стали. На фиг.3 приведена зависимость теплопроводности стали от содержания углерода. Откуда видно, что теплопроводность сталей отличается друг от друга в пределах 30%. Было определено, что требуемая оптимальная скорость охлаждения рулона прямо пропорциональна теплопроводности стали, а та, в свою очередь, прямо пропорциональна коэффициенту конвективной теплоотдачи от поверхности полосы в рулоне к движущемуся между витками рулона за счет разности давления в ресивере и перед вакуумным эжектором водяному пару. Для исследованных случаев требуемые пределы коэффициента конвективной теплоотдачи пара составляли 450600 Вт/(м2·град).

Зависимость требуемого коэффициента теплоотдачи от металла к водяному пару показана на фиг.4.

Коэффициент конвективной теплоотдачи от поверхности полосы в рулоне к водяному пару зависит главным образом от скорости движения пара в витках. Скорость движения пара в витках зависит от размера межвиткового промежутка (плотности смотки), шероховатости поверхности полосы, температуры и степени влажности пара и, в первую очередь от коэффициента Рейнольдса, т.е. скорости движения пара. Можно утверждать, что при прочих равных вышеописанных технологических условиях коэффициент теплоотдачи от металла к пару зависит от скорости движения пара в межвитковом промежутке.

Скорость движения пара в межвитковом промежутке регулировалась с помощью изменения перепада между давлением в ресивере и давлением перед входом в вакуумный эжектор (фиг.5).

При постоянном давлении пара в ресивере скорость движения пара в межвитковом промежутке регулировалась с помощью регулировки давления (разрежения) перед входом в вакуумный эжектор (фиг.6).

Таким образом, используя вышеупомянутые зависимости, охлаждение рулонов каждой конкретной марки стали управлялось путем регулировки перепада давления между ресивером и входом в вакуумный эжектор. На фиг.7 показана зависимость содержания углерода в стали от требуемой по технологии средней скорости охлаждения рулона. Управление охлаждением рулона осуществлялось автоматически по специальным алгоритмам, заложенным в систему АСУ. Для каждой марки стали были заложены требуемые скорости охлаждения рулонов. После установки рулона на короткое время подавался пар при постоянном перепаде давления между ресивером и входом в вакуумный эжектор, фиксировались расход, температура и влажность пара. По расходу пара определялось сопротивление движению пара в межвитковом промежутке (зависит от плотности смотки рулона и шероховатости поверхности металла) для получения корректировочного коэффициента перепада давления. Далее по алгоритму задавался перепад давления пара между ресивером и входом в вакуумный эжектор путем регулировки подачи пара в сопло эжектора и регулировки давления пара в ресивере в зависимости от марки стали, сопротивления движению пара и рулон охлаждался с заданной скоростью.

Например, сталь с содержанием углерода 0,1% обрабатывалась с перепадом давления пара между ресивером и входом в вакуумный эжектор 5,5 атм, сталь с содержанием углерода 0,15% – 5,25 атм, сталь с содержанием углерода 0,01% – 5,8 атм.

В качестве охлаждающей среды вместо пара можно использовать газы (углекислый газ, аргон, гелий и т.п.). В примере рассмотрим углекислый газ, приемлемый по цене и тепловым свойствам.

Соответственно из-за другой теплоемкости и вязкости и скорости движения углекислого газа угол наклона зависимости скорости охлаждения рулона от перепада давления газа между ресивером и эжектором будет иметь другое значения, чем для водяного пара (фиг.8).

Использование предлагаемого способа охлаждения рулона горячекатаной полосы и устройства для осуществления предлагаемого способа снижает структурную неоднородность металла и обеспечивает равномерность физико-механических свойств по длине и ширине полосы, что повышает выход годного проката.

Формула изобретения

1. Способ охлаждения горизонтально расположенного рулона горячекатаной полосы, включающий подачу под давлением охладителя на торцы рулона, отличающийся тем, что подачу охладителя производят путем создания перепада давлений в полости рулона, образованной с помощью расположенных по торцам рулона двух полусферических емкостей, одна из которых связана с ресивером, а другая – с эжектором для изменения степени разрежения.

2. Устройство для охлаждения горизонтально расположенного рулона горячекатаной полосы, содержащее емкости с охладителем, отличающееся тем, что устройство снабжено центрирующими запорными замками, каждая емкость выполнена в виде полусферы с приводом ее горизонтального перемещения относительно торцов рулона, при этом одна из емкостей соединена патрубком для подвода охладителя с ресивером, а другая емкость – патрубком для отвода охладителя с эжектором и холодильником с обеспечением перепада давлений по торцам рулона.

РИСУНКИ

Categories: BD_2391000-2391999