|
|
(21), (22) Заявка: 2007146073/13, 24.05.2006
(24) Дата начала отсчета срока действия патента:
24.05.2006
(30) Конвенционный приоритет:
25.05.2005 FI 20050554
(43) Дата публикации заявки: 27.06.2009
(46) Опубликовано: 10.06.2010
(56) Список документов, цитированных в отчете о поиске:
US 4822737 A, 18.04.1989. US 4358536 A, 09.11.1982. EP 0185010 A1, 18.06.1986. GB 4886751 A, 15.08.1979. RU 2159816 C2, 27.11.2000. SU 1463134 A3, 28.02.1979. SU 1303034 A3, 07.04.1987.
(85) Дата перевода заявки PCT на национальную фазу:
25.12.2007
(86) Заявка PCT:
FI 2006/000163 20060524
(87) Публикация PCT:
WO 2006/125854 20061130
Адрес для переписки:
191186, Санкт-Петербург, а/я 230, “АРС-ПАТЕНТ”, пат.пов. С.В.Новоселовой
|
(72) Автор(ы):
ПАСАНЕН Антти (FI)
(73) Патентообладатель(и):
СТ1 БИОФЬЮЭЛС ОЙ (FI)
|
(54) СПОСОБ И УСТАНОВКА ДЛЯ ПОЛУЧЕНИЯ СМЕСИ ЭТАНОЛА И ВОДЫ
(57) Реферат:
Изобретение относится к переработке отходов, а именно к получению из них этанола. Установка включает реактор, по меньшей мере, два соединенных между собой последовательно выпарных аппарата с падающей пленкой жидкости, конденсатор и трубопроводы для отведения ферментационного раствора из реактора и подачи его в выпарной аппарат, для отведения неферментированного вещества из реактора, для удаления воды из второго выпарного аппарата и для отведения нелетучих веществ из первого выпарного аппарата и возвращения их в реактор. Согласно настоящему изобретению поддающиеся ферментации сырьевые материалы, выбранные из сахаров и сырьевых материалов, способных гидролизоваться до поддающихся ферментации сахаров, ферментируют в реакторе. Во время ферментации раствор из реактора непрерывно подают в первый выпарной аппарат, в котором происходит испарение смеси этанола и воды. Полученный в первом выпарном аппарате пар конденсируют и конденсированную смесь этанола и воды концентрируют во втором выпарном аппарате. Воду удаляют из второго выпарного аппарата посредством нижнего слива, а нелетучие вещества удаляют из первого выпарного аппарата и возвращают в реактор. Изобретение позволяет увеличить выход этанола, снизить энергоемкость способа и материалоемкость установки. 3 н. и 14 з.п. ф-лы, 3 ил.
ОБЛАСТЬ ТЕХНИКИ
Изобретение относится к способу получения смеси этанола и воды, определенному в ограничительной части пункта 1 формулы изобретения, в котором поддающиеся ферментации сахара или сырьевой материал, пригодный для гидролиза на поддающиеся ферментации сахара, ферментируют до этанола, а образовавшуюся при этом смесь этанола и воды концентрируют. Изобретение также относится к установке, определенной в ограничительной части пункта 11 формулы изобретения, и к ее применению, определенному в ограничительной части пункта 16 формулы изобретения.
ПРЕДШЕСТВУЮЩИЙ УРОВЕНЬ ТЕХНИКИ
В современном обществе для тех видов деятельности, в ходе которых образуются отходы и сточные воды, необходимы все более и более эффективные способы обработки отходов и сточных вод. Сточные воды и отходы, продуцируемые промышленностью и жилыми комплексами и содержащие различные поддающиеся ферментации сахара или соединения, которые можно преобразовать в поддающиеся ферментации сахара, можно обработать посредством их ферментации до этанола, что уменьшает нагрузки в виде BOD (биохимической потребности в кислороде) и COD (химической потребности в кислороде), содержащиеся в промышленных и коммунальных сточных водах, и снижает содержание углеводов в отходах. Этанол, полученный из отходов и сточных вод, можно очистить так, чтобы его можно было использовать в различных прикладных задачах. Проблема состоит в том, что отходы и небольшие потоки сточных вод, пригодные для получения этанола, часто рассредоточены, а их транспортировка и расходы, связанные с транспортировкой, создают препятствие для экономически выгодной деятельности. Кроме того, по проведенным оценкам, слишком дорого инвестировать средства в уже существующие способы получения этанола из рассредоточенных малых потоков с выходом продукта, составляющим 200-2000 тонн этанола в год.
Известные в настоящее время способы получения этанола, используемые в промышленности, которые основаны на ферментации, имеют относительно большую производительность – примерно от 10000 до 150000 тонн этанола в год. Часть установок основана на периодической ферментации, а все больше возрастающая их часть – на непрерывной ферментации. Ферментированный этанол можно дистиллировать с получением, например, смеси этанола и воды, содержащей 95 массовых процентов этанола и менее, с использованием дистиллятора. Перегонная установка обычно включает выпарную колонну, которая используется для отделения пульпы от смеси этанола и воды. Дистилляция обычно представляет собой одностадийную или многостадийную периодическую или непрерывную дистилляцию. Испарившийся дистиллят можно превратить в жидкость с использованием конденсаторов.
На больших установках такого типа, как описано выше, неферментированное твердое вещество, содержащее белки, сахара и дрожжи, а также не содержащие этанола пульпу или сироп после выпаривания можно отделить и использовать в качестве корма для животных. В существующих промышленных установках для производства биоэтанола в результате ферментации образуется диоксид углерода, который можно отделить от газовой фазы, выходящей из ферментера, с использованием, например, газомера. Однако в существующих установках для производства этанола сохраняется проблема, состоящая в том, что образуются содержащие сахара неиспользуемые отходы и сточные воды с относительно высоким значением COD (химической потребности в кислороде). Например, пульпа не всегда соответствует высоким требованиям к качеству, предъявляемым производителями кормов, поэтому ее приходится перерабатывать каким-либо другим способом, например – сжигать или отправлять на свалки.
Проблема с применением существующих хорошо известных способов получения этанола к маломасштабному промышленному производству (менее 10000 тонн этанола в год) состояла, среди прочего, в следующем: (а) в сложности способа эксплуатации и структуры оборудования, необходимого для внедрения этих способов; (б) в относительно больших инвестиционных расходах на оборудование и эксплуатационных расходах, связанных с эксплуатацией оборудования; (в) в количестве и качестве образующихся отходов и малых потоков сточных вод; (г) в больших трудозатратах персонала, необходимых для эксплуатации оборудования; и (д) в законодательстве, связанном с горючими жидкостями, например – с переработкой смеси этанола и воды с содержанием этанола более 80 объемных процентов.
В качестве наиболее близкого аналога принята публикация US 4822737, описывающая способ непрерывного получения этанола, в котором получают концентрированную смесь этанола и воды. Твердые вещества непрерывно удаляют из ферментера с помощью сепаратора твердых веществ и отправляют в выпарной аппарат, в котором отделяют этанол, а нелетучие вещества отправляют в блок обратного осмоса, из которого получают отдельный поток воды, и из которого часть веществ, содержащую поддающиеся ферментации сахара, отправляют обратно в ферментер. Способ можно также осуществить с использованием двух выпарных аппаратов, при этом концентрат, полученный из блока обратного осмоса, отправляют во второй выпарной аппарат для извлечения дополнительного количества этанола.
ЗАДАЧА ИЗОБРЕТЕНИЯ
Задачей настоящего изобретения является устранение указанных выше недостатков. Одной из конкретных задач настоящего изобретения является создание нового способа и установки для получения этанола из отходов для его практического использования, например – для применения в качестве топлива или растворителя.
СУЩНОСТЬ ИЗОБРЕТЕНИЯ
Способ и установка согласно настоящему изобретению имеют характеристики, описанные в формуле изобретения.
Изобретение основано на способе получения смеси этанола и воды, в котором поддающиеся ферментации сырьевые материалы, выбранные из сахаров и сырьевых материалов, способных гидролизоваться до поддающихся ферментации сахаров, и любые необходимые вспомогательные вещества загружают в реактор. Вспомогательные вещества включают в себя, например, воздух. Сырьевые материалы ферментируют в реакторе, из образовавшегося при этом ферментационного раствора в выпарном аппарате удаляют смесь этанола и воды, а неферментированное вещество удаляют из реактора. Согласно настоящему изобретению в данном способе образующийся в реакторе ферментационный раствор во время ферментации непрерывно подают в первый выпарной аппарат с падающей пленкой жидкости. Смесь этанола и воды испаряется в первом выпарном аппарате с падающей пленкой жидкости, пар, полученный из выпарного аппарата, конденсируют, а конденсированную смесь этанола и воды концентрируют во втором выпарном аппарате с падающей пленкой жидкости, который установлен последовательно с первым выпарным аппаратом с падающей пленкой жидкости. Воду удаляют из второго выпарного аппарата через нижний слив, а нелетучие вещества удаляют из первого выпарного аппарата и возвращают в реактор.
Более конкретно, способ основан на: (а) использовании двух или нескольких последовательных выпарных аппаратов с падающей пленкой жидкости, с помощью которых можно отделить пар, состоящий из этанола и воды (пар из второго выпарного аппарата), и относительно чистую воду (нижний слив из второго аппарата) от ферментационного раствора; (б) повторном возвращении нелетучих веществ из первого выпарного аппарата в реактор, при этом неферментированный сахар, содержащийся в этих веществах, возвращается в реактор в более концентрированной форме, что ускоряет ферментацию его части; и (в) обеспечиваемой использованием выпарных аппаратов с падающей пленкой жидкости возможности влиять на концентрации и количества неферментированного вещества, например – на концентрации сухого вещества и этанола.
Предпочтительно во время ферментации из процесса не удаляют поддающиеся ферментации сахара или углеводы, способные гидролизоваться до поддающихся ферментации сахаров.
В предпочтительной форме осуществления настоящего изобретения реактор представляет собой ферментационный резервуар.
В одной из форм осуществления настоящего изобретения воду, отделяемую во втором выпарном аппарате с падающей пленкой жидкости, предпочтительно более одного раза возвращают обратно во второй выпарной аппарат для минимизации концентрации этанола в воде до сброса воды из выпарного аппарата.
В одной из форм осуществления настоящего изобретения ферментационный раствор подают из реактора в сепаратор твердых веществ, в котором суспензию, содержащую твердые вещества, отделяют от ферментационного раствора, а из сепаратора твердых веществ ферментационный раствор подают в первый выпарной аппарат с падающей пленкой жидкости. В одной из форм осуществления настоящего изобретения суспензию, содержащую твердые вещества, отделенную в сепараторе твердых веществ, возвращают в реактор. В другой форме осуществления настоящего изобретения суспензию, содержащую твердые вещества, отделенную в сепараторе твердых веществ, удаляют из процесса.
В одной из форм осуществления настоящего изобретения в способе используют более двух последовательно соединенных выпарных аппаратов с падающей пленкой жидкости для отделения и концентрирования смеси этанола и воды.
В одной из форм осуществления настоящего изобретения смесь этанола и воды концентрируют до содержания этанола, равного 35-65 мас.%, в предпочтительной форме осуществления настоящего изобретения – до содержания этанола, равного примерно 40-50 мас.%.
В способе согласно настоящему изобретению конденсацию можно выполнить между выпарными аппаратами и/или после каждого выпарного аппарата.
На содержание воды, свободной воды и сухого вещества, содержание этанола в так называемом остаточном веществе, получаемом совместно с получением этанола, а также на концентрации поддающихся ферментации сахаров и углеводов, способных гидролизоваться до поддающихся ферментации сахаров, можно повлиять до удаления остаточного вещества из процесса: (а) на стадии ферментации посредством подачи раствора, полученного из сепаратора твердых веществ, в первый выпарной аппарат с падающей пленкой, предназначенный для выделения этанола; (б) на стадии разгрузки посредством вывода твердого вещества, полученного из сепаратора твердых веществ, из процесса, если содержание этанола в растворе, который должен подаваться из сепаратора твердых веществ в первый выпарной аппарат, снижается; (в) на стадии ферментации и разгрузки посредством подачи воды из второго выпарного аппарата с падающей пленкой жидкости обратно в выпарной аппарат до тех пор, пока не снизится содержание этанола в воде.
Кроме того, изобретение относится к установке для получения смеси этанола и воды; эта установка включает реактор, например – ферментационный резервуар, в который загружают сырьевые материалы и любые необходимые вспомогательные вещества и в котором сырьевые материалы ферментируются с получением ферментационного раствора; выпарной аппарат, который отделяет смесь этанола и воды от ферментационного раствора; трубопровод для сброса ферментационного раствора из реактора и подачи его в выпарной аппарат; и выпускную трубу для выгрузки неферментированного вещества из реактора. Согласно настоящему изобретению установка включает первый выпарной аппарат с падающей пленкой жидкости для отделения смеси этанола и воды от ферментационного раствора и второй выпарной аппарат с падающей пленкой жидкости для концентрирования смеси этанола и воды, причем второй выпарной аппарат с падающей пленкой жидкости соединен последовательно с первым выпарным аппаратом с падающей пленкой жидкости; конденсатор для конденсирования смеси этанола и воды, полученной из первого выпарного аппарата с падающей пленкой жидкости, перед подачей ее во второй выпарной аппарат; выпускную трубу для сброса воды из второго выпарного аппарата в качестве нижнего слива; и трубопровод для удаления нелетучих веществ из первого выпарного аппарата и возвращения его в реактор.
В одной из форм осуществления настоящего изобретения установка включает сепаратор твердых веществ, который установлен между реактором и первым выпарным аппаратом с падающей пленкой и в котором суспензию, содержащую твердые вещества, отделяют от ферментационного раствора перед подачей ферментационного раствора в первый выпарной аппарат с падающей пленкой жидкости.
В одной из форм осуществления настоящего изобретения установка включает рециркуляционную трубу для возвращения суспензии, содержащей твердые вещества, из сепаратора твердых веществ в реактор.
В одной из форм осуществления настоящего изобретения установка включает более двух последовательно соединенных выпарных аппаратов с падающей пленкой жидкости для отделения и концентрирования смеси этанола и воды.
Устройства, входящие в состав установки, предпочтительно объединены в единый блок.
Смесь этанола и воды, полученную с использованием описанного выше способа, можно использовать в качестве компонента топлива, например – бензина или дизельного топлива; при этом смесь этанола и воды концентрируют до желаемого содержания этанола и концентрированную смесь этанола и воды смешивают с другими компонентами топлива с получением предварительно заданной топливной смеси.
В одной из форм осуществления настоящего изобретения качество смеси этанола и воды дополнительно повышают посредством концентрирования до содержания этанола более 85 мас.%, а в Финляндии – предпочтительно более чем до 99,7 мас.%.
Этанолсодержащую смесь можно смешивать с другими компонентами топлива в желаемом количестве или в количестве, разрешенном законодательством и спецификациями продукта.
Смесь этанола и воды согласно настоящему изобретению можно получить из отходов пищевой промышленности, включая биоотходы из хранилищ и отходы из пекарен, молочной промышленности или переработки картофеля.
Благодаря настоящему изобретению выход этанола из объема ферментационного раствора можно значительно увеличить, по сравнению со способами получения этанола, соответствующими известному уровню техники. Смесь этанола и воды непрерывно отводят из ферментационного резервуара во время ферментации. Таким образом, обеспечивается большая скорость ферментации, по сравнению со способами, соответствующими известному уровню техники.
Во время равномерной, непрерывной фазы ферментации и во время фазы разгрузки ферментационного резервуара смесь этанола и воды можно сконцентрировать с получением смеси этанола и воды с концентрацией этанола, равной 35-65 мас.%, что является достаточной концентрацией с точки зрения дальнейшей переработки, утилизации и контроля качества этанола. Во время равномерной, непрерывной фазы ферментации и во время фазы разгрузки ферментационного резервуара можно вывести из процесса получения этанола небольшие потоки, например – потоки пульпы, диоксида углерода и чистой воды, в качестве отдельных потоков. Объем отходов ферментации, таких как пульпа, меньше по сравнению со способами известного уровня техники. По сравнению с изобретениями-прототипами настоящее изобретение обеспечивает возможность большего влияния на качество образующихся малых потоков и на количество и качество воды, получаемой в качестве побочного продукта. Например, выбросы диоксида углерода значительно меньше, по сравнению со способами, соответствующими известному уровню техники.
Применение способа согласно настоящему изобретению к различным сырьевым материалам и к относительно небольшим количествам сырьевого материала, например – при производстве менее 10000 тонн этанола в год, более экономично с точки зрения инвестиций и эксплуатационных расходов, по сравнению со способами, соответствующими известному уровню техники. Получить сырьевой материал легко, а его цена разумна, поскольку сырьевые материалы, используемые в способе согласно настоящему изобретению, представляют собой отходы из других отраслей промышленности. Кроме того, изобретение работает в соответствии с принципом непрерывного развития утилизации отходов из других отраслей промышленности и приготовления из них необходимых продуктов для других целей.
По сравнению с другими способами согласно известному уровню техники, связанными с увеличением производства этанола, способ согласно настоящему изобретению проще и требует меньшего контроля при его использовании, в особенности – в категории производства менее 10000 тонн этанола в год. Установка согласно настоящему изобретению проста и ее можно установить на месте, где имеются отходы, которые необходимо переработать.
Настоящее изобретение отчасти способствует улучшению транспортной системы поставок, поскольку смесь этанола и воды можно, например, транспортировать на перевалочные склады для нефтепродуктов и бензина в возвращающихся туда автоцистернах.
КРАТКОЕ ОПИСАНИЕ ГРАФИЧЕСКИХ МАТЕРИАЛОВ
В следующем разделе изобретение будет описано более подробно на основании примеров его осуществления со ссылкой на прилагаемые графические материалы, где:
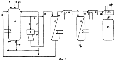
на Фиг.1 изображена установка согласно настоящему изобретению;
на Фиг.2 изображен второй вариант установки согласно настоящему изобретению;
и на Фиг.3 изображен третий вариант установки согласно настоящему изобретению.
ОПИСАНИЕ ПРИМЕРОВ ОСУЩЕСТВЛЕНИЯ ИЗОБРЕТЕНИЯ
Пример 1
В данном способе согласно настоящему изобретению можно увеличить выход этанола на единицу объема ферментационного раствора, по сравнению со способами получения этанола согласно известному уровню техники. В данном способе смесь этанола и воды концентрируют до содержания этанола, равного примерно 50 мас.%. Также возможны другие содержания этанола и воды. В качестве отдельных потоков можно утилизировать небольшие потоки, образующиеся в ходе получения этанола, и одновременно можно контролировать объемы и свойства малых потоков. В данном способе количества отходов и сточных вод невелики. Кроме того, в качестве сопутствующего (побочного) продукта получают чистую воду.
В данном способе можно использовать испарение в падающей пленке жидкости при низком давлении и низкой температуре, в результате чего этанол-продуцирующие микробы, присутствующие в ферментационном растворе, подаваемом в выпарной аппарат, не погибают при условиях, существующих в выпарном аппарате. Например, испарение в выпарном аппарате с падающей пленкой жидкости при низком давлении, равном 0,93 бар, допускает температуру испарения менее 38°С. В этом случае, например, дрожжи не погибают в условиях, существующих в выпарном аппарате, до их возвращения в ферментационный резервуар. Если этанол-продуцирующие микробы отделяют до испарения или если этанол-продуцирующие микробы функционируют в ферментационном резервуаре, будучи прикрепленными к носителю, то есть в иммобилизованном состоянии, то испарение можно производить при атмосферном давлении, что упрощает способ. Использование сепаратора до испарения может также быть необходимым в тех случаях, когда ферментационный раствор содержит значительное количество твердых веществ. За счет увеличения расхода энергии можно использовать выпарные аппараты с падающей пленкой жидкости для концентрирования смеси этанола и воды до содержания этанола, равного 80%, за счет рециркуляции, то есть возвращения конденсированного пара, полученного из выпарного аппарата, обратно в выпарной аппарат.
Пример 2
В данном примере описан способ согласно настоящему изобретению и установка для осуществления этого способа. Установка, описанная в данном примере, изображена на Фиг.1.
Сырьевой материал подают в ферментационный резервуар 4 по трубопроводу 1. Любые необходимые вспомогательные вещества и воздух можно подать в ферментационный резервуар по трубопроводам 2 и 3. Если это необходимо, содержимое ферментационного резервуара, в частности – неферментированное вещество, можно вывести из процесса по трубопроводу 6. Газы, образующиеся в результате спиртового брожения, в основном включающие CO2, удаляют из ферментационного резервуара по трубопроводу 5. В зависимости от состава ферментационного раствора, а также от содержания сухого вещества и количества этанол-продуцирующих микробов, ферментационный раствор подают либо с использованием трубопровода 7 через сепаратор твердых веществ 8, например – через декантирующую центрифугу, в первый выпарной аппарат с падающей пленкой жидкости 13 по трубопроводу 12, либо непосредственно из ферментационного резервуара 4 в первый выпарной аппарат с падающей пленкой жидкости 13 по трубопроводу 9. Из сепаратора твердых веществ 8 обогащенную твердыми веществами суспензию подают обратно в ферментационный резервуар 4 по трубопроводу 10. Если это необходимо, обогащенную твердыми веществами суспензию, образующуюся в сепараторе твердых веществ 8, можно вывести из процесса по трубопроводу 11. Из первого выпарного аппарата с падающей пленкой жидкости 13 пар подают по трубопроводу 14 в конденсатор 16, из которого поток полученной жидкости подают во второй выпарной аппарат с падающей пленкой жидкости 18 по трубопроводу 17. Из первого выпарного аппарата с падающей пленкой жидкости 13 нелетучие вещества подают в ферментационный резервуар по трубопроводу 15. Нижний слив из второго выпарного аппарата с падающей пленкой жидкости 18, который, в основном, является водой, удаляют через трубопровод 20. Пар из второго выпарного аппарата с падающей пленкой жидкости 18 по трубопроводу 19 подают в конденсатор 21, а оттуда по трубопроводу 22 в конечный конденсатор 23, из которого полностью сконденсированную смесь этанола и воды подают по трубопроводу 24 в резервуар-накопитель 25 смеси этанола и воды. Отходящий газ из конечного конденсатора выводят из процесса по трубопроводу 26. Кроме того, в способе можно использовать теплообменники между потоками 12 и 14, и 17 и 19. Конечный конденсор 23 обеспечивает относительно небольшой поток и его можно использовать в теплообменнике с циркулирующим холодным веществом, конденсируя воду при температуре, примерно равной 20°С. В форме осуществления настоящего изобретения, изображенной на Фиг.1, имеется один ферментационный резервуар, однако можно использовать несколько ферментационных резервуаров, соединенных последовательно или параллельно. В форме осуществления изобретения, изображенной на этом чертеже, использованы два выпарных аппарата с падающей пленкой жидкости 13 и 18, соединенные последовательно, однако можно использовать более двух выпарных аппаратов с падающей пленкой жидкости, соединенных последовательно.
Ферментационный резервуар 4 имеет три различные фазы прогона: 1) заполнение; 2) ферментация и добавление материала в пределах допустимого уровня; и 3) разгрузка ферментационного резервуара.
Фаза заполнения начинается с подачи сырьевого материала и любых необходимых вспомогательных веществ по трубопроводам 1 и 2 в ферментационный резервуар 4. Если это необходимо, для увеличения массы этанол-продуцирующих микробов, в ферментационный резервуар можно подать стерилизованный воздух или кислород по трубопроводу 3. Во время фазы заполнения трубопроводы 1, 9 и 6 перекрыты.
Во время фазы ферментации загружаемый материал добавляют в ферментационный резервуар 4 по трубопроводу 1 с учетом предельно допустимого уровня в ферментационном резервуаре, содержания этанола в трубопроводе 22 и содержания сахара в поддающемся ферментации сырьевом материале, находящемся в ферментационном резервуаре, а также с учетом предельно допустимого содержания в сырьевом материале углеводов, способных гидролизоваться до поддающихся ферментации сахаров. Если твердые вещества, содержащиеся в ферментационном растворе, создают риск загрязнения выпарного аппарата с падающей пленкой жидкости, ферментационный раствор подают по трубопроводу 7 в сепаратор твердых веществ 8. Если загрязнение, вызываемое твердыми веществами, содержащимися в ферментационном растворе, допустимо, то ферментационный раствор подают по трубопроводу 9 прямо в выпарной аппарат с падающей пленкой жидкости 13. В этом случае этанол можно собирать из ферментационного раствора в резервуар-накопитель 25 и одновременно отводить воду из ферментационного раствора через трубопровод 20. Испарение в выпарных аппаратах с падающей пленкой жидкости можно проводить при нормальном давлении, при этом температура отводимого раствора составляет примерно 80-85°С, или при низком давлении, например – при давлении, сниженном до 0,93 бар, при этом температура отводимого раствора составляет примерно 36°С. Если испарение производится при достаточно низком давлении, например – при пониженном давлении, равном 0,93 бар, и при температуре, равной 36°С, нет необходимости в отделении этанол-продуцирующих микробов от испаряемого раствора, и раствор из ферментационного резервуара 4 можно подавать в выпарной аппарат с падающей пленкой жидкости 13 по трубопроводу 9, что не приведет к гибели микробов. Кроме того, отделение микробов не требуется в том случае, если микробы, образующие этанол, например – дрожжи, иммобилизованы. Использование низкого давления в выпарных аппаратах с падающей пленкой жидкости 13 и 18 снижает потребность в энергии, необходимой для испарения, но приводит к увеличению объема конденсаторов 16, 21 и 23 и снижает перенос тепла в конденсаторах.
Трубопровод 12, ведущий к выпарному аппарату с падающей пленкой жидкости 13, может быть перекрыт в течение части фазы ферментации с учетом предельно допустимых уровней материала в ферментационном резервуаре 4 и предельно допустимого потока в трубопроводе 1. В среднем в резервуар-накопитель продукта 25 поступает смесь этанола и воды, содержащая примерно 40 мас.% этанола, и эта концентрация является достаточной с учетом последующей переработки.
На фазе разгрузки неферментированное вещество и/или образовавшуюся в нем воду, которые мешают равномерной непрерывной работе, удаляют из ферментационного резервуара 4. Фазу разгрузки проводят, когда неферментированное вещество начинает ухудшать результат ферментации или когда поддающиеся ферментации сахара и углеводы, способные гидролизоваться до подающихся ферментации сахаров, уже предельно ферментированы в ферментационном резервуаре. Во время фазы разгрузки нельзя подавать в ферментационный резервуар дополнительное количество сырьевых материалов с учетом предельно допустимых уровней материала. В этом случае ферментационный раствор по трубопроводу 7 отправляют в сепаратор твердых веществ 8, а оттуда через трубопровод 12 в выпарной аппарат с падающей пленкой жидкости 13 или отправляют его прямо в выпарной аппарат с падающей пленкой жидкости 13. Если содержание этанола в ферментационном растворе является достаточно низким, например – 0,5 мас.%, трубопровод 9 и трубопровод 12 можно перекрыть и удалить суспензию из процесса через трубопровод 11, а неферментированное вещество, содержащееся в ферментационном резервуаре, можно удалить из процесса через трубопровод 6.
В конденсаторах 16 и 21 можно использовать внешнее охлаждение. В конденсаторе 23 нужно обеспечить достаточно низкую температуру пара, чтобы отток этанола через трубопровод 26 был как можно меньше. Кроме того, во время фаз заполнения, ферментации и разгрузки можно отрегулировать температуру ферментационного резервуара, другими словами, как правило, его охладить.
Пример 3
Этот пример демонстрирует использование сыворотки, побочного продукта процесса производства сыра, в качестве сырьевого материала в способе согласно настоящему изобретению; ссылка дана на Фиг.2.
Обычно сыворотка, образующаяся в качестве побочного продукта в процессе производства сыра, содержит 4,8 мас.% лактозы, которая, как таковая, является субстратом для этанол-продуцирующих микробов, а этанол-продуцирующими микробами могут служить, например, генетически модифицированные дрожжи. В характерном случае сыворотка содержит менее 3 мас.% твердых веществ. В данном примере этанол-продуцирующие микробы иммобилизованы в ферментационном резервуаре с использованием технологии, соответствующей известному уровню техники, при этом выпарные аппараты с падающей пленкой жидкости 13 и 18 и конденсаторы 16, 21 и 23 работают при атмосферном давлении и при температуре, варьирующейся в диапазоне от 80°С до 90°С. Неферментированное вещество можно использовать в качестве жидкого корма для животных, содержание углеводов в котором ниже изначального, но содержание белка значительно выше первоначального. Во время фазы ферментации при скорости загрузки 1, равной 0,9 кг/с, поток на выходе 24 равен 0,054 кг/с, а содержание этанола в потоке на выходе составляет 40 мас.%. В этом случае поток 20 равен 0,306 кг/с и состоит из почти чистой воды. Величина потока 9 составляет 1,44 кг/с, содержание этанола в нем составляет 1,5 мас.%, а содержание сахара – 1,8 мас.%. Отток 15 нелетучих веществ составляет 1,08 кг/с, он не содержит этанола, а содержание сахара в нем составляет 2,4 мас.%. Другими словами, в данном примере ферментационный раствор накапливается в ферментационном резервуаре со скоростью, равной 0,54 кг/с, то есть низкое содержание сахара в сыворотке приводит к полунепрерывному процессу при использовании способа согласно настоящему изобретению, и можно подавать сыворотку в процесс в пределах допустимого уровня в ферментационном резервуаре 4.
Пример 4
Данный пример иллюстрирует использование отходов теста в качестве сырьевого материала для установки согласно настоящему изобретению; ссылка дана на Фиг.3.
Отходы теста обычно содержат примерно 50-60% сухого вещества, из которых 60-80 мас.% составляет крахмал, происходящий из зерна, а примерно 5 мас.% составляют различные сахара. Перед подачей в способ согласно настоящему изобретению отходы теста разбавляют водой, а крахмал, содержащийся в них, гидролизуют до сахаров. В данном примере сухое вещество и этанол-продуцирующие микробы, которыми являются дрожжи, отделяют от ферментационного раствора перед подачей его в выпарные аппараты с падающей пленкой жидкости 13 и 18, при этом выпарные аппараты и конденсаторы 16, 21 и 23 работают при нормальном давлении воздуха и при температуре, варьирующейся в диапазоне от 80°С до 90°С. Неферментированное вещество можно использовать в качестве корма для животных. Во время фазы ферментации, когда подаваемый поток 1 равен 0,1 кг/с, выходящий поток 24 составляет 0,0125 кг/с, а содержание этанола в выходящем потоке составляет 40 мас.%. В данном случае поток 20 равен 0,0708 кг/с, и он образован почти чистой водой. Значение потока 12 равно 0,166 кг/с, содержание этанола в нем составляет 3,0 мас.%, а содержание сахара – 4,0 мас.%. Отток 15 нелетучих веществ составляет 0,083 кг/с, и он не содержит этанола, а содержание сахара в нем составляет 9,0 мас.%. Неферментированное вещество образуется со скоростью, равной 0,0166 кг/с, это вещество удаляется во время фазы разгрузки. В данном примере ферментационный раствор не скапливается в ферментационном резервуаре и формой осуществления настоящего изобретения является непрерывный процесс.
При использовании способа согласно настоящему изобретению можно получить из различных малых потоков отходов, образующихся в пищевой промышленности, сельском хозяйстве и других отраслях промышленности, смесь этанола и воды с содержанием этанола, равным 35-65 мас.%, предпочтительно – 40-50 мас.%, для дальнейшей обработки с целью получения желаемого содержания этанола, например – для использования его в качестве топлива для транспортных средств или в качестве растворителя для различных промышленных способов, в которых используются смеси, содержащие этанол, или в других прикладных задачах, где используются этанол или смеси, содержащие этанол. Неферментированное вещество/отходы из реактора или ферментационного резервуара, образующиеся в способе согласно настоящему изобретению, можно утилизировать в качестве корма для животных или удобрения для почв.
Изобретение не ограничено исключительно примерами его осуществления, описанными выше; в пределах объема идеи изобретения, определенного в формуле изобретения, возможны многочисленные вариации.
Формула изобретения
1. Способ получения смеси этанола и воды, в котором а) поддающиеся ферментации сырьевые материалы (1), выбранные из сахаров и сырьевых материалов, способных гидролизоваться до поддающихся ферментации сахаров, и вспомогательные вещества (2, 3) подают в реактор (4); б) сырьевые материалы ферментируют в реакторе (4); в) смесь этанола и воды отделяют от ферментационного раствора, содержащегося в реакторе, в выпарном аппарате (13); и г) неферментированное вещество (6) удаляют из реактора, отличающийся тем, что способ предусматривает использование, по меньшей мере, двух выпарных аппаратов с падающей пленкой жидкости, причем д) во время ферментации ферментационный раствор (7, 9) из реактора (4) непрерывно подают в первый выпарной аппарат с падающей пленкой жидкости (13), либо непосредственно, либо через сепаратор твердых веществ (8), е) при этом смесь этанола и воды испаряется в первом выпарном аппарате с падающей пленкой жидкости, пар (14), полученный в выпарном аппарате, конденсируют, а конденсированную смесь этанола и воды концентрируют во втором выпарном аппарате с падающей пленкой жидкости (18), который расположен последовательно с первым выпарным аппаратом с падающей пленкой жидкости (13); ж) воду удаляют из второго выпарного аппарата (18) посредством нижнего слива (20); и з) нелетучие вещества (15) удаляют из первого выпарного аппарата (13) и повторно возвращают в реактор (4).
2. Способ по п.1, отличающийся тем, что реактор представляет собой ферментационный резервуар (4).
3. Способ по п.1, отличающийся тем, что воду, удаленную из второго выпарного аппарата с падающей пленкой жидкости (18) возвращают в него для минимизации концентрации этанола в воде перед удалением воды (20) из указанного выпарного аппарата.
4. Способ по п.1, отличающийся тем, что ферментационный раствор из реактора (4) подают в сепаратор твердых веществ (8), для отделения от ферментационного раствора суспензии, содержащей твердые вещества (10, 11), затем указанный раствор (12) из сепаратора подают в первый выпарной аппарат с падающей пленкой жидкости (13).
5. Способ по п.4, отличающийся тем, что суспензию, содержащую твердые вещества (10), отделенную в сепараторе твердых веществ, возвращают в реактор (4).
6. Способ по п.4, отличающийся тем, что суспензию, содержащую твердые вещества (11), отделенную в сепараторе твердых веществ, удаляют из процесса.
7. Способ по п.1, отличающийся тем, что в нем используют более двух выпарных аппаратов с падающей пленкой жидкости (13, 18), соединенных последовательно, для отделения и концентрирования смеси этанола и воды.
8. Способ по п.1, отличающийся тем, что смесь этанола и воды концентрируют до концентрации этанола, равной примерно 35-65 мас.%.
9. Способ по п.1, отличающийся тем, что смесь этанола и воды концентрируют до концентрации этанола, равной примерно 40-50 мас.%.
10. Способ по п.1, отличающийся тем, что сырьевой материал подают по трубопроводу (1) в ферментационный резервуар (4); вспомогательные вещества подают в ферментационный резервуар по трубопроводам (2) и (3); при опорожнении ферментационного резервуара (4) неферментированное вещество удаляют через трубопровод (6); газы, образовавшиеся в ферментационном резервуаре в результате спиртового брожения, удаляют из ферментационного резервуара через трубопровод (5); в зависимости от состава ферментационного раствора ферментационный раствор подают либо по трубопроводу (7) через сепаратор твердых веществ (8) в первый выпарной аппарат с падающей пленкой жидкости (13), либо непосредственно из ферментационного резервуара (4) по трубопроводу (9) в первый выпарной аппарат с падающей пленкой жидкости (13); из сепаратора твердых веществ (8) суспензию с высоким содержанием твердых веществ возвращают в ферментационный резервуар (4) по трубопроводу (10) или суспензию с высоким содержанием твердых веществ из сепаратора твердых веществ (8) удаляют из процесса с помощью трубопровода (11); из первого выпарного аппарата с падающей пленкой жидкости (13) пар по трубопроводу (14) подают в конденсатор (16), из которого поток конденсата по трубопроводу (17) подают во второй выпарной аппарат с падающей пленкой жидкости (18), соединенный последовательно с первым выпарным аппаратом; из первого выпарного аппарата с падающей пленкой жидкости нелетучие вещества подают по трубопроводу (15) в ферментационный резервуар (4); нижний поток из второго выпарного аппарата с падающей пленкой жидкости (18), состоящий, в основном, из воды, удаляют через трубопровод (20); пар из второго выпарного аппарата с падающей пленкой жидкости (18) подают по трубопроводу (19) в конденсатор (21), а оттуда по трубопроводу (22) в конечный конденсатор (23), из которого конденсированную смесь этанола и воды подают по трубе (24) в резервуар-накопитель (25) смеси этанола и воды, а отходящий из конечного конденсатора газ выводят из процесса по трубопроводу (26).
11. Установка для получения смеси этанола и воды, содержащая реактор (4) для осуществления ферментации сырьевых материалов и вспомогательных веществ с получением ферментационного раствора, выпарной аппарат (13) для отделения смеси этанола и воды от ферментационного раствора и трубопроводы (7, 9, 12) для отведения указанного раствора из реактора (4) и подачи его в выпарной аппарат (13) и трубопровод (6) для отведения неферментированного вещества из реактора, отличающаяся тем, что установка включает, по меньшей мере, два соединенных между собой последовательно выпарных аппарата, выполненных в виде выпарных аппаратов с падающей пленкой жидкости, первый из которых (13) предназначен для отделения смеси этанола и воды от ферментационного раствора, а второй (18) – для концентрирования смеси этанола и воды, конденсатор, в который направляют смесь паров этанола и воды, полученную в первом выпарном аппарате (13), перед подачей ее во второй выпарной аппарат (18), при этом установка снабжена отводящим трубопроводом (20) для удаления воды из второго выпарного аппарата в виде нижнего потока и трубопроводом (15) для отведения нелетучих веществ из первого выпарного аппарата (13) и возвращения их в реактор.
12. Установка по п.11, отличающаяся тем, что реактор представляет собой ферментационный резервуар (4).
13. Установка по п.11, отличающаяся тем, что она включает сепаратор твердых веществ (8), который установлен между реактором (4) и первым выпарным аппаратом с падающей пленкой жидкости (13), и в котором суспензию, содержащую твердые вещества (10, 11), отделяют от ферментационного раствора.
14. Установка по п.11, отличающаяся тем, что она включает трубопровод (10) для возвращения суспензии, содержащей твердые вещества, из сепаратора твердых веществ (8) в реактор (4).
15. Установка по п.11, отличающаяся тем, что она включает более двух соединенных последовательно выпарных аппаратов с падающей пленкой жидкости (13, 18) для отделения и концентрирования смеси этанола и воды.
16. Способ получения топливной смеси, характеризующийся тем, что смесь этанола и воды, полученную способом по любому из пп.1-10, концентрируют до желаемого содержания в ней этанола, а концентрированную смесь этанола и воды в качестве компонента топлива смешивают с другими компонентами топлива с получением предварительно заданной топливной смеси.
17. Способ по п.16, отличающийся тем, что смесь этанола и воды концентрируют с получением смеси, содержащей более 85 мас.% этанола.
РИСУНКИ
|
|