|
|
(21), (22) Заявка: 2009118105/11, 12.05.2009
(24) Дата начала отсчета срока действия патента:
12.05.2009
(46) Опубликовано: 10.06.2010
(56) Список документов, цитированных в отчете о поиске:
RU 2236972 С2, 27.09.2004. RU 2098302 C1, 10.12.1997. RU 2007116792 A, 10.11.2008. RU 2183575 С2, 20.06.2002.
Адрес для переписки:
443066, г.Самара, 1-й Безымянный пер., 18, СамГУПС, патентный отдел
|
(72) Автор(ы):
Тарасов Евгений Михайлович (RU), Трошина Марина Васильевна (RU), Моисеев Евгений Геннадьевич (RU), Якобчук Артем Игоревич (RU)
(73) Патентообладатель(и):
Государственное образовательное учреждение высшего профессионального образования “Самарский государственный университет путей сообщения” (СамГУПС) (RU)
|
(54) ГОРОЧНАЯ РЕЛЬСОВАЯ ЦЕПЬ
(57) Реферат:
Изобретение относится к железнодорожному транспорту, а в частности к рельсовым цепям, и может применяться, например, в системе горочной централизации. Горочная рельсовая цепь содержит изолированную рельсовую линию (3), источник питания (1), регулировочные резисторы (6) и путевое реле (8), согласующий трансформатор (2), исполнительное (10) и контрольное (9) реле, измерительный (7), ограничительный (5) и нагрузочный (4) резисторы. Нагрузочный резистор (4) подключен к одним концам изолированной рельсовой линии (3), к другим концам которой подключена вторичная обмотка согласующего трансформатора (2). Первичная обмотка согласующего трансформатора (2) одним выводом подключена к одному выводу источника питания (4), а другим – через ограничительный резистор (5), регулировочный резистор (6), который параллельно включен с путевым реле (8), и измерительный резистор (7), который параллельно включен с контрольным реле (5) со вторым выводом источника питания (1), контакты путевого (8) и контрольного (9) реле соединены с исполнительным реле (10), которое расположено на посту ЭЦ. Техническим результатом является повышение надежности работы рельсовой цепи. 2 ил.
Изобретение относится к железнодорожному транспорту, а в частности к рельсовым цепям, и может применяться, например, в системе горочной централизации.
Известна горочная нормально-разомкнутая рельсовая цепь, содержащая источник переменного тока, подключенный к одним концам изолированных рельсов через регулировочный и ограничивающий резисторы, и путевое реле, подключенное параллельно к регулировочному резистору. [Сагайтис B.C., Соколов В.Н. Устройства механизированных и автоматизированных сортировочных горок: Справочник. – М.: Транспорт, 1979, – с.25-37].
Недостатком известной рельсовой цепи является низкая ее надежность вследствие отсутствия контроля целостности рельсовой линии и исправности элементов рельсовой цепи из-за выключенного (не Г – активного) состояния путевого реле в нормальном режиме.
Известна горочная рельсовая цепь, содержащая источник переменного тока, подключенный к одним концам изолированных рельсов через регулировочные резисторы, путевое реле и реактивные элементы, включенные по мостовой схеме, причем путевое реле включено в ее диагональ, а один из реактивных элементов подключен к другим концам рельсов [Авторское свидетельство СССР 839802, МПК B61L 23/16, B61L 17/00, опубл. 1981.25.06, БИ 23, авторы Соболев Ю.В., Попов О.С. и др. «Горочная рельсовая цепь»].
Недостатком известного устройства также является невысокая надежность из-за высокой чувствительности схемы к изменению проводимости изоляции рельсовых линий, которая приводит к разбалансированию моста и появлению ложной информации о занятости рельсовой линии.
Данное техническое решение выбрано авторами в качестве прототипа.
Техническим результатом является повышение надежности работы рельсовой цепи.
Технический результат достигается тем, что горочная рельсовая цепь, содержащая изолированную рельсовую линию, источник питания, регулировочные резисторы и путевое реле, дополнительно снабжена согласующим трансформатором, исполнительным и контрольным реле, измерительным, ограничительным и нагрузочным резисторами, причем нагрузочный резистор подключен к одним концам изолированной рельсовой линии, к другим концам которой подключена вторичная обмотка согласующего трансформатора, а его первичная обмотка одним выводом подключена к одному выводу источника питания, а другим – через ограничительный резистор, регулировочный резистор, который параллельно включен с путевым реле, и измерительный резистор, который параллельно включен с контрольным реле со вторым выводом источника питания, контакты путевого и контрольного реле соединены с исполнительным реле, которое расположено на посту ЭЦ.
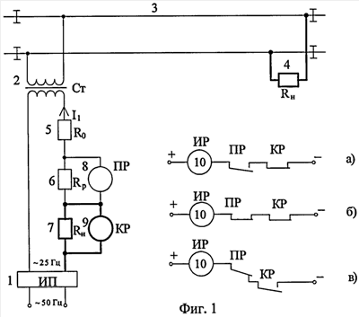
На фиг.1 представлена схема горочной рельсовой цепи с тремя схемами состояний контактов: а – нормальный режим, б – шунтовой режим, в – контрольный режим.
На фиг.2 – графики изменения тока на входе рельсовой цепи в нормальном и шунтовом режимах (область существования шунтового режима при изменении сопротивления изоляции и координаты шунта заштрихована).
Горочная рельсовая цепь состоит из источника питания переменного тока 1, согласующего трансформатора 2, изолированной рельсовой линии 3, нагрузочного 4, ограничительного 5, регулировочного 6, измерительного 7, резисторов, путевого 8, контрольного 9 и исполнительного 10 реле.
Работа устройства происходит следующим образом.
На первичную обмотку согласующего трансформатора 2 через последовательно соединенные ограничительный 5, регулировочный 6 и измерительный 7 резисторы подается с выхода источника питания 1 переменное напряжение частотой 25 Гц. Параллельно к регулировочному резистору подсоединено путевое реле 8, а к измерительному резистору – контрольное реле 9, вторичная обмотка согласующего трансформатора 2 подключена к началу рельсовой линии 3, нагруженной на другом конце на резистор 4. Исполнительное реле 10 соединено с контактами путевого 8 и контрольного 9 реле.
В нормальном режиме контрольное реле 9 включено, т.к. падение напряжения от тока источника питания 1 на измерительном резисторе 7 достаточно для его срабатывания, а путевое реле 8 выключено, т.к. величина тока, протекающего через регулировочный резистор 6, не достаточна для его срабатывания, следовательно, исполнительное реле 10 выключено (фиг.1, а), и соответственно рельсовая линия 3 (участок контроля) свободна и исправна.
В шунтовом режиме происходит резкое увеличение тока I1 (фиг.1) (например, при i-ом значении Rизi с точки а) до точки б) и в)), и соответственно срабатывает путевое реле 8, что приводит при включенном контрольном реле 9 к срабатыванию исполнительного реле 10 (фиг.1, б)), и соответственно рельсовая линия 3 занята отцепом и исправна.
В контрольном режиме, в случае излома рельса, из-за уменьшения тока I1 (фиг.1) выключается контрольное реле 9 и исполнительное реле 10 обесточивается (фиг.1, в)), и соответственно рельсовая линия 3 свободна, но неисправна.
В качестве элементной базы реализации могут использоваться широко применяемые в железнодорожной автоматике приборы: преобразователи частоты, реле, резисторы, трансформаторы.
Предложенная горочная рельсовая цепь обеспечивает высокую надежность и безопасность благодаря непрерывному контролю целостности рельсовых линий и элементов схемы рельсовой цепи.
Формула изобретения
Горочная рельсовая цепь, содержащая изолированную рельсовую линию, источник питания, регулировочные резисторы и путевое реле, отличающаяся тем, что она дополнительно снабжена согласующим трансформатором, исполнительным и контрольным реле, измерительным, ограничительным и нагрузочным резисторами, причем нагрузочный резистор подключен к одним концам изолированной рельсовой линии, к другим концам которой подключена вторичная обмотка согласующего трансформатора, а его первичная обмотка одним выводом подключена к одному выводу источника питания, а другим – через ограничительный резистор, регулировочный резистор, который параллельно включен с путевым реле, и измерительный резистор, который параллельно включен с контрольным реле – со вторым выводом источника питания, контакты путевого и контрольного реле соединены с исполнительным реле, которое расположено на посту ЭЦ.
РИСУНКИ
|
|