|
|
(21), (22) Заявка: 2007128027/11, 29.10.2005
(24) Дата начала отсчета срока действия патента:
29.10.2005
(30) Конвенционный приоритет:
22.12.2004 DE 102004061761.9
(43) Дата публикации заявки: 27.01.2009
(46) Опубликовано: 10.06.2010
(56) Список документов, цитированных в отчете о поиске:
ЕР 1464556 А1, 06.10.2004. US 2004141853 А1, 22.07.2004. DE 10004091 А1, 09.08.2001. DE 10258889 А1, 01.07.2004. SU 1537590 А1, 23.01.1990. RU 2213672 C2, 10.10.2003.
(85) Дата перевода заявки PCT на национальную фазу:
23.07.2007
(86) Заявка PCT:
EP 2005/011616 20051029
(87) Публикация PCT:
WO 2006/074722 20060720
Адрес для переписки:
129090, Москва, ул. Б.Спасская, 25, стр.3, ООО “Юридическая фирма Городисский и Партнеры”, пат.пов. С.А.Дорофееву, рег. 146
|
(72) Автор(ы):
ДИКМЕЙЕР Хайнрих (DE)
(73) Патентообладатель(и):
ВАБКО ГМБХ УНД КО.ОХГ (DE)
|
(54) УСТАНОВКА С НАПОРНЫМ СРЕДСТВОМ
(57) Реферат:
Изобретение относится к автомобилестроению. Установка содержит устройство (1) подачи напорного средства с запасным резервуаром (8, 9, 10) для напорного средства, а также с устройством-потребителем (14, 15) напорного средства. Устройство (1) подачи напорного средства обеспечивает напорным средством запасный резервуар (8, 9, 10) для напорного средства, а устройство-потребитель (14, 15) напорного средства пригодно для отбора напорного средства из запасного резервуара (8, 9, 10) для напорного средства. В установке предусмотрен канал (16) для передачи данных, к которому подключены устройство (1) подачи напорного средства и устройство-потребитель (14, 15) напорного средства. По каналу (16) для передачи данных от одного из подключенных к нему устройств (1, 11, 12, 13, 14, 22) передается разрешающий сигнал на отбор напорного средства, который сигнализирует устройству-потребителю (14, 15) напорного средства о том, что напорное средство можно отбирать из запасного резервуара (8, 9, 10) для напорного средства. Достигается улучшение технических характеристик установки и упрощение ее конструкции. 2 н. и 10 з.п. ф-лы, 3 ил.
Изобретение относится к установке с напорным средством согласно ограничительной части пункта 1 формулы изобретения.
Известные установки с напорным средством на транспорте обычно имеют устройство подачи напорного средства, запасные резервуары для напорного средства, а также потребители напорного средства, причем последние выполнены, например, в виде установок рабочих тормозов, тормозных систем прицепов, установок стояночных тормозов или установок пневматического подвешивания. Такие потребители напорного средства отбирают необходимое напорное средство из одного, а зачастую из нескольких запасных резервуаров для напорного средства. Для заполнения резервуаров напорным средством предусмотрено устройство подачи этого средства. Устройство подачи напорного средства содержит, например, при использовании сжатого воздуха в качестве напорного средства, компрессор, воздушную сушилку, регулятор давления, а также многоконтурный предохранительный клапан для разделения отдельных контуров сжатого воздуха. Такое устройство подачи сжатого воздуха, как оно, например, известно из DE 10004091 C2, может быть также снабжено устройством электронного управления. В этом случае устройство электронного управления выполняет функции регулятора давления и многоконтурного предохранительного клапана обычной конструкции в сочетании с соответствующими датчиками и исполнительными устройствами, т.е. в этом случае устройство электронного управления имеет функцию многоконтурной защиты.
При использовании вышеупомянутых потребителей напорного средства на транспорте необходимо учитывать, что такие потребители напорного средства, наличие которых с точки зрения безопасности не связано с критическими последствиями для работы транспортного средства, а если и связано, то лишь в незначительной степени, из соображений безопасности, например, из-за большого потребления напорного средства, не должны мешать функционированию тех потребителей напорного средства, наличие которых связано с особо критическими последствиями для работы транспортного средства. В качестве примера такого потребителя напорного средства, ограниченное использование которого может иметь особо критические последствия с точки зрения безопасности, следует назвать тормозную систему, а в качестве примера потребителя напорного средства с малозначащими критическими последствиями для безопасности – систему пневматического подвешивания.
В случае транспортных средств с пневматическим тормозным устройством в этой связи следует иметь в виду, в частности, Инструкцию 98/12/EG. В частности, в порядке выполнения положений абзаца 2.2.1.16 Приложения 1 вышеупомянутой Инструкции (что соответствует Правилу ЕСЕ R-13, (абзац 5.2.1.16) для определенных групп потребителей сжатого воздуха необходимо предусматривать собственные запасные резервуары для сжатого воздуха. Так, например, обычно для системы рабочего тормоза используются запасный резервуар со сжатым воздухом для тормозного контура передней оси и отдельный резервуар со сжатым воздухом для тормозного контура задней оси. Дополнительно для других потребителей сжатого воздуха, как, например, для упомянутых систем пневматического подвешивания, в каждом случае предусматривается отдельный запасный резервуар для сжатого воздуха. Таким образом следует добиваться того, чтобы второстепенные потребители, о которых говорится в Инструкции 98/12/EG, т.е. те потребители, которые не относятся к системе рабочего тормоза транспортного средства, как, например, система пневматического подвешивания, своей работой не способствовали нежелательному сокращению запаса сжатого воздуха в запасных резервуарах для сжатого воздуха системы рабочего тормоза в настолько большой степени, чтобы оказалось под вопросом соблюдение предписаний закона об эффективности торможения транспортного средства. Известный способ использования перепускных клапанов и запасных резервуаров для сжатого воздуха связан с высокой стоимостью оборудования и большой трудоемкостью при монтаже установки сжатого воздуха в транспортном средстве.
Поэтому в основу изобретения положена задача создания установки с напорным средством, которая может быть менее трудоемкой и выполняться более дешевой.
Эта задача решается посредством изобретения, раскрытого в пункте 1 формулы изобретения. Усовершенствованные варианты и предпочтительные варианты выполнения изобретения приведены в дополнительных пунктах изобретения.
Изобретение имеет то преимущество, что в установке с напорным средством согласно изобретению можно отказаться от специальных перепускных клапанов и запасных резервуаров с напорным средством для таких устройств-потребителей напорного средства, какими являются второстепенные потребители в вышеупомянутом смысле. При этом устройство-потребитель напорного средства в целях обеспечения напорным средством предпочтительно простым способом может быть непосредственно или же через устройство подачи напорного средства подсоединено к другим запасным резервуарам для напорного средства, которые, например, и без того должны присутствовать для выполнения Инструкции 98/12/EG, например, запасные резервуары с напорным средством для системы рабочего тормоза. Благодаря этому могут быть сэкономлены расходы на становящиеся ненужными перепускные клапаны и запасный резервуар для напорного средства, а также на соответствующие трубопроводы, необходимые для их подключения. Кроме того, могут быть сэкономлены средства и время для монтажа установки с напорным средством. Другое преимущество заключается в том, что тем самым выполняются положения Инструкции 98/12/EG. При этом должно быть взаимодействие такого устройства в установке с напорным средством, которая генерирует разрушающий сигнал на отбор напорного средства, с устройством-потребителем напорного средства, которое соответствующим образом следит за разрешающим сигналом на отбор напорного средства для соблюдения этих положений без вынужденного учета дополнительных мер при проектировании установки с напорным средством для транспортного средства.
Изобретение более подробно поясняется на примере осуществления при упоминании других преимуществ, а также при использовании чертежей.
Фиг.1-3 схематически изображают варианты осуществления установки с напорным средством. На фигурах трубопроводы напорного средства изображены сплошными линиями, а электрические провода – пунктиром. Кроме того, предполагается, что установка с напорным средством в соответствии с фигурами найдет применение в каком-либо транспортном средстве.
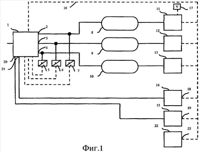
В соответствии с фиг.1 устройство 1 подачи напорного средства имеет подключения 2, 3, 4, для отбора напорного средства, которые через трубопроводы для напорного средства соединены с запасными резервуарами 8, 9, 10 для напорного средства. С запасными резервуарами 8, 9, 10 для напорного средства с помощью трубопроводов для напорного средства соединены устройства 11, 12, 13, потребляющие напорное средство. Что касается устройств 11, 12, 13, потребляющих напорное средство, то здесь речь идет, например, о контуре 11 системы рабочего тормоза передней оси, о контуре 12 системы рабочего тормоза задней оси, а также о тормозном контуре 13 прицепа. Устройства 11, 12, 13, потребляющие напорное средство, в любое время могут отбирать напорное средство из сопряженного с ними запасного резервуара 8, 9, 10 для напорного средства.
Устройство 1 подачи напорного средства имеет функцию многоконтурной защиты, которая служит для разделения вышеупомянутых контуров напорного средства, а также функцию известного многоконтурного предохранительного клапана. Функция такого рода многоконтурной защиты, а также конкретный вариант осуществления изобретения с пневматическими клапанами известен, например, из DE 19622095 А1.
Устройство 1 подачи напорного средства имеет дополнительные подключения 20, 21 для отбора напорного средства, к которым через соответствующие трубопроводы для напорного средства подсоединены первое устройство-потребитель 14 напорного средства и второе устройство-потребитель 15 напорного средства. Первое устройство-потребитель 14 напорного средства и второе устройство-потребитель 15 напорного средства могут быть соединены с запасными резервуарами 8, 9 для напорного средства через многоконтурную защитную функцию. Устройства-потребители 14 или 15 напорного средства могут быть, например, выполнены как установка регулирования уровня для транспортного средства.
Кроме того, предусмотрен канал 16 для передачи данных, который предпочтительно может быть выполнен в виде проводной шины данных, например, как CAN-шина (CAN – Controller Area Network), по которой передача данных осуществляется с помощью электрических проводов. Также может быть предпочтительно, чтобы канал 16 для передачи данных был выполнен в виде беспроводной линии передачи данных, например, линии радиосвязи. Устройство 1 подачи напорного средства, а также по меньшей мере устройства-потребители 14, 15 напорного средства соединены через подключения 18, 19 с каналом 16 для передачи данных, соответственно. Кроме того, в предпочтительном варианте осуществления изобретения устройства 11, 12, 13, потребляющие напорное средство, соединены с каналом 16 для передачи данных через соответствующие подключения.
В одном из предпочтительных вариантов осуществления изобретения с каналом 16 для передачи данных через соответствующие подключения 23 могут быть соединены другие устройства 22, как, например, центральное электронное устройство или электронная приборная панель.
По каналу 16 для передачи данных устройства 1, 11, 12, 13, 14, 15, 22 могут осуществлять обмен данными между собой.
Устройство 1 подачи напорного средства с помощью электрических проводов соединено с датчиками 5, 6, 7 давления, которые, соответственно, пневматически соединены с запасными резервуарами 8, 9, 10 для напорного средства и воспринимают соответствующее давление в запасных резервуарах 8, 9, 10 для напорного средства, а также передают его в устройство 1 подачи напорного средства в виде сигнала давления. Датчики 5, 6, 7 давления могут быть также встроены в устройство 1 подачи напорного средства. Устройство 1 подачи напорного средства передает сигнал давления датчиков 5, 6, 7 давления по каналу 16 для передачи данных.
Кроме того, устройство 1 подачи напорного средства генерирует разрешающий сигнал на отбор напорного средства (сокращенно, разрешающий сигнал), который сигнализирует устройству-потребителю 14, 15 напорного средства о том, что напорное средство может быть отобрано по меньшей мере из одного из запасных резервуаров 8, 9, 10 для напорного средства. Для этого устройство 1 подачи напорного средства сравнивает сигнал давления датчика 5, 6, 7, давления сопряженного с соответствующим запасным резервуаром 8, 9, 10 для напорного средства, с минимальным значением, предварительно установленным для запасного резервуара с напорным средством, и генерирует разрешающий сигнал, если сигнал давления достигнет предварительно заданной минимальной величины. При ослаблении разрешающего сигнала до значения ниже предварительно заданной минимальной величины подача разрешающего сигнала прекращается, причем во избежание слишком частого переключения в ту или иную сторону в качестве критерия для генерирования или прекращения сигнала целесообразно предусмотреть некоторый гистерезис.
Устройство 1 подачи напорного средства передает разрешающий сигнал по каналу 16 для передачи данных, с которого сигнал может приниматься и обрабатываться остальными устройствами 11, 12, 13, 14, 15, 22, в частности, устройствами-потребителями 14, 15 напорного средства. Как только сигнал давления перестает достигать предварительно заданного минимального значения, устройство 1 подачи напорного средства прекращает передачу разрешающего сигнала. В одном из предварительных вариантов выполнения изобретения разрешающий сигнал передается по каналу 16 для передачи данных через равные промежутки времени, например, с интервалами 0,1 сек.
Вместо устройства 1 подачи напорного средства разрешающий сигнал в соответствии с вышеприведенной последовательностью операций может генерировать и передавать по каналу 16 для передачи данных и любое другое из устройств 11, 12, 13, 14, 15, 22, которые по каналу 16 для передачи данных принимают сигналы давления, передаваемые устройством 1 подачи напорного средства, например, центральное электронное устройство или электронная приборная панель.
Целесообразно также соединять датчики 5, 6, 7 давления с помощью электрических проводов вместо устройства 1 подачи напорного средства с другим устройством 22, установленным на транспортном средстве, например с электронной приборной панелью или центральным электронным устройством. В транспортных средствах с пневматическим тормозом на электронной приборной панели принято предусматривать индикаторные устройства для показаний давления в запасных резервуарах 8, 9, 10 с напорным средством, на основании которых водитель транспортного средства получает информацию о величине давления в данный момент. Для этого приборная панель, т.е. электроника приборной панели 22, служащая для управления индикаторными функциями приборной панели, соединена с датчиками давления. В одном из предпочтительных вариантов выполнения изобретения электронная приборная панель 22 сформирована таким образом, чтобы она была также подключена к каналу 16 для передачи данных и передавала сигналы давления датчиков 5, 6, 7 давления по каналу 16 для передачи данных в устройство 1 подачи напорного средства, а в случае необходимости – на другие приемники. В одном из предпочтительных вариантов выполнения изобретения электронная приборная панель 22 генерирует разрешающий сигнал вместо устройства 1 подачи напорного средства и передает его по каналу 16 для передачи данных.
Как об этом уже упоминалось, устройства 11, 12, 13, потребляющие напорное средство, могут отбирать напорное средство из сопряженных с ними запасных резервуаров 8, 9, 10 для напорного средства в любое время, т.е. даже без разрешающего сигнала. В то же время устройствам-потребителям 14, 15 напорного средства отбирать напорное средство из одного из запасных резервуаров 8, 9, 10 для напорного средства разрешается только тогда, когда это позволяет разрешающий сигнал. Поэтому устройства-потребители 14, 15 напорного средства оборудованы для приема и обработки разрешающего сигнала с таким расчетом, чтобы отбор напорного средства производился в соответствии с разрешающим сигналом. При этом остальные функции устройств-потребителей 14, 15 напорного средства, которые могут быть реализованы и без отбора напорного средства, осуществляются независимо от разрешающего сигнала.
Кроме того, устройство 11, потребляющее напорное средство, с помощью электропроводки соединено с датчиком 17 скорости. По сигналу датчика скорости определяется скорость транспортного средства. Устройство 11, потребляющее напорное средство, принимает сигнал датчика 17 скорости и выдает в канал 16 для передачи данных сигнал скорости, указывающий скорость транспортного средства.
В одном из предпочтительных вариантов выполнения изобретения разрешающий сигнал формируется даже тогда, когда сигнал скорости опускается ниже заранее определенной величины скорости, т.е. когда транспортное средство почти останавливается. В результате для устройств-потребителей 14, 15 напорного средства открывается возможность отбирать напорное средство из запасных резервуаров 8, 9, 10 для напорного средства в зависимости от потребности даже в том случае, если для получения разрешающего сигнала вышеупомянутый критерий минимального давления не будет выполнен, т.е. если имеется величина более низкая, чем заранее определенная минимальная величина.
Устройство 11, потребляющее напорное средство, или одно из устройств 1, 12, 13, 14, 15, 22, которые могут принимать сигнал скорости из канала 16 для передачи данных, могут генерировать разрешающий сигнал, исходя из только что поясненного критерия скорости. Предпочтительно генерирование разрешающего сигнала осуществляется единообразно одним из устройств 1, 11, 12, 13, 14, 15, 22, которое тем самым контролирует как критерий минимального давления, так и критерий скорости и генерирует разрешающий сигнал в том случае, если выполняется по меньшей мере один из критериев.
В одном из предпочтительных вариантов выполнения изобретения разрешающий сигнал формируется даже тогда, когда приведен в действие стояночный тормоз, например, водителем транспортного средства. В таком случае следует исходить из того, что транспортное средство, по существу, стоит на месте. Кроме того, водитель, отпустив стояночный тормоз, на основе этого критерия в любое время может прекратить подачу разрешающего сигнала.
Альтернативным образом, разрешающий сигнал может быть также сформирован и передан, так сказать, как инвертированный сигнал, т.е. как сигнал блокировки отбора напорного средства (сокращенно, запирающий сигнал), сигнализирующий о том, что из резервуара 8,9,10 для напорного средства его отбирать нельзя. Предпочтительно использовать разрешающий сигнал комбинированным образом, т.е. так, чтобы при достижении предварительно заданного минимального значения разрешающий сигнал передавался, а при недостижении заданного минимального значения передавался запирающий сигнал.
Установка с напорным средством согласно фиг.2 соответствует установке на фиг.1 с той лишь разницей, что у устройства 1 подачи напорного средства не предусмотрено подключений 20, 21 для отбора напорного средства для подключения устройств-потребителей 14, 15 напорного средства. Вместо этого устройство-потребитель 14 напорного средства с помощью трубопровода для напорного средства подключено непосредственно к запасному резервуару 9 для напорного средства, а устройство-потребитель 15 напорного средства с помощью другого трубопровода для напорного средства подключено непосредственно к запасному резервуару 10 для напорного средства. Благодаря этому устройство 1 подачи напорного средства может быть еще более упрощено и сконструировано с меньшими затратами.
Установка с напорным средством согласно фиг.3 также исходит из установки с напорным средством в соответствии с фиг.1, причем выполнение согласно фиг.3 предпочтительно для тех транспортных средств, у которых устройство-потребитель 14,15 напорного средства испытывает относительно частую и большую потребность в напорном средстве, например, это может быть устройство регулирования уровня у транспортного средства, в котором из-за характера его использования этот уровень часто приходится устанавливать вручную. В таких случаях предпочтительно все-таки предусматривать согласно изобретению по соображениям безопасности сам по себе более не нужный запасный резервуар для напорного средства, только исходя из повышенной потребности в напорном средстве. Последний изображен на фиг.3 в виде запасного резервуара 24 для напорного средства.
Запасный резервуар 24 для напорного средства через перепускной клапан 25 соединен с компрессором, предусмотренным в устройстве 1 подачи напорного средства. В соответствии с целесообразным усовершенствованным вариантом изобретения перепускной клапан 25 интегрирован в устройство 1 подачи напорного средства. Благодаря этому перепускной клапан 25 может быть реализован относительно дешево. Другое преимущество состоит в том, что для подключения перепускного клапана 25 не требуется никаких дополнительных расходов на трубопроводы. Перепускной клапан 25 выполняет функцию пропуска сжатого воздуха, вырабатываемого компрессором, лишь по достижении некоторого минимального давления в запасном резервуаре 24 для напорного средства. Минимальное давление предпочтительно устанавливается в соответствии с так называемым расчетным давлением или в соответствии с требованиями закона. При этом речь идет о величине давления, при котором водитель транспортного средства получает оптический или акустический сигнал о готовности к эксплуатации рабочего тормозного устройства. Как только в резервуаре 24 для напорного средства установится соответствующее давление, устройство-потребитель 14,15 напорного средства через обратный клапан, шунтирующий перепускной клапан 25, может отбирать сжатый воздух из запасного резервуара 24 для напорного средства.
Формула изобретения
1. Установка с напорным средством с устройством (1) подачи напорного средства, по меньшей мере с одним запасным резервуаром (8, 9, 10) для напорного средства, а также по меньшей мере с одним устройством-потребителем (14, 15) напорного средства, причем устройство (1) подачи напорного средства обеспечивает напорным средством по меньшей мере запасной резервуар (8, 9, 10) для напорного средства, а устройство-потребитель (14, 15) напорного средства пригодно для отбора напорного средства из запасного резервуара (8, 9, 10) для напорного средства, отличающаяся тем, что предусмотрен канал (16) для передачи данных, к которому подключены по меньшей мере устройство (1) подачи напорного средства, а также устройство-потребитель (14, 15) напорного средства, причем по каналу (16) для передачи данных по меньшей мере от одного из подключенных к нему устройств (1, 11, 12, 13, 14, 22) передается разрешающий сигнал на отбор напорного средства, который сигнализирует устройству-потребителю (14, 15) напорного средства о том, что напорное средство может отбираться по меньшей мере из одного запасного резервуара (8, 9, 10) для напорного средства.
2. Установка по п.1, отличающаяся тем, что разрешающий сигнал на отбор напорного средства генерируется устройством (1) подачи напорного средства и передается по каналу (16) для передачи данных.
3. Установка по п.1, отличающаяся тем, что с запасным резервуаром (8, 9, 10) для напорного средства сопряжено устройство (11, 12, 13), потребляющее напорное средство, которое может отбирать напорное средство из сопряженного запасного резервуара (8, 9, 10) для напорного средства даже без разрешающего сигнала.
4. Установка по п.3, отличающаяся тем, что устройство (11, 12, 13), потребляющее напорное средство, подключено к каналу (16) для передачи данных и что устройство (11, 12, 13), потребляющее напорное средство, генерирует разрешающий сигнал на отбор напорного средства и передает его по каналу (16) для передачи данных.
5. Установка по п.3 или 4, отличающаяся тем, что устройство (11, 12, 13), потребляющее напорное средство, выполнено по меньшей мере как часть тормозной установки транспортного средства, в частности рабочей тормозной установки.
6. Установка по п.1, отличающаяся тем, что разрешающий сигнал на отбор напорного средства генерируется другим устройством (22), подключенным к каналу (16) для передачи данных, и передается по каналу (16) для передачи данных.
7. Установка по п.1, отличающаяся тем, что разрешающий сигнал на отбор напорного средства генерируется тогда, когда давление в запасном резервуаре (8, 9, 10) для напорного средства достигнет предварительно заданного минимального значения.
8. Установка по п.1, отличающаяся тем, что она смонтирована на транспортном средстве, а разрешающий сигнал на отбор напорного средства генерируется тогда, когда сигнал скорости, показывающий скорость транспортного средства, окажется ниже заранее определенной величины скорости.
9. Установка по п.1, отличающаяся тем, что она смонтирована на транспортном средстве, а разрешающий сигнал на отбор напорного средства генерируется тогда, когда приводится в действие стояночный тормоз.
10. Установка по п.1, отличающаяся тем, что снабжена перепускным клапаном (25), который предусмотрен для подключения запасного резервуара (24) для напорного средства и который интегрирован в устройство (1) подачи напорного средства.
11. Устройство-потребитель (14, 15) напорного средства для установки с напорным средством по п.1, которое отбирает напорное средство из запасного резервуара (8, 9, 10) для напорного средства только тогда, когда это позволяет разрешающий сигнал.
12. Устройство-потребитель напорного средства по п.11, выполненное как установка регулирования уровня для транспортного средства.
РИСУНКИ
|
|