|
|
(21), (22) Заявка: 2008147255/02, 02.12.2008
(24) Дата начала отсчета срока действия патента:
02.12.2008
(46) Опубликовано: 10.06.2010
(56) Список документов, цитированных в отчете о поиске:
SU 710706 А, 25.01.1980. SU 465271 А, 30.03.1975. EP 0684090 A1, 29.11.1995. DE 1752845 А1, 29.03.1973. FR 2270959 А1, 16.01.1976.
Адрес для переписки:
127238, Москва, Дмитровское ш., 75, ОАО “Союзцветметавтоматика”
|
(72) Автор(ы):
Казинцев Владимир Александрович (RU), Соловьев Юрий Федорович (RU)
(73) Патентообладатель(и):
ОАО “Союзцветметавтоматика” (RU)
|
(54) СПОСОБ УПРАВЛЕНИЯ ПРОЦЕССОМ ПРОКАТКИ ТОНКОЛИСТОВОГО МАТЕРИАЛА
(57) Реферат:
Изобретение относится к прокатному производству. Технический результат – повышение точности управления. Способ управления процессом проката тонколистового материала на прокатном стане включает ультразвуковое измерение толщины материала, при котором вблизи валков прокатного стана, по нормали к плоскости материала, выходящего из зазора валков, излучают ультразвуковые колебания (УЗК) излучателем. Пропускают УЗК через прокатываемый материал и воздушные промежутки между излучателем и первым приемником УЗК, принимают прошедшие УЗК первым приемником. Устанавливают воздушный промежуток между излучателем и первым приемником УЗК в пределах 20-25 , где – длина волны УЗК-излучателя. В зоне излучения излучателя УЗК размещают над поверхностью материала второй приемник УЗК, акустическую ось которого располагают под углом к акустической оси излучателя. Производят функциональное преобразование выходного сигнала второго приемника в напряжение, соответствующее толщине контролируемого материала с коэффициентом ослабления отраженных УЗК такой величины, чтобы их амплитуда была равна амплитуде УЗК, прошедших через полосу. На основе разности сигналов с приемников формируют управляющее воздействие на исполнительный механизм, регулирующий величину зазора между валками прокатного стана для удерживания значения толщины полосы в зоне допуска. 1 з.п. ф-лы, 1 ил.
Предлагаемое изобретение относится к способам и устройствам, специально предназначенным для управления прокатными станами, к измерительным устройствам размеров плоского проката, к управлению и регулированию размеров прокатываемого материала, а именно бесконтактного ультразвукового измерения и регулирования толщины металлической фольги. Может найти применение при производстве листовой продукции в прокатных цехах заводов черной и цветной металлургии, строительной индустрии при производстве пленочных материалов из полиэтилена и др. пластмасс.
Известен способ управления процессом прокатки плоского материала, заключающийся в установке неизменными величины натяжения полосы и раствора валков, наложении на валки ультразвуковых колебаний (УЗК) и изменении скорости прокатки, регулировке амплитуды ультразвуковых колебаний в зависимости от отклонения толщины проката от заданного значения и корректировке по скорости прокатки [1].
К недостаткам такого способа следует отнести невысокую точность, обусловленную отсутствием корректировки амплитуды УЗК в зависимости от температуры, возникающей в результате разогрева валков прокатного стана в процессе деформации прокатываемой полосы через зазор между валками с заданным значением.
Известен другой способ управления процессом прокатки тонколистового материала путем установки неизменными величин раствора валков и натяжения прокатываемой полосы с наложением на валки УЗК и регулированием амплитуды УЗК в функции отклонения толщины полосы с корректировкой по скорости прокатки, размещением вблизи валков прокатного стана излучателя УЗК, дополнительно излучающего импульсные УЗК с частотой, превышающей и некратной частоте основных колебаний, и направленных через воздушные промежутки по нормали к плоскости выходящей из валков полосы и приемника УЗК, прошедших контролируемый материал и воздушный промежуток, принимают прошедшие через полосу УЗК определением изменения амплитуды принятых УЗК относительно их значения при номинальной толщине полосы и использованием разностного сигнала для обратнонаправленного изменения амплитуды основных УЗК [2].
Недостатком этого способа является также невысокая точность ультразвукового контроля толщины, обусловленная тем, что разностный сигнал, полученный в результате сложения основных и дополнительных УЗК и влияющий на управляющее воздействие на валки, не учитывает зависимости амплитуды УЗК в том числе и от температуры в результате разогрева контролируемого материала, валков прокатного стана и воздуха в промежутке между излучателем и приемником УЗК.
В производственном процессе проката из-за деформации металла изменяется температура металла и температура валков и, как следствие, температура воздуха. Изменение температуры воздуха влияет на условия прохождения и затухания УЗК, в том числе и через воздушный промежуток между излучателем и приемником УЗК. Эта функциональная зависимость затухания УЗК от расстояния прохождения УЗК и температуры воздуха приведена в [3].
Задачей настоящего изобретения является создание способа управления процессом прокатки с целью повышения точности прокатываемой толщины фольги и полимерных пленок, заданной пределами допустимых отклонений от номинального значения, с учетом разогрева валков и окружающего воздуха в результате деформации материала. Более близким (прототипом) предложенному способу является второй [2].
От известного способа предложенный отличается тем, что:
– выбирают воздушный промежуток между излучателем и первым приемником УЗК в пределах (20-25) , где – длина волны УЗК-излучателя;
– в зоне излучения УЗК размещают над поверхностью контролируемого материала второй приемник УЗК таким образом, что его акустическая ось расположена под углом к акустической оси излучателя, причем расстояние от излучателя и второго приемника до поверхности контролируемого материала одинаковы;
– принимают вторым приемником отраженные УЗК от поверхности контролируемого материала;
– производят функциональное преобразование выходного сигнала второго приемника в напряжение, соответствующее толщине контролируемого материала;
– устанавливают коэффициент ослабления отраженных УЗК такой величины, чтобы их амплитуда была равна амплитуде УЗК, прошедших через контролируемую полосу;
– задают пределы изменения амплитуды прошедших через контролируемый материал УЗК, соответствующие допустимым отклонениям толщины контролируемого материала от его номинального значения;
– сравнивают амплитуды прошедших через контролируемый материал УЗК и УЗК, отраженных от него, и формируют разностный сигнал и при его значении, превышающем допустимое отклонение от номинального значения толщины, воздействуют на исполнительный механизм, регулирующий величину зазора (раствора) между валками прокатного стана, удерживая тем самым значение толщины в допусковой зоне, причем оптимальный угол наклона к акустической оси излучателя представляет собой 0,5 угла раскрытия основного лепестка диаграммы направленности излучателя на уровне 0,5-0,7 [4], угловой сектор основного лепестка диаграммы направленности, ограниченный указанными пределами, обеспечивает необходимую и достаточную энергию отраженных УЗК, соизмеримых и даже превышающих энергию УЗК, прошедших через контролируемый материал на вход первого приемника.
Техническим результатом предложенного способа является повышение точности контроля толщины тонколистовых материалов в процессе проката за счет дополнительного использования свойств отраженных ультразвуковых волн (УЗВ) при прозвучивании контролируемого материала, реагирующих на изменение температуры валков и окружающего воздуха в прилегающей зоне, и последующего изменения раствора валков.
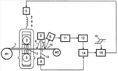
Сущность предлагаемого способа управления процессом проката тонколистового материала на прокатном стане поясняется чертежом, где
1 – прокатываемая полоса (контролируемый материал);
2 – раствор (зазор) валков;
3 – валки прокатного стана;
4 – исполнительный механизм (привод нажимных винтов);
5 – излучатель УЗК;
6 – первый приемник прошедших УЗК;
7 – выбранный воздушный зазор между излучателем УЗК и полосой;
8 – второй приемник отраженных УЗК;
9 – боковые лучи диаграммы направленности излучателя УЗК;
10 – отраженные от поверхности полосы УЗК;
11 – функциональный преобразователь;
12 – аттенюатор (операция ослабления);
13 – УЗК, прошедшие через прокатываемую полосу и воздушные промежутки;
14 – первое сравнивающее устройство;
15 – допусковая зона;
16 – второе сравнивающее устройство.
Перед началом процесса проката устанавливают необходимые величины натяжения контролируемого материала 1 и раствора 2 валков 3, соответствующих заданной толщине. При этом на исполнительный механизм привода 4 нажимных винтов подают электрическое воздействие. В вертикальной плоскости, перпендикулярной плоскости контролируемого материала, в непосредственной близости от валков, размещают соосно излучатель 5 и первый приемник 6 УЗК, направленные навстречу друг другу так, что контролируемый материал 1 находится в центре воздушного зазора 7 между излучателем 5 и первым приемником 6.
Размер воздушного зазора 7 между излучателем и первым приемником выбирают в пределах от 20 до 25 , где – длина волны УЗК-излучателя. Под углом к акустической оси излучателя 5, соответствующим 0,5 угла раскрытия основного лепестка диаграммы направленности излучателя на уровне 0,5-0,7, размещают второй приемник 8 над поверхностью контролируемого материала в зоне теплового влияния валков 3 на воздушный промежуток 7, равный величине расстояния излучателя 5 от полосы.
Импульсные УЗК-излучателя 5, прошедшие через воздух и контролируемый материал 1, принимают первым приемником 6 и преобразуют в электрический аналог – напряжение, соответствующее текущему значению толщины контролируемого материала. На границе раздела двух сред – воздух/ контролируемый материал – из боковых лучей 9 диаграммы направленности излучателя 5 формируют отраженные УЗК 10, которые принимают вторым приемником 8. Принятые вторым приемником УЗК преобразуют в напряжение в соответствии с законом распространения отраженных УЗК в воздушном зазоре между контролируемым материалом и вторым приемником 8. В блоке 11 осуществляют функциональное преобразование выходного напряжения второго приемника 8 в напряжение, соответствующее текущему значению толщины, при этом функция соответствия определяется законом прохождения УЗК через контролируемый материал с учетом температуры. Выходное напряжение блока 11 изменяют в аттенюаторе 12 до амплитудного значения прошедших через контролируемый материал и воздушные промежутки УЗК 13. При неизменной температуре и заданной толщине контролируемого материала выходные сигналы первого приемника 6 и сигналы аттенюатора 12 сравнивают между собой на входе первого сравнивающего устройства 14. При их равенстве сигнал на выходе первого сравнивающего устройства 14 отсутствует, что соответствует нулевому отклонению толщины контролируемого материала от заданного значения.
При неизменной толщине контролируемого материала и изменении его температуры в результате деформации материала в процессе проката изменится также температура окружающего воздуха в воздушном зазоре 7, что приведет к одинаковому изменению амплитудной составляющей как прошедших через контролируемый материал УЗК 13, так и отраженных УЗК 10 от его поверхности. При этом в результате сравнения выходных сигналов первого приемника 6 и аттенюатора 12 на выходе первого сравнивающего устройства 14 сигнал будет также отсутствовать, что соответствует нулевому значению отклонения от заданной толщины.
При изменении толщины контролируемого материала амплитуда УЗК 13, прошедших через контролируемый материал, изменится в то время, как амплитуда отраженных УЗК 7 останется без изменений. В этом случае на выходе первого сравнивающего устройства 14 получают напряжение, пропорциональное отклонению толщины от заданного значения в результате влияния температуры. Если это отклонение лежит в пределах допусковой зоны 15, заданной вторым сравнивающим устройством 16 и определяющей точность, с которой прокатывают контролируемый материал, то воздействие на исполнительный механизм привода 4 не поступает. При выходе напряжения, соответствующего отклонению толщины контролируемого материала за пределы допусковой зоны 15, на выходе второго сравнивающего устройства 16 получают управляющий сигнал, который воздействует на исполнительный механизм привода 4 нажимных винтов, изменяя тем самым раствор (зазор 2 валков 3) и возвращая толщину контролируемого материала в допусковую.
Предложенное изобретение является новым, так как оно неизвестно из предшествующего уровня техники, относящейся к управлению процессом прокатки тонколистового материала в условиях высоких температур, и использует неизвестный способ управления процессом проката тонколистового материала на прокатном стане, которым деформируют полосу материала с системами управления зазором между валками стана, натяжением материала полосы, с ультразвуковым измерением толщины прокатываемого материала, при котором вблизи валков прокатного стана по нормали к плоскости материала, выходящего из зазора валков, излучают ультразвуковые колебания (УЗК) излучателем, пропускают УЗК через прокатываемый материал и воздушные промежутки между излучателем и первым приемником УЗК, принимают прошедшие УЗК первым приемником, выбирают воздушный промежуток между излучателем и первым приемником УЗК в пределах 20-25 , где – длина волны УЗК излучателя; в зоне излучения на уровне излучателя УЗК размещают над поверхностью контролируемого материала второй приемник УЗК таким образом, что его акустическая ось расположена под углом к акустической оси излучателя, составляющим половину угла раскрытия основного лепестка диаграммы направленности излучателя, причем расстояние от излучателя и второго приемника до поверхности контролируемого материала одинаковы; принимают вторым приемником отраженные УЗК от поверхности контролируемого материала; производят функциональное преобразование выходного сигнала второго приемника в напряжение, соответствующее толщине контролируемого материала; устанавливают коэффициент ослабления отраженных УЗК такой величины, чтобы их амплитуда была равна амплитуде УЗК, прошедших через контролируемую полосу; задают пределы изменения амплитуды прошедших через контролируемый материал УЗК, соответствующих допустимому отклонению толщины контролируемого материала от его номинального значения; сравнивают амплитуду прошедших через контролируемый материал УЗК и УЗК, отраженных от него, и формируют разностный сигнал и при его значении, превышающем допустимое отклонение от номинального значения толщины, формируют управляющее воздействие на исполнительные механизмы, регулирующие величину зазора (раствора) между валками прокатного стана, удерживая тем самым значение толщины в допусковой зоне.
Предложенное изобретение имеет изобретательский уровень.
Техническим результатом предложенного способа является повышение точности контроля толщины тонколистовых материалов в процессе проката за счет дополнительного использования свойств отраженных ультразвуковых волн (УЗВ) при прозвучивании контролируемого материала, реагирующих на изменение температуры валков и окружающего воздуха в прилегающей зоне, и последующего изменения раствора валков.
Литература
1. Авторское свидетельство СССР 465241, B21B 37/02, Б.И. 12, 30.03.1975 г.
2. Авторское свидетельство СССР 533117, B21B 37/02.
3. Иофе В.К, Корольков В.Г, Сапожков М.А. Справочник по акустике, М., Связь, 1979.
4. Ермолов И.Н. Теория и практика ультразвукового контроля. – М.: Машиностроение, 1981.
Формула изобретения
1. Способ управления процессом проката тонколистового материала на прокатном стане, которым деформируют полосу материала, с системами управления зазором между валками стана и натяжения материала полосы, включающий ультразвуковое измерение толщины материала, при котором вблизи валков прокатного стана, по нормали к плоскости материала, выходящего из зазора валков, излучают ультразвуковые колебания (УЗК) излучателем, пропускают УЗК через прокатываемый материал и воздушные промежутки между излучателем и первым приемником УЗК, принимают прошедшие УЗК первым приемником, отличающийся тем, что устанавливают воздушный промежуток между излучателем и первым приемником УЗК в пределах 20-25 , где – длина волны УЗК излучателя, в зоне излучения излучателя УЗК размещают над поверхностью материала второй приемник УЗК, акустическую ось которого располагают под углом к акустической оси излучателя, при этом расстояние от излучателя УЗК и второго приемника УЗК до поверхности материала устанавливают одинаковым, принимают вторым приемником УЗК отраженные УЗК от поверхности материала, производят функциональное преобразование выходного сигнала второго приемника в напряжение, соответствующее толщине контролируемого материала с коэффициентом ослабления отраженных УЗК такой величины, чтобы их амплитуда была равна амплитуде УЗК, прошедших через полосу, задают пределы изменения амплитуды прошедших через материал УЗК, соответствующих допустимому отклонению толщины материала от ее номинального значения, сравнивают амплитуду прошедших через материал УЗК и УЗК, отраженных от него, и формируют разностный сигнал, при значении которого, превышающем допустимое отклонение от номинального значения толщины, формируют управляющее воздействие на исполнительный механизм, регулирующий величину зазора между валками прокатного стана для удерживания значения толщины полосы в зоне допуска.
2. Способ по п.1, отличающийся тем, что угол составляет половину угла раскрытия основного лепестка диаграммы направленности излучателя УЗК на уровне 0,5-0,7.
РИСУНКИ
|
|