|
|
(21), (22) Заявка: 2009102552/28, 26.01.2009
(24) Дата начала отсчета срока действия патента:
26.01.2009
(46) Опубликовано: 27.05.2010
(56) Список документов, цитированных в отчете о поиске:
RU 2206936 С2, 20.06.2003. RU 2185040 C1, 10.07.2002. RU 2262216 C1, 10.10.2005. CN 200980186 Y, 21.11.2007. CN 2634785 Y, 18.08.2004. US 2009261735 A1, 22.10.2009.
Адрес для переписки:
454006, г.Челябинск, ул. Российская, 67-1015, ОАО “Уралпатент”, В.А. Захахатновой (для В.В. Уварова)
|
(72) Автор(ы):
Уваров Валерий Витальевич (RU)
(73) Патентообладатель(и):
Уваров Валерий Витальевич (RU)
|
(54) УСТРОЙСТВО ДЛЯ РЕГУЛИРОВАНИЯ ОСВЕЩЕННОСТИ
(57) Реферат:
Заявленное изобретение относится к электротехнике, в частности к оборудованию для электрического освещения, и может быть использовано в осветительных установках с регулированием светового потока. Устройство содержит два вывода, делитель напряжения, первый конденсатор, симистор, резистор, второй и третий конденсаторы, микроконтроллер, диод, стабилитрон, четвертый конденсатор, четыре резистора. Техническим результатом изобретения является повышение надежности работы и удобства в эксплуатации устройства для регулирования освещенности. 1 ил.
Заявляемое изобретение относится к электротехнике, в частности к оборудованию для электрического освещения, и может быть использовано в осветительных установках с регулированием светового потока, например, в бытовых светильниках.
Известно устройство для регулирования освещенности, описанное в заявке 97102486/09 на выдачу патента Российской Федерации на изобретение «Устройство для регулирования освещенности, создаваемой электрическими лампами накаливания» по классу H05B 39/04, поданной 19.02.1997 г. и опубликованной 27.02.1999 г.
Указанное устройство для регулирования освещенности содержит симистор, первый и второй выводы которого соединены в последовательную цепь с лампами накаливания, включенную в сеть переменного тока, при этом для дистанционного управления освещенностью, создаваемой лампами, устройство снабжено приемником ИК-излучений и микроконтроллером, определяющим величину требуемого фазового сдвига импульса управления симистором, при этом выход приемника ИК-излучений соединен с первым входом микроконтроллера, выход которого соединен через резистор с управляющим входом симистора, а второй выход симистора через другой резистор соединен со вторым входом микроконтроллера.
Недостатками описанного выше устройства являются неудобство его в эксплуатации, обусловленное необходимостью в дополнительном оптическом канале и пульте управления, с помощью которого можно регулировать освещенность только в пределах прямой видимости, а также плохая помехоустойчивость, вызванная влиянием на регулятор возможных засветок от пультов управления другой бытовой техники.
Наиболее близким к заявляемому является устройство для регулирования освещенности, описанное в патенте Российской Федерации 2046557 на изобретение «Регулируемое осветительное устройство» по классу H05B 39/04, заявленном
06.12.1991 г. и опубликованном 20.10.1995 г.
Известное устройство для регулирования освещенности содержит лампу накаливания, одним выводом соединенную с первым выводом для подключения сети, второй вывод для подключения сети соединен с катодом симистора, анодом подключенного через фильтр ко второму выводу лампы накаливания, ограничительный резистор, соединенный одним из выводов с анодом симистора, первый накопительный конденсатор, соединенный первым выводом с катодом симистора, однофазный мостовой выпрямитель, один из входных выводов которого соединен с управляющим электродом симистора, переменный резистор, два транзистора разной проводимости, база каждого из которых соединена с коллектором другого транзистора, делитель напряжения, подключенный к выходной диагонали выпрямителя, средний вывод делителя напряжения соединен с базой транзистора p-n-p-проводимости, при этом в него введены форсирующий конденсатор, подключенный параллельно ограничительному резистору, выключатель, совмещенный с переменным резистором и подключенный между другим выводом ограничительного резистора и вторым выводом первого накопительного конденсатора, соединенным с другим входным выводом выпрямителя, второй накопительный конденсатор и тиристор, подключенный к выходной диагонали выпрямителя, при этом первый вывод переменного резистора соединен с анодом тиристора, а второй – с эмиттером транзистора p-n-p-проводимости и через второй накопительный конденсатор с катодом тиристора, управляющий электрод которого подключен к эмиттеру транзистора n-p-n-проводимости.
Недостатками данного устройства для регулирования освещенности являются недостаточная надежность его работы и неудобство в эксплуатации, обусловленные наличием механического контакта в переменном резисторе, качество которого ухудшается с течением времени, а также тем, что при пробое симистора или конденсатора лампу невозможно выключить.
Кроме того, для получения полной яркости свечения лампы необходимо перемещать движок переменного резистора до самого конца, яркость свечения лампы нельзя зафиксировать для последующих включений, нет других, удобных для пользователей режимов работы устройства.
Задачей заявляемого изобретения является повышение надежности работы и удобства в эксплуатации устройства для регулирования освещенности.
Техническим результатом, позволяющим решить указанную задачу, является исключение механических контактов и повышение гибкости управления симистором.
Указанный результат достигается тем, что в устройстве для регулирования освещенности, содержащем первый вывод для подключения последовательно с лампой накаливания к первому зажиму сети, второй вывод для подключения ко второму зажиму сети, симистор, катод которого соединен с одним из выводов устройства и с первым конденсатором, а анод подключен к зажиму резистора, делитель напряжения, второй и третий конденсаторы, согласно изобретению, в него дополнительно введены микроконтроллер, диод, стабилитрон, четвертый конденсатор и четыре резистора, при этом первый зажим микроконтроллера соединен с первым выводом устройства, второй вывод которого служит для подключения ко второму зажиму сети через выключатель, управляющий электрод симистора подсоединен через второй и третий резисторы соответственно ко второму и третьему зажимам микроконтроллера, четвертый зажим которого соединен с его пятым зажимом и подключен через последовательно соединенные диод, четвертый резистор и второй конденсатор ко второму выводу устройства, делитель напряжения подключен к первому и второму выводам устройства, средняя точка делителя напряжения через пятый резистор подключена к шестому зажиму микроконтроллера, седьмой зажим которого соединен с первым резистором и через третий конденсатор с диодом и первым конденсатором, параллельно которому подключен четвертый конденсатор, а параллельно цепочке из диода и первого конденсатора подсоединен стабилитрон.
Введение в устройство для регулирования освещенности микроконтроллера, диода, стабилитрона, четвертого конденсатора и четырех резисторов, соединенных, как описано выше, позволяет исключить механические контакты, качество которых ухудшается с течением времени, что дает возможность сделать работу устройства более надежной, а обеспечение возможности более гибкого управления симистором позволяет фиксировать яркость свечения лампы для последующих включений и ввести другие, удобные для пользователей режимы работы устройства, что повышает удобство его в эксплуатации.
Все это дает возможность повысить надежность работы устройства для регулирования освещенности и удобство его в эксплуатации.
Предлагаемая совокупность существенных признаков сообщает заявляемому устройству новые свойства, позволяющие решать поставленную задачу.
Заявляемое устройство для регулирования освещенности обладает новизной по сравнению с прототипом, отличаясь от него тем, что в него дополнительно введены микроконтроллер, диод, стабилитрон, четвертый конденсатор и четыре резистора, при этом первый зажим микроконтроллера соединен с первым выводом устройства, второй вывод которого служит для подключения ко второму зажиму сети через выключатель, управляющий электрод симистора подсоединен через второй и третий резисторы соответственно ко второму и третьему зажимам микроконтроллера, четвертый зажим которого соединен с его пятым зажимом и подключен через последовательно соединенные диод, четвертый резистор и второй конденсатор ко второму выводу устройства, делитель напряжения подключен к первому и второму выводам устройства, средняя точка делителя напряжения через пятый резистор подключена к шестому зажиму микроконтроллера, седьмой зажим которого соединен с первым резистором и через третий конденсатор с диодом и первым конденсатором, параллельно которому подключен четвертый конденсатор, а параллельно цепочке из диода и первого конденсатора подсоединен стабилитрон.
Заявителю неизвестно устройство для регулирования освещенности, обладающее вышеуказанными отличительными существенными признаками, позволяющими явным образом достичь такого же технического результата, поэтому заявитель считает, что заявляемое изобретение соответствует критерию «изобретательский уровень».
Заявляемое устройство для регулирования освещенности может найти широкое применение в электротехнике, в частности, в оборудовании для электрического освещения, может быть использовано в осветительных установках с регулированием светового потока, поэтому оно соответствует критерию «промышленная применимость».
Заявляемое изобретение иллюстрируется чертежом, где представлена схема устройства для регулирования освещенности.
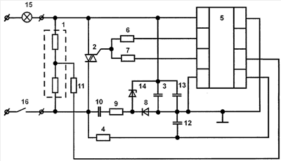
Устройство для регулирования освещенности, представленное на чертеже, содержит подключенные между первым и вторым выводами устройства делитель напряжения 1 и симистор 2, катод которого соединен с первым выводом устройства и с первым конденсатором 3, а анод подключен к зажиму резистора 4.
К первому выводу устройства для регулирования освещенности подключен первый зажим микроконтроллера 5, а управляющий электрод симистора 2 подсоединен через второй и третий резисторы 6 и 7 соответственно ко второму и третьему зажимам микроконтроллера 5, четвертый зажим которого соединен с его пятым зажимом и подключен через последовательно соединенные диод 8, четвертый резистор 9 и второй конденсатор 10 ко второму выводу устройства.
Средняя точка делителя напряжения 1 через пятый резистор 11 подключена к шестому зажиму микроконтроллера 5, седьмой зажим которого соединен с первым резистором 4 и через третий конденсатор 12 с диодом 8 и первым конденсатором 3, параллельно которому подключен четвертый конденсатор 13. Параллельно цепочке из диода 8 и первого конденсатора 3 подсоединен стабилитрон 14.
Первый вывод устройства для регулирования освещенности предназначен для подключения последовательно с лампой 15 накаливания к первому зажиму сети, а его второй вывод служит для подключения через выключатель 16 ко второму зажиму сети.
Выполнение всех элементов устройства для регулирования освещенности является традиционным, и используются все элементы по прямому назначению.
Работа заявляемого устройства для регулирования освещенности осуществляется следующим образом.
После замыкания пользователем выключателя 16 и подачи тем самым питания на устройство для регулирования освещенности напряжение поступает по цепочке конденсатор 10, резистор 9, диод 8 на четвертый и пятый зажимы микроконтроллера 5. Стабилитрон 14 при этом обеспечивает стабильность напряжения, конденсатор 3 сглаживает пульсации, а конденсаторы 12 и 13 уменьшают импульсные помехи.
Одновременно напряжение сети через резистор 4 поступает на седьмой зажим микроконтроллера 5, что дает ему возможность распознавать начало периода и синхронизировать его работу. Со второго и третьего зажимов микроконтроллера 5 сигналы поступают на управляющий электрод симистора 2, разрешая подачу напряжения на лампу 15 накаливания, яркость свечения которой начинает плавно возрастать. Резисторы 6 и 7 ограничивают уровень тока со второго и третьего зажимов микроконтроллера 5.
При отсутствии необходимости регулирования яркости свечения лампы 15 пользователю не нужно выполнять никаких дополнительных манипуляций, яркость свечения возрастет до максимума и будет сохранена на этом уровне.
При необходимости фиксации яркости свечения лампы 15 накаливания на промежуточном уровне пользователь в нужный момент кратковременно выключает и снова включает выключатель 16, кратковременное отсутствие питания на четвертом, пятом и седьмом зажимах микроконтроллера 5 дает ему сигнал о необходимости подачи на управляющий электрод симистора 2 импульсов, ограничивающих угол открывания симистора 2 и, соответственно, подачу напряжения на лампу 15. Яркость ее свечения будет зафиксирована на желаемом уровне.
Повторный щелчок (выключение и повторное включение) выключателя 16 разрешает продолжить дальнейшее нарастание яркости свечения лампы 15, которая также может быть зафиксирована пользователем щелчком выключателя 16 на любом желаемом уровне. Микроконтроллер 5 при этом посылает соответствующие сигналы на управляющий электрод симистора 2, который регулирует угол открывания симистора 2 и подачу напряжения на лампу 15 накаливания.
После достижения максимума яркости свечения лампы 15 пользователь может щелчком выключателя 16 перевести устройство на плавное понижение яркости свечения лампы 15 и зафиксировать ее щелчком выключателя 16, как было описано выше, на любом желаемом уровне.
Щелкнув клавишей выключателя 16 пять раз подряд, пользователь может сохранить текущий уровень яркости свечения лампы 15 для последующих включений. Для отмены этого режима пользователь должен щелкнуть клавишей выключателя 16 также пять раз подряд.
Двухкратным щелчком выключателя 16 при любом уровне яркости свечения пользователь переводит устройство в режим «сон», при котором через минуту после щелчка выключателя 16 лампа 15 погаснет.
При использовании заявляемого устройства совместно с выключателем 16, имеющим световую индикацию, величина тока, протекающего через индикатор, может быть вполне достаточной, чтобы обеспечить питание микроконтроллера 5 и вызвать тем самым его некорректную работу. Для исключения негативного влияния этих токов на работу устройства, в нем имеется делитель напряжения 1, сигнал со средней точки которого через резистор 11 поступает на шестой зажим микроконтроллера 5, который по уровню этого сигнала определяет состояние выключателя 16.
Преимуществами заявляемого устройства для регулирования освещенности по сравнению с прототипом являются повышение надежности его работы и удобства в эксплуатации устройства.
Формула изобретения
Устройство для регулирования освещенности, содержащее первый вывод для подключения последовательно с лампой накаливания к первому зажиму сети, второй вывод для подключения ко второму зажиму сети, симистор, катод которого соединен с одним из выводов устройства и с первым конденсатором, а анод подключен к зажиму резистора, делитель напряжения, второй и третий конденсаторы, отличающееся тем, что в него дополнительно введены микроконтроллер, диод, стабилитрон, четвертый конденсатор и четыре резистора, при этом первый зажим микроконтроллера соединен с первым выводом устройства, второй вывод которого служит для подключения ко второму зажиму сети через выключатель, управляющий электрод симистора подсоединен через второй и третий резисторы соответственно ко второму и третьему зажимам микроконтроллера, четвертый зажим которого соединен с его пятым зажимом и подключен через последовательно соединенные диод, четвертый резистор и второй конденсатор ко второму выводу устройства, делитель напряжения подключен к первому и второму выводам устройства, средняя точка делителя напряжения через пятый резистор подключена к шестому зажиму микроконтроллера, седьмой зажим которого соединен с первым резистором и через третий конденсатор с диодом и первым конденсатором, параллельно которому подключен четвертый конденсатор, а параллельно цепочке из диода и первого конденсатора подсоединен стабилитрон.
РИСУНКИ
|
|