|
(21), (22) Заявка: 2009119506/09, 22.05.2009
(24) Дата начала отсчета срока действия патента:
22.05.2009
(46) Опубликовано: 27.05.2010
(56) Список документов, цитированных в отчете о поиске:
SU 354527 A1, 01.01.1972. SU 252407 A, 12.11.1970. DE 102004034880 A1, 16.02.2006.
Адрес для переписки:
346500, Ростовская обл., г. Шахты, ул. Шевченко, 147, ЮРГУЭС, патентная служба
|
(72) Автор(ы):
Прокопенко Николай Николаевич (RU), Будяков Петр Сергеевич (RU), Конев Даниил Николаевич (RU)
(73) Патентообладатель(и):
Государственное образовательное учреждение высшего профессионального образования “Южно-Российский государственный университет экономики и сервиса” (ГОУ ВПО “ЮРГУЭС”) (RU)
|
(54) УПРАВЛЯЕМЫЙ УСИЛИТЕЛЬ И АНАЛОГОВЫЙ ПЕРЕМНОЖИТЕЛЬ СИГНАЛОВ НА ЕГО ОСНОВЕ
(57) Реферат:
Предлагаемое изобретение относится к области радиотехники и связи и может быть использовано в устройствах автоматической регулировки усиления, фазовых детекторах и модуляторах, а также в системах фазовой автоподстройки и умножения частоты или в качестве усилителя, коэффициент передачи по напряжению которого зависит от уровня сигнала управления. Аналоговый перемножитель является базовым узлом современных систем приема и обработки сигналов ВЧ и СВЧ-диапазонов аналоговой вычислительной и измерительной техники. Управляемый усилитель содержит первый (1) входной и первый (2) выходной транзисторы, базы которых объединены, первый токостабилизирующий двухполюсник (3), соединенный с коллектором первого (1) входного транзистора и связанный с базами первого (1) входного и первого (2) выходного транзисторов, цепь нагрузки (4), подключенную к коллектору первого (2) выходного транзистора, первый источник сигнала (5), связанный с эмиттером первого (1) входного транзистора, первый (6) источник сигнала управления усилением. В схему введен второй (7) входной транзистор, эмиттер которого связан с первым (6) источником сигнала управления усилением, коллектор подключен к первому токостабилизирующему двухполюснику (3), а база соединена с базой первого (1) входного транзистора. Технический результат – уменьшение допустимого напряжения питания. 5 з.п. ф-лы, 16 ил.
Предлагаемое изобретение относится к области радиотехники и связи и может быть использовано в устройствах автоматической регулировки усиления, фазовых детекторах и модуляторах, а также в системах фазовой автоподстройки и умножения частоты или в качестве усилителя, коэффициент передачи по напряжению которого зависит от уровня сигнала управления. Аналоговый перемножитель является базовым узлом современных систем приема и обработки сигналов ВЧ и СВЧ-диапазонов, аналоговой вычислительной и измерительной техники.
В настоящее время в аналоговой микросхемотехнике в составе перемножителей двух напряжений, систем электронной регулировки усиления широкое применение находит так называемая перемножающаяся ячейка Джильберта. Такая структура стала основой построения практически всех известных в настоящее время прецизионных аналоговых перемножителей сигналов на основе дифференциальных каскадов [1-36]. В этой связи задача улучшения параметров этого функционального узла относится к числу достаточно актуальных задач современной микроэлектроники.
Последние несколько лет источники питания с напряжением 5В вытесняются более низковольтными. Требования к уменьшению рассеиваемой мощности и уменьшению числа батарей в таких приложениях, как беспроводные устройства связи и персональные компьютеры, привели к снижению напряжения питания до уровня 1,5 В. Эта тенденция реализована в современных SiGe транзисторах, которые сконструированы так, чтобы обеспечить максимальную частоту среза (f1) в компромиссе с напряжением пробоя (Unp). Для кремниевых транзисторов существует следующее фундаментальное ограничение: fx×Uпр const, т.е. малые размеры транзисторов, обеспечивающие высокие значения f1 (до 200 ГГц), привели к снижению напряжения питания микросхем до 1,0÷1,5В.
Уменьшение напряжения питания (Еn) в биполярных схемах приводит к появлению новых проблем и некоторые из них становятся трудноразрешимыми при напряжении питания менее 2 В. Принципиальная сложность уменьшения напряжения Еп состоит в том, что биполярный транзистор имеет фиксированное напряжение база-эмиттер Uбэ, которое не уменьшается линейно с уменьшением технологических норм, так как
,
где T=kT/q, IК – ток коллектора и Is – обратный ток эмиттерного р-n перехода. При этом параметры транзистора и уровни тока оказывают слабое влияние на напряжение Uбэ. На практике плотность тока в биполярном транзисторе (IK/IS), изменяя свое значение, также слабо влияет на напряжение Uбэ. Если в используемой технологии Uбэ =0,7÷0,8 В, то использование 1,5 В источника питания приводит к тому, что между «землей» и шиной Еп не может быть включено больше, чем один р-n переход.
Учитывая вышесказанное, а также численные значения напряжения Uбэ 700÷800 мВ, можно сделать вывод о том, что при напряжении питания 1,5 В запрещается использовать многоярусные дифференциальные пары или каскодные конфигурации (архитектуры).
Таким образом, отсутствие возможности масштабирования напряжения на переходе база-эмиттер обостряет проблему дальнейшего масштабирования напряжения питания интегральных схем на биполярных транзисторах.
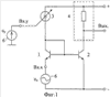
Ближайшим прототипом заявляемого устройства является управляемый усилитель (УУ) (фиг.1), рассмотренный в патенте фирмы Philips GB 1.485.092 fig.1, содержащий первый 1 входной и первый 2 выходной транзисторы, базы которых объединены, первый токостабилизирующий двухполюсник 3, соединенный с коллектором первого 1 входного транзистора и связанный с базами первого 1 входного и первого 2 выходного транзисторов, цепь нагрузки 4, подключенную к коллектору первого 2 выходного транзистора, первый источник сигнала 5, связанный с эмиттером первого 1 входного транзистора, первый 6 источник сигнала управления усилением.
Существенный недостаток известного УУ и устройств на его основе состоит в том, что он не может работать при низких напряжениях питания, например Еп=1,0В, которые необходимо использовать для микросистем на базе перспективных SiGe технологий. Действительно, особенности архитектуры УУ-прототипа создают проблемы с потенциальным управлением усилением, так как требуют предварительного преобразования сигнала управления uу в ток токостабилизирующего двухполюсника 3, что отрицательно сказывается на минимально возможных величинах Еп.
Основная цель предлагаемого изобретения состоит в уменьшении допустимого напряжения питания УУ до уровня меньше чем 1,5В.
Предлагаемое техническое решение является альтернативой широко распространенной перемножающей ячейки Джильберта [1-36].
Поставленная цель достигается тем, что в УУ фиг. 1, содержащем первый 1 входной и первый 2 выходной транзисторы, базы которых объединены, первый токостабилизирующий двухполюсник 3, соединенный с коллектором первого 1 входного транзистора и связанный с базами первого 1 входного и первого 2 выходного транзисторов, цепь нагрузки 4, подключенную к коллектору первого 2 выходного транзистора, первый источник сигнала 5, связанный с эмиттером первого 1 входного транзистора, первый 6 источник сигнала управления усилением, предусмотрены новые элементы и связи – в схему введен второй 7 входной транзистор, эмиттер которого связан с первым 6 источником сигнала управления усилением, коллектор подключен к первому токостабилизирующему двухполюснику 3, а база соединена с базой первого 1 входного транзистора.
На фиг.1 показана схема УУ-прототипа, а на фиг.2 – схема заявляемого УУ в соответствии с п.1 и п.2 формулы изобретения.
Схема фиг.3 соответствует п.3 формулы изобретения.
На фиг.4 показан УУ, соответствующий п.4 формулы изобретения, в котором обеспечивается высокое подавление сигнала управления.
На фиг.5 представлена схема аналогового перемножителя сигналов на основе двух УУ фиг. 2 с объединенными выходами.
На фиг.6 приведена схема УУ, в котором введены (в соответствии с п.6 формулы изобретения) дополнительные буферные усилители 21 и 23.
На фиг.7 приведена схема УУ фиг. 2 в среде компьютерного моделирования PSpice на моделях интегральных транзисторов ФГУП НПП “Пульсар».
На фиг.8 показана зависимость коэффициента усиления по напряжению УУ фиг.7 в диапазоне частот при разных значениях напряжения управления УУ.
На фиг.9 приведен график зависимости коэффициента усиления УУ фиг.7 от управляющего напряжения Uy в диапазоне средних частот.
На фиг.10 приведена схема аналогового перемножителя на базе УУ фиг.3 в среде компьютерного моделирования PSpice на моделях интегральных транзисторов ФГУП НПП “Пульсар», а на фиг.11 – его модуляционная характеристика при перемножении ux с частотой 100 МГц и uy с частотой 100 кГц.
График фиг.12 иллюстрирует спектр выходных сигналов АП фиг.10 при частоте сигнала управления 100 кГц.
Пример построения аналогового перемножителя на базе УУ фиг.2 приведен на фиг.13, а на фиг.14 показано выходное напряжение АП фиг.13 при перемножении двух сигналов ux с частотой 100 МГц и uy с частотой 100 кГц.
График фиг.15 иллюстрирует спектр выходных сигналов АП фиг.14 при частоте сигнала управления 100 кГц.
Заявляемый управляемый усилитель фиг.2 содержит первый 1 входной и первый 2 выходной транзисторы, базы которых объединены, первый токостабилизирующий двухполюсник 3, соединенный с коллектором первого 1 входного транзистора и связанный с базами первого 1 входного и первого 2 выходного транзисторов, цепь нагрузки 4, подключенную к коллектору первого 2 выходного транзистора, первый источник сигнала 5, связанный с эмиттером первого 1 входного транзистора, первый 6 источник сигнала управления усилением. В схему введен второй 7 входной транзистор, эмиттер которого связан с первым 6 источником сигнала управления усилением, коллектор подключен к первому токостабилизирующему двухполюснику 3, а база соединена с базой первого 1 входного транзистора.
На фиг.2 в соответствии с п.2 формулы изобретения коллектор первого 1 входного транзистора связан с первым 8 блокирующим конденсатором.
На фиг.3 в соответствии с п.3 формулы изобретения первый токостабилизирующий двухполюсник 3 связан с базами первого 1 входного и первого 2 выходного транзисторов через эмиттерно-базовый переход первого 9 дополнительного транзистора.
На фиг.4 в соответствии с п.4 формулы изобретения в схему введены третий 10 и четвертый 11 входные транзисторы, базы которых объединены, а коллекторы соединены со вторым токостабилизирующим двухполюсником 12, второй 13 выходной транзистор, база которого соединена с базами третьего 10 и четвертого 11 входных транзисторов, коллектор подключен к цепи нагрузки 4, эмиттер третьего 10 входного транзистора, а также эмиттер второго 13 выходного транзистора соединены с первым источником сигнала управления усилением 6, эмиттер четвертого 11 входного транзистора связан с общей шиной первого источника сигнала 5 и первым 6 источником сигнала управления усилением, причем второй 12 токостабилизирующий двухполюсник связан с базой третьего 10 входного транзистора и вторым 14 блокирующим конденсатором.
На фиг.5 в соответствии с п.5 формулы изобретения в схему введены второй 15 источник сигнала, противофазный первому 5 источнику сигнала, второй 16 источник сигнала управления усилением, противофазный первому 6 источнику сигнала управления усилением, пятый 17 и шестой 18 входные транзисторы, базы которых объединены, коллекторы подключены к третьему 19 токостабилизирующему двухполюснику, третий 20 выходной транзистор, коллектор которого соединен с цепью нагрузки 4, а эмиттер подключен ко второму 15 источнику сигнала и эмиттеру пятого 17 входного транзистора, причем второй 16 источник сигнала управления усилением связан с эмиттером шестого 18 выходного транзистора, а коллектор пятого 17 входного транзистора связан с базой шестого 18 входного транзистора.
На фиг.6 в соответствии с п.6 формулы изобретения в качестве первого источника сигнала 5 используется выход первого 21 эмиттерного повторителя, вход которого соединен с первым 22 источником преобразуемого напряжения, а в качестве первого 6 источника сигнала управления усилением используется выход второго 23 эмиттерного повторителя, вход которого соединен с первым источником напряжения 24, управляющего усилением.
Рассмотрим вначале работу схемы фиг. 2.
В статическом режиме (ux=0, uy=0) ток I3=2I0 двухполюсника 3 делится пополам между транзисторами 1 и 7:
.
Так как транзисторы 1 и 2 образуют токовое зеркало, то статический ток коллектора транзистора 2 равен
Iк2=Iэ2=I0.
Следовательно, коэффициент усиления по напряжению каскада с общей базой на транзисторе 2 равен
,
где Rн.4.экв – эквивалентное сопротивление нагрузки 4;
;
т 25 мВ – температурный потенциал.
Если на вход Вх.у подается напряжение управления Uy 0, то это создает в элементах схемы ток :
,
где rэ7, rэ1 – сопротивления эмиттерных переходов транзисторов 1 и 7.
Как следствие, эмиттерный ток транзистора 2 и сопротивление его эмиттерного перехода изменяются
.
В свою очередь это вызывает изменение коэффициента усиления, который растет:
.
Таким образом, устройство фиг. 2 обладает свойствами управляемого усилителя, что подтверждается результатами моделирования фиг. 8, фиг. 9.
Емкость 8 обеспечивает шунтирование переменных составляющих сигнала uх.
Для расширения диапазона линейной работы по каналу Uy между p-n переходами транзисторов 1 и 7 целесообразно включать дополнительный резистор.
Минимальное напряжение питания в схеме фиг.2 определяется падением напряжения на двухполюснике 3:
.
Практически в схеме фиг.2:
.
Управляемый усилитель фиг.4 имеет глубокое подавление сигнала управления uу на выходе, что обеспечивается его архитектурой.
На базе заявляемого УУ реализуется аналоговый перемножитель сигналов фиг.5.
Особенность схемы фиг.6 – более высокое входное сопротивление по входам Вх.х* и Вх.у*, что обеспечивается буферными усилителями 21 и 23, которые осуществляют «привязку» к общей шине источников питания сигналов uу и .
Таким образом, заявляемый АП может иметь приемлемый для большинства применений диапазон изменения напряжения питания при Eп.min=1÷1,5 В.
Таким образом, предлагаемые схемы управляемого усилителя и аналогового перемножителя на его основе имеют более низкие значения напряжений питания, что позволяет использовать их для построения более высокочастотных SiGe транзисторов и расширить при этом диапазон рабочих частот.
Литература
1. Патент GB 2318470, H03F 3/45.
2. Патент EP 1369992.
3. Патент США 5874857.
4. Патент США 6456142, фиг.8.
5. Патент США 3931583, фиг.9.
6. Патентная заявка США 2007/0139114, фиг.1.
7. Патентная заявка США 2005/0073362, фиг.1.
8. Патент США 5057787.
9. Патентная заявка WO 2004/041298.
10. Патент США 5389840, фиг.1А.
11. Патент США 5883539, фиг.1.
12. Патентная заявка США 2005/0052239.
13. Патент США 5151625, фиг.1.
14. Патент США 4458211, фиг.5.
15. Патентная заявка США 2005/0030096, фиг.6.
16. Патентная заявка США 2007/0090876.
17. Патент США 6727755.
18. Патент США 5552734, фиг.13, фиг.16.
19. Патентная заявка США 2006/0232334.
20. Патент США 5767727.
21. Патент США 6229395, фиг.2.
22. Патент США 5115409.
23. Патентная заявка США 2005/0231283, фиг.1.
24. Патентная заявка США 2006/0066362, фиг.15.
25. Патент США 5151624, фиг.1, фиг.2.
26. Патент США 5329189, фиг.2.
27. Патент США 4704738.
28. Патент США 4480337.
29. Патент США 5825231.
30. Патент США 6211718, фиг.1, фиг.2.
31. Патент США 5151624.
32. Патент США 5329189.
33. Патент США 5331289.
34. Патент GB 2323728.
35. Патентная заявка США 2008/0122540, фиг.1.
36. Патент США 4965528.
Формула изобретения
1. Управляемый усилитель и аналоговый перемножитель сигналов на его основе, содержащий первый (1) входной и первый (2) выходной транзисторы, базы которых объединены, первый токостабилизирующий двухполюсник (3), соединенный с коллектором первого (1) входного транзистора и связанный с базами первого (1) входного и первого (2) выходного транзисторов, цепь нагрузки (4), подключенную к коллектору первого (2) выходного транзистора, первый источник сигнала (5), связанный с эмиттером первого (1) входного транзистора, первый (6) источник сигнала управления усилением, отличающийся тем, что в схему введен второй (7) входной транзистор, эмиттер которого связан с первым (6) источником сигнала управления усилением, коллектор подключен к первому токостабилизирующему двухполюснику (3), а база соединена с базой первого (1) входного транзистора.
2. Управляемый усилитель и аналоговый перемножитель сигналов на его основе по п.1, отличающийся тем, что коллектор первого (1) входного транзистора связан с первым (8) блокирующим конденсатором.
3. Управляемый усилитель и аналоговый перемножитель сигналов на его основе по п.1, отличающийся тем, что первый токостабилизирующий двухполюсник (3) связан с базами первого (1) входного и первого (2) выходного транзисторов через эмиттерно-базовый переход первого (9) дополнительного транзистора.
4. Управляемый усилитель и аналоговый перемножитель сигналов на его основе по п.1 или 2, отличающийся тем, что в схему введены третий (10) и четвертый (11) входные транзисторы, базы которых объединены, а коллекторы соединены со вторым токостабилизирующим двухполюсником (12), второй (13) выходной транзистор, база которого соединена с базами третьего 10 и четвертого (11) входных транзисторов, коллектор подключен к цепи нагрузки (4), эмиттер третьего (10) входного транзистора, а также эмиттер второго (13) выходного транзистора соединены с первым источником сигнала управления усилением (6), эмиттер четвертого (11) входного транзистора связан с общей шиной первого источника сигнала (5) и первым (6) источником сигнала управления усилением, причем второй (12) токостабилизирующий двухполюсник связан с базой третьего (10) входного транзистора и вторым (14) блокирующим конденсатором.
5. Управляемый усилитель и аналоговый перемножитель сигналов на его основе по п.1, отличающийся тем, что в схему введены второй (15) источник сигнала, противофазный первому (5) источнику сигнала, второй (16) источник сигнала управления усилением, противофазный первому (6) источнику сигнала управления усилением, пятый (17) и шестой (18) входные транзисторы, базы которых объединены, коллекторы подключены к третьему (19) токостабилизирующему двухполюснику, третий (20) выходной транзистор, коллектор которого соединен с цепью нагрузки (4), а эмиттер подключен ко второму (15) источнику сигнала и эмиттеру пятого (17) входного транзистора, причем второй (16) источник сигнала управления усилением связан с эмиттером шестого (18) выходного транзистора, а коллектор пятого (17) входного транзистора связан с базой шестого (18) входного транзистора.
6. Управляемый усилитель и аналоговый перемножитель сигналов на его основе по п.1 или 2, отличающийся тем, что в качестве первого источника сигнала (5) используется выход первого (21) эмиттерного повторителя, вход которого соединен с первым (22) источником преобразуемого напряжения, а в качестве первого (6) источника сигнала управления усилением используется выход второго (23) эмиттерного повторителя, вход которого соединен с первым источником напряжения (24), управляющего усилением.
РИСУНКИ
|