|
(21), (22) Заявка: 2008146780/09, 26.11.2008
(24) Дата начала отсчета срока действия патента:
26.11.2008
(46) Опубликовано: 27.05.2010
(56) Список документов, цитированных в отчете о поиске:
US 5126586 А, 30.06.1992. SU 1162018 А, 15.06.1985. WO 00/41298 A1, 13.07.2000. US 2007/0090876 A1, 26.04.2007.
Адрес для переписки:
346500, Ростовская обл., г. Шахты, ул. Шевченко, 147, патентная служба, ЮРГУЭС
|
(72) Автор(ы):
Прокопенко Николай Николаевич (RU), Конев Даниил Николаевич (RU), Попов Алексей Сергеевич (RU)
(73) Патентообладатель(и):
Государственное образовательное учреждение высшего профессионального образования “Южно-Российский государственный университет экономики и сервиса” (ГОУ ВПО “ЮРГУЭС”) (RU)
|
(54) УПРАВЛЯЕМЫЙ УСИЛИТЕЛЬ ПЕРЕМЕННОГО ТОКА
(57) Реферат:
Изобретение относится к области радиотехники и связи и может быть использовано в качестве усилителя переменного тока, коэффициент передачи по напряжению которого (Кu) зависит от уровня сигнала управления (uy). Такие устройства применяются в структуре аналоговых микросхем различного функционального назначения, системах автоматической регулировки усиления, аналоговых перемножителях сигналов и т.п. Технический результат: повышение коэффициента подавления сигнала управления в широком диапазоне частот. Управляемый усилитель переменного тока (УУПТ) содержит первый (1) входной транзистор (Т), база которого соединена с основным (2) входом УУПТ, второй (3) входной Т, база которого соединена с управляющим входом (4) УУПТ, двухполюсник (5) местной отрицательной обратной связи (ООС), включенный между эмиттерами первого (1) и второго (3) Т, цепь нагрузки (6), связанную с коллектором первого (1) и второго (3) Т и выходом (7) УУПТ, первый (8) блокирующий конденсатор (К), включенный по переменному току между эмиттером первого (1) Т и общей шиной (9) источников питания (ИП), первый (10) токостабилизирующий двухполюсник (ТД), связанный с эмиттером первого (1) Т, второй (11) ТД, соединенный с эмиттером второго (3) Т, второй блокирующий К (12). В схему введены первый (13) и второй (14) дополнительные Т, эмиттеры которых соединены друг с другом через дополнительный двухполюсник (15) ООС и подключены к соответствующим первому (16) и второму (17) дополнительным ТД, база первого (13) Т соединена с управляющим входом (4) УУПТ, база второго (14) Т связана с общей шиной (9) ИП, причем между объединенными коллекторами первого (13) и второго (14) Т и объединенными коллекторами первого (1) и второго (3) Т включен дополнительный инвертирующий повторитель тока (18), а эмиттер второго (14) Т связан с первым выводом второго (12) блокирующего К, второй вывод которого подключен по переменному току к общей шине (9) ИП. 8 ил.
Изобретение относится к области радиотехники и связи и может быть использовано в качестве усилителя переменного тока, коэффициент передачи по напряжению которого (Кu) зависит от уровня сигнала управления (uу). Такие устройства применяются в структуре аналоговых микросхем различного функционального назначения, системах автоматической регулировки усиления, аналоговых перемножителях сигналов и т.п.
В современных адаптивных СФ-блоках систем связи и телекоммуникаций широко используется в качестве управляемого усилителя классический дифференциальный каскад с резистором местной отрицательной обратной связи. При этом на его основе выполняются разные модификации управляемых усилителей [1-26].
Наиболее близким по технической сущности к заявляемому устройству относится управляемый дифференциальный каскад, описанный в патенте США 5126586, fig.1. Он содержит (фиг.1) первый 1 входной транзистор, база которого соединена с основным 2 входом управляемого усилителя, второй 3 входной транзистор, база которого соединена с управляющим входом 4 управляемого усилителя, двухполюсник 5 местной отрицательной обратной связи, включенный между эмитгерами первого 1 и второго 3 входных транзисторов, цепь нагрузки 6, связанную с коллектором первого 1 и второго 3 входных транзисторов и выходом 7 управляемого усилителя, первый 8 блокирующий конденсатор, включенный по переменному току между эмиттером первого 1 входного транзистора и общей шиной 9 источников питания, первый 10 токостабилизирующий двухполюсник, связанный с эмиттером первого 1 входного транзистора, второй 11 токостабилизирующий двухполюсник, соединенный с эмиттером второго 3 входного транзистора, второй блокирующий конденсатор 12.
Существенный недостаток известного управляемого усилителя (УУ) состоит в том, что в нем не обеспечивается эффективное подавление сигнала управления ни на низких, ни на высоких частотах. Это не позволяет выполнять на его основе различные функциональные узлы современных систем связи, для которых характерно одно из важнейших требований – отсутствие гармонических составляющих сигнала управления uу на выходе.
Основная цель предлагаемого изобретения состоит в повышении на несколько порядков коэффициента подавления сигнала управления в широком диапазоне частот.
Поставленная цель достигается тем, что в управляемом усилителе переменного тока (фиг.1), содержащем первый 1 входной транзистор, база которого соединена с основным 2 входом управляемого усилителя, второй 3 входной транзистор, база которого соединена с управляющим входом 4 управляемого усилителя, двухполюсник 5 местной отрицательной обратной связи, включенный между эмиттерами первого 1 и второго 3 входных транзисторов, цепь нагрузки 6, связанную с коллектором первого 1 и второго 3 входных транзисторов и выходом 7 управляемого усилителя, первый 8 блокирующий конденсатор, включенный по переменному току между эмиттером первого 1 входного транзистора и общей шиной 9 источников питания, первый 10 токостабилизирующий двухполюсник, связанный с эмиттером первого 1 входного транзистора, второй 11 токостабилизирующий двухполюсник, соединенный с эмиттером второго 3 входного транзистора, второй блокирующий конденсатор 12, предусмотрены новые элементы и связи – в схему введены первый 13 и второй 14 дополнительные транзисторы, эмиттеры которых соединены друг с другом через дополнительный двухполюсник 15 отрицательной обратной связи и подключены к соответствующим первому 16 и второму 17 дополнительным токостабилизирующим двухполюсникам, база первого 13 дополнительного транзистора соединена с управляющим входом 4 управляемого усилителя, база второго 14 дополнительного транзистора связана с общей шиной 9 источников питания, причем между объединенными коллекторами первого 13 и второго 14 дополнительных транзисторов и объединенными коллекторами первого 1 и второго 3 входных транзисторов включен дополнительный инвертирующий повторитель тока 18, а эмиттер второго 14 дополнительного транзистора связан с первым выводом второго 12 блокирующего конденсатора, второй вывод которого подключен по переменному току к общей шине 9 источников питания.
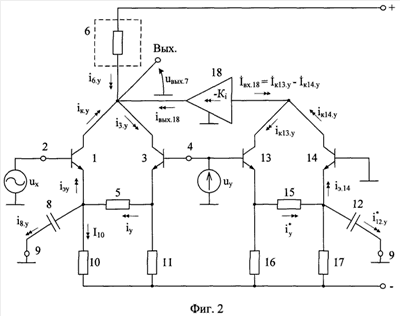
На фиг.1 показана схема УУ-прототипа, на фиг.2 – схема заявляемого УУ в соответствии с формулой изобретения.
На фиг.3 показан УУ фиг.2 с примером практической реализации дополнительного инвертирующего повторителя тока 18.
На фиг.4 приведена схема УУ фиг.2 в среде компьютерного моделирования PSpice на моделях интегральных транзисторов ФГУП НПП «Пульсар». Результаты ее моделирования показаны на фиг.5 – фиг.8:
– зависимость коэффициента усиления по напряжению Кu от напряжения управления Uу в диапазоне средних частот (фиг.5);
– зависимость выходного синусоидального напряжения УУ от времени при разных значениях переменного управляющего напряжения u=Uу sin уt (фиг.6);
– зависимость коэффициента подавления напряжения управления (Кп=uвых/uу) от частоты для УУ-прототипа (фиг.7);
– зависимость коэффициента подавления напряжения управления (Кп=uвых/uу) от частоты для заявляемого УУ, фиг.4 (фиг.8).
Управляемый усилитель переменного тока, фиг.2, содержит первый 1 входной транзистор, база которого соединена с основным 2 входом управляемого усилителя, второй 3 входной транзистор, база которого соединена с управляющим входом 4 управляемого усилителя, двухполюсник 5 местной отрицательной обратной связи, включенный между эмиттерами первого 1 и второго 3 входных транзисторов, цепь нагрузки 6, связанную с коллектором первого 1 и второго 3 входных транзисторов и выходом 7 управляемого усилителя, первый 8 блокирующий конденсатор, включенный по переменному току между эмиттером первого 1 входного транзистора и общей шиной 9 источников питания, первый 10 токостабилизирующий двухполюсник, связанный с эмиттером первого 1 входного транзистора, второй 11 токостабилизирующий двухполюсник, соединенный с эмиттером второго 3 входного транзистора, второй блокирующий конденсатор 12. В схему введены первый 13 и второй 14 дополнительные транзисторы, эмиттеры которых соединены друг с другом через дополнительный двухполюсник 15 отрицательной обратной связи и подключены к соответствующим первому 16 и второму 17 дополнительным токостабилизирующим двухполюсникам, база первого 13 дополнительного транзистора соединена с управляющим входом 4 управляемого усилителя, база второго 14 дополнительного транзистора связана с общей шиной 9 источников питания, причем между объединенными коллекторами первого 13 и второго 14 дополнительных транзисторов и объединенными коллекторами первого 1 и второго 3 входных транзисторов включен дополнительный инвертирующий повторитель тока 18, а эмиттер второго 14 дополнительного транзистора связан с первым выводом второго 12 блокирующего конденсатора, второй вывод которого подключен по переменному току к общей шине 9 источников питания.
В качестве повторителя тока 18 в схеме фиг.2 могут применяться классические токовые зеркала на транзисторе 19 и р-n переходе 20 (фиг.3).
Рассмотрим работу управляемого усилителя, фиг.2.
В диапазоне средних частот усиление сигнала ux по основному входу 2 при uу=0 обеспечивается транзистором 1, включенным по традиционной схеме с общим эмиттером

где Rн.экв – эквивалентное сопротивление цепи нагрузки 6;
т 25 мВ – температурный потенциал;
I10 – статический ток эмиттера транзистора 1;
rэ1= т/I10 – сопротивление эмиттерного перехода транзистора 1.
Если напряжение Uу на управляющем входе 4 и изменяется на величину U=uу, то при этом изменяется и ток через двухполюсник 5:

где R5 – сопротивление двухполюсника 5.
На очень низких частотах, когда частота fу сигнала uу значительно меньше частоты fx, приращение тока iу полностью поступает в эмиттер транзистора 1, и далее – в цепь нагрузки 6. Как следствие, при медленных изменениях uу в нагрузке 6 обеспечивается полная взаимная компенсация близких по величине токов i3.у и iк.у, «порождаемых» сигналом управления uу:

где iз.у – коллекторный ток транзистора 3;
iк.у – коллекторный ток транзистора 1.
Поэтому в схеме фиг.2 при медленных изменениях uу реализуется высокий уровень подавления сигнала управления uу, что является одним из необходимых условий построения на ее основе высококачественных управляемых усилителей, модуляторов, аналоговых перемножителей и т.п.

Однако с повышением частоты у=2 fy синусоидального сигнала управления (uу=Uуsin уt) не все приращение iу полностью передается в эмиттер транзистора 1 – часть этого тока i8.у «ответвляется» в блокирующий конденсатор 8. Как следствие, второе слагаемое в уравнении (3) уменьшается, что ухудшает подавление сигнала управления uу в выходной цепи.
В заявляемом устройстве, за счет новых элементов и связей между ними в коллекторную цепь транзистора 1, добавляется ток iвых.18, комплексное значение которого

где Кi=1 – коэффициент передачи по току инвертирующего повторителя тока 18.
Если учесть, что при одинаковых сопротивлениях двухполюсников 5 и 15, одинаковых конденсаторах 8 и 12, а также единичном усилении Кi=1 выполняются равенства
к.у=( к13.у– к14.у)Кi, к.у= к14.у, 3.у= к13.у,
то на основании первого закона Кирхгофа можно получить, что комплекс тока в резисторе нагрузки 6:

Следовательно, ток в резисторе нагрузки 6, обусловленный напряжением uу, при рассматриваемых условиях близок к нулю.
Таким образом, в схеме фиг.2 компенсируется частотная зависимость коэффициента подавления сигнала управления Кп, который остается достаточно малым в более широком диапазоне частот, чем в схеме фиг.1.
Данный теоретический вывод подтверждается результатами компьютерного моделирования схемы фиг.2, показанными на чертеже фиг.7 – здесь подавление сигнала управления (при полной идентичности элементов схемы) достигает 300 дБ при f=0÷1 ГГц.
Замечательная особенность заявляемого УУ состоит также в том, что он может иметь напряжения питания ±1,5 В, что позволяет использовать для его реализации перспективные SiGe техпроцессы.
БИБЛИОГРАФИЧЕСКИЙ СПИСОК
1. Патентная заявка США 2004/0183599.
2. Патентная заявка США 2004/0178850.
3. Патентная заявка США 2006/0044064.
4. Патентная заявка США 2008/0088374.
5. Патент США 4.575.687.
6. Патентная заявка США 2005/0179493.
7. Патент США 6.456.142.
8. Патент США 5.184.088.
9. Патент США 6.703.899.
10. Патентная заявка США 2008/0191803.
11. Патент США 6.525.606, фиг.6.
12. Патент США 6.980.054, fig.4.
13. Патент США 6.980.053.
14. Патентная заявка США 2005/0258900.
15. Патентная заявка США 2003/0011429.
16. Патент США 6.972.625.
17. Патентная заявка США 2006/0022748.
18. Патент США 5.157.360.
19. Патентная заявка США 2005/0038615.
20. Патент GВ 2.318.470.
21. Патент США 5.126.586.
22. Патент США 4.511.852.
23. Патент США 4.881.043.
24. Патент США 6.891.436, fig.1.
25. Патент США 6.933.783, фиг.20, 21.
26. Патент США 4.267.518.
Формула изобретения
Управляемый усилитель переменного тока, содержащий первый (1) входной транзистор, база которого соединена с основным (2) входом управляемого усилителя, второй (3) входной транзистор, база которого соединена с управляющим входом (4) управляемого усилителя, двухполюсник (5) местной отрицательной обратной связи, включенный между эмиттерами первого (1) и второго (3) входных транзисторов, цепь нагрузки (6), связанную с коллектором первого (1) и второго (3) входных транзисторов и выходом (7) управляемого усилителя, первый (8) блокирующий конденсатор, включенный по переменному току между эмиттером первого (1) входного транзистора и общей шиной (9) источников питания, первый (10) токостабилизирующий двухполюсник, связанный с эмиттером первого (1) входного транзистора, второй (11) токостабилизирующий двухполюсник, соединенный с эмиттером второго (3) входного транзистора, второй блокирующий конденсатор (12), отличающийся тем, что в схему введены первый (13) и второй (14) дополнительные транзисторы, эмиттеры которых соединены друг с другом через дополнительный двухполюсник (15) отрицательной обратной связи и подключены к соответствующим первому (16) и второму (17) дополнительным токостабилизирующим двухполюсникам, база первого (13) дополнительного транзистора соединена с управляющим входом (4) управляемого усилителя, база второго (14) дополнительного транзистора связана с общей шиной (9) источников питания, причем между объединенными коллекторами первого (13) и второго (14) дополнительных транзисторов и объединенными коллекторами первого (1) и второго (3) входных транзисторов включен дополнительный инвертирующий повторитель тока (18), а эмиттер второго (14) дополнительного транзистора связан с первым выводом второго (12) блокирующего конденсатора, второй вывод которого подключен по переменному току к общей шине (9) источников питания.
РИСУНКИ
|