|
(21), (22) Заявка: 2008113266/09, 04.04.2008
(24) Дата начала отсчета срока действия патента:
04.04.2008
(43) Дата публикации заявки: 10.10.2009
(46) Опубликовано: 27.05.2010
(56) Список документов, цитированных в отчете о поиске:
US 5521552 А, 28.05.1996. SU 1193773 А, 23.11.1985. US 6144234 А, 07.11.2000. US 6483382 В1, 19.11.2002.
Адрес для переписки:
346500, Ростовская обл., г. Шахты, ул. Шевченко, 147, ЮРГУЭС, патентная служба
|
(72) Автор(ы):
Прокопенко Николай Николаевич (RU), Хорунжий Андрей Васильевич (RU), Серебряков Александр Игоревич (RU)
(73) Патентообладатель(и):
Государственное образовательное учреждение высшего профессионального образования “Южно-Российский государственный университет экономики и сервиса” (ГОУ ВПО “ЮРГУЭС”) (RU)
|
(54) КАСКОДНЫЙ ДИФФЕРЕНЦИАЛЬНЫЙ УСИЛИТЕЛЬ
(57) Реферат:
Изобретение относится к области радиотехники и связи и может быть использовано в качестве устройства усиления ВЧ и СВЧ аналоговых сигналов в структуре аналоговых микросхем различного функционального назначения (например, операционных усилителях (ОУ)). Технический результат: уменьшение потребляемого статического тока. Каскодный дифференциальный усилитель (КДУ) содержит первый (1) и второй (2) транзисторы (Т) с объединенными базами (затворами), эмиттеры (истоки) которых подключены к соответствующим первому (3) и второму (4) входам КДУ, а коллекторы – соединены с эмиттерами первого (5) и второго (6) выходных Т и через первый (7) и второй (8) токостабилизирующие двухполюсники соединены с шиной (9) источника питания, третий выходной Т (10), база которого связана с коллектором первого выходного Т (5) и вспомогательным двухполюсником I11, эмиттер – подключен к объединенным базам первого (5) и второго (6) выходных Т, причем коллектор второго выходного Т (6) связан с выходом (12) КДУ. Базы (затворы) первого (1) и второго (2) входных Т соединены с объединенными базами первого (5) и второго (6) выходных Т. 2 з.п. ф-лы, 10 ил.
Изобретение относится к области радиотехники и связи и может быть использовано в качестве устройства усиления ВЧ и СВЧ аналоговых сигналов в структуре аналоговых микросхем различного функционального назначения (например, операционных усилителях (ОУ)).
В современной аналоговой микроэлектронике широко применяются так называемые комплементарные каскодные дифференциальные усилители на n-p-n и p-n-p транзисторах с архитектурой операционного усилителя µА741 [1-30]. Их основное достоинство в сравнении с классическим дифференциальным каскадом – более широкий частотный диапазон, что делает их особенно привлекательными при построении аналоговых устройств СВЧ-диапазона.
В рамках собственных программ развития ряд ведущих микроэлектронных фирм, в т.ч. российских, начинают использовать технологическое оборудование для 0,25 мкм SiGe-технологии SGB25VD, способное в рамках единого цикла изготовить высококачественные гетеропереходы. Это позволяет реализовать субмикронные транзисторы Х диапазона, а также использовать экономичные режимы для СВЧ интегральных схем относительно высокого уровня интеграции. Однако технология SGB25VD накладывает дополнительные и существенные для схемотехники аналоговых микросхем ограничения, выражающиеся в невозможности использования комплементарных транзисторов и относительно низковольтных режимов их работы (Uкэ.max = 2,9 В или напряжение двуполярного питания ±1,5 В). Создание IP блоков для SiGe технологии SGB25VD является (наряду с ее освоением) важнейшей задачей для зарубежных и отечественных центров проектирования аналоговых микросхем. Предлагаемое изобретение относится к данному направлению развития микроэлектроники.
Ближайшим прототипом (фиг.1) заявляемого устройства является КДУ, описанный в патенте США 5521552, содержащий первый 1 и второй 2 входные транзисторы с объединенными базами (затворами), эмиттеры (истоки) которых подключены к соответствующим первому 3 и второму 4 входам каскодного дифференциального усилителя, а коллекторы – соединены с эмиттерами первого 5 и второго 6 выходных транзисторов и через первый 7 и второй 8 токостабилизирующие двухполюсники соединены с первой шиной 9 источника питания, третий выходной транзистор 10, база которого связана с коллектором первого выходного транзистора 5 и первым выводом вспомогательного двухполюсника 11, эмиттер – подключен к объединенным базам первого 5 и второго 6 выходных транзисторов, причем коллектор второго выходного транзистора 6 связан с выходом 12 каскодного дифференциального усилителя, а второй вывод вспомогательного двухполюсника 11 связан со второй 9* шиной источника питания.
Существенный недостаток известного КДУ состоит в том, что он имеет повышенное токопотребление, что обусловлено наличием в его архитектуре (фиг.1) потребляющей некоторый ток I0 цепи установления статического режима, которая непосредственно не участвует в усилении входного сигнала. Исключение этой цепи позволит уменьшить (при прочих равных условиях) энергопотребление КДУ.
Основная задача предлагаемого изобретения состоит в уменьшении потребляемого от источников питания статического тока.
Поставленная задача достигается тем, что в каскодном дифференциальном усилителе фиг.1, содержащем первый 1 и второй 2 входные транзисторы с объединенными базами (затворами), эмиттеры (истоки) которых подключены к соответствующим первому 3 и второму 4 входам каскодного дифференциального усилителя, а коллекторы – соединены с эмиттерами первого 5 и второго 6 выходных транзисторов и через первый 7 и второй 8 токостабилизирующие двухполюсники соединены с первой шиной 9 источника питания, третий выходной транзистор 10, база которого связана с коллектором первого выходного транзистора 5 и первым выводом вспомогательного двухполюсника 11, эмиттер – подключен к объединенным базам первого 5 и второго 6 выходных транзисторов, причем коллектор второго выходного транзистора 6 связан с выходом 12 каскодного дифференциального усилителя, а второй вывод вспомогательного двухполюсника 11 связан со второй 9* шиной источника питания, предусмотрены новые элементы и связи – базы (затворы) первого 1 и второго 2 входных транзисторов соединены с объединенными базами первого 5 и второго 6 выходных транзисторов.
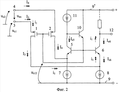
Схема усилителя-прототипа представлена на фиг.1. На фиг.2 показано заявляемое устройство в соответствии с п.1 формулы изобретения.
На фиг.3 показана схема заявляемого КДУ в соответствии с п.2 и п.3 формулы изобретения.
На фиг.4 представлена схема КДУ, соответствующая фиг.3 (без двухполюсника 13) в среде компьютерного моделирования PSpice на моделях интегральных транзисторов ФГУП НПП «Пульсар», а на фиг.5 – ее амплитудно-частотная характеристика при «идеальных» двухполюсниках 7, 8 и нагрузке (I5).
Схема фиг.6 в среде PSpice соответствует фиг.3 (без цепи согласования 14) в среде PSpice, а результаты ее моделирования коэффициента усиления изображены на фиг.7.
Схемы фиг.8 и фиг.9 полностью соответствуют фиг.3. Они представляют собой компьютерную модель КДУ в среде Cadance на моделях SiGe транзисторов.
Результаты расчета зависимости коэффициента усиления Ку от частоты этих схем даны на фиг.10.
Каскодный дифференциальный усилитель фиг.2 содержит первый 1 и второй 2 входные транзисторы с объединенными базами (затворами), эмиттеры (истоки) которых подключены к соответствующим первому 3 и второму 4 входам каскодного дифференциального усилителя, а коллекторы – соединены с эмиттерами первого 5 и второго 6 выходных транзисторов и через первый 7 и второй 8 токостабилизирующие двухполюсники соединены с первой шиной 9 источника питания, третий выходной транзистор 10, база которого связана с коллектором первого выходного транзистора 5 и первым выводом вспомогательного двухполюсника 11, эмиттер – подключен к объединенным базам первого 5 и второго 6 выходных транзисторов, причем коллектор второго выходного транзистора 6 связан с выходом 12 каскодного дифференциального усилителя, а второй вывод вспомогательного двухполюсника 11 связан со второй 9* шиной источника питания. Базы (затворы) первого 1 и второго 2 входных транзисторов соединены с объединенными базами первого 5 и второго 6 выходных транзисторов.
На фиг.3, соответствующей п.2 формулы изобретения, в схему введен третий 13 токостабилизирующий двухполюсник, подключенный к базам (затворам) первого 1 и второго 2 входных транзисторов, которые соединены с объединенными базами первого 5 и второго 6 выходных транзисторов через цепь согласования потенциалов 14.
Кроме этого на фиг.3, соответствующей п.3 формулы изобретения, между дифференциальным источником входного сигнала и первым 3, а также вторым 4 входами каскодного дифференциального усилителя включены первый 15 и второй 16 эмиттерные (истоковые) повторители напряжения.
Рассмотрим работу схемы фиг.2 (фиг.3).
В статическом режиме через источник входного дифференциального сигнала uc1 и uc2 протекают токи истока транзисторов 1 и 2, численные значения которых устанавливаются первым 7 и вторым 8 токостабилизирующими двухполюсниками, а также вспомогательным двухполюсником 11:


где Ii – статические токи двухполюсников 7, 8 и 11;
Iэ6 – ток эмиттера транзистора 6.
Ток эмиттера транзистора 10 устанавливается в схеме фиг.3 третьим токостабилизирующим двухполюсником 13 (Iэ10=I13). В цепи нагрузки КДУ (резистор или источник опорного тока), которая подключается к выходу 12 КДУ, протекает ток коллектора транзистора 6 Iк6. Потенциал затворов транзисторов 1 и 2 (uз12) (в соответствии с п.1 формулы изобретения) устанавливается как потенциал баз транзисторов 5 и 6.
Изменение синфазной составляющей входных напряжений uc=(uc1+uc2)/2 приводит к такому же изменению напряжений на базах транзисторов 5, 6 и 10, так как токи I4 и I3 в соответствии с (1) и (2) не изменяются. Таким образом, схема фиг.2 имеет высокое ослабление синфазных сигналов.
Если между входами 3 и 4 подается дифференциальное напряжение uвх=uс1-uс2, то это создает приращение тока i3, которое определяется крутизной S1 входного полевого транзистора 1:

Ток i1 поступает в цепь эмиттера транзистора 6, и далее на выход 12 в цепь нагрузки КДУ. Таким образом, вход 3 является неинвертирующим входом КДУ.
Следует заметить, что изменение uвх не приводит к изменению тока истока транзистора 2, что вытекает из уравнения (1). Таким образом, по данному входу 4 КДУ всегда имеет высокое входное сопротивление.
За счет «двойной каскодной архитектуры» (транзистор 1 и транзистор 6) предлагаемая схема обладает предельным значением верхней граничной частоты и может применяться в СВЧ-диапазоне в рамках техпроцесса SGVD25 IHP (Германия).
Первая особенность схемы фиг.3 состоит в том, что потенциал затвора транзисторов 1 и 2 здесь смещен к шине отрицательного источника питания 9 на величину напряжения на двухполюснике 14. Это уменьшает статическое напряжение между затворами транзисторов 1, 2 и базами транзисторов 5 и 6, расширяет динамический диапазон усиливаемых сигналов.
Вторая особенность схемы фиг.3 – наличие (в соответствии с п.3 формулы изобретения) эмиттерных повторителей 15 и 16, которые уменьшают входные токи КДУ фиг.3 и повышают его входное сопротивление по неинвертирующему входу.
Характерной особенностью схем заявляемого КДУ является отсутствие источника тока I0 (фиг.1), который ухудшает на 1÷2 мА (20÷25%) показатели известного КДУ (фиг.1) по токопотреблению, не принимает участие в обеспечении статического тока транзисторов, обеспечивающих усиление входного сигнала.
Таким образом, предлагаемое схемотехническое решение позволяет использовать СВЧ SiGe-транзисторы техпроцесса SGB25VD с относительно низким напряжением питания 2,9 В в структуре не только различных аналоговых устройств, но и СФ блоков систем на кристалле. Этот важный результат расширяет область практического использования SGB25VD технологии и, следовательно, повышает технико-экономические показатели микроэлектронных изделий. Так, например, создание новой (под указанную технологию) схемотехники широкодиапазонных операционных усилителей позволит не только повысить качественные показатели СВЧ-фильтров, квадратурных модуляторов, демодуляторов и других устройств нового поколения, образующих СФ блоки СВЧ РЭА, но и создать новую номенклатуру ИС широкого функционального применения.
БИБЛИОГРАФИЧЕСКИЙ СПИСОК
1. Патент США 3786362.
2. Патент США 4030044.
3. Патент США 4059808, фиг.5.
4. Патент США 4286227.
5. Авт.свид. СССР 375754, H03F 3/38.
6. Авт.свид. СССР 843164, H03F 3/30.
7. Патент США 3660773.
8. Патент США 4560948.
9. Патент РФ 2930041, H03F 1/32.
10. Патент Японии 57-5364, H03F 3/343.
11. Патент ЧССР 134845, кл.21a2 18/08.
12. Патент ЧССР 134849, кл.21a2 18/08.
13. Патент ЧССР 135326, кл.21а2 18/08.
14. Патент США 4389579.
15. Патент Англии 1543361, Н3Т.
16. Патент США 5521552 (фиг.3а).
17. Патент США 4059808.
18. Патент США 5789949.
19. Патент США 4453134.
20. Патент США 4760286.
21. Авт.свид. СССР 1283946.
22. Патент РФ 2019019.
23. Патент США 4389579.
24. Патент США 4453092.
25. Патент США 3566289.
26. Патент США 4059808 (фиг.2).
27. Патент США 3649926.
28. Патент США 4714894 (фиг.1).
29. Матавкин В.В. Быстродействующие операционные усилители. – М.: Радио и связь, 1989.
30. М.Херпи. Аналоговые интегральные схемы. – М.: Радио и связь, 1983, стр.174, рис.5.52.
Формула изобретения
1. Каскодный дифференциальный усилитель, содержащий первый (1) и второй (2) входные транзисторы с объединенными базами (затворами), эмиттеры (истоки) которых подключены к соответствующим первому (3) и второму (4) входам каскодного дифференциального усилителя, а коллекторы соединены с эмиттерами первого (5) и второго (6) выходных транзисторов и через первый (7) и второй (8) токостабилизирующие двухполюсники соединены с шиной (9) источника питания, третий выходной транзистор (10), база которого связана с коллектором первого выходного транзистора (5) и вспомогательным двухполюсником (11), эмиттер подключен к объединенным базам первого (5) и второго (6) выходных транзисторов, причем коллектор второго выходного транзистора (6) связан с выходом (12) каскодного дифференциального усилителя, отличающийся тем, что базы (затворы) первого (1) и второго (2) входных транзисторов соединены с объединенными базами первого (5) и второго (6) выходных транзисторов.
2. Устройство по п.1, отличающееся тем, что в схему введен третий (13) токостабилизирующий двухполюсник, подключенный к базам (затворам) первого (1) и второго (2) входных транзисторов, которые соединены с объединенными базами первого (5) и второго (6) выходных транзисторов через цепь согласования потенциалов (14).
3. Устройство по п.1, отличающееся тем, что между дифференциальным источником входного сигнала и первым (3), а также вторым (4) входами каскодного дифференциального усилителя включены первый (15) и второй (16) эмиттерные (истоковые) повторители напряжения.
РИСУНКИ
|