|
|
(21), (22) Заявка: 2008109771/09, 13.03.2008
(24) Дата начала отсчета срока действия патента:
13.03.2008
(43) Дата публикации заявки: 10.10.2009
(46) Опубликовано: 27.05.2010
(56) Список документов, цитированных в отчете о поиске:
US 3972003, 27.07.1976. SU 1529410 A1, 15.12.1989. US 6236270 B1, 22.05.2001. US 2004/0207449 A1, 21.10.2004.
Адрес для переписки:
346500, Ростовская обл., г. Шахты, ул. Шевченко, 147, ЮРГУЭС, патентная служба
|
(72) Автор(ы):
Прокопенко Николай Николаевич (RU), Ковбасюк Николай Васильевич (RU), Сергеенко Алексей Иванович (RU)
(73) Патентообладатель(и):
ГОУ ВПО “Южно-Российский государственный университет экономики и сервиса” (ЮРГУЭС) (RU)
|
(54) КАСКОДНЫЙ ДИФФЕРЕНЦИАЛЬНЫЙ УСИЛИТЕЛЬ
(57) Реферат:
Изобретение относится к области радиотехники и связи и может быть использовано в качестве устройства усиления аналоговых сигналов, в структуре аналоговых микросхем различного функционального назначения (например, операционных усилителях (ОУ)). Технический результат: повышение коэффициента усиления по напряжению при сохранении высокой стабильности статического режима каскодного дифференциального усилителя (КДУ). КДУ содержит первый (1) и второй (2) входные транзисторы (Т), базы которых подключены к источнику напряжения смещения (ИНС) (3), первый (4) и второй (5) токостабилизирующие двухполюсники, связанные с соответствующими первым (6) и вторым (7) входами КДУ и эмиттерами Т (1) и Т (2), первый (8) и второй (9) двухполюсники нагрузки, подключенные к коллекторам соответствующих Т (1) и Т (2), а также базам первого (10) и второго (11) выходных Т, выходной сумматор токов (12), первый (13) и второй (14) входы которого соединены с коллекторами Т (10) и Т (11). В схему введены первый-шестой (15-20) дополнительные Т, третий (21) токостабилизирующий двухполюсник, а также первый (22) и второй (23) вспомогательные p-n переходы, причем первый (6) вход КДУ связан с эмиттером Т (1) через первый (22) дополнительный p-n переход, второй (7) вход КДУ связан с эмиттером Т (2) через второй (23) дополнительный p-n переход, база Т (15) подключена к коллектору Т (1), база Т (16) подключена к коллектору Т (2), коллектор Т (15) соединен с эмиттером Т (18), коллектор Т (16) связан с эмиттером Т (17), база Т (17) подключена к эмиттеру Т (1), база Т (18) подключена к эмиттеру Т (2), коллектор Т (17) соединен с эмиттером Т (19), база Т (19) подключена к первому входу (6) КДУ, база Т (20) соединена со вторым (7) входом КДУ, коллекторы Т (19) и Т (20) объединены и подключены к общей точке первого (4), второго (5) и третьего (21) токостабилизирующих двухполюсников, а свободный вывод третьего токостабилизирующего двухполюсника (21) связан с шиной источника питания (22). 5 ил.
Изобретение относится к области радиотехники и связи и может быть использовано в качестве устройства усиления аналоговых сигналов, в структуре аналоговых микросхем различного функционального назначения (например, операционных усилителях (ОУ)).
Известны схемы так называемых «перегнутых» каскодных дифференциальных усилителей (КДУ) на n-p-n и p-n-p транзисторах [1-40], которые стали основой более чем 20 серийных операционных усилителей, выпускаемых как зарубежными (НА2520, НА5190, AD797, AD8631, AD8632, ОР90 и др.), так и российскими (154УДЗ и др.) микроэлектронными фирмами. В связи с высокой популярностью такой архитектуры ДУ на их модификации выдано более 50 патентов. Предлагаемое изобретение относится к данному подклассу устройств.
Ближайшим прототипом (фиг.1) заявляемого устройства является каскодный дифференциальный усилитель (КДУ), описанный в патенте США 3979689, содержащий первый 1 и второй 2 входные транзисторы, базы которых подключены к источнику напряжения смещения 3, первый 4 и второй 5 токостабилизирующие двухполюсники, связанные с соответствующими первым 6 и вторым 7 входами каскодного усилителя и эмиттерами первого 1 и второго 2 входных транзисторов, первый 8 и второй 9 двухполюсники нагрузки, подключенные к коллекторам соответствующих первого 1 и второго 2 входных транзисторов, а также базам первого 10 и второго 11 выходных транзисторов, выходной сумматор токов 12, первый 13 и второй 14 входы которого соединены с коллекторами первого 10 и второго 11 выходных транзисторов.
Существенный недостаток известного КДУ (фиг.1) состоит в том, что при повышении его коэффициента усиления по напряжению он не обеспечивает высокую стабильность статического режима выходного каскада («выходной сумматор токов 12 – второй выходной транзистор 11»), что отрицательно сказывается на его частотных характеристиках, а также работоспособности и токопотреблении при изменениях температуры и разбросе параметров элементов.
Действительно, предельно возможные (для данной архитектуры КДУ) значения коэффициента усиления по напряжению (Ку) реализуются, если в качестве двухполюсников 8 и 9 включить источники опорного тока (фиг.2). В этом случае коэффициент усиления по напряжению КДУ фиг.1 будет определяться эквивалентными сопротивлениями в коллекторной цепи транзисторов 1 и 2:
RН.ЭКВ.1 10rэ10,
RН.ЭКВ.2 11rэ11,
где 10, 11 – коэффициент усиления по току базы транзисторов 10 и 11;
rэ10, rэ11 – сопротивления эмиттерных переходов транзисторов 10 и 11.
При миллиамперных токах и =50 имеем Rн.экв.1=Rн.экв.2 1,2 Ком, что крайне мало для получения предельных Ку.
Таким образом, в КДУ-прототипе фиг.1 сдерживающим фактором при повышении его Ку являются низкие значения эквивалентных сопротивлений Rн.экв.1 и Rн.экв.2 в коллекторной цепи транзисторов 1 и 2.
Кроме этого введение вместо двухполюсников 8 и 9 источников опорного тока I8 и I9 (фиг.2) способствует повышению Ку до его предельного значения (Ку.max). Однако при этом известная схема КДУ становится практически неработоспособной из-за проблем со стабильностью статического режима транзисторов 10 и 11. Поэтому в микроэлектронике такой способ достижения предельного Ку в КДУ (фиг.2) не используется. Как следствие, в данной схеме в качестве двухполюсников 8 и 9 всегда применяются p-n переходы.
Рассмотренное техническое противоречие разрешается в заявляемом КДУ за счет введения новых элементов и связей между ними.
Основная задача предлагаемого изобретения состоит в повышении коэффициента усиления по напряжению при сохранении высокой стабильности статического режима КДУ.
Поставленная задача достигается тем, что в каскодном дифференциальном усилителе фиг.1, содержащем первый 1 и второй 2 входные транзисторы, базы которых подключены к источнику напряжения смещения 3, первый 4 и второй 5 токостабилизирующие двухполюсники, связанные с соответствующими первым 6 и вторым 7 входами каскодного усилителя и эмиттерами первого 1 и второго 2 входных транзисторов, первый 8 и второй 9 двухполюсники нагрузки, подключенные к коллекторам соответствующих первого 1 и второго 2 входных транзисторов, а также базам первого 10 и второго 11 выходных транзисторов, выходной сумматор токов 12, первый 13 и второй 14 входы которого соединены с коллекторами первого 10 и второго 11 выходных транзисторов, предусмотрены новые элементы и связи – в схему введены первый 15, второй 16, третий 17, четвертый 18, пятый 19 и шестой 20 дополнительные транзисторы, третий 21 токостабилизирующий двухполюсник, а также первый 22 и второй 23 вспомогательные p-n переходы, причем первый 6 вход каскодного дифференциального усилителя связан с эмиттером первого 1 входного транзистора через первый 22 дополнительный p-n переход, второй 7 вход каскодного дифференциального усилителя связан с эмиттером второго 2 входного транзистора через второй 23 дополнительный p-n переход, база первого 15 дополнительного транзистора подключена к коллектору первого 1 входного транзистора, база второго 16 дополнительного транзистора подключена к коллектору второго 2 входного транзистора, коллектор первого 15 дополнительного транзистора соединен с эмиттером четвертого 18 дополнительного транзистора, коллектор второго 16 дополнительного транзистора связан с эмиттером третьего 17 дополнительного транзистора, база третьего 17 дополнительного транзистора подключена к эмиттеру первого 1 входного транзистора, база четвертого 18 дополнительного транзистора подключена к эмиттеру второго 2 выходного транзистора, коллектор третьего 17 дополнительного транзистора соединен с эмиттером пятого 19 дополнительного транзистора, коллектор четвертого 18 дополнительного транзистора соединен с эмиттером шестого 20 дополнительного транзистора, база пятого 19 дополнительного транзистора подключена к первому 6 входу каскодного дифференциального усилителя, база шестого 20 дополнительного транзистора соединена со вторым 7 входом каскодного дифференциального усилителя, коллекторы пятого и шестого дополнительных транзисторов объединены и подключены к общей точке первого 4, второго 5 и третьего 21 токостабилизирующих двухполюсников, а свободный вывод третьего 21 токостабилизирующего двухполюсника связан с шиной источника питания 22, при этом первый 15, четвертый 18 и шестой 20 дополнительные транзисторы, а также второй 16, третий 17 и пятый 19 дополнительные транзисторы обеспечивают отрицательную обратную связь по синфазному сигналу.
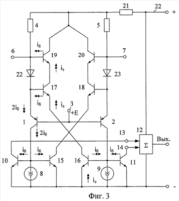
Схема усилителя-прототипа изображена на чертежах фиг.1 и фиг.2. На чертеже фиг.3 представлена схема заявляемого устройства в соответствии с п.1 формулы изобретения.
На чертеже фиг.4 показана схема заявляемого (б) и сравниваемого (а) с ним устройств в среде компьютерного моделирования PSpice на моделях интегральных транзисторов ФГУП НПП «Пульсар», а на чертеже фиг.5 – результаты компьютерного моделирования данных схем – зависимости их коэффициента усиления Ку от частоты.
Дифференциальный усилитель фиг.3 содержит первый 1 и второй 2 входные транзисторы, базы которых подключены к источнику напряжения смещения 3, первый 4 и второй 5 токостабилизирующие двухполюсники, связанные с соответствующими первым 6 и вторым 7 входами каскодного усилителя и эмиттерами первого 1 и второго 2 входных транзисторов, первый 8 и второй 9 двухполюсники нагрузки, подключенные к коллекторам соответствующих первого 1 и второго 2 входных транзисторов, а также базам первого 10 и второго 11 выходных транзисторов, выходной сумматор токов 12, первый 13 и второй 14 входы которого соединены с коллекторами первого 10 и второго 11 выходных транзисторов. В схему введены первый 15, второй 16, третий 17, четвертый 18, пятый 19 и шестой 20 дополнительные транзисторы, третий 21 токостабилизирующий двухполюсник, а также первый 22 и второй 23 вспомогательные p-n переходы, причем первый 6 вход каскодного дифференциального усилителя связан с эмиттером первого 1 входного транзистора через первый 22 дополнительный p-n переход, второй 7 вход каскодного дифференциального усилителя связан с эмиттером второго 2 входного транзистора через второй 23 дополнительный p-n переход, база первого 15 дополнительного транзистора подключена к коллектору первого 1 входного транзистора, база второго 16 дополнительного транзистора подключена к коллектору второго 2 входного транзистора, коллектор первого 15 дополнительного транзистора соединен с эмиттером четвертого 18 дополнительного транзистора, коллектор второго 16 дополнительного транзистора связан с эмиттером третьего 17 дополнительного транзистора, база третьего 17 дополнительного транзистора подключена к эмиттеру первого 1 входного транзистора, база четвертого 18 дополнительного транзистора подключена к эмиттеру второго 2 выходного транзистора, коллектор третьего 17 дополнительного транзистора соединен с эмиттером пятого 19 дополнительного транзистора, коллектор четвертого 18 дополнительного транзистора соединен с эмиттером шестого 20 дополнительного транзистора, база пятого 19 дополнительного транзистора подключена к первому 6 входу каскодного дифференциального усилителя, база шестого 20 дополнительного транзистора соединена со вторым 7 входом каскодного дифференциального усилителя, коллекторы пятого и шестого дополнительных транзисторов объединены и подключены к общей точке первого 4, второго 5 и третьего 21 токостабилизирующих двухполюсников, а свободный вывод третьего 21 токостабилизирующего двухполюсника связан с шиной источника питания 22, при этом первый 15, четвертый 18 и шестой 20 дополнительные транзисторы, а также второй 16, третий 17 и пятый 19 дополнительные транзисторы обеспечивают отрицательную обратную связь по синфазному сигналу.
Рассмотрим вначале особенности работы КДУ-прототипа (фиг.2).
На входы 6 и 7 КДУ фиг.2 подается токовый сигнал, например, от входного дифференциального каскада, показанного на чертеже фиг.4. Первый 8 и второй 9 двухполюсники нагрузки, а также первый 4 и второй 5 токостабилизирующие двухполюсники и напряжение на базах транзисторов 1 и 2 определяют статический режим КДУ, который отличается высокой нестабильностью. Например, если ток двухполюсника в 8 (9) меньше, чем статический ток коллектора транзистора 1 (2), зависящий от численных значений тока двухполюсника 4 (5), то транзистор 10 (11) закрывается (переходит в режим микротоков). В данном состоянии все основные высокочастотные усилительные параметры транзисторов деградируют, что отрицательно сказывается на частотных характеристиках аналоговых микросхем на основе КДУ фиг.2.
С другой стороны, небольшое уменьшение тока двухполюсника 8 (9) (под действием температуры или изменения напряжений питания) относительно тока коллектора транзистора 1 (2) вызывает увеличение тока базы транзистора 10 (11). Это приращение тока базы усиливается в 10 ( 11) – раз транзистором 10 (11) и передается на выход сумматора 12, где 10 ( 11) >>1 – коэффициент усиления тока базы транзистора 10 (11). Однако небольшое синфазное уменьшение токов двухполюсников 8 и 9 переводит транзисторы 10 и 11 в открытое состояние, что создает большой сквозной ток между шиной положительного и отрицательного источников питания по цепи «выходной усилитель тока 12 – транзистор 11». Предельная величина этого сквозного тока может достигать десятков – сотен миллиампер, что неприемлемо для большинства применений. Следовательно, схема фиг.2 требует юстировки (обеспечения высокой идентичности) токов двухполюсников 8 и 9 (4 и 5), что также неприемлемо. Таким образом, в рамках известного технического решения (фиг.2) неудовлетворительно решается задача обеспечения высокого коэффициента усиления и диапазона рабочих частот, стабильности статического режима (сквозного тока) и, как следствие, надежности КДУ и аналоговых интерфейсов на его основе.
В заявляемой схеме созданы специальные условия, допускающие повышение Ку и стабилизирующие сквозной ток выходного каскада, а также все статические токи в транзисторах схемы.
Повышение стабильности статического режима в заявляемом КДУ фиг.3 обеспечивается отрицательной обратной связью по синфазному сигналу, которая организуется транзисторами 15 и 16, а также 17 (18), 19 (20). В результате в схеме фиг.3 гарантируется высокая стабильность токов эмиттера транзисторов 15 и 16 и, как следствие, токов эмиттера параллельно включенных транзисторов 10 и 11. При этом в схеме фиг.3 обеспечивается повышение на порядок коэффициента усиления по напряжению, и основную роль в этом играют транзисторы 17, 19 и 18, 20.
Действительно, при увеличении напряжения на двухполюснике 8 и уменьшении напряжения на двухполюснике 9 в схеме фиг.3 образуются приращения токов базы iб транзисторов 10 и 15, а также 16 и 11. В результате уменьшается ток эмиттера транзистора 16 и транзисторов 17 и 19 (iэ). При этом на величину 2iб возрастает ток эмиттера и ток коллектора транзистора 1 iк iэ 2iб, что обеспечивает компенсацию токов базы транзисторов 10 и 15 в цепи двухполюсника 8.
Таким образом, в схеме фиг.3 существенно возрастает эквивалентное сопротивление в цепи коллекторной нагрузки транзисторов 1 и 2, что повышает Ку более чем на порядок (фиг.5).
Компьютерное моделирование подтверждает преимущества предлагаемого технического решения (фиг.5).
Библиографический список
1. Патент США 6.304.143.
2. Патент США 5.418.491.
3. Патент США 4.463.319.
4. Патент США 6.717.474.
5. Патент США 6.734.720.
6. Патент США 4.723.111.
7. Патент США 4.293.824.
8. Патент США 5.323.121.
9. Патент США 5.091.701.
10. Патент США 4.406.990.
11. Патент США 5.422.600.
12. Патент США 6.788.143.
13. Патент США 4.274.061.
14. Патент США 5.327.100.
15. Патент США 5.786.729.
16. Патент США 3.644.838.
17. Патент США 4.600.893.
18. Патент США 4.390.850.
19. Патент США 6.628.168.
20. Матавкин В.В. Быстродействующие операционные усилители. – М.: Радио и связь, 1989. – С.74, рис.4.15, стр.98, рис.6.7.
21. Патент США 6.218.900, фиг.1.
22. Патентная заявка US 2002/0196079.
23. Патент США Re 30.587.
24. Патент ЕР 1.227.580.
25. Патент США 6.714.076.
26. Патентная заявка US 2004/0090268 A1.
27. Патент США 4.959.622, фиг.1.
28. Патент США 6.018.268.
29. Патент США 5.952.882.
30. Патент США 6.580.325.
31. Патент США 6.965.266.
32. Патент США 6.867.643.
33. Патент США 6.236.270.
34. Патент США 6.229.394.
35. Патент США 5.734.296.
36. Патент США 5.477.190.
37. Патент США 6.084.475.
38. Патент США 3.733.559.
39. Патентная заявка US 2005/0001682 A1.
40. Патент США 6.300.831.
Формула изобретения
Каскодный дифференциальный усилитель, содержащий первый (1) и второй (2) входные транзисторы, базы которых подключены к источнику напряжения смещения (3), первый (4) и второй (5) токостабилизирующие двухполюсники, связанные с соответствующими первым (6) и вторым (7) входами каскодного усилителя и эмиттерами первого (1) и второго (2) входных транзисторов, первый (8) и второй (9) двухполюсники нагрузки, подключенные к коллекторам соответствующих первого (1) и второго (2) входных транзисторов, а также базам первого (10) и второго (11) выходных транзисторов, выходной сумматор токов (12), первый (13) и второй (14) входы которого соединены с коллекторами первого (10) и второго (11) выходных транзисторов, отличающийся тем, что в схему введены первый (15), второй (16), третий (17), четвертый (18), пятый (19) и шестой (20) дополнительные транзисторы, третий (21) токостабилизирующий двухполюсник, а также первый (22) и второй (23) вспомогательные p-n переходы, причем первый (6) вход каскодного дифференциального усилителя связан с эмиттером первого (1) входного транзистора через первый (22) дополнительный p-n переход, второй (7) вход каскодного дифференциального усилителя связан с эмиттером второго (2) входного транзистора через второй (23) дополнительный p-n переход, база первого дополнительного транзистора (15) подключена к коллектору первого (1) входного транзистора, база второго дополнительного транзистора (16) подключена к коллектору второго (2) входного транзистора, коллектор первого дополнительного транзистора (15) соединен с эмиттером четвертого (17) дополнительного транзистора, коллектор второго дополнительного транзистора (16) связан с эмиттером третьего (17) дополнительного транзистора, база третьего дополнительного транзистора (17) подключена к эмиттеру первого входного транзистора (1), база четвертого (18) дополнительного транзистора подключена к эмиттеру второго (2) выходного транзистора, коллектор третьего дополнительного транзистора (17) соединен с эмиттером пятого дополнительного транзистора (19), база пятого дополнительного транзистора (19) подключена к первому входу (6) каскодного дифференциального усилителя, база шестого дополнительного транзистора (20) соединена со вторым (7) входом каскодного дифференциального усилителя, коллекторы пятого и шестого дополнительных транзисторов объединены и подключены к общей точке первого (4), второго (5) и третьего (21) токостабилизирующих двухполюсников, а свободный вывод третьего токостабилизирующего двухполюсника (21) связан с шиной источника питания (22), при этом первый (15), четвертый (18) и шестой (20) дополнительные транзисторы, а также второй (16), третий (17) и пятый (19) дополнительные транзисторы обеспечивают отрицательную обратную связь по синфазному сигналу.
РИСУНКИ
|
|