|
|
(21), (22) Заявка: 2008152501/09, 29.12.2008
(24) Дата начала отсчета срока действия патента:
29.12.2008
(46) Опубликовано: 27.05.2010
(56) Список документов, цитированных в отчете о поиске:
SU 562038 A1, 15.06.1977. RU 2229766 C1, 27.05.2004. RU 2253931 C1, 10.06.2005. US 489156 A, 02.01.1990.
Адрес для переписки:
344038, г.Ростов-на-Дону, пл. им. Полка Народного ополчения, 2, РГУПС, НИС
|
(72) Автор(ы):
Устименко Игорь Владимирович (RU)
(73) Патентообладатель(и):
Устименко Игорь Владимирович (RU)
|
(54) СПОСОБ АВТОМАТИЧЕСКОГО СИММЕТРИРОВАНИЯ ТОКОВ МНОГОФАЗНОЙ СИСТЕМЫ ПО ОДНОЙ ИЗ ФАЗ ПРИ КОМБИНИРОВАННОМ ОТБОРЕ МОЩНОСТИ
(57) Реферат:
Использование: в области электротехники. Технический результат заключается в повышении быстродействия, повышении экономичности, упрощении реализации и расширении области применения. Способ заключается в генерации с помощью дополнительного источника мощности в каждую из оставшихся (n-1) фаз токов, предварительно сформированными таким образом, чтобы в каждой из симметрируемых (n-1) фаз основной n-фазной сети геометрическая сумма токов – генерируемого в симметрируемую фазу и током ее нагрузки, была бы равна по модулю току опорной фазы, а угол, образованный током последней и суммарным током симметрируемой фазы, следующей за опорной при прямом чередовании фаз, а также между суммарными токами соседних (n-1) симметрируемых фаз, был бы равен эл. градусов. При этом отбор мощности в упомянутый дополнительный источник мощности осуществляют от комбинации минимум двух, наименее нагруженных фаз, которые определяют заранее, по условию уменьшения несимметрии в симметрируемой n фазной системе. 1 ил.
Способ относиться к электротехнике и может быть использован для симметрирования многофазных и однофазных нагрузок с изменяющимися во времени параметрами.
Известен способ автоматического регулирования симметрии и уровня напряжения трехфазной системы (1), при реализации которого осуществляется измерение и регулировка токов обратной последовательности симметрируемой системы. Способ – аналог обладает недостатками, заключающимися в сложности его реализации, а также низком быстродействии, обусловленном поисковым методом перестройки параметров.
Известен способ автоматического симметрирования напряжения на погружном асинхронном двигателе, реализованный в устройстве (2), посредством которого симметрируют напряжение на зажимах потребителя за счет регулирования сопротивления цепи питания отдельных фаз. Данный способ наиболее близок по технической сущности к заявленному и поэтому принят в качестве прототипа. Известный способ-прототип обладает недостатками, заключающимися в низком к.п.д., низком быстродействии, невозможностью использования способа для симметрирования группы нагрузок при его осуществлении.
Задача, решаемая изобретением, – повышение эффективности симметрирования многофазной системы путем повышения быстродействия, повышения экономичности, упрощения реализации и расширения области применения при осуществлении способа симметрирования.
Это достигается тем, что с помощью дополнительного n-фазного источника мощности несимметричную n-фазную нагрузку симметрируют относительно любой, заранее выбранной фазы, определяя ее в качестве опорной. При этом симметрирования каждой из (n-1) фаз добиваются путем генерации в каждую из них токов, у которых предварительно формируют модуль и фазовый угол таким образом, чтобы в каждой из фаз геометрическая сумма упомянутых токов, и токов, являющихся токами n-фазной несимметричной нагрузки, была бы равна по модулю току опорной фазы, а угол, образованный током последней и током упомянутой геометрической суммы токов симметрируемой фазы, следующей по порядку за опорной, при прямом чередовании фаз, а также между токами геометрических сумм соседних симметрируемых фаз был бы равен эл.градусам. При этом отбор мощности в упомянутый дополнительный источник мощности, используемый для формирования токов компенсации несимметрии, осуществляют от комбинации минимум двух наименее нагруженных фаз, которые определяют заранее.
Суть способа определяется следующим. Как известно, любая n-фазная система является симметричной, если комплексные нагрузки ее фаз равны, т.е. если равны по модулю токи ее отдельных фаз, а фазовый угол между ними равен , где n – количество фаз системы. Таким образом, исходя из этого, симметрирования в n-фазной системе можно добиться, симметрируя токи ее отдельных фаз относительно тока какой либо из ее фаз. Поскольку токи нагрузки являются параметрами, задаваемыми самой нагрузкой, то их симметрирования можно добиться геометрическим добавлением к ним токов от дополнительного источника тока или напряжения таким образом, чтобы геометрическая сумма генерируемых от дополнительного источника токов и токов нагрузки симметрируемых фаз была бы равна току опорной фазы, а угол, образованный суммарным током последней и суммарным током симметрируемой фазы, следующей за опорной, при прямом чередовании фаз, а также между суммарными токами соседних (n-1) симметрируемых фаз, был бы равен эл. градусов. При этом эффективность при использовании заявленного способа при переходе от симметрирования трехфазной нагрузки к симметрированию одной или группы однофазных нагрузок не зависит от свойств последних, а определяется только мощностью дополнительного источника мощности. В случае питания последнего от комбинации наименее нагруженных фаз увеличивается степень их уравновешивания, в результате чего эффективность симметрирования возрастает.
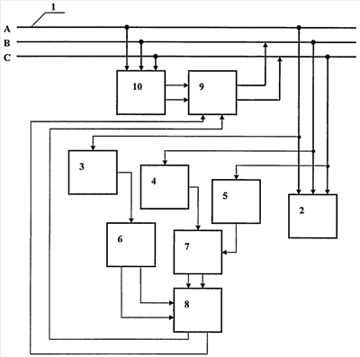
На чертеже представлена схема, поясняющая сущность заявляемого способа. На схеме введены следующие обозначения:
1 – опорная фаза;
2 – несимметричная нагрузка;
3 – датчик формы тока опорной фазы;
4,5 – датчики формы тока симметрируемых фаз;
6 – первый фазосдвигающий блок;
7 – второй фазосдвигающий блок;
8 – блок формирования разностных сигналов;
9 – дополнительный источник мощности;
10 – блок формирования комбинации минимально нагруженных фаз.
Пример осуществления способа рассмотрен относительно трехфазной системы. В данном случае произвольно в качестве опорной фазы выбрана фаза «А». С выхода датчика формы тока опорной фазы 3 сигнал, пропорциональный форме сигнала тока опорной фазы, поступает в первый фазосдвигающий блок 6. Данный блок, в общем случае, состоит из (п-1) фазосдвигающих цепочек, каждой из которых сигнал, пропорциональный сигналу тока опорной фазы, в общем случае, сдвигается соответственно на угол , где m – порядковый номер фазы при прямой последовательности чередования фаз, n – количество фаз в системе. Для данного случая при количестве фаз, равном трем, таких фазосдвигающих цепочек две: одной из цепочек упомянутый сигнал сдвигается соответственно 120, другой – на 240 эл. градусов, в зависимости от номера фазы, для симметрирования которой он будет использован. С выхода блока 6 сигналы, пропорциональные току опорной фазы и сдвинутые на 120 и 240 эл. градусов соответственно, поступают на первую группу входов блока формирования разностных сигналов 8, на вторую группу входов которого поступают сигналы, пропорциональные форме токов нагрузок симметрируемых фаз, сформированные в датчиках формы тока симметрируемых фаз 4 и 5, и проинвертируемые на 180 эл. градусов во втором фазосдвигающем блоке 7. В блоке формирования разностных сигналов 8 сигналы, поступающие к первой и второй группам входов последнего, попарно сравниваются:
опорный сигнал тока, сдвинутый на 120 эл. градусов, сравнивается с проинвертируемым на 180 эл. градусов сигналом, пропорциональным форме тока нагрузки фазы «В», а опорный сигнал тока, сдвинутый на 240 эл. градусов сравнивается с проинвертируемым на 180 эл. градусов сигналом, пропорциональным форме тока нагрузки фазы «С». Таким образом, на выходе блока 8 формируются сигналы, пропорциональные векторной разности сигнала опорной фазы и сигналов нагрузки симметрируемых фаз. Данные две пары векторных разностей токов и являются сформированными сигналами симметрируемых фаз, геометрическая сумма которых и токов нагрузки каждой из соответствующих фаз и дает токи, пропорциональные току опорной фазы, а фазовый угол, образованный упомянутой геометрической суммой токов и током опорной фазы, составляет 120 эл. градусов. Таким образом, мы получаем полностью симметричную систему сформированных сигналов токов, пропорциональных токам симметрируемой трехфазной системы относительно тока фазы «А». С выхода блока 8 сформированные сигналы управления поступают на цепи управления дополнительного источника мощности 9, посредством которого подаются в симметрируемые фазы. В качестве дополнительного источника мощности может быть использована, например, система с двойным преобразованием энергии, включающая ШИМ – выпрямитель, ШИМ – инвертор и содержащая промежуточное звено постоянного тока. Питание дополнительного источника мощности 9 осуществляют от комбинации минимум двух фаз, выбор которых осуществляется в блоке формирования комбинации минимально нагруженных фаз 10 таким образом, чтобы уменьшить несимметрию.
Таким образом, в результате последовательности действий, произведенных в соответствии с заявленным способом, осуществляется симметрирования в основной n-фазной сети относительно любой из ее фаз посредством дополнительного источника мощности, питание которого осуществляют от комбинации минимум двух минимально загруженных фаз. При этом повышения эффективности симметрирования многофазной системы при использовании заявленного способа добиваются путем повышения быстродействия, повышения экономичности, упрощения реализации и расширения области применения при осуществлении способа симметрирования.
ИСТОЧНИКИ ИНФОРМАЦИИ
1. А.С. СССР 244495, Бюл. 18, 13.10.1969, Кл. Н02J 3/26, 1969
2. А.С. СССР 562038, Бюл. 22, 14.07.1977, Кл. Н02J 3/26, 1977.
Формула изобретения
Способ симметрирования основной n-фазной сети, нагруженной линейной несимметричной n-фазной нагрузкой, при котором симметрируют токи нагрузки отдельных фаз, отличающийся тем, что в основной n-фазной сети предварительно определяют в качестве опорной любую из ее фаз, выделяют в ней сигнал, пропорциональный току ее нагрузки, и с помощью дополнительного (n-1)-фазного источника мощности генерируют в каждую из оставшихся (n-1) фаз токи, предварительно формируя их таким образом, чтобы в каждой из симметрируемых (n-1) фаз основной n-фазной сети геометрическая сумма токов – генерируемого в симметрируемую фазу и тока ее нагрузки – была бы равна по модулю току в опорной фазе, а угол, образованный током последней и суммарным током симметрируемой фазы, следующей за опорной при прямом чередовании фаз, а также между суммарными токами соседних (n-1) симметрируемых фаз был бы равен эл. градусов, а отбор мощности при этом в упомянутый дополнительный n-фазный источник мощности осуществляют от комбинации, минимум от двух, наименее нагруженных фаз, которые определяют заранее по условию уменьшения несимметрии в симметрируемой n-фазной системе.
РИСУНКИ
|
|