|
|
(21), (22) Заявка: 2008152684/09, 29.12.2008
(24) Дата начала отсчета срока действия патента:
29.12.2008
(46) Опубликовано: 27.05.2010
(56) Список документов, цитированных в отчете о поиске:
SU 562038 A1, 15.06.1977. RU 2229766 C1, 27.05.2004. RU 2253931 C1, 10.06.2005. US 489156 A, 02.01.1990.
Адрес для переписки:
344038, г.Ростов-на-Дону, пл. им. Полка Народного ополчения, 2, РГУПС, НИС
|
(72) Автор(ы):
Устименко Игорь Владимирович (RU)
(73) Патентообладатель(и):
Устименко Игорь Владимирович (RU)
|
(54) СПОСОБ АВТОМАТИЧЕСКОГО СИММЕТРИРОВАНИЯ ТОКОВ МНОГОФАЗНОЙ СИСТЕМЫ ПО ЗАДАННОЙ ФАЗЕ ПРИ КОМБИНИРОВАННОМ ОТБОРЕ МОЩНОСТИ
(57) Реферат:
(57) Использование: в области электротехники. Технический результат заключается в повышении быстродействия, экономичности, упрощении реализации и расширении области применения. Способ заключается в генерации с помощью дополнительного источника мощности в каждую из оставшихся (n-1) фаз токов, предварительно сформированных таким образом, чтобы в каждой из симметрируемых (n-1) фаз основной n-фазной сети геометрическая сумма токов – генерируемого в симметрируемую фазу и тока ее нагрузки, была бы равна по модулю току в опорной фазе, а угол, образованный током последней и током симметрируемой фазы, следующей за опорной при прямом чередовании фаз, а также между суммарными токами соседних (n-1) симметрируемых фаз, был бы равен эл. градусов. При этом отбор мощности в упомянутый дополнительный источник мощности, используемый для формирования токов компенсации несимметрии, осуществляют от комбинации минимум двух, наименее нагруженных фаз, которые определяют заранее, по условию уменьшения несимметрии в симметрируемой n фазной системе. 1 ил.
Способ относится к электротехнике и может быть использован для симметрирования многофазных и однофазных нагрузок с изменяющимися во времени параметрами.
Известен способ автоматического регулирования симметрии и уровня напряжения трехфазной системы (1), при реализации которого осуществляется измерение и регулировка токов обратной последовательности симметрируемой системы. Способ-аналог обладает недостатками, заключающимися в сложности его реализации, а также низком быстродействии, обусловленном поисковым методом перестройки параметров.
Известен способ автоматического симметрирования напряжения на погружном асинхронном двигателе, реализованный в устройстве (2), посредством которого симметрируют напряжение на зажимах потребителя за счет регулирования сопротивления цепи питания отдельных фаз. Данный способ наиболее близок по технической сущности к заявленному и поэтому принят в качестве прототипа. Известный способ-прототип обладает недостатками, заключающимися в низком к.п.д, низком быстродействии и низкой экономичности, а также невозможностью использования способа для симметрирования группы нагрузок при его осуществлении.
Задача, решаемая изобретением, – повышение эффективности симметрирования многофазной системы, путем повышения быстродействия, повышения экономичности, упрощения реализации и расширения области применения при осуществлении способа симметрирования.
Это достигается тем, что с помощью дополнительного n-фазного источника мощности, несимметричную n-фазную сеть симметрируют относительно заданной фазы, которую заранее выбирают в качестве опорной. Выбор последней осуществляют в зависимости от соотношения комплексных нагрузок отдельных фаз n-фазной сети. В качестве опорной – выбирают либо фазу с током нагрузки, близким к среднему, либо наименее нагруженную фазу, при этом процесс симметрирования осуществляют путем генерации в каждую из симметрируемых фаз нагрузки основной n-фазной сети – токов, у которых предварительно формируют модуль и фазовый угол таким образом, чтобы геометрическая сумма упомянутых токов в каждой из фаз и токов, являющихся токами n-фазной несимметричной нагрузки, была бы равна по модулю току опорной фазы, а угол, образованный током последней и током упомянутой геометрической суммы токов симметрируемой фазы, следующей по порядку за опорной при прямом чередовании фаз, а также между токами геометрических сумм соседних симметрируемых фаз, был бы равен эл. градусам. При этом отбор мощности в упомянутый дополнительный источник мощности, используемый для формирования токов компенсации несимметрии, осуществляют от комбинации минимум двух, наименее нагруженных фаз, которые определяют заранее.
Это достигается тем, что с помощью дополнительного n-фазного источника мощности, несимметричную n-фазную сеть симметрируют относительно заданной фазы, которую заранее выбирают в качестве опорной. Выбор последней осуществляют в зависимости от соотношения комплексных нагрузок отдельных фаз n-фазной сети. В качестве опорной – выбирают либо фазу с током нагрузки, близким к среднему, либо наименее нагруженную фазу, при этом процесс симметрирования осуществляют путем генерации в каждую из (n-1) симметрируемых фаз нагрузки основной n-фазной сети токов, у которых предварительно формируют модуль и фазовый угол таким образом, чтобы в каждой из фаз геометрическая сумма упомянутых токов и токов, являющихся токами n-фазной несимметричной нагрузки, была бы равна по модулю току опорной фазы, а угол, образованный током последней и током упомянутой геометрической суммы токов в фазе, следующей за опорной при прямом чередовании фаз, а также между токами геометрических сумм соседних симметрируемых фаз, был бы равен эл. градусам.
Суть способа определяется следующим. Как известно, любая n-фазная система является симметричной, если комплексные нагрузки ее фаз равны, т.е. если равны по модулю токи ее отдельных фаз, а фазовый угол между ними равен , где n – количество фаз системы. Таким образом, исходя из этого, в n-фазной системе можно добиться симметрирования, уравновешивая токи ее отдельных фаз, относительно тока какой-либо из ее фаз. В некоторых случаях, когда заранее, в зависимости от соотношения комплексных нагрузок отдельных фаз, в качестве опорной выбирается одна из фаз – либо фаза, с током нагрузки, близким к среднему, либо наименее нагруженная фаза, мощность, отбираемая от n-фазной симметрируемой системы, является оптимальной. Поскольку токи нагрузки являются параметрами, задаваемыми самой нагрузкой, то их симметрирования можно добиться геометрическим добавлением к ним токов от дополнительного источника тока или напряжения таким образом, чтобы в каждой симметрируемой фазе геометрическая сумма генерируемого от дополнительного источника тока и тока нагрузки симметрируемой фазы, была бы равна току опорной фазы, а угол, образованный током опорной фазы и токами упомянутых соответствующих геометрических сумм, а также между последними, составлял бы . При этом эффективность при использовании заявленного способа, при переходе от симметрирования трехфазной нагрузки к симметрированию одной или группы однофазных нагрузок не зависит от свойств последних, а определяется только мощностью дополнительного источника мощности. В случае питания последнего от комбинации наименее нагруженных фаз, увеличивается степень их уравновешивания, в результате чего эффективность симметрирования возрастает.
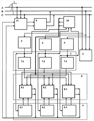
На чертеже представлена схема, поясняющая сущность заявляемого способа.
На схеме введены следующие обозначения.
1 – основная n-фазная система питания
2 – несимметричная нагрузка
3, 4, 5 – датчики формы тока фаз
6 – первый фазосдвигающий блок
7 – второй фазосдвигающий блок
8 – блок формирования разностных сигналов
9 – дополнительный источник мощности
10 – логический блок анализа опорной фазы
11 – блок формирования комбинации минимально нагруженных фаз
Пример осуществления способа рассмотрен относительно трехфазной системы.
Заранее, в зависимости от ситуации (в зависимости от соотношения комплексов нагрузок), в качестве опорной выбирается одна из фаз – либо фаза, с током нагрузки, близким к среднему, либо наименее нагруженная фаза, и в дальнейшем симметрирование осуществляется относительно выбранной фазы. С выходов датчиков формы тока фаз 3, 4 и 5, сигналы, пропорциональные форме сигналов тока фаз n-фазной симметрируемой системы, поступают на группу информационных входов второго фазосдвигающего блока 7, состоящего из отдельных однотипных модулей, количество которых равно количеству фаз, и одновременно на информационные входы логического блока анализа заданной фазы 10 и на информационные входы первого фазосдвигающего блока 6. В блоке 10, посредством сравнения токов отдельных фаз, из них выбирается опорная фаза – либо фаза, с током нагрузки, близким к среднему, либо наименее нагруженная фаза. Допустим, определили, что симметрирование будет происходить относительно наименее нагруженной фазы, т.е. фазы с минимальным током нагрузки. Путем анализа фаз, в блоке 10, выбирается наименее нагруженная фаза, определяется в качестве опорной, и на его выходе формируются управляющие сигналы запрета (разрешения) работы отдельных модулей логического блока формирования разностных сигналов 8, поступающие на группу управляющих входов последнего. Отсутствие сигналов запрета на отдельных выходах блока 10, равносильно присутствию на последних сигналов разрешения. Блоки 6, 7, участвующие в формировании сигнала на выходе блока 8, состоят из модулей, относящихся к какой-то определенной фазе. Так, например модули 6.1 и 7.1 относятся к фазе «А», модули 6.2 и 7.2 – к фазе «В», модули 6.3 и 7.3 – к фазе «С». В блоке 7, сигналы, пропорциональные токам фаз «А», «В» и «С», сдвигаются на угол, равный 180 эл. градусам (инвертируются),по отношению к сигналам на выходах блоков 3, 4 и 5. Блок 6, в общем случае, состоит из n×2 – фазосдвигающих цепочек – на каждую фазу по 2 (в каждый модуль входят по 2 фазосдвигающие цепочки). В работе постоянно задействованы только две из них, т.е. только один определенный модуль. Пара таких цепочек, или модуль, в который они входят, активируются в зависимости от того, какая из фаз выбирается в качестве опорной. Каждой парой фазосдвигающих цепочек сигнал, пропорциональный сигналу тока опорной фазы, в общем случае, сдвигается соответственно на угол , где m – порядковый номер фазы, следующей за опорной при прямой последовательности чередования фаз, n – количество фаз в системе. В данном случае одной из цепочек отдельного модуля упомянутый сигнал сдвигается соответственно 120 – другой – на 240 эл. градусов, в зависимости от номера фазы, для симметрирования которой он будет использован. С выхода блока 6 сигналы, пропорциональные току опорной, наименее нагруженной фазы и сдвинутые на 120 и 240 эл. градусов соответственно, поступают на первую группу входов блока формирования разностных сигналов 8, на вторую группу входов которого поступают сигналы, пропорциональные форме токов нагрузок симметрируемых фаз, сформированные в датчиках формы тока фаз 3, 4 и 5 и проинвертируемые на 180 эл. градусов вторым фазосдвигающим блоком 7. Блок 8 также в общем случае состоит из их 2 суммирующих цепочек. При этом постоянно в работе задействованы только две из них, относящиеся к соответствующим фазам. Так, сдвинутый на 120 эл. градусов сигнал фазы «А» может взаимодействовать (суммироваться) только с сигналом фазы «В», проинвертированным на 180 эл. градусов, сдвинутый на 240 эл. градусов сигнал фазы «А» может суммироваться только с сигналом фазы «С», проинвертированным на 180 эл. градусов и т.д., согласно логике схемы и принципу заявляемого способа. При этом выбор пар цепочек блока 8, или, что то же самое – модуля, в который они входят, осуществляется управляющими сигналами, поступающими от блока 10, в зависимости от выбранной опорной фазы, нагрузка которой минимальна.
Логика взаимодействия упомянутых выше блоков состоит в следующем. В случае если заранее установлено, что симметрирование будет происходить относительно наименее нагруженной фазы, в блоке 10 задают в качестве опорной наименее нагруженную фазу. Допустим, что в блоке 10, как наименее загруженную фазу выбрали фазу «А». В этом случае – на выходе блока 10 формируется комбинация сигналов, обозначающих запрет модулей 8.2 и 8.3. Таким образом, в работе остается единственный модуль 8.1, на выходе которого присутствуют два сигнала, один из которых является суммой сдвинутого на 120 эл. градусов сигнала опорной фазы «А» и проинвертированного на 180 эл. градусов сигнала фазы «В», а второй – суммой сдвинутого на 240 эл. градусов сигнала опорной фазы «А», и проинвертированного на 180 эл. градусов сигнала фазы «С». Таким образом, на выходе блока 8, формируются сигналы, пропорциональные векторной разности сигнала опорной, минимально нагруженной фазы «А» и сигналов нагрузки симметрируемых фаз «В» и «С». Данные две пары векторных разностей токов и являются сформированными сигналами, используемыми для симметрирования фаз, геометрическая сумма которых и токов нагрузки каждой из соответствующих фаз и дает токи, пропорциональные току опорной фазы, а фазовый угол, образованный упомянутой геометрической суммой токов и током опорной фазы, составляет 120 эл. градусов. Таким образом, мы получаем полностью симметричную систему сформированных сигналов токов, пропорциональных токам симметрируемой трехфазной системы, относительно минимально нагруженной фазы «А». С выхода блока 8, сформированные сигналы управления поступают на цепи управления дополнительного источника мощности 9, посредством которого подаются в симметрируемые фазы. В качестве последнего может быть использована, например, система с двойным преобразованием энергии, включающая ШИМ-выпрямитель, ШИМ-инвертор и содержащая промежуточное звено постоянного тока. В случае если в результате анализа комплексов нагрузок установлено, что симметрирование будет происходить относительно фазы, ток которой близок к среднему, по отношению к токам других фаз, то она определяется в качестве опорной. Логика реализации способа симметрирования при этом остается такой же, как и в случае с минимально нагруженной фазой.
Питание дополнительного источника мощности 9 осуществляют от комбинации минимум двух фаз, выбор которых осуществляется в блоке формирования комбинации минимально нагруженных фаз 11, таким образом, чтобы уменьшить несимметрию.
В случае если в результате анализа комплекса нагрузок установлено, что симметрирование будет происходить относительно фазы, ток которой близок к среднему, по отношению к токам других фаз, то она определяется в качестве опорной. Логика реализации способа симметрирования при этом остается такой же, как и в случае с минимально нагруженной фазой.
Таким образом, в результате последовательности действий, произведенных в соответствии с заявленным способом, осуществляется симметрирование в основной n-фазной сети, посредством дополнительного источника мощности, относительно заданной фазы. При этом повышения эффективности симметрирования многофазной системы, при использовании заявленного способа, добиваются путем повышения быстродействия, повышения экономичности, упрощения реализации и расширения области применения при осуществлении способа симметрирования.
Источники информации
1. А.С. СССР 244495, Бюл. 18, 13.10.1969, Кл. Н02J 3/26, 1969.
2. А.С. СССР 562038, Бюл. 22, 14.07.1977, Кл. Н02J 3/26, 1977.
Формула изобретения
Способ симметрирования основной n-фазной сети, нагруженной несимметричной n-фазной нагрузкой, при котором симметрируют токи нагрузки отдельных фаз, отличающийся тем, что в основной n-фазной сети предварительно задают либо фазу с током нагрузки, близким к среднему, либо наименее нагруженную фазу, определяют выбранную фазу в качестве опорной, выделяют в ней сигнал, пропорциональный току ее нагрузки, и с помощью дополнительного (n-1)-фазного источника мощности генерируют в каждую из оставшихся (n-1) фаз токи, предварительно формируя их таким образом, чтобы в каждой из симметрируемых (n-1) фаз основной n-фазной сети геометрическая сумма токов – генерируемого в симметрируемую фазу и тока ее нагрузки – была бы равна по модулю току в опорной фазе, а угол, образованный током последней и током симметрируемой фазы, следующей за опорной при прямом чередовании фаз, а также между суммарными токами соседних (n-1) симметрируемых фаз был бы равен эл. градусов, а отбор мощности в упомянутый дополнительный n-фазный источник мощности осуществляют от комбинации, минимум от двух, наименее нагруженных фаз, которые определяют заранее по условию уменьшения несимметрии в симметрируемой n-фазной системе.
РИСУНКИ
|
|