|
|
(21), (22) Заявка: 2008152681/09, 29.12.2008
(24) Дата начала отсчета срока действия патента:
29.12.2008
(46) Опубликовано: 27.05.2010
(56) Список документов, цитированных в отчете о поиске:
RU 2294044 C1, 20.02.2007. RU 2289876 C1, 20.12.2006. SU 970593 A1, 30.10.1982. US 5498994 A, 12.03.1996. US 4228492 A, 14.10.1980.
Адрес для переписки:
344038, г.Ростов-на-Дону, пл. им. Полка Народного ополчения, 2, РГУПС, НИС
|
(72) Автор(ы):
Устименко Игорь Владимирович (RU)
(73) Патентообладатель(и):
Устименко Игорь Владимирович (RU)
|
(54) СПОСОБ ПОВЫШЕНИЯ КАЧЕСТВА ЭЛЕКТРИЧЕСКОЙ ЭНЕРГИИ В МНОГОФАЗНОЙ СИСТЕМЕ ЭНЕРГОСНАБЖЕНИЯ ПРИ СИММЕТРИРОВАНИИ ПО ЗАДАННОЙ ФАЗЕ
(57) Реферат:
Использование: в области электротехники. Технический результат заключается в расширении области применения и повышении экономичности способа. Согласно способу процесс компенсации высших гармонических составляющих ставят в зависимость от характеристик последних в каждой из фаз и осуществляют совместно с симметрированием токов в упомянутых фазах, а процесс симметрирования осуществляют относительно опорной фазы, в качестве которой в n-фазной симметрируемой сети предварительно задают либо фазу с током нагрузки, близким к среднему, либо наименее нагруженную фазу. 1 ил.
Способ относится к электротехнике и может быть использован для повышения качества электроэнергии в многофазных сетях энергоснабжения путем устранения в последних высших гармонических составляющих и осуществления симметрирования токов многофазных и однофазных несимметричных нагрузок.
Известен способ (1) повышения качества электрической энергии, заключающийся в том, что из напряжения электрической сети выделяют первую гармонику, определяемую напряжением асимметрии, и высшие гармонические составляющие, выпрямляют выделенные гармоники напряжения, преобразуют выпрямленное напряжение в переменное напряжение с частотой, равной частоте первой гармоники сети, и возвращают переменное напряжение в электрическую сеть. Указанный известный способ, принятый в качестве аналога, обладает следующими существенными недостатками.
1. В известном способе для уменьшения гармоник напряжения и снижения напряжения асимметрии используется комбинация напряжений первой и высших гармоник, хотя достоверно известно, что именно токи нелинейных нагрузок в основном определяют гармонический состав и процентное содержание гармоник в питающем напряжении, и, кроме того, «процентное содержание гармоник тока», определяемое нелинейной нагрузкой, «не повторяет процентного содержания гармоник напряжения» (3). Из этого ясно, что о выделении высших гармоник, в известном смысле, речь идти не может. Таким образом, существенного уменьшения амплитуд гармоник в фазах системы при использовании способа-аналога не произойдет.
2. При реализации известного способа-прототипа осуществляется фильтрация напряжений гармоник только определенных частот.
Известен способ (2) повышения качества электрической энергии, в котором при использовании энергии электрической сети осуществляют выделение первой и высшей гармоник и в котором с целью обеспечения компенсации высших гармонических составляющих электроэнергии генерируют в сеть высшие гармонические составляющие тока, действующие в противофазе с высшими гармониками основной сети.
Известный способ-прототип обладает следующими недостатками. Если учесть тот факт, что согласно п.2 ст.1375 «Кодекса» формула изобретения полностью основывается на его описании, необходимо отметить следующее. Основываясь на описании к упомянутому изобретению можно сделать следующие выводы.
1. Для выделения из кривой тока в трехфазной сети высших гармоник используется только одна «любая фаза», и далее по тексту описания «ввиду симметрии высших гармоник во всех фазах». Таким образом, в случае несимметричной трехфазной нагрузки, или в случае загрузки трехфазной цепи несимметричными однофазными нагрузками, способ-прототип использоваться не может. Это связано с тем, что при несимметричной нагрузке, несинусоидальные токи всех трех фаз отличны друг от друга, как по амплитуде, так и по фазе. Таким образом, чтобы компенсировать высшие гармонические составляющие в сетях с такими свойствами, их необходимо компенсировать в каждой из несимметрично нагруженных фаз, что, в свою очередь, возможно только в случае использования для формирования токов компенсации датчики тока во всех трех фазах. Если этого не сделать, то генерация «компенсирующих» токов высших гармоник в фазы, в которых отсутствуют датчики тока (трансформаторы тока), будет осуществляться вслепую, со всеми вытекающими последствиями, т.е. «управление начальной фазой и уровнем высших гармоник », уже не «будет осуществляться по принципу обратной связи», как пишут авторы. Таким образом, главным недостатком способа-прототипа является его неуниверсальность в отношении многофазных систем, нагруженных несимметричными нагрузками.
2. Кроме того, при осуществлении генерации высших гармоник вслепую, посредством «управляемого тиристорного преобразователя», увеличивается несимметрия системы и ухудшается ее коэффициент мощности за счет перекомпенсации.
Задача, решаемая изобретением, – повышение качества электрической энергии в многофазной системе энергоснабжения путем повышения в ней эффективности компенсации высших гармонических составляющих и осуществлением ее симметрирования, а также путем расширения области применения и повышения экономичности при осуществлении способа, используемого для целей компенсации высших гармоник.
Это достигается тем, что в основной n-фазной сети процесс компенсации высших гармонических составляющих ставят в зависимость от характеристик последних в каждой из фаз и осуществляют совместно с симметрированием токов в упомянутых фазах.
При этом в соответствии с заявленным способом, последовательно, в каждой из n-фаз основной n-фазной сети выделяют сигнал, спектр которого составляют первая и высшие гармоники тока нагрузки, разделяют полученный сигнал на два, первый из которых содержит сигнал, пропорциональный току первой (основной) гармоники, второй содержит все высшие гармоники основной частоты, подлежащие компенсации, затем в основной n-фазной сети, зависимости от сочетания комплексных нагрузок отдельных ее фаз, выбирают либо фазу с током нагрузки, близким к среднему, либо наименее нагруженную фазу, задают ее в качестве опорной фазы и с помощью дополнительного n-фазного источника мощности симметрируют несимметричную n-фазную нагрузку основной n-фазной сети относительно тока основной гармоники опорной фазы посредством сигнала, пропорционального току первой (основной) гармоники, и при этом с помощью упомянутого дополнительного источника мощности, в зависимости от уровней и фазовых углов высших гармоник в каждой из (n-1) фаз основной сети, генерируют в последние сигналы, спектры которых аналогичны спектрам сигналов соответствующих фаз основной n-фазной сети, содержащих высшие гармоники, подлежащие компенсации, при этом величины каждой из соответствующих высших гармоник в упомянутых спектрах равны, а фазовые углы между ними составляют 180 эл. градусов. В некоторых случаях, когда заранее, в зависимости от сочетания комплексных нагрузок отдельных фаз, в качестве опорной выбирается одна из фаз – либо фаза с током нагрузки, близким к среднему, либо наименее нагруженная фаза, мощность, отбираемая от n-фазной симметрируемой системы, является оптимальной.
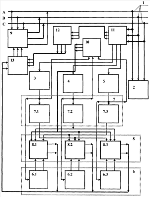
На чертеже представлена схема, поясняющая сущность заявляемого способа.
На схеме введены следующие обозначения.
1 – основная n-фазная система питания
2 – несимметричная нагрузка
3, 4, 5 – датчики формы тока фаз
6 – первый фазосдвигающий блок
7 – второй фазосдвигающий блок
8 – блок формирования разностных сигналов
9 – дополнительный источник мощности
10 – логический блок анализа опорной фазы
11 – блок разделения сигналов
12 – третий фазосдвигающий блок
13 – сумматор
Пример осуществления способа рассмотрен относительно трехфазной системы.
Предварительно, в зависимости от соотношения комплексов нагрузок, в качестве опорной выбирается одна из фаз – либо фаза с током нагрузки, близким к среднему, либо наименее нагруженная фаза, и в дальнейшем симметрирование осуществляется относительно выбранной фазы. Сигналы, пропорциональные несинусоидальным токам фаз, поступают в блок разделения сигналов 11, в котором из них выделяются две группы сигналов. В первую группу входят три сигнала, пропорциональные токам основных гармоник питающих фаз. Вторая группа содержит три сигнала, каждый из которых содержит спектр высших гармоник соответствующей фазы, подлежащих компенсации. В блоке 11 могут быть использованы селективные и полосовые фильтры. С выхода блока 11 первая группа сигналов поступает на датчик 3 формы опорной фазы и датчики 4 и 5 формы токов симметрируемых фаз. Одновременно вторая группа сигналов поступает на вход третьего фазосдвигающего блока 12, в котором каждый из трех сигналов инвертируется по фазе. С выхода блока 12 сигналы пропорциональные токам соответствующих фаз трехфазной системы, содержащие спектры высших гармоник, подлежащих компенсации, и сдвинутые по отношению к ним на 180 эл. градусов, поступают на первую группу входов сумматора 13. Далее, с выходов датчиков формы тока фаз 3, 4 и 5, сигналы, пропорциональные форме сигналов тока фаз n-фазной симметрируемой системы, поступают на группу информационных входов второго фазосдвигающего блока 7, состоящего из отдельных однотипных модулей, количество которых равно количеству фаз, и одновременно на информационные входы логического блока анализа заданной фазы 10 и на информационные входы первого фазосдвигающего блока 6. В блоке 10, посредством сравнения токов отдельных фаз, из них выбирается опорная фаза – либо фаза с током нагрузки, близким к среднему, либо наименее нагруженная фаза. Допустим, определили, что симметрирование будет происходить относительно наименее нагруженной фазы, т.е. фазы с минимальным током нагрузки. Путем анализа фаз, в блоке 10, выбирается наименее нагруженная фаза, определяется в качестве опорной, и на его выходе формируются управляющие сигналы запрета (разрешения) работы отдельных модулей логического блока формирования разностных сигналов 8, поступающие на группу управляющих входов последнего. Отсутствие сигналов запрета на отдельных выходах блока 10 равносильно присутствию на последних сигналов разрешения. Блоки 6, 7, участвующие в формировании сигнала на выходе блока 8, состоят из модулей, относящихся к какой-то определенной фазе. Так, например, модули 6.1 и 7.1 относятся к фазе «А», модули 6.2 и 7.2 – к фазе «В», модули 6.3 и 7.3 – к фазе «С». В блоке 7 сигналы, пропорциональные токам фаз «А», «В» и «С», сдвигаются на угол, равный 180 эл. градусам (инвертируются), по отношению к сигналам на выходах блоков 3, 4 и 5. Блок 6, в общем случае, состоит из n×2 фазосдвигающих цепочек – на каждую фазу по 2 (в каждый модуль входят по 2 фазосдвигающие цепочки). В работе постоянно задействованы только две из них, т.е. только один определенный модуль. Пара таких цепочек, или модуль, в который они входят, активируются в зависимости от того, какая из фаз выбирается в качестве опорной. Каждой парой фазосдвигающих цепочек сигнал, пропорциональный сигналу тока опорной фазы, в общем случае сдвигается соответственно на угол
, где m – порядковый номер фазы, следующей за опорной при прямой последовательности чередования фаз, n – количество фаз в системе. В данном случае одной из цепочек отдельного модуля упомянутый сигнал сдвигается соответственно на 120 – другой – на 240 эл. градусов, в зависимости от номера фазы, для симметрирования которой он будет использован. С выхода блока 6 сигналы, пропорциональные току опорной, наименее нагруженной фазы и сдвинутые на 120 и 240 эл. градусов соответственно, поступают на первую группу входов блока формирования разностных сигналов 8, на вторую группу входов которого поступают сигналы, пропорциональные форме токов нагрузок симметрируемых фаз, сформированные в датчиках формы тока фаз 3, 4 и 5 и проинвертируемые на 180 эл. градусов вторым фазосдвигающим блоком 7. Блок 8 также в общем случае состоит из n×2 суммирующих цепочек. При этом постоянно в работе задействованы только две из них, относящиеся к соответствующим фазам. Так, сдвинутый на 120 эл. градусов сигнал фазы «А» может взаимодействовать (суммироваться) только с сигналом фазы «В», проинвертированным на 180 эл. градусов, сдвинутый на 240 эл. градусов сигнал фазы «А» может суммироваться только с сигналом фазы «С», проинвертированным на 180 эл. градусов и т.д., согласно логике схемы и принципу заявляемого способа. При этом выбор пар цепочек блока 8, или, что то же самое, модуля, в который они входят, осуществляется управляющими сигналами, поступающими от блока 10, в зависимости от выбранной опорной фазы, нагрузка которой минимальна.
Логика взаимодействия упомянутых выше блоков состоит в следующем. В случае если заранее установлено, что симметрирование будет происходить относительно наименее нагруженной фазы, в блоке 10 задают в качестве опорной наименее нагруженную фазу. Допустим, что в блоке 10 как наименее загруженную фазу выбрали фазу «А». В этом случае на выходе блока 10 формируется комбинация сигналов, обозначающих запрет модулей 8.2 и 8.3. Таким образом, в работе остается единственный модуль – 8.1, на выходе которого присутствуют два сигнала, один из которых является суммой сдвинутого на 120 эл. градусов сигнала опорной фазы «А» и проинвертированного на 180 эл. градусов сигнала фазы «В», а второй – суммой сдвинутого на 240 эл. градусов сигнала опорной фазы «А» и проинвертированного на 180 эл. градусов сигнала фазы «С». Таким образом, на выходе блока 8, формируются сигналы, пропорциональные векторной разности сигнала опорной, минимально нагруженной фазы «А» и сигналов нагрузки симметрируемых фаз «В» и «С». Данные две пары векторных разностей токов и являются сформированными сигналами, используемыми для симметрирования фаз, геометрическая сумма которых и токов нагрузки каждой из соответствующих фаз и дает токи, пропорциональные току опорной фазы, а фазовый угол, образованный упомянутой геометрической суммой токов и током опорной фазы, составляет 120 эл. градусов. Таким образом, мы получаем полностью симметричную систему сформированных сигналов токов, пропорциональных токам симметрируемой трехфазной системы, относительно минимально нагруженной фазы «А». С выхода блока 8 сформированные сигналы поступают на вторую группу входов сумматора 13. В общем случае, в блоке 13 происходит пофазное суммирование соответствующих пар сигналов, поступающих на его входы и относящихся к соответствующим фазам – сигналов, пропорциональных токам основных гармоник соответствующих питающих фаз и сигналов, содержащих спектр высших гармоник соответствующей фазы, подлежащих компенсации. При этом отсутствие одного из сигналов в соответствующей паре равносильно его равенству нулю. Таким образом, на выходе блока 13 формируются три сигнала управления дополнительным источником мощности 9: сигнал, соответствующий фазе «А», содержит только высшие гармонические составляющие, подлежащие компенсации и проинвертированные по фазе; сигналы, соответствующие фазам «В» и «С», содержат смесь сигналов, пропорциональных векторной разности сигнала опорной фазы и сигналов нагрузки симметрируемых фаз «В» и «С», и сигналов компенсации высших гармоник соответствующих фаз. С выхода блока 13 сформированные таким образом сигналы управления поступают на цепи управления токами соответствующих фаз дополнительного источника мощности 9, посредством которого подаются в симметрируемые фазы. В качестве дополнительного источника мощности может быть использована, например, система с двойным преобразованием энергии, включающая ШИМ – выпрямитель, ШИМ – инвертор и содержащая промежуточное звено постоянного тока. В случае если в результате анализа комплексов нагрузок установлено, что симметрирование необходимо производить относительно фазы, ток которой близок к среднему, по отношению к токам других фаз, то она определяется в качестве опорной. Логика реализации способа симметрирования при этом остается такой же, как и в случае с минимально нагруженной фазой.
Таким образом, в результате последовательности действий, произведенных в соответствии с заявленным способом, в основной n-фазной сети посредством дополнительного источника мощности осуществляется компенсация высших гармоник во всех ее фазах и одновременно осуществляется симметрирование токов последних относительно заданной фазы, принятой в качестве опорной. При этом повышения качества электрической энергии в многофазной системе энергоснабжения добиваются путем повышения эффективности компенсации в ней высших гармонических составляющих и осуществлением ее симметрирования, а также путем расширения области применения и повышения экономичности способа, используемого для целей компенсации высших гармоник.
ИСТОЧНИКИ ИНФОРМАЦИИ
1. Патент РФ 2237334, опубл. 2004.05.20.
2. Патент РФ 2294044, опубл. 2007.02.20.
3. К.Г.Марквардт. Энергоснабжение электрических железных дорог. – М.: Транспорт, 1965, стр.1965.
Формула изобретения
Способ повышения качества электроэнергии у потребителей с различными характеристиками, при котором в основной n-фазной сети осуществляют регулируемую компенсацию высших гармонических составляющих, отличающийся тем, что в основной n-фазной сети процесс компенсации высших гармонических составляющих ставят в зависимость от их характеристик в каждой из фаз и осуществляют совместно с симметрированием токов в упомянутых фазах, при этом в каждой из n фаз основной n-фазной сети выделяют сигнал, спектр которого составляют первая и высшие гармоники тока нагрузки, разделяют полученный сигнал на две части, первая из которых содержит ток, пропорциональный току основной гармоники, вторая содержит все высшие гармоники основной частоты, подлежащие компенсации, затем из n фаз основной n-фазной сети предварительно задают либо фазу с током нагрузки, близким к среднему, либо наименее нагруженную фазу, определяют выбранную фазу в качестве опорной фазы и с помощью дополнительного n-фазного источника мощности генерируют в каждую из (n-1) фаз токи, пропорциональные току основной гармоники, предварительно формируя их таким образом, чтобы в каждой из симметрируемых (n-1) фаз основной n-фазной сети геометрическая сумма токов – генерируемого в симметрируемую фазу и тока основной гармоники ее нагрузки – была бы равна по модулю току опорной фазы, а угол, образованный током последней и суммарным током симметрируемой фазы, следующей за опорной при прямом чередовании фаз, а также между суммарными токами соседних (n-1) симметрируемых фаз был бы равен эл. градусов, одновременно с помощью упомянутого дополнительного n-фазного источника мощности генерируют в каждую из n фаз основной сети токи высших гармоник, являющиеся сигналами компенсации, модули которых равны модулям соответствующих токов высших гармоник в основной n-фазной сети, подлежащих компенсации, и сдвинуты по отношению к последним на 180 эл. градусов, причем упомянутые сигналы компенсации формируют в зависимости от величин и фазовых углов высших гармоник в каждой из n фаз основной сети.
РИСУНКИ
|
|