|
|
(21), (22) Заявка: 2008152512/09, 29.12.2008
(24) Дата начала отсчета срока действия патента:
29.12.2008
(46) Опубликовано: 27.05.2010
(56) Список документов, цитированных в отчете о поиске:
RU 2294044 C1, 20.02.2007. RU 2289876 C1, 20.12.2006. SU 970593 A1, 30.10.1982. US 5498994 A, 12.03.1996. US 4228492 A, 14.10.1980.
Адрес для переписки:
344038, г.Ростов-на-Дону, пл. им. Полка Народного ополчения, 2, РГУПС, НИС
|
(72) Автор(ы):
Устименко Игорь Владимирович (RU)
(73) Патентообладатель(и):
Устименко Игорь Владимирович (RU)
|
(54) СПОСОБ ПОВЫШЕНИЯ КАЧЕСТВА ЭЛЕКТРОЭНЕРГИИ В МНОГОФАЗНОЙ СИСТЕМЕ ЭНЕРГОСНАБЖЕНИЯ ПРИ СИММЕТРИРОВАНИИ ПО ОДНОЙ ИЗ ФАЗ И КОМБИНИРОВАННОМ ОТБОРЕ МОЩНОСТИ
(57) Реферат:
Использование: в области электротехники. Технический результат заключается в повышении эффективности и экономичности. Согласно способу в основной n-фазной системе процесс компенсации высших гармонических составляющих ставят в зависимость от характеристик последних в каждой из фаз и, одновременно, стабилизируют коэффициент мощности, за счет регулируемой компенсации реактивной мощности – на уровне необходимого значения, при этом процессы компенсации и стабилизации в основной n-фазной системе, осуществляемые совместно с ее симметрированием, реализуют посредством дополнительного n-фазного источника мощности. Дополнительный источник мощности питают от комбинации минимум двух минимально нагруженных фаз, выбор которых осуществляют предварительно таким образом, чтобы уменьшить несимметрию в основной симметрируемой системе. 1 ил.
Способ относится к электротехнике и может быть использован для повышения качества электроэнергии в многофазных сетях энергоснабжения, путём устранения в последних высших гармонических составляющих и повышения экономичности регулируемой компенсации реактивной мощности, предусматривающей стабилизацию коэффициента мощности на уровне любого, заранее заданного значения, осуществляемых совместно с симметрированием токов нагрузок.
Известен способ (1) повышения качества электрической энергии, заключающийся в том, что из напряжения электрической сети выделяют первую гармонику, определяемую напряжением асимметрии, и высшие гармонические составляющие, выпрямляют выделенные гармоники напряжения, преобразуют выпрямленное напряжение в переменное напряжение с частотой, равной частоте первой гармоники сети, и возвращают переменное напряжение в электрическую сеть. Указанный известный способ, принятый в качестве аналога, обладает следующими существенными недостатками.
1. В известном способе для уменьшения гармоник напряжения и снижения напряжения асимметрии используется комбинация напряжений первой и высших гармоник, хотя достоверно известно, что именно токи нелинейных нагрузок в основном определяют гармонический состав и процентное содержание гармоник в питающем напряжении, и, кроме того, «процентное содержание гармоник тока», определяемое нелинейной нагрузкой, «не повторяет процентного содержания гармоник напряжения» (3). Из этого ясно, что о выделении высших гармоник, в известном смысле, речь идти не может. Таким образом, существенного уменьшения амплитуд гармоник в фазах системы при использовании способа-аналога не произойдёт.
2. При реализации известного способа-прототипа осуществляться фильтрация напряжений гармоник только определённых частот.
Известен способ (2) повышения качества электрической энергии, в котором при использовании энергии электрической сети осуществляют выделение первой и высшей гармоник и в котором с целью обеспечения компенсации высших гармонических составляющих электроэнергии генерируют в сеть высшие гармонические составляющие тока, действующие в противофазе с высшими гармониками основной сети.
Известный способ-прототип обладает следующими недостатками. Если учесть тот факт, что согласно п.2 ст. 1375 «Кодекса» формула изобретения полностью основывается на его описании – необходимо отметить следующее. Основываясь на описании к упомянутому изобретению можно сделать следующие выводы.
1. Для выделения из кривой тока в трёхфазной сети высших гармоник используется только одна «любая фаза», и далее по тексту описания «ввиду симметрии высших гармоник во всех фазах». Таким образом, в случае несимметричной трёхфазной нагрузки или в случае загрузки трёхфазной цепи несимметричньми однофазными нагрузками способ-прототип использоваться не может. Это связано с тем, что при несимметричной нагрузке несинусоидальные токи всех трёх фаз отличны друг от друга как по амплитуде, так и по фазе. Таким образом, чтобы компенсировать высшие гармонические в сетях с такими свойствами, их необходимо компенсировать в каждой из несимметрично нагруженных фаз, что в свою очередь возможно только в случае использования для формирования токов компенсации датчики тока во всех трёх фазах. Если этого не сделать, то генерация «компенсирующих» токов высших гармоник в фазы, в которых отсутствуют датчики тока (трансформаторы тока), будет осуществляться вслепую, со всеми вытекающими последствиями, т.е. «управление начальной фазой и уровнем высших гармоник » уже не «будет осуществляться по принципу обратной связи», как пишут авторы. Таким образом, главным недостатком способа-прототипа является его неуниверсальность в отношении многофазных систем, нагруженных несимметричными нагрузками.
2. Кроме того, при осуществлении генерации высших гармоник вслепую, посредством «управляемого тиристорного преобразователя», увеличивается несимметрия системы и ухудшается её коэффициент мощности, за счет перекомпенсации.
Необходимо также отметить, что ни способ-прототип, ни способ-аналог не обладают свойством, улучшающим качество электрической энергии за счёт компенсации реактивной мощности у потребителя.
Задача, решаемая изобретением – повышение качества электрической энергии в многофазной системе энергоснабжения, путем повышения в ней эффективности компенсации высших гармонических составляющих и регулируемой компенсации реактивной мощности, предусматривающей стабилизацию коэффициента мощности на уровне любого, заранее заданного значения, осуществляемых, с целью повышения экономичности при осуществлении заявленного способа, совместно с симметрированием токов нагрузок относительно любой, предварительно выбранной фазы.
Это достигается тем, что в предложенном способе в основной n-фазной системе процесс компенсации высших гармонических составляющих ставят в зависимость от характеристик последних в каждой из фаз и, одновременно, стабилизируют коэффициент мощности на уровне необходимого значения, за счёт регулируемой компенсации реактивной мощности, при этом процессы компенсации и стабилизации в основной n-фазной системе, осуществляемые совместно с симметрированием в ней токов по любой из её фаз, выбранной в качестве опорной, реализуют посредством дополнительного n-фазного источника мощности. При этом отбор мощности в упомянутый дополнительный источник мощности, осуществляют от комбинации минимум двух, наименее нагруженных фаз, которые определяют заранее. В случае питания дополнительного источника мощности от комбинации наименее нагруженных фаз дополнительно увеличивается степень уравновешивания фаз несимметрично нагруженной многофазной системы.
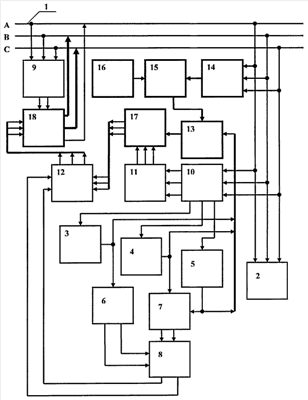
На чертеже представлена схема, поясняющая сущность заявляемого способа. На схеме введены следующие обозначения.
1 – опорная фаза
2 – несимметричная нагрузка
3 – датчик формы тока опорной фазы
4, 5 – датчики формы тока симметрируемых фаз
6 – первый фазосдвигающий блок
7 – второй фазосдвигающий блок
8 – блок формирования разностных сигналов
9 – дополнительный источник мощности
10 – блок разделения сигналов
11 – третий фазосдвигающий блок
12 – сумматор
13 – второй блок формирования разностного сигнала
14 – датчик опорной фазы
15 – четвёртый фазосдвигающий блок
16 – блок формирования заданного фазового угла
17 – второй сумматор
18 – блок формирования комбинации минимально нагруженных фаз
Пример осуществления способа рассмотрен относительно трёхфазной системы. Предварительно, произвольно, в качестве опорной фазы выбирают фазу «А». Сигналы, пропорциональные несинусоидальным токам фаз, поступают в блок разделения сигналов 10, в котором из них выделяются две группы сигналов. В первую группу для рассматриваемой трехфазной системы входят три сигнала, пропорциональные токам основных гармоник (50 Гц) питающих фаз. Вторая группа содержит три сигнала, каждый из которых содержит спектр высших гармоник соответствующей фазы, подлежащих компенсации. В блоке 10 могут быть использованы селективные и полосовые фильтры. С первой группы выходов блока 10 первая группа сигналов поступает на датчик 3 формы опорной фазы и датчики 4 и 5 формы токов симметрируемых фаз. Одновременно, вторая группа сигналов поступает на вход третьего фазосдвигающего блока 11, в котором каждый из трёх сигналов инвертируется по фазе (сдвигается на 180 эл. град). С выхода блока 11 сигналы, пропорциональные токам соответствующих фаз трёхфазной системы, содержащие спектры высших гармоник, подлежащих компенсации и сдвинутые по отношению к ним на 180 эл. градусов, поступают на первую группу входов второго сумматора 17, на отдельный вход которого, с выхода второго блока формирования разностного сигнала 13, поступает сформированный разностный сигнал управления током соответствующей опорной фазы, посредством которого задают коэффициент мощности трёхфазной системы на уровне заранее заданного. На выходе блока 17 формируются сигналы, два из которых пропорциональны сигналам компенсации и содержащие ряд высших гармоник, подлежащих компенсации в фазах «В» и «С» трёхфазной системы, а третий равен сумме сигналов, сформированной из сигнала, содержащего ряд высших гармоник, подлежащих компенсации в опорной фазе (в данном примере фаза «А») и разностного сигнала, посредством которого в опорной фазе задают коэффициент мощности трёхфазной системы на уровне заранее заданного. При этом упомянутый разностный сигнал получают следующим образом. С помощью датчика опорной фазы 14, из напряжения фазы, предварительно, произвольно, выбранной в качестве опорной фазы, формируют эталонный сигнал тока, который имеет нулевой сдвиг по отношению к напряжению опорной фазы и отождествляет чисто активную форму нагрузки опорной фазы. Посредством четвёртого фазосдвигающего блока15 и блока формирования заданного фазового угла 16 – задают фазовый угол эталонного сигнала и таким образом формируют необходимый коэффициент мощности основной n-фазной системы. Далее, окончательно, посредством второго блока разностного сигнала 13 формируют разностный сигнал, являющийся результатом сравнения сигнала, пропорционального току опорной фазы «А», и скорректированного эталонного сигнала (в общем случае, эталонный сигнал может и не корректироваться, тогда будет достигнуто значение коэффициента мощности, равное единице, что будет соответствовать чисто активной нагрузке опорной фазы). Таким образом, посредством приведённой последовательности действий, составляющих одну из частей предложенного способа, реализуют формирование сигналов для дальнейшего осуществления компенсации высших гармоник во всех фазах основной трёхфазной сети и формирования заданного коэффициента мощности в опорной фазе, определяющего коэффициент мощности всей системы в целом.
Далее приведена последовательность действий, необходимых для осуществления симметрирования относительно опорной фазы. С выхода датчика формы тока опорной фазы 3 сигнал, пропорциональный сигналу тока опорной фазы, поступает в первый фазосдвигающий блок 6 и одновременно на один из входов второго блока формирования разностного сигнала 13, на два других входа которого, с выходов датчиков формы симметрирующих фаз 4 и 5, поступают сигналы, пропорциональные форме тока симметрируемых фаз.
В общем случае блок 6 состоит из (п-1) фазосдвигающих цепочек, каждой из которых сигнал, пропорциональный сигналу тока опорной фазы, сдвигается соответственно на угол где m – порядковый номер фазы при прямой последовательности чередования фаз, n – количество фаз в системе. Для данного случая, при количестве фаз равном трём, таких фазосдвигающих цепочек две: одной из цепочек упомянутый сигнал сдвигается соответственно 120, другой – на 240 эл. градусов, в зависимости от номера фазы, для симметрирования которой он будет использован. С выхода блока 6 сигналы, пропорциональные току опорной фазы и сдвинутые на 120 и 240 эл. градусов соответственно, поступают на первую группу входов блока формирования разностных сигналов 8, на вторую группу входов которого поступают сигналы, пропорциональные форме токов нагрузок симметрируемых фаз, сформированные в датчиках формы тока симметрируемых фаз 4 и 5 и проинвертируемые на 180 эл. градусов во втором фазосдвигающем блоке 7. В блоке формирования разностных сигналов 8 сигналы, поступающие к первой и второй группам входов последнего, попарно сравниваются: опорный сигнал тока, сдвинутый на 120 эл. градусов, сравнивается с проинвертируемым на 180 эл. градусов сигналом, пропорциональным форме тока нагрузки фазы «В», а опорный сигнал тока, сдвинутый на 240 эл. градусов, сравнивается с проинвертируемым на 180 эл. градусов сигналом, пропорциональным форме тока нагрузки фазы «С». Таким образом, на выходе блока 8 формируются сигналы, пропорциональные векторной разности сигнала опорной фазы и сигналов нагрузки симметрируемых фаз. Данные две пары векторных разностей токов и являются сформированными сигналами симметрируемых фаз, геометрическая сумма которых и токов нагрузки каждой из соответствующих фаз и дает токи, пропорциональные току опорной фазы, а фазовый угол, образованный упомянутой геометрической суммой токов и током опорной фазы, составляет 120 эл. градусов. Таким образом, мы получаем полностью симметричную систему сформированных сигналов токов, пропорциональных токам симметрируемой трёхфазной системы относительно тока фазы «А».
С выхода блока 8 сформированные сигналы поступают на вторую группу входов сумматора 12, на первую группу которого поступают сигналы с выхода блока 17. В общем случае, в блоке 12 происходит пофазное суммирование соответствующих пар сигналов, поступающих на его различные группы входов и относящихся к соответствующим фазам сигналов. При этом отсутствие одного из сигналов группы в соответствующей паре равносильно его равенству нулю. Таким образом, на выходе блока 12 формируются три сигнала управления дополнительным источником мощности 9. Первый из них состоит из пары сигналов – сигнала, соответствующего фазе «А» и содержащего ряд высших гармонических составляющих, подлежащих компенсации и сдвинутых на 180 эл. град, по отношению к аналогичным гармоникам в основной n-фазной сети, и разностного сигнала, сформированного в блоке 16, посредством которого формируют и стабилизируют необходимый коэффициент мощности основной n-фазной системы. Два других сигнала – это сигналы, каждый из которых пропорционален сигналам компенсации, содержащих ряд высших гармоник, подлежащих компенсации в соответствующих фазах «В» и «С» и сдвинутых на 180 эл. град, по отношению к аналогичным гармоникам в основной n-фазной сети. С выхода блока 12 сформированные таким образом сигналы управления поступают на цепи управления токами соответствующих фаз дополнительного источника мощности 9, посредством которого подаются в симметрируемые фазы. В качестве дополнительного источника мощности может быть использована, например, система с двойным преобразованием энергии, включающая ШИМ-выпрямитель, ШИМ-инвертор и содержащая промежуточное звено постоянного тока. Если количество фаз в симметрируемой системе больше чем три, способ осуществляется аналогично, в основном, посредством количественного наращивания блоков, пропорционального количеству фаз. Питание дополнительного источника мощности 9 осуществляют от комбинации минимум двух фаз, выбор которых осуществляется в блоке формирования комбинации минимально нагруженных фаз 18, таким образом, чтобы уменьшить несимметрию в основной симметрируемой системе.
Таким образом, в результате последовательности действий, произведенных в соответствии с заявленным способом, в основной n-фазной сети добиваются повышения качества электрической энергии, путём повышения в ней эффективности компенсации высших гармонических составляющих и регулируемой компенсации реактивной мощности, предусматривающей стабилизацию коэффициента мощности на уровне любого, заранее заданного значения, осуществляемых совместно с симметрированием токов нагрузок, причём все указанные действия осуществляют посредством дополнительного n-фазного источника мощности. При этом повышения экономичности при осуществлении заявленного способа добиваются тем, что дополнительный источник мощности питают от комбинации минимум двух, минимально нагруженных фаз, выбор которых осуществляют предварительно таким образом, чтобы уменьшить несимметрию в основной симметрируемой системе.
ИСТОЧНИКИ ИНФОРМАЦИИ
1. Патент РФ 2237334, опубл. 2004.05.20.
2. Патент РФ 2294044, опубл. 2007.02.20.
3. К.Г.Марквардт. Энергоснабжение электрических железных дорог. М: Транспорт, 1965, стр. 1965.
Формула изобретения
Способ повышения качества электроэнергии у потребителей с различными характеристиками, при котором в основной n-фазной сети осуществляют регулируемую компенсацию высших гармонических составляющих, отличающийся тем, что в основной n-фазной сети процесс компенсации высших гармонических составляющих ставят в зависимость от их характеристик в каждой из фаз, и осуществляют одновременно с процессом регулируемой компенсации реактивной мощности, предусматривающей стабилизацию коэффициента мощности на уровне любого, заранее заданного значения, при этом оба процесса осуществляют совместно с симметрированием токов в фазах основной n-фазной сети относительно тока любой из ее фаз, которую задают предварительно и определяют в качестве опорной фазы, причем все указанные действия осуществляют посредством дополнительного n-фазного источника мощности, при этом в каждой из n фаз основной n-фазной сети выделяют сигнал, спектр которого составляют первая и высшие гармоники тока нагрузки, разделяют полученный сигнал на две части, первая из которых содержит ток, пропорциональный току основной гармоники, вторая содержит все высшие гармоники основной частоты, подлежащие компенсации, посредством полученных сигналов формируют для каждой из фаз сигналы, содержащие токи высших гармоник, подлежащих компенсации, модули которых равны модулям соответствующих токов высших гармоник в основной n-фазной сети, подлежащих компенсации, и сдвинуты по отношению к последним на 180 эл. градусов, причем упомянутые сигналы компенсации формируют в зависимости от величин и фазовых углов высших гармоник в каждой из n фаз основной сети, одновременно из n фаз основной n-фазной сети выбирают любую и определяют ее в качестве опорной фазы, выделяют в ней сигнал, пропорциональный току ее нагрузки, сравнивают последний с эталонным сигналом, который, в свою очередь, формируют из сигнала, пропорционального питающему напряжению опорной фазы, получают при этом разностный сигнал, который используют для регулируемой компенсации реактивной мощности и осуществления стабилизации коэффициента мощности в основной n-фазной сети, причем указанный сигнал корректируют по фазе таким образом, чтобы задать необходимый коэффициент мощности и посредством дополнительного n-фазного источника мощности генерируют в каждую из n фаз и в опорную фазу основной n-фазной сети соответственно сформированные сигналы, содержащие токи высших гармоник, подлежащих компенсации, и разностный сигнал, причем с помощью упомянутого n-фазного источника мощности одновременно генерируют в каждую из (n-1) фаз токи, пропорциональные току основной гармоники, предварительно формируя их таким образом, чтобы в каждой из симметрируемых (n-1) фаз основной n-фазной сети геометрическая сумма токов – генерируемого в симметрируемую фазу и тока основной гармоники ее нагрузки – была бы равна по модулю току опорной фазы, а угол, образованный током последней и суммарным током симметрируемой фазы, следующей за опорной при прямом чередовании фаз, а также между суммарными токами соседних (n-1) симметрируемых фаз, был бы равен эл. градусов, а отбор мощности в упомянутый дополнительный n-фазный источник мощности осуществляют от комбинации, минимум от двух, наименее нагруженных фаз, которые определяют заранее по условию уменьшения несимметрии в симметрируемой n-фазной системе.
РИСУНКИ
|
|