|
|
(21), (22) Заявка: 2008152505/09, 29.12.2008
(24) Дата начала отсчета срока действия патента:
29.12.2008
(46) Опубликовано: 27.05.2010
(56) Список документов, цитированных в отчете о поиске:
SU 562038 A1, 15.06.1977. RU 2229766 C1, 27.05.2004. RU 2253931 C1, 10.06.2005. US 489156 A, 02.01.1990.
Адрес для переписки:
344038, г.Ростов-на-Дону, пл. им. Полка Народного ополчения, 2, РГУПС, НИС
|
(72) Автор(ы):
Устименко Игорь Владимирович (RU), Бочев Александр Сергеевич (RU)
(73) Патентообладатель(и):
Устименко Игорь Владимирович (RU), Бочев Александр Сергеевич (RU)
|
(54) СПОСОБ АВТОМАТИЧЕСКОГО СИММЕТРИРОВАНИЯ ТОКОВ МНОГОФАЗНОЙ СИСТЕМЫ ПО ОДНОЙ ИЗ ФАЗ
(57) Реферат:
Использование: в области электротехники. Технический результат заключается в повышении быстродействия, повышении экономичности, упрощении реализации и расширении области применения. Способ заключается в генерации с помощью дополнительного источника мощности в каждую из оставшихся (n-1) фаз токов, предварительно сформированных таким образом, чтобы в каждой из симметрируемых (n-1) фаз основной n-фазной сети геометрическая сумма токов – генерируемого в симметрируемую фазу и тока ее нагрузки, была бы равна по модулю току, равному току в опорной фазе, а угол, образованный током последней и суммарным током симметрируемой фазы, следующей за опорной при прямом чередовании фаз, а также между суммарными токами соседних (n-1) симметрируемых фаз, был бы равен эл. градусов. 1 ил.
Способ относится к электротехнике и может быть использован для симметрирования многофазных и однофазных нагрузок с изменяющимися во времени параметрами.
Известен способ автоматического регулирования симметрии и уровня напряжения трехфазной системы (1), при реализации которого осуществляется измерение и регулировка токов обратной последовательности симметрируемой системы. Способ-аналог обладает недостатками, заключающимися в сложности его реализации, а также низком быстродействии, обусловленном поисковым методом перестройки параметров.
Известен способ автоматического симметрирования напряжения на погружном асинхронном двигателе, реализованный в устройстве (2), посредством которого симметрируют напряжение на зажимах потребителя за счет регулирования сопротивления цепи питания отдельных фаз. Данный способ наиболее близок по технической сущности к заявленному и поэтому принят в качестве прототипа. Известный способ-прототип обладает недостатками, заключающимися в низком кпд, низком быстродействии, невозможности использования способа для симметрирования группы нагрузок при его осуществлении.
Задача, решаемая изобретением, – повышение эффективности симметрирования многофазной системы путем повышения быстродействия, упрощения реализации и расширения области применения при осуществлении способа симметрирования.
Это достигается тем, что с помощью дополнительного n-фазного источника мощности, несимметричную n-фазную нагрузку симметрируют относительно любой, заранее выбранной фазы, определяя ее в качестве опорной. При этом симметрирования каждой из (n-1) фаз добиваются путем генерации в каждую из них токов, у которых предварительно формируют модуль и фазовый угол таким образом, чтобы в каждой из фаз геометрическая сумма упомянутых токов и токов, являющихся токами n-фазной несимметричной нагрузки, была бы равна по модулю току опорной фазы, а угол, образованный током последней и током упомянутой геометрической суммы токов, а также между токами геометрических сумм соседних симметрируемых фаз был бы равен эл. градусам.
Суть способа определяется следующим. Как известно, любая n-фазная система является симметричной, если комплексные нагрузки ее фаз равны, т.е. если равны по модулю токи ее отдельных фаз, а фазовый угол между ними равен , где n – количество фаз системы. Таким образом, исходя из этого, симметрирования в n – фазной системе можно добиться, симметрируя токи ее отдельных фаз относительно тока какой-либо из ее фаз. Поскольку токи нагрузки являются параметрами, задаваемыми самой нагрузкой, то их симметрирования можно добиться добавлением к ним токов от дополнительного источника тока или напряжения таким образом, чтобы геометрическая сумма генерируемых от дополнительного источника в каждую из симметрируемых фаз токов и токов нагрузки соответствующих симметрируемых фаз была бы равна току опорной фазы, а угол, образованный током последней и суммарным током симметрируемой фазы, следующей за опорной, при прямом чередовании фаз, а также между суммарными токами соседних (n-1) симметрируемых фаз, был бы равен эл. градусов. При этом эффективность при использовании заявленного способа, при переходе от симметрирования трехфазной нагрузки к симметрированию одной или группы однофазных нагрузок не зависит от свойств последних, а определяется только мощностью дополнительного источника мощности. На чертеже представлена схема, поясняющая сущность заявляемого способа.
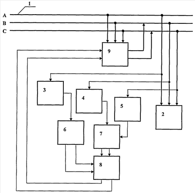
На схеме введены следующие обозначения:
1 – опорная фаза,
2 – несимметричная нагрузка,
3 – датчик формы тока опорной фазы,
4, 5 – датчики формы тока симметрируемых фаз,
6 – первый фазосдвигающий блок,
7 – второй фазосдвигающий блок,
8 – блок формирования разностных сигналов,
9 – дополнительный источник мощности.
Пример осуществления способа рассмотрен относительно трехфазной системы. В данном случае, произвольно, в качестве опорной фазы выбрана фаза «А». С выхода датчика формы тока опорной фазы 3 сигнал, пропорциональный форме сигнала тока опорной фазы, поступает в первый фазосдвигающий блок 6. В общем случае данный блок состоит из (n-1) фазосдвигающих цепочек, в каждой из которых сигнал, пропорциональный сигналу тока опорной фазы, сдвигается соответственно на угол , где m – порядковый номер фазы при прямой последовательности чередования фаз, n – количество фаз в системе. Для данного случая при количестве фаз, равном трем, таких фазосдвигающих цепочек две: в одной из цепочек упомянутый сигнал сдвигается соответственно на 120, другой – на 240 эл. градусов, в зависимости от номера фазы, для симметрирования которой он будет использован. С выхода блока 6 сигналы, пропорциональные току опорной фазы и сдвинутые на 120 и 240 эл. градусов соответственно, поступают на первую группу входов блока формирования разностных сигналов 8, на вторую группу входов которого поступают сигналы, пропорциональные форме токов нагрузок симметрируемых фаз, сформированные в датчиках формы тока симметрируемых фаз 4 и 5 и проинвертированные на 180 эл. градусов во втором фазосдвигающем блоке 7. В блоке формирования разностных сигналов 8 сигналы, поступающие к первой и второй группам входов последнего, попарно сравниваются: опорный сигнал тока, сдвинутый на 120 эл. градусов, сравнивается с проинвертированным на 180 эл. градусов сигналом, пропорциональным форме тока нагрузки фазы «В», а опорный сигнал тока, сдвинутый на 240 эл. градусов, сравнивается с проинвертированным на 180 эл. градусов сигналом, пропорциональным, форме тока нагрузки фазы «С». Таким образом, на выходе блока 8 формируются сигналы, пропорциональные векторной разности сигнала опорной фазы и сигналов нагрузки симметрируемых фаз. Данные две пары векторных разностей токов и являются сформированными сигналами симметрируемых фаз, геометрическая сумма которых и токов нагрузки каждой из соответствующих фаз и дает токи, пропорциональные току опорной фазы, а фазовый угол, образованный упомянутой геометрической суммой токов и током опорной фазы, составляет 120 эл. градусов. Таким образом, мы получаем полностью симметричную систему сформированных сигналов токов, пропорциональных токам симметрируемой трехфазной системы относительно тока фазы «А». С выхода блока 8 сформированные сигналы управления поступают на цепи управления дополнительного источника мощности 9, посредством которого подаются в симметрируемые фазы. В качестве дополнительного источника мощности может быть использована, например, система с двойным преобразованием энергии, включающая ШИМ – выпрямитель, ШИМ – инвертор и содержащая промежуточное звено постоянного тока.
Таким образом, в результате последовательности действий, произведенных в соответствии с заявленным способом, осуществляется симметрирование в основной n-фазной сети посредством дополнительного источника мощности. При этом повышения эффективности симметрирования многофазной системы, при использовании заявленного способа, добиваются путем повышения быстродействия, упрощения реализации и расширения области применения при осуществлении способа симметрирования.
Источники информации
1. А.С. СССР 244495, Бюл. 18, 13.10.1969, Кл. Н02J 3/26, 1969.
2. А.С. СССР 562038, Бюл. 22, 14.07.1977, Кл. Н02J 3/26, 1977.
Формула изобретения
Способ симметрирования основной n-фазной сети, нагруженной несимметричной n-фазной нагрузкой, при котором симметрируют токи нагрузки отдельных фаз, отличающийся тем, что в основной n-фазной сети предварительно определяют в качестве опорной любую из ее фаз, выделяют в ней сигнал, пропорциональный току ее нагрузки, и с помощью дополнительного (n-1)-фазного источника мощности генерируют в каждую из оставшихся (n-1) фаз токи, предварительно формируя их таким образом, чтобы в каждой из симметрируемых (n-1) фаз основной n-фазной сети геометрическая сумма токов – генерируемого в симметрируемую фазу и тока ее нагрузки – была бы равна по модулю току, равному току опорной фазы, а угол, образованный током последней и суммарным током симметрируемой фазы, следующей за опорной при прямом чередовании фаз, а также между суммарными токами соседних (n-1) симметрируемых фаз, был бы равен эл. градусов.
РИСУНКИ
|
|