Патент на изобретение №2390849

Published by on




РОССИЙСКАЯ ФЕДЕРАЦИЯ



ФЕДЕРАЛЬНАЯ СЛУЖБА
ПО ИНТЕЛЛЕКТУАЛЬНОЙ СОБСТВЕННОСТИ,
ПАТЕНТАМ И ТОВАРНЫМ ЗНАКАМ
(19) RU (11) 2390849 (13) C2
(51) МПК

G08B17/00 (2006.01)

(12) ОПИСАНИЕ ИЗОБРЕТЕНИЯ К ПАТЕНТУ

Статус: по данным на 09.08.2010 – действует

(21), (22) Заявка: 2008129074/09, 15.07.2008

(24) Дата начала отсчета срока действия патента:

15.07.2008

(30) Конвенционный приоритет:

18.02.2008 UA A200802014

(43) Дата публикации заявки: 20.01.2010

(46) Опубликовано: 27.05.2010

(56) Список документов, цитированных в отчете о
поиске:
RU 2303291 C1, 20.07.2007. RU 2004137048 A, 27.05.2006. SU 8923458 A1, 23.12.1981. RU 2273886 C1, 10.04.2006. RU 2285957 C2, 20.10.2006. RU 2305325 C1, 27.08.2007. US 5237481 A, 17.08.1993. US 5710519 A, 20.01.1998. DE 2361403 A2, 27.06.1974. EP 0755037 A1, 22.01.1997.

Адрес для переписки:

58000, Украина, г. Черновцы, ул. Прутская, 6, Частное предприятие “АРТОН”

(72) Автор(ы):

Абушкевич Владимир Антонович (UA)

(73) Патентообладатель(и):

Частное предприятие “АРТОН” (UA)

(54) ТЕПЛОВОЙ ПОЖАРНЫЙ ИЗВЕЩАТЕЛЬ АБУШКЕВИЧА

(57) Реферат:

Изобретение относится к области пожарной сигнализации и может быть использовано в системах пожарной сигнализации для выявления увеличения температуры окружающей среды выше установленного предельного значения. Суть изобретения заключается в том, что извещатель, имеющий светодиодный индикатор, два транзистора и два диода, два конденсатора, пять резисторов и две входные клеммы дополнительно содержит ограничитель тока, третий транзистор и третий конденсатор, а тепловой сенсор выполнен на термисторе. Технический результат – за счет применения термистора в качестве теплового сенсора обеспечивается стабильность температуры срабатывания извещателя даже в условиях повышенной вибрации. 1 ил.

Изобретение относится к области пожарной сигнализации и может быть использовано в системах пожарной сигнализации для выявления увеличения температуры окружающей среды выше установленного предельного значения.

Известный тепловой пожарный извещатель (Извещатель пожарный тепловой максимальный “ИП 101-1А”, ТУ 4371-035-11858298-06, Руководство по эксплуатации САПА. 425212.003 РЭ, www.arsenal-sib.ru) такой, что имеет тепловой сенсор, две входные клеммы, светодиодный индикатор, три конденсатора, три транзистора, пять резисторов и два диода. Кроме этого этот извещатель содержит еще два диода, стабилитрон, транзистор и резистор, а тепловым сенсором служит контактный тепловой элемент.

Недостатком известного извещателя является то, что температура срабатывания такого извещателя зависит только от температуры срабатывания контактного теплового элемента. Такая зависимость не позволяет в условиях серийного производства оперативно изменять класс теплового пожарного извещателя соответственно требованиям рынка.

Наиболее близким к изобретению является выбранный в качестве прототипа тепловой пожарный извещатель [заявка на изобретение Украины а 200710070 от 10.09.2007 г., опубликованная в бюллетене 17 от 25.10.2007 г.] такой, что имеет светодиодный индикатор, анод которого через первый резистор соединен с коллектором первого транзистора и анодом первого диода, катод которого подключен к первому выводу первого конденсатора, а через второй резистор – к базе второго транзистора, коллектор которого соединен с базой первого транзистора, первыми выводами второго конденсатора и третьего резистора, вторые выводы которых подключены к эмиттеру первого транзистора и к катоду второго диода, анод которого подключен к первой входной клемме, а вторая входная клемма подключена к второму выводу первого конденсатора, катода светодиодного индикатора, кроме того, через тепловой сенсор – к первому выводу четвертого резистора, а через пятый резистор – к эмиттеру второго транзистора. Второй вывод четвертого резистора соединен с базой второго транзистора, а анод светодиодного индикатора через шестой резистор соединен с катодом второго диода.

Недостатком такого извещателя также является то, что температура срабатывания такого извещателя зависит только от температуры срабатывания контактного теплового элемента. Такая зависимость не позволяет в условиях серийного производства оперативно изменять класс теплового пожарного извещателя соответственно требованиям рынка. Кроме того, контактный тепловой элемент, который применяется в качестве теплового сенсора, не обеспечивает устойчивого значения температуры срабатывания извещателя в условиях повышенной вибрации.

В основу изобретения поставлена задача – применение в качестве теплового сенсора термистора, который позволяет за счет связей с другими элементами схемы устанавливать температуру срабатывания извещателя простым соотношением сопротивлений резисторов. Кроме того, такое применение термистора позволяет исключить влияние вибрации на температуру срабатывания извещателя.

Поставленная задача решается тем, что тепловой пожарный извещатель Абушкевича, который содержит светодиодный индикатор, анод которого через первый резистор соединен с коллектором первого транзистора и анодом первого диода, катод которого подключен к первому выводу первого конденсатора, а через второй резистор – к базе второго транзистора, коллектор которого соединен с базой первого транзистора, первыми выводами второго конденсатора и третьего резистора, вторые выводы которых подключены к эмиттеру первого транзистора и к катоду второго диода, анод которого подключен к первой входной клемме, а вторая входная клемма подключена к второму выводу первого конденсатора, к катоду светодиодного индикатора, кроме того, через тепловой сенсор – к первому выводу четвертого резистора, а через пятый резистор – к эмиттеру второго транзистора, который отличается тем, что дополнительно содержит третий транзистор, коллектор которого соединен с базой второго транзистора, эмиттер которого соединен с эмиттером третьего транзистора, база которого подключена к первому выводу четвертого резистора, второй вывод которого соединен с анодом светодиодного индикатора и выходом ограничителя тока, вход которого подключен к катоду второго диода и к первому выводу третьего конденсатора, второй вывод которого соединен со второй входной клеммой, а тепловой сенсор выполнен как термистор.

В предложенном тепловом пожарном извещателе за счет применения термистора в качестве теплового сенсора обеспечивается стабильность температуры срабатывания извещателя даже в условиях повышенной вибрации. Кроме того, применение термистора как аналогового сенсора, в отличие от контактного сенсора, позволяет устанавливать класс теплового извещателя соответственно требованиям нормативных документов, таких как ДСТУ EN54-5: 2003 и НПБ 85-2000 простым соотношением сопротивлений резисторов.

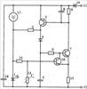
На чертеже представлена блок – схема теплового пожарного извещателя Абушкевича.

Тепловой пожарный извещатель Абушкевича (см. чертеж) содержит светодиодный индикатор 1, анод которого через первый резистор 2 соединен с коллектором первого транзистора 3 и анодом первого диода 4. Катод первого диода 4 подключен к первому выводу первого конденсатора 5, а через второй резистор 6 – к базе второго транзистора 7, коллектор которого соединен с базой первого транзистора 3. Между базой и эмиттером первого транзистора 3 подключены второй конденсатор 8 и третий резистор 9. Второй диод 10 своим анодом подключен к первой входной клемме 11, а катодом – к эмиттеру первого транзистора 3. Вторая входная клемма 12 подключена к второму выводу первого конденсатора 5, к катоду светодиодного индикатора 1, кроме того, через тепловой сенсор 13 – к первому выводу четвертого резистора 14, а через пятый резистор 15 – к эмиттерам второго и третьего транзисторов 7 и 16. Коллектор третьего транзистора 16 соединен с базой второго транзистора 7. База третьего транзистора 16 подключена к первому выводу четвертого резистора 14, второй вывод которого соединен с анодом светодиодного индикатора 1 и выходом ограничителя 17 тока. Вход ограничителя 17 тока подключен к катоду второго диода 10 и к первому выводу третьего конденсатора 18, второй вывод которого соединен со второй входной клеммой 12. Тепловой сенсор 13 выполнен как термистор.

Тепловой пожарный извещатель Абушкевича работает следующим образом. Если температура окружающей среды ниже предельной температуры срабатывания для выбранного класса извещателя, то значение сопротивления термистора 13 будет большим. После подачи напряжения питания на входные клеммы 11 и 12 и благодаря отсутствию заряда на всех трех конденсаторах 5, 8 и 18, первый и второй транзисторы 3 и 7 будут закрытыми. Второй диод 10 осуществляет защиту других элементов схемы, представленной на чертеже, при ошибочном подключении полярности напряжения питания. В нормальном состоянии через второй диод 10 осуществляется заряд третьего конденсатора 18, а часть тока стабильной величины, которая проходит через ограничитель 17 тока, обеспечивает стабильное падение напряжения на светодиодном индикаторе 1. Значение тока, который проходит через светодиодный индикатор 1, не превышает 50 мкА, поэтому светодиодный индикатор 1 выполняет роль ограничителя напряжения на уровне (1,5-2) В, практически не излучая свет. Благодаря высокому сопротивлению термистора 13 на базу третьего транзистора 16 подается потенциал, который открывает этот транзистора 16. Часть тока, которая проходит через цепь первого, второго и пятого резисторов 2, 6 и 15, первого диода 4, а также через коллектор-эмиттер третьего транзистора 16, надежно закрывает второй транзистор 7. Ток потребления тепловым пожарным извещателем в дежурном режиме работы не будет превышать ток, который протекает через ограничитель 17 тока, так как обратные токи первого и второго транзисторов 3 и 7 значительно меньше указанной величины во всем диапазоне рабочего напряжения до 30 В. В этом режиме падение напряжения на первом конденсаторе 5 будет составлять (1,2-1,5) В и почти не будет зависеть от температуры окружающего воздуха, так как температурные коэффициенты напряжения светодиодного индикатора и первого диода 4 почти равняются друг другу.

Термистор 13 находится вне корпуса извещателя, а другие элементы – в корпусе. При квазистатическом изменении температуры окружающего воздуха все элементы имеют температуру воздуха. При значительной скорости прироста температуры за счет малой массы термистор 13 быстро набирает температуру окружающего воздуха, в то же время другие элементы – более инерционные, так как температура в корпусе извещателя будет увеличиваться со значительной задержкой.

На втором и третьем транзисторах 7 и 16 сделанный пороговый элемент – триггер Шмитта по типовой схеме на транзисторах со связанными эмиттерами. Температурная нестабильность напряжения переключения такого триггера существенно зависит от температурного коэффициента напряжения база-эмиттер третьего транзистора 16. В то же время температурный коэффициент напряжения светодиодного индикатора 1 почти равняется температурному коэффициенту напряжения база-эмиттер третьего транзистора 16. Таким образом, температура переключения триггера Шмитта на связанных эмиттерами транзисторах 7 и 16 существенно зависит от температуры окружающего воздуха и мало зависит от температуры в корпусе извещателя. Т.е. температурная инерционность извещателя зависит от инерционности термистора 13 и почти не зависит от инерционности других элементов схемы извещателя.

Если электропитание извещателя осуществляется от шлейфа пожарной сигнализации со знакопеременным напряжением, когда скважность импульсов обратного напряжения превышает значение (4-5), а продолжительность этих импульсов не превышает 0,1 с, то ограничитель 17 тока обеспечивает стабильность напряжения на светодиодном индикаторе 1 во время таких провалов напряжения питания за счет накопленного заряда на третьем конденсаторе 18.

Таким образом, в дежурном режиме работы, даже во время действия импульсов обратного напряжения третий транзистор 16 будет оставаться открытым, а первый и второй транзисторы 3 и 7 будут оставаться закрытыми.

При достижении температуры окружающей среды предельного значения тепловой сенсор 13 будет уменьшать свое сопротивление, таким образом, будет изменяться потенциал на базе третьего транзистора 16. В следствие чего, состоится переключение триггера Шмитта – третий транзистор 16 закроется, а второй транзистор 7 откроется. Ток эмиттера второго транзистора 7 превышает ток эмиттера третьего транзистора 16, поэтому увеличивается падение напряжения на пятом резисторе 15, что в свою очередь ускоряет процесс закрытия третьего транзистора 16. Через третий резистор 9 протекает ток достаточной величины для открытия первого транзистора 3. После его переключения значительная часть тока коллектора первого транзистора 3 будет протекать через первый резистор 2. Значение сопротивления первого резистора 2 выбирается достаточным для нормальной работы светодиодного индикатора 1, который в состоянии “ПОЖАР” должен обеспечивать надлежащий уровень яркости. Кроме того, значением сопротивления первого резистора 2 обеспечивается формирование состояния “ПОЖАР” в шлейфе пожарной сигнализации, который подключается к входным клеммам 11 и 12. Потенциал на коллекторе первого транзистора 3 относительно второй входной клеммы 12 зависит от тока, который протекает между входными клеммами 11 и 12. Через первый диод 4 потечет ток, который обеспечит накопление заряда на первом конденсаторе 5. Потенциал базы второго транзистора 7 относительно второй входной клеммы 12 увеличится так, что ток коллектора этого транзистора 7 будет достаточным для сохранности состояния “ПОЖАР” даже при восстановлении высокого сопротивления термистором 13. Таким образом, обеспечивается сохранение состояния “ПОЖАР” тепловым пожарным извещателем даже при снижении температуры окружающего воздуха до нормальной. При падении напряжения на пятом резисторе 15 больше 2 В третий транзистор 16 будет надежно закрытым. Кроме того, за счет накопленного заряда на первом конденсаторе 5 обеспечивается сохранение состояния “ПОЖАР” при наличии импульсов обратного напряжения заданной скважности и продолжительности. Но отсутствие напряжения питания необходимой полярности на протяжении нескольких секунд и при восстановлении высокого сопротивления термистором 13 возвращает тепловой пожарный извещатель в начальное состояние дежурного режима работы.

Термистор 13 имеет фиксированное значение сопротивления при нормальном значении температуры окружающего воздуха. При увеличении температуры сопротивление термистора 13 уменьшается с заданным коэффициентом. Таким требованиям отвечает термистор фирмы PHILIPS серии 640 и прочие.

Другие элементы извещателя общеизвестные и соответствуют прототипу. Температура срабатывания извещателя зависит от соотношения сопротивлений четвертого резистора 14 и термистора 13. За счет применения термистора 13 в качестве теплового сенсора, а также триггера Шмитта на транзисторах 7 и 16 обеспечивается стабильность температуры срабатывания даже в условиях повышенной вибрации. За счет применения третьего конденсатора 18 и ограничителя 17 тока с их связями с другими элементами обеспечивается стабильность температуры срабатывания извещателя в широком диапазоне напряжений питания, а также при питании извещателя знакопеременным напряжением.

Формула изобретения

Тепловой пожарный извещатель, который содержит светодиодный индикатор, анод которого через первый резистор соединен с коллектором первого транзистора и анодом первого диода, катод которого подключен к первому выводу первого конденсатора, а через второй резистор – к базе второго транзистора, коллектор которого соединен с базой первого транзистора, первыми выводами второго конденсатора и третьего резистора, вторые выводы которых подключены к эмиттеру первого транзистора и к катоду второго диода, анод которого подключен к первой входной клемме, а вторая входная клемма подключена ко второму выводу первого конденсатора, к катоду светодиодного индикатора, кроме того, через тепловой сенсор – к первому выводу четвертого резистора, а через пятый резистор – к эмиттеру второго транзистора, отличающийся тем, что дополнительно содержит третий транзистор, коллектор которого соединен с базой второго транзистора, эмиттер которого соединен с эмиттером третьего транзистора, база которого подключена к первому выводу четвертого резистора, второй вывод которого соединен с анодом светодиодного индикатора и выходом ограничителя тока, вход которого подключен к катоду второго диода и к первому выводу третьего конденсатора, второй вывод которого соединен со второй входной клеммой, а тепловой сенсор выполнен как термистор.

РИСУНКИ

Categories: BD_2390000-2390999