Патент на изобретение №2390848

Published by on




РОССИЙСКАЯ ФЕДЕРАЦИЯ



ФЕДЕРАЛЬНАЯ СЛУЖБА
ПО ИНТЕЛЛЕКТУАЛЬНОЙ СОБСТВЕННОСТИ,
ПАТЕНТАМ И ТОВАРНЫМ ЗНАКАМ
(19) RU (11) 2390848 (13) C2
(51) МПК

G08B17/00 (2006.01)

(12) ОПИСАНИЕ ИЗОБРЕТЕНИЯ К ПАТЕНТУ

Статус: по данным на 09.08.2010 – действует

(21), (22) Заявка: 2008129026/09, 15.07.2008

(24) Дата начала отсчета срока действия патента:

15.07.2008

(30) Конвенционный приоритет:

18.02.2008 UA A200802084

(43) Дата публикации заявки: 20.01.2010

(46) Опубликовано: 27.05.2010

(56) Список документов, цитированных в отчете о
поиске:
RU 2303291 C1, 20.07.2007. RU 2004137048 A, 27.05.2006. SU 8923458 A1, 23.12.1981. RU 2273886 C1, 10.04.2006. RU 2285957 С2, 20.10.2006. RU 2305325 C1, 27.08.2007. US 5237481 A, 17.08.1993. US 5710519 A, 20.01.1998. DE 2361403 A2, 27.06.1974. EP 0755037 A1, 22.01.1997.

Адрес для переписки:

58000, Украина, г. Черновцы, ул. Прутская, 6, Частное предприятие “АРТОН”

(72) Автор(ы):

Баканов Владимир Викторович (UA)

(73) Патентообладатель(и):

Частное предприятие “АРТОН” (UA)

(54) ТЕПЛОВОЙ ПОЖАРНЫЙ ИЗВЕЩАТЕЛЬ БАКАНОВА

(57) Реферат:

Изобретение относится к области пожарной сигнализации и может быть использовано в системах пожарной сигнализации для выявления увеличения температуры окружающей среды выше установленного предельного значения. Суть изобретения состоит в том, что в извещателе, который имеет светодиодный индикатор, транзистор и два диода, транзисторный ключ и два конденсатора, пять резисторов, токоограничительный элемент и две входные клеммы, транзистор выполняет функцию теплового сенсора, а токоограничительный элемент выполняет функцию термонезависимого стабилизатора тока. В извещателе за счет применения транзистора в качестве теплового сенсора обеспечивается стабильность температуры срабатывания извещателя даже в условиях повышенной вибрации. 1 ил.

Изобретение относится к области пожарной сигнализации и может быть использовано в системах пожарной сигнализации для выявления увеличения температуры окружающей среды выше установленного предельного значения.

Известный тепловой пожарный извещатель (Извещатель пожарный тепловой максимальный “ИП 101-1А”, ТУ 4371-035-11858298-06, Руководство по эксплуатации САПО, 425212.003 РЭ, www.arsenal-sib.ru) имеет светодиодный индикатор, две входные клеммы, два конденсатора, транзистор и транзисторный ключ, пять резисторов и два диода. Кроме того, этот извещатель содержит еще два диода, стабилитрон, еще два транзистора и резистор, а тепловым сенсором служит контактный тепловой элемент.

Недостатком известного извещателя является то, что температура срабатывания такого извещателя зависит только от температуры срабатывания контактного теплового элемента. Такая зависимость не позволяет в условиях серийного производства оперативно изменять класс теплового пожарного извещателя в соответствии со стандартами рынка. Кроме того, такой извещатель требует дополнительных элементов для работы в шлейфах пожарной сигнализации со знакопеременным напряжением.

Наиболее близким к изобретению является выбранный в качестве прототипа тепловой пожарный извещатель [заявка на изобретение Украины а200710070 от 10.09.2007 г., опубл. в бюл. 17 от 25.10.2007 г.] такой, который имеет светодиодный индикатор, анод которого через первый резистор соединен с первым выходом транзисторного ключа и анодом первого элемента односторонней проводимости, катод которого подключен к первому выводу первого конденсатора, а через второй резистор – к первому выводу третьего резистора и к базе транзистора, коллектор которого соединен с входом транзисторного ключа и первыми выводами второго конденсатора и четвертого резистора, вторые выводы которых подключены ко второму выходу транзисторного ключа и к катоду второго элемента односторонней проводимости, анод которого подключен к первой входной клемме, а вторая входная клемма подключена ко второму выводу первого конденсатора, к катоду светодиодного индикатора и через пятый резистор – к эмиттеру транзистора, анод светодиодного индикатора через токоограничительный элемент соединен с катодом второго элемента односторонней проводимости. Второй вывод третьего резистора через тепловой контактный сенсор соединен со второй входной клеммой. Токоограничительный элемент, который в прототипе выполнен на резисторе, ограничивает максимальное значение тока в дежурном режиме работы, при котором светодиодный индикатор выполняет функцию ограничителя напряжения, почти не излучая свет.

Недостатком такого извещателя также является то, что температура срабатывания такого извещателя зависит только от температуры срабатывания контактного теплового элемента. Такая зависимость не позволяет в условиях серийного производства оперативно изменять класс теплового пожарного извещателя в соответствии с требованиями рынка. Кроме того, контактный тепловой элемент, который применяется в качестве теплового сенсора, не обеспечивает устойчивого значения температуры срабатывания извещателя в условиях повышенной вибрации.

В основу изобретения поставлена задача – применение в качестве теплового сенсора транзистора, что позволяет за счет связей с другими элементами схемы транзистору одновременно выполнять несколько функций, при этом установление температуры срабатывания извещателя обеспечивается простым соотношением сопротивлений резисторов. Кроме того, такое применение транзистора позволяет исключить влияние вибрации на температуру срабатывания извещателя.

Поставленная задача решается тем, что тепловой пожарный извещатель Баканова, который содержит светодиодный индикатор, анод которого через первый резистор соединен с первым выходом транзисторного ключа и анодом первого элемента односторонней проводимости, катод которого подключен к первому выводу первого конденсатора, а через второй резистор – к первому выводу третьего резистора и к базе транзистора, коллектор которого соединен с входом транзисторного ключа и первыми выводами второго конденсатора и четвертого резистора, вторые выводы которых подключены ко второму выходу транзисторного ключа и к катоду второго элемента односторонней проводимости, анод которого подключен к первой входной клемме, а вторая входная клемма подключена ко второму выводу первого конденсатора, к катоду светодиодного индикатора и через пятый резистор – к эмиттеру транзистора, анод светодиодного индикатора через токоограничительный элемент соединен с катодом второго элемента односторонней проводимости, который отличается тем, что второй вывод третьего резистора подключен ко второй входной клемме, токоограничительный элемент выполняет функцию термонезависимого стабилизатора тока, а транзистор – функцию теплового сенсора.

В предложенном тепловом пожарном извещателе Баканова за счет применения транзистора в качестве теплового сенсора обеспечивается стабильность температуры срабатывания извещателя даже в условиях повышенной вибрации, при работе как в постояннотоковых, так и знакопеременных шлейфах пожарной сигнализации. Кроме того, применение транзистора как аналогового сенсора, в отличие от контактного сенсора, позволяет устанавливать класс теплового извещателя в соответствии с требованиями нормативных документов, таких как ДСТУ EN54-5: 2003 и НПБ 85-2000, простым соотношением сопротивлений резисторов.

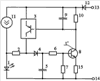
На чертеже представлена блок-схема теплового пожарного извещателя Баканова.

Тепловой пожарный извещатель Баканова содержит светодиодный индикатор 1, анод которого через первый резистор 2 соединен с первым выходом транзисторного ключа 3 и анодом первого элемента 4 односторонней проводимости, катод которого подключен к первому выводу первого конденсатора 5, а через второй резистор 6 – к первому выводу третьего резистора 7 и к базе транзистора 8. Коллектор транзистора 8 соединен с входом транзисторного ключа 3 и первыми выводами второго конденсатора 9 и четвертого резистора 10, вторые выводы которых подключены ко второму выходу транзисторного ключа 3, входу токоограничительного элемента 11 и к катоду второго элемента 12 односторонней проводимости. Анод второго элемента 12 односторонней проводимости подключен к первой входной клемме 13. Вторая входная клемма 14 подключена ко второму выводу первого конденсатора 5, катода светодиодного индикатора 1 и через пятый резистор 15 – к эмиттеру транзистора 8. Анод светодиодного индикатора 1 соединен с выходом токоограничительного элемента 11. Второй вывод третьего резистора 7 подключен ко второй входной клемме 14. Токоограничительный элемент 11 выполняет функцию термонезависимого стабилизатора тока, а транзистор 8 – функцию теплового сенсора.

Тепловой пожарный извещатель Баканова работает таким образом. После подачи напряжения питания на входные клеммы 13 и 14 через токоограничительный элемент 11 потечет ток, величина которого будет стабильной во всем диапазоне напряжения питания (от 10 до 30 В) и практически независимой от температуры окружающего воздуха. Второй элемент 12 односторонней проводимости осуществляет защиту других элементов извещателя при ошибочном подключении полярности напряжения питания. Величина тока в цепи первого резистора 2, первого элемента 4 односторонней проводимости, второго и третьего резисторов 6 и 7 будет значительно меньше величины тока, протекающего через светодиодный индикатор 1. Значение тока через светодиодный индикатор 1 не будет превышать 50 мкА, поэтому он будет выполнять роль ограничителя напряжения на уровне 1,8 В, практически не излучая свет. Если температура окружающего воздуха будет ниже предельной температуры срабатывания извещателя, то транзисторный ключ 3 будет закрыт, потому что падение напряжения на четвертом резисторе 10 будет меньше предельного значения напряжения, при котором открывается транзисторный ключ 3. Это состояние обеспечивается выбранным соотношением сопротивлений второго и третьего резисторов 6 и 7. В то же время падение напряжения на первом конденсаторе 5 будет стабильным во всем диапазоне напряжения питания. Это падение напряжения будет также термостабильным, потому что температурный коэффициент падения напряжения на светодиодном индикаторе 1 и температурный коэффициент падения напряжения на первом элементе 4 односторонней проводимости практически равны друг другу.

Таким образом, на базу транзистора 8 подается стабильное напряжение, которое почти не зависит от напряжения питания, которое подается на входные клеммы 13 и 14, а также от температуры окружающего воздуха. Транзистор 8 находится снаружи корпуса извещателя, что обеспечивает контакт такого теплового сенсора с окружающим воздухом. Другие элементы извещателя расположены в корпусе извещателя, поэтому их температура будет значительно зависеть от скорости изменения температуры окружающего воздуха. При квазистатическом изменении температуры окружающего воздуха все элементы имеют температуру воздуха. При значительной скорости роста температуры за счет малой массы транзистор 8 быстро набирает температуру окружающего воздуха, в то же время другие элементы – более инерционные, потому что температура в корпусе извещателя будет увеличиваться со значительной задержкой. Если сопротивление четвертого резистора 10 будет значительно превышать сопротивление пятого резистора 15, то температурная нестабильность предельного значения напряжения переключения транзисторного ключа 3 не проявит значительного влияния на температурную инерционность извещателя в целом.

При увеличении температуры окружающего воздуха будет увеличиваться температура транзистора 8, поэтому будет уменьшаться напряжение база-эмиттер на 2,3 мВ на каждый градус Цельсия. Такое изменение потенциала на эмиттере транзистора 8 относительно второй входной клеммы 14 приведет к росту коллекторного тока транзистора 8. Когда падение напряжения на четвертом резисторе 10 достигнет предельного значения напряжения переключения транзисторного ключа 3, тогда ток в выходной цепи транзисторного ключа 3 приведет к увеличению напряжения на первом конденсаторе 5. Вследствие чего транзистор 8 еще больше откроется. Этот процесс будет самоускоряющимся и извещатель окажется в состоянии «ПОЖАР». Ток в выходной цепи транзисторного ключа 3 достигнет значения, которое будет ограничиваться сопротивлением первого резистора 2. Светодиодный индикатор 1 будет светиться. Значение сопротивления первого резистора 2 выбирается достаточным для нормальной работы светодиодного индикатора 1, который в состоянии «ПОЖАР» должен обеспечивать надлежащий уровень яркости. Кроме того, значением сопротивления первого резистора 2 обеспечивается формирование состояния «ПОЖАР» в шлейфе пожарной сигнализации, который подключается к входным клеммам 13 и 14. Даже после окончания действия на извещатель воздуха высокой температуры и после возвращения потенциала база-эмиттер транзистора 8 в начальное состояние извещатель будет оставаться в состоянии «ПОЖАР». Даже в случае, когда электропитание извещателя осуществляется от шлейфа пожарной сигнализации со знакопеременным напряжением, когда скважность импульсов обратного напряжения превышает значение (4-5), а длительность этих импульсов не превышает 0,1 с, извещатель будет оставаться в состоянии «ПОЖАР», потому что накопленный на первом конденсаторе 5 заряд позволит удерживать транзистор 8 в открытом состоянии при каждом возобновлении напряжения питания. Но отсутствие напряжения питания необходимой полярности на протяжении нескольких секунд и при возобновлении потенциала база-эмиттер транзистора 8 возвращает тепловой пожарный извещатель в начальное состояние дежурного режима работы.

Токоограничительный элемент 11, который выполняет функцию термонезависимого стабилизатора тока, может быть выполнен по типичной схеме на основе светодиода с транзисторным преобразователем напряжения – ток, когда температурные коэффициенты светодиода и перехода база-эмиттер транзистора 8 практически компенсируют друг друга. Другие элементы извещателя широко известны и отвечают прототипу.

За счет применения транзистора 8 в качестве теплового сенсора обеспечивается стабильность температуры срабатывания извещателя в условиях повышенного уровня вибрации как в постояннотоковом, так и в знакопеременном шлейфах пожарной сигнализации. Класс извещателя легко можно изменять соотношением сопротивлений второго и третьего резисторов 6 и 7. А за счет многофункционального использования элементов извещателя достигаются технико-экономические приоритеты этого решения над прототипом.

Формула изобретения

Тепловой пожарный извещатель, который содержит светодиодный индикатор, анод которого через первый резистор соединен с первым выходом транзисторного ключа и анодом первого элемента односторонней проводимости, катод которого подключен к первому выводу первого конденсатора, а через второй резистор – к первому выводу третьего резистора и к базе транзистора, коллектор которого соединен с входом транзисторного ключа и первыми выводами второго конденсатора и четвертого резистора, вторые выводы которых подключены ко второму выходу транзисторного ключа и к катоду второго элемента односторонней проводимости, анод которого подключен к первой входной клемме, а вторая входная клемма подключена ко второму выводу первого конденсатора, катода светодиодного индикатора и через пятый резистор – к эмиттеру транзистора, анод светодиодного индикатора через токоограничительный элемент соединен с катодом второго элемента односторонней проводимости, отличающийся тем, что второй вывод третьего резистора подключен ко второй входной клемме, токоограничительный элемент выполняет функцию термонезависимого стабилизатора тока, а транзистор – функцию теплового сенсора.

РИСУНКИ

Categories: BD_2390000-2390999