|
|
(21), (22) Заявка: 2009117078/28, 04.05.2009
(24) Дата начала отсчета срока действия патента:
04.05.2009
(46) Опубликовано: 27.05.2010
(56) Список документов, цитированных в отчете о поиске:
RU 2212677 С2, 20.09.2003. GB 1179337 А, 28.01.1970. SU 1242762 А1, 07.07.1986. SU 1150556 А1, 15.04.1985.
Адрес для переписки:
305040, г.Курск, ул. 50 лет Октября, 94, ГОУ ВПО Курский государственный технический университет
|
(72) Автор(ы):
Иванов Владимир Ильич (RU), Титов Виталий Семенович (RU), Голубов Дмитрий Александрович (RU)
(73) Патентообладатель(и):
Государственное образовательное учреждение Высшего профессионального образования Курский государственный технический университет (RU)
|
(54) ИЗМЕРИТЕЛЬ ПАРАМЕТРОВ МНОГОЭЛЕМЕНТНЫХ ПАССИВНЫХ ДВУХПОЛЮСНИКОВ
(57) Реферат:
Изобретение относится к измерительной технике. Измерение параметров пассивных многоэлементных двухполюсников осуществляют при воздействии на измерительный преобразователь импульсами напряжения, изменяющегося по закону n-й степени времени, и уравновешивании выходного напряжения измерительного преобразователя и компенсирующего сигнала, синтезированного из импульсов напряжения, имеющих форму степенных функций времени с показателями степени от n до 0. После окончания переходного процесса приводят к нулю напряжения на выходах (n-1)-каскадного дифференциатора, подключенного к выходу инвертирующего сумматора, а также на выходе последнего. По найденным амплитудам упомянутых выше импульсов вычисляют параметры проводимости, а затем – параметры элементов двухполюсника. Технический результат заключается в расширении функциональных возможностей, упрощении и унификации алгоритма измерения параметров R-C, R-L и R-L-C двухполюсников, имеющих различные схемы замещения. 2 ил.
Изобретение относится к измерительной технике и, в частности, к технике измерения параметров объектов в виде пассивных двухполюсников с сосредоточенными параметрами, имеющих многоэлементную схему замещения.
Известно устройство (патент РФ 2212677) для определения параметров многоэлементных двухполюсных цепей с измерительным преобразователем (ИП), выполненным на операционном усилителе (ОУ) с параллельной отрицательной обратной связью, в цепь которой включают образцовый резистор и измеряемый двухполюсник R-C или R-L типа [1]. На вход ИП подают прямоугольный импульс эталонного напряжения, из выходного напряжения ОУ выделяют свободную составляющую переходного процесса и подвергают операции интегрирования, в процессе интегрирования в момент времени t1 измеряют первое значение интеграла от указанного напряжения, далее в момент времени 2t1 измеряют второе значение интеграла от указанного напряжения, и из полученных значений интеграла вычисляют постоянную времени и амплитуду переходного процесса на выходе ИП, после чего по интегральным характеристикам свободной составляющей осуществляют вычисление параметров двухполюсной цепи.
Недостатками этого устройства являются:
1) узкие функциональные возможности, позволяющие измерять параметры небольшого числа двухполюсников только с двумя или тремя элементами;
2) необходимость менять точки подключения измеряемого двухполюсника либо в цепь обратной связи, либо во входную цепь ОУ в зависимости от конфигурации схемы объекта измерения;
3) погрешности измерения, обусловленные влиянием частотных свойств ОУ и паразитных емкостей на характеристики переходного процесса.
Известен способ (патент РФ 2310872) определения параметров многоэлементных двухполюсных цепей, который заключается в использовании воздействия на исследуемую двухполюсную R-C или L-R цепь сигналом ступенчатой формы и применении операции интегрирования при определении параметров двухполюсника [2]. В процессе интегрирования свободной составляющей переходного процесса измеряют первое значение интеграла от указанного напряжения на участке [0 t1]. Далее измеряют второе значение интеграла от указанного напряжения на участке [t1 2t1], далее вычисляют значения постоянной времени и амплитуды переходного процесса на выходе. Измеренные интегральные характеристики переходного процесса определяют значения параметров двухполюсника.
Этот способ имеет те же недостатки, что и упомянутое выше устройство по патенту 2212677.
Известен способ (патент РФ 2180966) измерения параметров четырехэлементного двухполюсника R-C типа, основанный на анализе переходного процесса в измерительном преобразователе, выполненном на базе операционного усилителя, в цепи отрицательной обратной связи которого включен измеряемый двухполюсник, а в цепи инвертирующего входа ОУ – образцовый резистор [3]. При подаче на вход ИП скачка постоянного напряжения в измерительной цепи возникает переходный процесс, состоящий из суммы постоянной, линейно изменяющейся и экспоненциальной составляющих. Параметры двухполюсника вычисляют по четырем дискретным отсчетам выходного напряжения ИП в моменты времени t1, 2t1, 3t1 и 4t1 после начала переходного процесса путем решения системы из четырех уравнений с четырьмя неизвестными. По результатам измерений микропроцессорный контроллер вычисляет постоянную составляющую, крутизну линейно изменяющейся составляющей, значения постоянной времени и амплитуды экспоненциальной составляющей переходного процесса, и по этим величинам – параметры исследуемого двухполюсника.
Недостатками этого способа являются:
4) узкие функциональные возможности, позволяющие измерять параметры весьма ограниченного количества вариантов двухполюсников;
5) необходимость менять точки подключения измеряемого двухполюсника либо в цепь ОС, либо во входную цепь ОУ в зависимости от конфигурации схемы объекта измерения;
6) погрешности измерения, обусловленные влиянием паразитных цепей и частотных свойств ОУ на характеристики переходного процесса. Наиболее близким по технической сущности к предлагаемому является измеритель параметров многоэлементных пассивных двухполюсников (патент РФ 2144195), выполненный в виде четырехплечего электрического моста, в котором для питания используется формирователь импульсов напряжения кубичной формы [4]. В измерительную диагональ моста включены входы дифференциального усилителя, а к выходу дифференциального усилителя подключены последовательно соединенные три дифференциатора. Выходы дифференциаторов, а также выход дифференциального усилителя подключены к входам нуль-индикатора. Уравновешивание моста осуществляют после окончания переходных процессов в его цепях, последовательно приводя к нулевому значению напряжения на выходах сначала третьего, затем второго и первого дифференциаторов и, наконец, дифференциального усилителя. Недостатками этого мостового измерителя являются:
1) сложная схема ветви с многоэлементным двухполюсником отношения и многоэлементным уравновешивающим двухполюсником, в состав которого входят регулируемые резисторы, конденсаторы и катушки индуктивности;
2) громоздкие аналитические выражения для вычисления параметров элементов измеряемого двухполюсника;
3) ограниченный набор вариантов многоэлементных двухполюсников, для которых обеспечиваются условия уравновешивания при конкретной конфигурации мостовой схемы.
Задача, на решение которой направлено изобретение, состоит в расширении функциональных возможностей, позволяющих измерять параметры различных видов многоэлементных пассивных двухполюсников: R-C, R-L и R-L-C, упрощении и унификации процедуры вычисления параметров объектов измерения.
Технический результат достигается тем, что на вход измерительного преобразователя (ИП), выполненного на базе операционного усилителя (ОУ), в цепи инвертирующего входа которого включен измеряемый многоэлементный двухполюсник, а в цепи отрицательной обратной связи – образцовый резистор, подают импульс напряжения, изменяющегося в течение его длительности по закону n-й степени времени, а выходное напряжение ИП после окончания переходного процесса и до конца импульса уравновешивают компенсирующим сигналом, состоящим из суммы импульсов напряжения, имеющих форму степенной функции времени с показателями степени от n до 0, и по амплитудным значениям составляющих компенсирующего сигнала вычисляют параметры двухполюсника. Значение показателя степени n обусловлено количеством элементов и конфигурацией схемы замещения измеряемого двухполюсника.
Сущность изобретения поясняется для случая четырехэлементного двухполюсника. На вход ИП подают импульсы напряжения кубичной формы, изменяющегося по закону третьей степени времени:

где U3 – амплитуда импульса кубичной формы, tи – его длительность.
Операторное изображение напряжения u3(t) на входе ИП имеет вид

а операторное изображение напряжения на выходе ИП

где R0 – сопротивление образцового резистора; Y(p) – операторное изображение проводимости двухполюсника.
Для четырехэлементного двухполюсника, имеющего конечное (не нулевое и не бесконечное) сопротивление на постоянном токе, проводимость в операторной форме в общем случае можно представить дробно рациональной функцией 2-го порядка

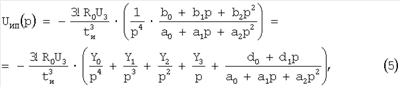
где коэффициенты полиномов знаменателя a0, a1, a2 и числителя b0, b1, b2 определяются компонентами схемы замещения двухполюсника. Отсюда операторное изображение напряжения на выходе ИП можно представить в виде суммы простых дробей:

где Y0, Y1, Y2, Y3 – параметры комплексной проводимости двухполюсника. При ненулевых значениях a0 и b0, что имеет место для большой группы реальных двухполюсников, величины Y0, Y1, Y2, Y3 определяются значениями параметров элементов двухполюсника:


Для двухполюсника с проводимостью вида (4) b3=0, а3=0. Последнее слагаемое в скобках формулы (5) определяет свободную составляющую, а остальные – принужденную составляющую напряжения на выходе ИП, которое устанавливается по окончании переходного процесса в двухполюснике.
Величины, характеризующие переходный процесс:

Установившееся напряжение на выходе ИП представляет собой сумму импульсов кубичной, квадратичной, линейной и прямоугольной форм:

Выражение (8) можно представить в виде

где
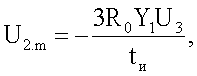
U3.m=-R0Y0U3 – амплитуда кубичной составляющей напряжения;
– амплитуда квадратичной составляющей;
– амплитуда линейной составляющей;
– амплитуда постоянного напряжения.
Как видно из выражения (9), амплитудные значения составляющих выходного напряжения ИП содержат информацию о параметрах двухполюсника. Измерив амплитуды U3.m, U2.m, U1.m, U0.m, можно определить параметры проводимости двухполюсника Y0, Y1, Y2, Y3, после чего вычислить значения параметров элементов двухполюсника: сопротивления резисторов, емкости конденсаторов, индуктивности катушек. Измерение амплитуд U3.m, U2.m, U1.m, U0.m осуществляют путем уравновешивания выходного напряжения ИП и компенсирующего сигнала, синтезированного из импульсов напряжения, имеющих форму степенной функции времени с показателями степени от 3 до 0, причем импульсы напряжения с показателями степени от 1 до 3 формируются из прямоугольного импульса напряжения с помощью трех последовательно соединенных неинвертирующих интеграторов. Уравновешивание осуществляют регулированием амплитуд импульсов, составляющих компенсирующий сигнал, последовательно приводя к нулевому значению сигналы, полученные трехкратным дифференцированием разности выходного напряжения ИП и компенсирующего сигнала после окончания переходного процесса в двухполюснике.
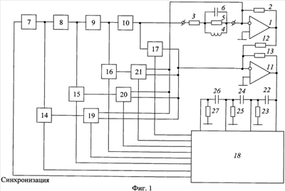
Схема и работа устройства для измерения параметров четырехэлементных пассивных двухполюсников поясняются на фиг.1.
Измерительный преобразователь содержит первый операционный усилитель 1, в цепь обратной связи которого включен образцовый резистор 2, а во входную цепь – измеряемый двухполюсник, который, в качестве примера, состоит из первого резистора 3 и параллельно соединенных катушки индуктивности 4, второго резистора 5 и конденсатора 6. Формирователь импульса напряжения кубической формы состоит из генератора 7 прямоугольных импульсов, первого неинвертирующего интегратора 8, второго неинвертирующего интегратора 9 и третьего неинвертирующего интегратора 10. Генератор 7 имеет вход синхронизации. Измеритель содержит также инвертирующий сумматор на втором операционном усилителе 11, вход которого через резистор 12 соединен с выходом первого операционного усилителя 1, а в цепи обратной связи включен резистор 13, сопротивления резисторов 12 и 13 равны сопротивлению образцового резистора 2. В состав измерителя введены четыре перемножающих цифро-аналоговых преобразователя (ЦАП) и три аналоговых коммутатора, аналоговый вход первого ЦАП 14 подключен к точке соединения выхода генератора 7 и входа первого интегратора 8, аналоговый вход второго ЦАП 15 подключен к точке соединения выхода первого интегратора 8 и входа второго интегратора 9, аналоговый вход третьего ЦАП 16 подключен к точке соединения выхода второго интегратора 9 и входа третьего интегратора 10, аналоговый вход четвертого ЦАП 17 подключен к точке соединения выхода третьего интегратора 10 и входа измерительного преобразователя. Цифровые входы первого ЦАП 14, второго ЦАП 15, третьего ЦАП 16 и четвертого ЦАП 17 соединены с шинами данных микропроцессорного контроллера (МПК) 18, выход ЦАП 14 соединен с входом первого аналогового коммутатора 19, выход ЦАП 15 – с входом второго аналогового коммутатора 20, выход ЦАП 16 – с входом третьего аналогового коммутатора 21. Первый выход первого аналогового коммутатора 19, первый выход второго аналогового коммутатора 20 и первый выход третьего аналогового коммутатора 21 объединены с инвертирующим входом операционного усилителя 1, второй выход первого аналогового коммутатора 19, второй выход второго аналогового коммутатора 20, второй выход третьего аналогового коммутатора 21 и выход ЦАП 17 объединены с инвертирующим входом операционного усилителя 11. К выходу операционного усилителя 11 подключен трехкаскадный дифференциатор на дифференцирующих RC цепях: первый каскад содержит конденсатор 22 и резистор 23, второй каскад – конденсатор 24 и резистор 25, третий каскад – конденсатор 26 и резистор 27.
Устройство работает следующим образом.
По сигналам синхронизации из МПК 18 генератор 7 вырабатывает последовательность прямоугольных импульсов напряжения длительностью tи с амплитудой U0. При этом на выходе первого интегратора 8 формируются импульсы линейно изменяющегося напряжения с амплитудой U1:

на выходе второго интегратора 9 – импульсы напряжения, изменяющегося по закону квадратичной параболы с амплитудой U2:

на выходе третьего интегратора 10 – импульсы напряжения, изменяющегося по закону кубичной параболы с амплитудой U3:

Напряжение u3(t) поступает на вход измерительного преобразователя, и на выходе ОУ 1 формируются импульсы напряжения, которые содержат свободную и принужденную составляющие. После окончания переходного процесса и до конца импульса остается только принужденная составляющая напряжения uИП(t), которая состоит из напряжений кубичной, квадратичной, линейной и плоской (прямоугольной) формы:

Амплитуды этих составляющих U3.m=-R0Y0U3,
  зависят от параметров объекта измерения. В частности, операторное изображение проводимости двухполюсника 3, 4, 5, 6 с параметрами R3, L4, R5, С6 имеет вид

Величины Y0, Y1, Y2, Y3 согласно формулам (6) равны




Заметим, что параметр проводимости Y0 всегда имеет положительный знак, а остальные параметры, в зависимости от схемы двухполюсника, могут быть и положительными и отрицательными. Более того, как видно на примере параметра Y3, у рассматриваемого двухполюсника знак этого параметра зависит от соотношения между значениями параметров элементов схемы. При
знак параметра Y3 положительный, а при
– отрицательный. Исходя из упомянутых обстоятельств, необходимо предусмотреть возможность выбора полярности отдельных составляющих компенсирующего сигнала при уравновешивании его с выходным напряжением ИП uИП(t).
Выходное напряжение ИП поступает на вход инвертирующего сумматора, выполненного на втором ОУ 11, коэффициент передачи которого определяется резисторами 12 и 13, имеющими одинаковое сопротивление с образцовым резистором 2, т.е. R12=R13=R0. Следовательно, напряжение на выходе ОУ 11 будет равно

Для измерения значений амплитуд U3.m, U2.m, U1.m, U0.m формируется компенсирующий сигнал из суммы импульсов напряжения такой же формы и с такими же амплитудами, как и составляющие выходного напряжения ИП uИП(t). Для этого применяются перемножающие цифроаналоговые преобразователи с формированием весовых токов резистивными цепями типа матрицы R-2R, которые допускают изменение опорного напряжения UREF в широких пределах, в том числе и смену полярности. Выходной ток ЦАП пропорционален произведению опорного напряжения на входной цифровой код D:

что позволяет непосредственно использовать такие ЦАП для перемножения аналогового сигнала на цифровой код. На входы опорного напряжения (UREF) ЦАП 14, 15, 16, 17 подаются импульсы постоянного, линейного, квадратичного и кубичного напряжения с выходов генератора импульсов 7 и интеграторов 8, 9, 10 соответственно, а на цифровые входы ЦАП из микропроцессорного контроллера 18 поступают коды коэффициентов передачи К0, К1, К2, К3 соответственно. Выходные сигналы ЦАП имеют форму импульсов тока:




Ток четвертого ЦАП 17 подается во входную цепь ОУ 11 для компенсации кубичной составляющей выходного напряжения ИП, а токи остальных ЦАП, в зависимости от полярности амплитуд постоянной, линейной и квадратичной составляющих напряжения ИП, переключаются с помощью аналоговых коммутаторов 19, 20 и 21 либо во входную цепь первого ОУ 1, либо на инвертирующий вход второго ОУ 11. На вход ОУ 11 подаются токи тех импульсов, которые соответствуют положительным значениям параметров Y1, Y2, Y3, в противном случае токи переключаются во входную цепь ОУ 1.
После окончания переходного процесса в измерительном преобразователе на выходе ОУ 11 формируется сигнал, соответствующий разности выходного напряжения ИП

и компенсирующего напряжения

Путем последовательного приближения микропроцессорный контроллер устанавливает такие значения коэффициентов К3, К2, К1 и К0, которые обеспечивают уравновешивание напряжения uИП(t) и компенсирующего напряжения uИП(t) на выходе ОУ 11. Условия уравновешивания имеют вид:




Уравновешивание следует производить в указанной выше последовательности, так как величина Y0 входит в выражение для Y1, значения Y0 и Y1 входят в формулу для Y2, значения Y0, Y1 и Y2 входят в формулу для Y3. Для того чтобы избирательно регулировать амплитуду кубичной составляющей компенсирующего напряжения, т.е. коэффициент К3, выходное напряжение суммирующего ОУ 11 подается на дифференциатор, который содержит три последовательно включенные дифференцирующие RC-цепи: конденсатор 22 и резистор 23, конденсатор 24 и резистор 25, конденсатор 26 и резистор 27. Все три RC-цепи имеют одинаковые значения постоянной времени RC. Передаточная функция от входа дифференциатора до выхода третьей RC-цепи имеет вид

и на выходе третьей RC-цепи формируется и поступает на вход первого измерительного канала МПК 18 постоянное напряжение, пропорциональное разности амплитуд кубичных составляющих напряжения ИП и компенсирующего сигнала:

Компенсация кубичной составляющей осуществляется приведением к нулю выходного напряжения третьей RC-цепи u3RC(t) путем регулирования коэффициента К3.
Затем МПК анализирует напряжение на выходе второй дифференцирующей RC-цепи. Передаточная функция от входа дифференциатора до выхода второй RC-цепи имеет вид

и на выходе второй RC-цепи формируется и поступает на вход второго измерительного канала МПК 18 постоянное напряжение, пропорциональное разности амплитуд квадратичных составляющих напряжения ИП и компенсирующего сигнала:

Компенсация квадратичной составляющей осуществляется приведением к нулю выходного напряжения второй RC-цепи u2RC(t) путем регулирования коэффициента К2. При этом МПК определяет полярность квадратичной составляющей компенсирующего напряжения и управляет переключением третьего аналогового коммутатора 21.
После этого МПК анализирует напряжение на выходе первой дифференцирующей RC-цепи. Передаточная функция от входа дифференциатора до выхода первой RC-цепи имеет вид

и на выходе первой RC-цепи формируется и поступает на вход третьего измерительного канала МПК 18 постоянное напряжение, пропорциональное разности амплитуд линейных составляющих напряжения ИП и компенсирующего сигнала:

Компенсация линейной составляющей осуществляется приведением к нулю выходного напряжения первой RC-цепи u1RC(t) путем регулирования коэффициента К1. При этом МПК определяет полярность линейной составляющей компенсирующего напряжения и управляет переключением второго аналогового коммутатора 20.
И, наконец, для компенсации постоянной составляющей импульса напряжения на выходе измерительного преобразователя МПК определяет полярность и приводит к нулю выходное напряжение ОУ 11, которое подается на вход четвертого измерительного канала,

регулируя коэффициент К0. При этом МПК определяет полярность постоянной составляющей компенсирующего напряжения и управляет переключением первого аналогового коммутатора 19.
После четырех этапов уравновешивания напряжений uИП(t) и uк(t) МПК 18 с помощью формул (19)-(22) определяет параметры проводимости двухполюсника Y0, Y1, Y2, Y3, а затем, используя полученные значения величин Y0, Y1, Y2, Y3 и выражения (11)-(14), вычисляет параметры элементов двухполюсника:
   
Измеритель позволяет использовать представленный выше алгоритм для определения параметров различных вариантов двухполюсных цепей. Рассмотрим еще несколько примеров многоэлементных двухполюсников, схемы которых изображены на фиг.2.
Пример 1. Четырехэлементный двухполюсник R-C типа содержит первый резистор 28, параллельно с ним включены последовательно соединенные конденсатор 29 и второй резистор 30, параллельно последнему подключен конденсатор 31. Операторное изображение проводимости двухполюсника выражается в виде

Параметры Y0, Y1, Y2, Y3 согласно формулам (6) равны

Используя найденные значения Y0, Y1, Y2, Y3 и выражения (24), вычисляют параметры элементов R28, С29, R30, С31.
Пример 2. Трехэлементный двухполюсник R-C типа содержит первый конденсатор 32, последовательно с которым включены параллельно соединенные резистор 33 и второй конденсатор 34. Этот двухполюсник получается из схемы предыдущего примера при отключении резистора 29 и имеет нулевую проводимость на постоянном токе. Операторное изображение его проводимости имеет в вид

Параметры Y0, Y1, Y2, Y3 согласно формулам (6) равны

Видно, что первый этап уравновешивания можно исключить и установить коэффициент К3=0. Используя найденные значения Y1, Y2, Y3 и выражения (26), вычисляют параметры элементов С32, R33, С34.
Пример 3. Четырехэлементный двухполюсник R-L типа содержит последовательно соединенные первый резистор 35 и первую катушку 36 индуктивности, параллельно которой включена последовательная цепь, содержащая второй резистор 37 и вторую катушку 38 индуктивности. Операторное изображение проводимости двухполюсника выражается в виде

Параметры Y0, Y1, Y2, Y3 согласно формулам (6) равны
  

Используя найденные значения Y0, Y1, Y2, Y3 и выражения (28), вычисляют параметры элементов R35, L36, R37, L38.
Пример 4. Трехэлементный двухполюсник R-L типа содержит последовательно соединенные первый резистор 39 и катушку 40 индуктивности, параллельно которой включен второй резистор 41. Этот двухполюсник получается из схемы предыдущего примера при отключении второй катушки 38 индуктивности. Операторное изображение проводимости двухполюсника имеет вид

Для измерения параметров Y0, Y1, Y2 в соответствии с формулами (6)
  
необходимо три этапа уравновешивания. Выражения (30) позволяют вычислить параметры элементов R39, L40, R41.
Пример 5. Четырехэлементный двухполюсник R-L типа содержит первый резистор 42, параллельно с которым включена последовательная цепь, состоящая из конденсатора 43, второго резистора 44 и катушки 45 индуктивности. Операторное изображение проводимости двухполюсника выражается в виде

Величины Y0, Y1, Y2, Y3 согласно формулам (6) равны

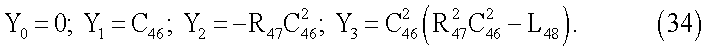
Пример 6. Трехэлементный двухполюсник R-L типа представляет собой последовательную цепь, содержащую конденсатор 46, резистор 47 и катушку 48 индуктивности. Этот двухполюсник получается из схемы предыдущего примера при отключении первого резистора 42. Двухполюсник имеет нулевую проводимость на постоянном токе. Операторное изображение проводимости двухполюсника выражается в виде

Величины Y0, Y1, Y2, Y3 согласно формулам (6) равны

Таким образом, предлагаемое устройство существенно увеличивает количество вариантов измеряемых многоэлементных пассивных двухполюсников. Использование обобщенных величин Y0, Y1, Y2, Y3 позволяет унифицировать и упростить процедуру вычисления параметров элементов двухполюсников разнообразной конфигурации схемы замещения.
Источники информации
1. Патент РФ 2212677, G01R 27/02. Устройство для определения параметров многоэлементных двухполюсных цепей / Н.Н.Хрисанов, Д.Б.Фролагин, опубл. 20.09.2003.
2. Патент РФ 2310872, G01R 27/02. Способ определения параметров многоэлементных двухполюсных цепей / Н.Н.Хрисанов, опубл. 20.11.2007.
3. Патент РФ 2180966, G01R 27/26. Способ определения параметров двухполюсников / М.Р.Сафаров, Л.В.Сарваров, Ю.Д.Коловертнов, Г.Ю.Коловертнов, опубл. 27.03.2002.
4. Патент РФ 2144195, G01R 17/10. Мостовой измеритель параметров многоэлементных пассивных двухполюсников / В.И.Иванов, Г.И.Передельский, опубл. 2000, Бюл. 1.
Формула изобретения
Измеритель параметров многоэлементных пассивных двухполюсников, содержащий измерительный преобразователь на основе первого операционного усилителя, в цепь обратной связи которого включен образцовый резистор, а во входную цепь – измеряемый двухполюсник, формирователь импульса напряжения кубической формы, в состав которого входят последовательно соединенные генератор прямоугольных импульсов, первый неинвертирующий интегратор, второй неинвертирующий интегратор и третий неинвертирующий интегратор, микропроцессорный контроллер (МПК), инвертирующий сумматор на втором операционном усилителе, во входной цепи и цепи обратной связи которого включены резисторы, имеющие одинаковые сопротивления с образцовым резистором, вход инвертирующего сумматора соединен с выходом измерительного преобразователя, а к выходу инвертирующего сумматора подключены три последовательно соединенные дифференцирующие RC-цепи, выход третьей дифференцирующей RC-цепи соединен с первым измерительным входом МПК, выход второй дифференцирующей RC-цепи – со вторым измерительным входом МПК, выход первой дифференцирующей RC-цепи – с третьим измерительным входом МПК, четвертый измерительный вход МПК подключен к выходу инвертирующего сумматора, отличающийся тем, что в измеритель дополнительно введены четыре перемножающих цифроаналоговых преобразователя (ЦАП) и три аналоговых коммутатора, аналоговый вход первого ЦАП подключен к точке соединения выхода генератора прямоугольных импульсов и входа первого интегратора, выход первого ЦАП соединен с входом первого аналогового коммутатора, аналоговый вход второго ЦАП подключен к точке соединения выхода первого интегратора и входа второго интегратора, выход второго ЦАП соединен с входом второго аналогового коммутатора, аналоговый вход третьего ЦАП подключен к точке соединения выхода второго интегратора и входа третьего интегратора, выход третьего ЦАП соединен с входом третьего аналогового коммутатора, аналоговый вход четвертого ЦАП подключен к точке соединения выхода третьего интегратора и входа измерительного преобразователя, цифровые входы первого ЦАП, второго ЦАП, третьего ЦАП и четвертого ЦАП соединены с шинами данных МПК, управляющие входы первого, второго и третьего аналоговых коммутаторов соединены с соответствующими выходами МПК, первый выход первого аналогового коммутатора, первый выход второго аналогового коммутатора и первый выход третьего аналогового коммутатора объединены с инвертирующим входом первого операционного усилителя, второй выход первого аналогового коммутатора, второй выход второго аналогового коммутатора, второй выход третьего аналогового коммутатора и выход четвертого ЦАП объединены с инвертирующим входом второго операционного усилителя.
РИСУНКИ
|
|