|
(21), (22) Заявка: 2009105569/28, 17.02.2009
(24) Дата начала отсчета срока действия патента:
17.02.2009
(46) Опубликовано: 27.05.2010
(56) Список документов, цитированных в отчете о поиске:
RU 2144195 C1, 10.01.2000. GB 1179337 A, 28.01.1970. SU 1242762 A1, 07.07.1986. SU 1150556 A1, 15.04.1985.
Адрес для переписки:
305040, г.Курск, ул. 50 лет Октября, 94, ГОУ ВПО Курский государственный технический университет
|
(72) Автор(ы):
Иванов Владимир Ильич (RU), Титов Виталий Семенович (RU), Голубов Дмитрий Александрович (RU)
(73) Патентообладатель(и):
Государственное образовательное учреждение Высшего профессионального образования Курский государственный технический университет (RU)
|
(54) СПОСОБ ИЗМЕРЕНИЯ ПАРАМЕТРОВ МНОГОЭЛЕМЕНТНЫХ ПАССИВНЫХ ДВУХПОЛЮСНИКОВ И УСТРОЙСТВО ДЛЯ ЕГО РЕАЛИЗАЦИИ
(57) Реферат:
Изобретение относится к измерительной технике. Измерение параметров пассивных многоэлементных двухполюсников осуществляется при питании цепи, содержащей образцовый резистор и последовательно включенный с ним объект измерения, импульсами напряжения, изменяющегося по закону (n-1)-й степени времени, где значение n определяется схемой замещения объекта измерения и числом измеряемых параметров двухполюсника. Уравновешивают напряжение на измеряемом двухполюснике компенсирующим напряжением, синтезированным из импульсов напряжения, имеющих форму степенной функции времени с показателями степени от 0 до (n-2). Уравновешивание осуществляют избирательным регулированием амплитуд составляющих компенсирующего напряжения, последовательно приводя к нулевому значению сигналы на выходах и входе n-каскадного дифференциатора разности напряжения на двухполюснике и компенсирующего напряжения. Технический результат заключается в расширении функциональных возможностей, позволяющих определять параметры различных видов многоэлементных пассивных двухполюсников, а также упрощении аппаратуры измерителя и процедуры определения параметров объектов измерения. 2 н. и 5 з.п. ф-лы, 1 ил.
Изобретение относится к измерительной технике и, в частности, к технике измерения параметров пассивных двухполюсников, имеющих многоэлементную схему замещения.
Известны устройства для измерения параметров многоэлементных двухполюсников, выполненные в виде четырехплечих электрических мостов, для питания которых применяются импульсы напряжения, изменяющегося в течение длительности tи по закону степенной функции времени:

В одной из ветвей моста содержится плечо с измеряемым двухполюсником, а в другой ветви в каждом плече включен многоэлементный двухполюсник, один из которых составляет плечо отношения, а другой – плечо сравнения (уравновешивающий двухполюсник).
Уравновешивание электрического моста достигается за (n+1) этапов путем раздельного регулирования на каждом этапе одного из компонентов уравновешивающего многоэлементного двухполюсника. Уравновешивание осуществляется на плоской части импульса напряжения в измерительной диагонали электрического моста, устанавливающегося после окончания переходных процессов, поочередно при прямоугольной (показатель степени импульса напряжения k=0), линейной (k=1), квадратичной (k=2), кубичной (k=3) и т.д. форме импульса напряжения питания моста [1]. Процесс уравновешивания моста на каждом этапе контролируется включенным в измерительную диагональ нуль-индикатором, синхронизируемым с выходным напряжением соответствующего генератора импульсов напряжения.
Недостатками известных измерителей параметров многоэлементных двухполюсников, построенных на основе четырехплечих мостовых цепей с импульсным питанием, являются:
1) сложность аппаратуры, содержащей (n+1) генераторов последовательностей импульсных сигналов, причем к каждому из них предъявляются высокие требования по точности воспроизведения сложной формы импульсов напряжения;
2) наличие искажений формы импульсов питающего напряжения, обусловленных коммутацией выходов генераторов последовательностей импульсных сигналов в многоэтапном измерительном процессе и, как следствие, – дополнительных погрешностей измерения;
3) громоздкие аналитические выражения для условий равновесия и вычисления искомых параметров объекта измерения, вызывающие затруднения для интерпретации результатов измерения и оценки диапазона измеряемых параметров.
Известен способ определения параметров многоэлементных двухполюсных цепей, при котором на вход измерителя с подключенным к нему двухполюсником подают воздействие в виде импульса напряжения и из выходного сигнала измерителя с помощью выполняемых в аналоговой форме операций интегрирования его значений в определенные моменты времени выделяют сигналы, пропорциональные параметрам двухполюсника [2] (Патент РФ 2310872, G01R 27/02, Бюл. 32, 2007). Способ заключается в применении воздействия в виде импульса напряжения ступенчатой формы на вход операционного усилителя (ОУ) с параллельной отрицательной обратной связью, в цепь которой включена исследуемая двухэлементная двухполюсная RC- или RL-цепь, и применении операции интегрирования свободной составляющей напряжения на выходе ОУ. В процессе интегрирования измеряют значения интеграла от напряжения экспоненциальной формы на двух смежных участках и вычисляют значения амплитуды и постоянной времени переходного процесса на выходе ОУ, после чего определяют параметры R и С либо R и L.
Недостатками этого способа являются:
1) низкая точность определения параметров двухполюсника из-за наличия погрешностей, вносимых паразитными емкостями и инерционностью операционного усилителя в характеристики переходного процесса;
2) ограниченный только двухэлементными двухполюсниками набор вариантов измеряемых объектов;
3) необходимость для каждого вида двухполюсника изменять точки подключения объекта измерения.
Из известных устройств наиболее близким по технической сущности и достигаемым результатам к данному изобретению является мостовой измеритель параметров многоэлементных пассивных двухполюсников [3] (Патент РФ 2144195, G01R 17/10, Бюл. 1, 2000). С целью упрощения аппаратуры мостовой измеритель содержит единственный генератор последовательностей импульсов напряжения кубичной формы. В измерительную диагональ моста включены входы дифференциального усилителя, а к выходу дифференциального усилителя подключены последовательно соединенные три дифференциатора. Выход дифференциального усилителя, а также выходы дифференциаторов подключены к входам нуль-индикатора. Уравновешивание моста осуществляют после окончания переходных процессов в его цепях, последовательно приводя к нулевому значению напряжения на выходах третьего, второго и первого дифференциаторов, а затем и дифференциального усилителя. Недостатками этого мостового измерителя являются:
1) сложная схема ветви с многоэлементным двухполюсником отношения и многоэлементным уравновешивающим двухполюсником, в состав которого входят регулируемые резисторы, конденсаторы и катушки индуктивности;
2) громоздкие выражения для вычисления параметров двухполюсника объекта измерения;
3) ограниченный набор вариантов многоэлементных двухполюсников, для которых обеспечиваются условия уравновешивания при конкретной конфигурации мостовой схемы.
Задача, на решение которой направлено изобретение, состоит в расширении функциональных возможностей, позволяющих измерять параметры различных видов многоэлементных пассивных двухполюсников: R-C, R-L и R-L-C, упрощении аппаратуры измерителя и процедуры определения параметров объектов измерения.
Поставленная задача решается тем, что измерение параметров пассивных многоэлементных двухполюсников осуществляется при питании цепи, содержащей образцовый резистор и последовательно включенный с ним измеряемый двухполюсник, от генератора импульсов напряжения вида функции n-й степени времени, где значение n определяется схемой замещения объекта измерения, путем уравновешивания напряжения на измеряемом двухполюснике и компенсирующего напряжения, синтезированного из импульсов напряжения, имеющих форму степенной функции времени с показателями степени от 0 до n, причем импульсы напряжения с показателями степени от 0 до (n-1) формируются из импульса напряжения генератора с помощью n-каскадного дифференциатора. Уравновешивание осуществляют регулированием амплитуд импульсов, составляющих компенсирующее напряжение, последовательно приводя к нулевому значению сигналы, полученные n-кратным дифференцированием выходного напряжения вычитающего блока по окончании переходных процессов, после чего вычисляют искомые параметры двухполюсника.
Способ измерения параметров многоэлементных пассивных двухполюсников основан на питании цепи последовательно соединенных образцового резистора и двухполюсника объекта измерения импульсами напряжения, изменяющегося по закону n-й степени времени, где n определяется схемой замещения и числом измеряемых параметров двухполюсника, и уравновешивании напряжения на двухполюснике, которое содержит импульсы, имеющие форму степенной функции времени с показателями степени от 0 до n, компенсирующим напряжением, представляющим собой сумму импульсов такой же формы, причем раздельное регулирование напряжений указанных импульсов осуществляется с помощью n-кратного дифференцирования сигнала разности падения напряжения на двухполюснике и компенсирующего напряжения, и по установленным значениям амплитуд импульсов компенсирующего напряжения производится отсчет параметров двухполюсника. Составляющие компенсирующего напряжения формируются с помощью последовательно включенных n дифференцирующих RC-цепей, причем для достижения требуемой точности дифференцирования эти RС-цепи имеют одинаковые постоянные времени, но в каждой из цепей применяются переменные значения сопротивления резистора и емкости конденсатора.
Сущность изобретения поясняется для случая четырехэлементного двухполюсника. Генератор вырабатывает импульсы напряжения кубичной формы, изменяющегося по закону третьей степени времени:

где Um – амплитуда, tи – длительность импульса. При этом на двухполюснике формируются импульсы напряжения uдп(t), которые содержат принужденную и свободную составляющие. Операторное изображение напряжения Uдп(p) равно произведению операторного изображения напряжения генератора Uг(p) и передаточной функции Н(р) цепи, состоящей из образцового резистора и измеряемого многоэлементного двухполюсника. Изображение напряжения (1) имеет вид

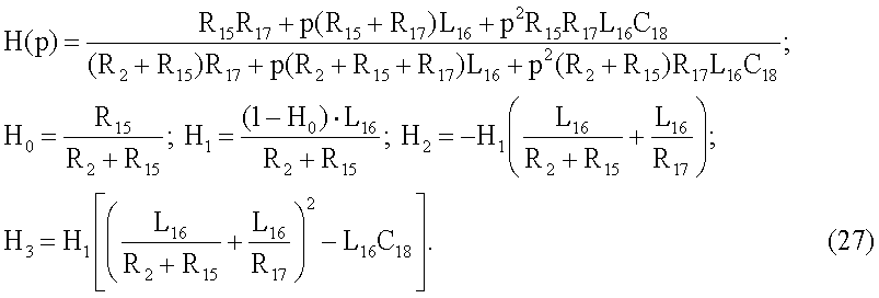
а передаточную функцию цепи с четырехэлементным двухполюсником в общем виде можно представить как

где коэффициенты полиномов знаменателя а0, а1, а2 и числителя b0, b1, b2 определяются компонентами схемы замещения двухполюсника. Отсюда изображение напряжения на измеряемом двухполюснике

где параметры цепи

Принужденная составляющая напряжения на многоэлементном двухполюснике, которая устанавливается после окончания переходного процесса, состоит из напряжений кубичной, квадратичной, линейной и плоской (прямоугольной) формы:

Амплитуды этих слагаемых равны соответственно H0Um (кубичная составляющая); (квадратичная составляющая); (линейная составляющая); (постоянная составляющая).
Из (6) видно, что, определив значения амплитуд составляющих импульсов, можно вычислить параметры двухполюсника. Для этого синтезируется компенсирующее напряжение, которое состоит из таких же составляющих, как и напряжение (6) на двухполюснике. Как и в напряжении (6), амплитуды всех составляющих компенсирующего напряжения также должны быть «привязаны» к амплитуде Um импульса генератора. С этой целью импульсы напряжения квадратичной, линейной и прямоугольной формы формируются путем трехкратного дифференцирования кубичного напряжения (1) с помощью второго трехкаскадного дифференциатора. В случае применения в составе дифференциатора идеальных дифференцирующих каскадов с одинаковой постоянной времени напряжения на выходах первого, второго и третьего каскадов имели бы вид соответственно

Для упрощения аппаратуры второй дифференциатор выполнен в виде трех последовательно включенных дифференцирующих RС-цепей. Если использовать в каждом каскаде одинаковые RС-цепи и обеспечить условия, при которых последовательно включенные дифференцирующие цепи не оказывали бы влияние на передаточные функции каждой из них, то передаточные функции по выходам одной, двух и трех RС-цепей имели бы вид соответственно



В таком случае напряжение на выходе первой RС-цепи содержит не только квадратичную, но и линейную и постоянную составляющие:

на выходе второй RС-цепи, кроме линейной составляющей, присутствует и постоянное напряжение:

на выходе третьей RС-цепи

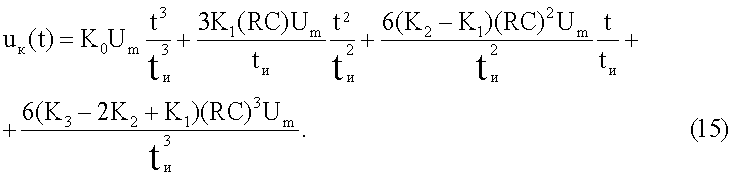
Компенсирующее напряжение формируется как взвешенная сумма напряжений (1), (11), (12) и (13):

После подстановки в (14) выражений (11), (12) и (13) компенсирующее напряжение имеет вид

Путем последовательного приближения устанавливаются такие значения коэффициентов К0, К1, К2 и К3, которые обеспечивают уравновешивание напряжения на двухполюснике uдп(t) и компенсирующего напряжения uк(t). Условия уравновешивания имеют вид:

Уравновешивание напряжения uдп(t) на двухполюснике и компенсирующего напряжения uк(t) осуществляется путем приведения к нулю разности этих напряжений uдп(t)-uк(t) на выходе вычитающего блока после окончания переходного процесса в схеме двухполюсника. Из (5) видно, что уравновешивание следует производить в такой последовательности:

так как величина H0 входит в выражение для H1, значения H0 и Н1 входят в формулу для Н2, и т.д.
Условие независимости передаточных функций отдельных RC-цепей возможно реализовать, например, с помощью двух дополнительных буферных усилителей или повторителей напряжения с высоким входным сопротивлением, которые включаются между соседними дифференцирующими RС-цепями. Такое решение связано с дополнительными аппаратными затратами. В то же время в отсутствие буферных устройств между дифференцирующими RС-цепями амплитуды напряжений второго и третьего порядка дифференцирования становятся чрезмерно большими:

Это обстоятельство может создать препятствия для процесса уравновешивания.
В предлагаемом изобретении данная задача решается тем, что при одинаковых значениях постоянной времени RC в каждой из трех дифференцирующих цепей C1R1, C2R2 и C3R3 значения емкости от каскада к каскаду уменьшаются, а значения сопротивления увеличиваются в одно и то же число N раз: C1=NC, R1=R/N; С2=С, R2=R; С3=C/N, R3=NR. При этом выражения для передаточных функций по выходам трех дифференцирующих цепей имеют вид



При достаточно большом значении N>>1 передаточные функции (18), (19) и (20) дифференцирующих RС-цепей приближаются к (8), (9) и (10):


 
Для того чтобы избирательно регулировать амплитуду кубичной составляющей компенсирующего напряжения, т.е. коэффициент K0, выходное напряжение вычитающего блока необходимо трижды продифференцировать. Первый дифференциатор также состоит их трех последовательно включенных дифференцирующих RС-цепей. В сигнале на выходе третьей RС-цепи первого дифференциатора будет присутствовать только постоянное напряжение, пропорциональное амплитуде кубичного импульса. После компенсации кубичной составляющей напряжения на измеряемом двухполюснике регулируют амплитуду квадратичной составляющей компенсирующего напряжения, т.е. коэффициент К1, приводя к нулю постоянное напряжение на выходе второй RC-цепи первого дифференциатора. Компенсация линейной составляющей (регулирование коэффициента К2) осуществляется приведением к нулю выходного напряжения первой RС-цепи первого дифференциатора. И, наконец, для компенсации постоянной составляющей импульса напряжения на двухполюснике регулируют коэффициент К3, приводя к нулю постоянное напряжение на выходе вычитающего блока.
После четырех этапов уравновешивания напряжений uдп(t) и uк(t), используя формулы (16) и (6), вычисляют обобщенные параметры цепи с измеряемым двухполюсником H0, Н1, Н2 и Н3, с помощью которых затем находят параметры элементов двухполюсника.
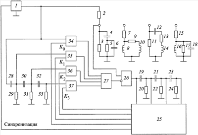
Схема и работа устройства для реализации предлагаемого способа измерения параметров четырехэлементных пассивных двухполюсников поясняются на чертеже.
Измеритель параметров содержит генератор 1, формирующий последовательность импульсов напряжения кубичной формы. Генератор импульсов имеет вход синхронизации, его общая шина заземлена. Выход генератора 1 соединен с образцовым резистором 2, последовательно с которым включен двухполюсник объекта измерения. Второй полюс двухполюсника заземлен. На чертеже в качестве примера приведены четыре варианта четырехэлементных двухполюсников объекта измерения: резистивно-емкостной типа R-C, резистивно-индуктивный типа R-L и два двухполюсника с разнородными реактивными элементами R-C-L и R-L-C типа.
Первый двухполюсник (R-C) объекта измерения состоит из первого резистора 3, параллельно которому включены последовательно соединенные первый конденсатор 4 и второй резистор 5, параллельно с которым соединен второй конденсатор 6. Второй двухполюсник (R-L) объекта измерения состоит из последовательно соединенных первого резистора 7 и первой катушки 8 индуктивности, параллельно которой включены последовательно соединенные второй резистор 9 и вторая катушка 10 индуктивности. Третий двухполюсник (R-C-L) объекта измерения состоит из первого резистора 11, параллельно которому включены последовательно соединенные конденсатор 12, второй резистор 13 и катушка 14 индуктивности. Четвертый двухполюсник (R-L-C) объекта измерения состоит из первого резистора 15, последовательно с которым включены параллельно соединенные катушка 16 индуктивности, второй резистор 17 и конденсатор 18.
Измеритель параметров пассивных двухполюсников содержит также трехкаскадный дифференциатор, в состав которого входят три последовательно соединенные дифференцирующие RC-цепи, состоящие из конденсатора 19 и резистора 20, конденсатора 21 и резистора 22, конденсатора 23 и резистора 24 соответственно, а также вычислительный блок 25. Первый измерительный вход вычислительного блока 25 подключен к общей точке соединения конденсатора 23 и резистора 24, второй измерительный вход блока 25 подключен к общей точке соединения конденсатора 21, резистора 22 и конденсатора 23, третий измерительный вход блока 25 подключен к общей точке соединения конденсатора 19, резистора 20 и конденсатора 21, четвертый измерительный вход блока 25 объединен с конденсатором 19 и выходом вычитающего блока 26, неинвертирующий вход которого подключен к общей точке соединения образцового резистора 2 и измеряемого двухполюсника, а инвертирующий вход соединен с выходом суммирующего блока 27, формирующего компенсирующее напряжение.
Измеритель параметров пассивных двухполюсников содержит также второй трехкаскадный дифференциатор, в состав которого входят три последовательно соединенные дифференцирующие RС-цепи, состоящие из конденсатора 28 и резистора 29, конденсатора 30 и резистора 31, конденсатора 32 и резистора 33 соответственно. Выход генератора 1 подключен ко входу первой RС-цепи (конденсатор 28) второго трехкаскадного дифференциатора и первому входу регулятора 34 амплитуды импульсов напряжения кубичной формы, выход первой RС-цепи второго трехкаскадного дифференциатора (общая точка соединения конденсаторов 28 и 30 и резистора 29) соединен с первым входом регулятора 35 амплитуды импульсов напряжения квадратичной формы, выход второй RС-цепи второго трехкаскадного дифференциатора (общая точка соединения конденсаторов 30 и 32 и резистора 31) соединен с первым входом регулятора 36 амплитуды импульсов напряжения линейной формы, выход третьей RC-цепи второго трехкаскадного дифференциатора (общая точка соединения конденсатора 32 и резистора 33) соединен с первым входом регулятора 37 амплитуды прямоугольных импульсов напряжения. Вторые входы регуляторов 34, 35, 36 и 37 соединены с выходами вычислительного блока 25, управляющего значениями коэффициентов передачи каждого из упомянутых регуляторов соответственно. Выходы регуляторов 34, 35, 36 и 37 соединены с входами суммирующего блока 27.
Устройство работает следующим образом. По сигналу синхронизации из блока 25 генератор 1 вырабатывает импульс напряжения кубичной формы, изменяющегося по закону третьей степени от времени:

где Um – амплитуда, tи – длительность импульса. При этом на двухполюснике объекта измерения формируется импульс напряжения, которое содержит принужденную и свободную составляющие. Принужденная составляющая напряжения uдп(t) на многоэлементном двухполюснике после окончания переходного процесса состоит из напряжений кубичной, квадратичной, линейной и плоской (прямоугольной) формы (6):

Импульсы напряжения с выхода генератора 1

и с трех выходов второго дифференциатора

через регуляторы 34, 35, 36 и 37 амплитуд соответственно поступают на суммирующий блок 27. На вторые входы регуляторов 34, 35, 36 и 37 подаются из вычислительного блока 25 коды коэффициентов K0, К1, К2, К3, на которые умножаются амплитуды напряжения импульсов. На выходе суммирующего блока 27 из этих импульсов формируется компенсирующее напряжение, равное
uк(t)=K0uг(t)+K1u1(t)+K2u2(t)+K3u3(t).
Напряжения uдп(t) с двухполюсника и uк(t) с выхода суммирующего блока 27 поступают на входы вычитающего блока 26. Разность этих двух напряжений uдп(t)-uк(t) поступает на три последовательно включенные дифференцирующие RС-цепи первого дифференциатора: С19R20, C21R22 и С23R24
На первом этапе вычислительный блок 25 анализирует установившееся после переходного процесса постоянное напряжение на выходе третьей дифференцирующей цепи C23R24 и методом последовательного приближения устанавливает такое значение коэффициента К0, при котором напряжение на выходе цепи С23R24 достигает нуля. Этим самым осуществляется компенсация кубичной составляющей напряжения на двухполюснике. Затем, на втором этапе, вычислительный блок 25 анализирует установившееся напряжение на выходе второй дифференцирующей цепи С21R22 и методом последовательного приближения устанавливает коэффициент К1, при котором напряжение на выходе цепи С21R22 приводится к нулю. Этим достигается компенсация квадратичной составляющей напряжения на двухполюснике. На третьем этапе вычислительный блок 25 анализирует установившееся напряжение на выходе первой дифференцирующей цепи C19R20 и методом последовательного приближения устанавливает коэффициент K2, при котором напряжение на выходе цепи С19R20 приводится к нулю. При этом выполняется условие компенсации линейного напряжения на двухполюснике. И, наконец, на последнем, четвертом, этапе вычислительный блок 25 анализирует установившееся напряжение на выходе вычитающего блока 26 и устанавливает коэффициент К3, при котором напряжение на выходе блока 26 приводится к нулю. При этом осуществляется полная компенсация всех четырех составляющих напряжения на измеряемом двухполюснике.
Используя выражения (16), блок 25 вычисляет значения параметров цепи с измеряемым двухполюсником:

а затем и значения параметров самого двухполюсника.
Ниже приводятся формулы передаточных функций цепей с каждым из четырехэлементных двухполюсников и выражения, которые связывают параметры цепей H0, H1 Н2 и Н3 с номинальными значениями компонентов двухполюсников.
Двухполюсник R3-C4-R5-C6

Двухполюсник R7-L8-R9-L10

Двухполюсник R11-C12-R13-L14

Двухполюсник R15-L16-R17-C18

Источники информации
1. Передельский Г.И. Мостовые цепи с импульсным питанием. – М.: Энергоатомиздат, 1988.
2. Патент РФ 2310872, G01R 27/02. Способ определения параметров многоэлементных двухполюсных цепей / Н.Н.Хрисанов, опубл. 20.11.2007, Бюл. 32.
3. Патент РФ 2144195, G01R 17/10. Мостовой измеритель параметров многоэлементных пассивных двухполюсников / В.И.Иванов, Г.И.Передельский, опубл. 2000, Бюл. 1.
Формула изобретения
1. Способ измерения параметров многоэлементных пассивных двухполюсников основан на питании цепи последовательно соединенных образцового резистора и двухполюсника объекта измерения импульсами напряжения, изменяющегося по закону (n-1)-й степени времени, где n – число измеряемых параметров двухполюсника, и уравновешивании напряжения на двухполюснике компенсирующим напряжением, представляющим собой сумму импульсов напряжения, имеющих форму степенной функции времени с показателями степени от 0 до (n-1); составляющие компенсирующего напряжения с показателями степени от 0 до (n-2) формируются из импульсов напряжения генератора с помощью последовательно включенных (n-1) дифференцирующих RC-цепей; раздельное регулирование напряжений указанных импульсов осуществляется с помощью (n-1)-кратного дифференцирования сигнала разности напряжения на двухполюснике и компенсирующего напряжения, и по установленным значениям амплитуд импульсов компенсирующего напряжения производится отсчет параметров двухполюсника.
2. Устройство для измерения параметров многоэлементных пассивных двухполюсников содержит генератор последовательности импульсов напряжения кубичной формы, выход которого подключен к последовательно соединенным образцовому резистору и двухполюснику объекта измерения, при этом второй полюс двухполюсника заземлен; а также первый трехкаскадный дифференциатор, состоящий из трех последовательно включенных дифференцирующих RC-цепей, причем выход третьей RC-цепи первого трехкаскадного дифференциатора подключен к первому измерительному входу вычислительного блока, выход второй RC-цепи первого трехкаскадного дифференциатора подключен ко второму измерительному входу вычислительного блока, выход первой RC-цепи первого трехкаскадного дифференциатора подключен к третьему измерительному входу вычислительного блока, четвертый измерительный вход вычислительного блока соединен с входом первой RC-цепи первого трехкаскадного дифференциатора, отличающийся тем, что к выходу генератора подключен второй трехкаскадный дифференциатор, состоящий из трех последовательно соединенных дифференцирующих RC-цепей, выход генератора соединен с первым входом регулятора амплитуды импульсов напряжения кубичной формы, выход первой RC-цепи второго трехкаскадного дифференциатора соединен с первым входом регулятора амплитуды импульсов напряжения квадратичной формы, выход второй RC-цепи второго трехкаскадного дифференциатора соединен с первым входом регулятора амплитуды импульсов напряжения линейной формы, выход третьей RC-цепи второго трехкаскадного дифференциатора соединен с первым входом регулятора амплитуды прямоугольных импульсов напряжения, вторые входы регуляторов амплитуд импульсов напряжения соединены с выходами вычислительного блока, управляющего значениями коэффициентов передачи каждого из упомянутых регуляторов соответственно, выходы регуляторов соединены с входами суммирующего блока, выход которого подключен к инвертирующему входу вычитающего блока, неинвертирующий вход вычитающего блока соединен с общей точкой соединения образцового резистора и двухполюсника объекта измерения, к выходу вычитающего блока подключен вход первой RC-цепи первого трехкаскадного дифференциатора.
3. Устройство по п.2, отличающееся тем, что для достижения требуемой точности дифференцирования в первом и втором дифференциаторах RC-цепи имеют одинаковые постоянные времени, но в каждой из цепей применяются переменные значения сопротивления резистора и емкости конденсатора: в первой RC-цепи емкость имеет наибольшее значение, сопротивление – наименьшее, а в третьей RC-цепи наоборот.
4. Устройство по п.2, отличающееся тем, что двухполюсник объекта измерения RC типа состоит из первого резистора, параллельно которому включены последовательно соединенные первый конденсатор и второй резистор, параллельно с которым соединен второй конденсатор.
5. Устройство по п.2, отличающееся тем, что двухполюсник объекта измерения RL типа состоит из последовательно соединенных первого резистора и первой катушки индуктивности, параллельно которой включены последовательно соединенные второй резистор и вторая катушка индуктивности.
6. Устройство по п.2, отличающееся тем, что двухполюсник объекта измерения RCL типа состоит из первого резистора, параллельно которому включены последовательно соединенные конденсатор, второй резистор и катушка индуктивности.
7. Устройство по п.2, отличающееся тем, что двухполюсник объекта измерения RLC-типа состоит из первого резистора, последовательно с которым включены параллельно соединенные катушка индуктивности, второй резистор и конденсатор.
РИСУНКИ
|