|
| На основании пункта 1 статьи 1366 части четвертой Гражданского кодекса Российской Федерации патентообладатель обязуется заключить договор об отчуждении патента на условиях, соответствующих установившейся практике, с любым гражданином Российской Федерации или российским юридическим лицом, кто первым изъявил такое желание и уведомил об этом патентообладателя и федеральный орган исполнительной власти по интеллектуальной собственности. |
|
(21), (22) Заявка: 2009109521/11, 16.03.2009
(24) Дата начала отсчета срока действия патента:
16.03.2009
(46) Опубликовано: 27.05.2010
(56) Список документов, цитированных в отчете о поиске:
RU 2007109504 А, 20.09.2008. SU 419660 A1, 20.09.1974. SU 486233 A, 30.06.1983. EP 0526689 A1, 10.02.1993. GB 1185924 A, 25.03.1970.
Адрес для переписки:
355003, г.Ставрополь, ул. Ленина, 347, кв.23, Ю.М. Тебенко
|
(72) Автор(ы):
Тебенко Юрий Михайлович (RU), Землянушнова Надежда Юрьевна (RU), Землянушнов Никита Андреевич (RU)
(73) Патентообладатель(и):
Тебенко Юрий Михайлович (RU)
|
(54) УСТРОЙСТВО ДЛЯ КОНТАКТНОГО ЗАНЕВОЛИВАНИЯ ПРУЖИН
(57) Реферат:
Изобретение относится к области изготовления и испытания пружин. Устройство содержит стакан для установки в нем вкладышей и между ними испытуемой пружины и пуансон. Пуансон выполнен с шаровой поверхностью, контактирующей с шаровой поверхностью верхнего вкладыша. Верхний вкладыш установлен с возможностью вращения относительно оси стакана, перемещения вдоль оси стакана и возможностью отклонения своей оси от оси пуансона. Верхний вкладыш прикреплен к пуансону винтом с шайбой. Нижний вкладыш жестко связан с неподвижным стаканом. Достигается упрощение конструкции, снижение числа конструктивных элементов. 2 з.п. ф-лы, 1 ил.
Изобретение относится к области изготовления и испытания пружин, а именно к устройствам для повышения несущей способности и рабочих характеристик пружин, и может быть применено в отраслях промышленности, изготавливающих и применяющих пружины – на предприятиях ВПК, машиностроения, авиастроения, автомобильной промышленности, сельхозмашиностроения.
Известны устройства для контактного заневоливания пружин, описанные в авторских свидетельствах СССР  198747, 348792, 419660, 486233, 643684, 815346, 825253, пат. RU 2251036, пат. RU 2251037, пат. RU 2286556, пат. RU 2296968. Известно также устройство по заявке 2007109504 [12, с.72 73].
Наиболее близким являются устройство по заявке 2007109504, содержащее стакан для установки в нем вкладышей и между ними испытуемой пружины, пуансон с шаровой поверхностью, контактирующей с шаровой поверхностью верхнего вкладыша, нижний вкладыш, причем нижний вкладыш установлен с возможностью вращения относительно оси стакана, а верхний – с возможностями такого вращения и перемещения вдоль оси стакана и возможностью отклонения своей оси от оси пуансона, отличающееся тем, что внутренний диаметр стакана выполнен размером в пределах от диаметра сжатой пружины до диаметра навитой пружины, а на торцах вкладышей выполнены поверхности с упором глубиной не менее чем на высоту витка пружины и повторяющие профиль торцов крайних витков пружины для использования торцевого момента пружины при заневоливании. При приложении нагрузок контактного заневоливания (10 300F3, где F3 – сила пружины при максимальной деформации) происходит выбор зазора между витками и сжатие витков по линии их контакта между собой, в результате чего пружина, взаимодействуя с внутренним диаметром стакана и упорами вкладышей, изменяет кривизну витка, отчего пружина раскручивается от возникающего торцевого момента. Если возникающие силы трения между пуансоном, плитой пресса и соответствующими вкладышами стакана не превышают торцевой момент пружины, вкладыши проворачиваются, витки соприкасаются между собой и с внутренним диаметром стакана, после чего производят процесс пластического упрочнения витков пружины осевыми усилиями 10 300F3. Названное устройство совместно со способом заневоливания по а.с. 486233 были успешно апробированы заявителем при изготовлении части месячной программы пружин 5-7К гидрооткатника полуавтоматической пушки 2А28 изделия БМП-1 [12, с.98 125]. Однако имеются пружины, имеющие чрезмерную жесткость, отчего сил трения бывает недостаточно для придания пружине правильной геометрической формы при контактном заневоливании раскручиванием ее до соприкосновения витков с внутренним диаметром стакана и с контактирующими поверхностями и упорами вкладышей возникающим торцовым моментом – появляется брак по геометрическим параметрам [12]. Таких пружин становится все больше из-за постоянного увеличения силы заряда снарядов и невозможности увеличения места для размещения увеличенных пружин в эксплуатируемых или непомерного увеличения места в проектируемых изделиях – потребность в применении контактного заневоливания для повышения несущей способности пружин выявилась еще в 60-х годах прошлого столетия. Примером является пружина откатника «дет.02-350» гладкоствольной 115-мм танковой пушки 2А20, спроектированная с отступлением от требований ГОСТ 13764-86 по величине касательных напряжений в витках при максимальном сжатии из-за малых размеров отведенного места и все же имеющая чрезмерную осадку при эксплуатации.
Технической задачей изобретения является устранение указанных недостатков прототипа.
Технический результат достигается за счет новых элементов и новых связей элементов устройства для контактного заневоливания пружин, а именно: устройство содержит стакан для установки в нем вкладышей и между ними испытуемой пружины, пуансон с прикрепленным винтом со шлицами верхним вкладышем и с шаровой поверхностью, контактирующей с шаровой поверхностью верхнего вкладыша, в центральном отверстии которого имеются шлицевые пазы и размещены подпружиненные чередующиеся фрикционные диски, соединенные соответственно при помощи шлицев с шлицевыми пазами вкладыша и шлицевыми пазами винта пуансона, причем верхний вкладыш установлен с возможностью вращения и перемещения вдоль оси стакана и возможностью отклонения своей оси от оси пуансона, нижний вкладыш, выполненные на торцах вкладышей глубиной не менее чем на высоту витка пружины поверхности с упором, повторяющие профиль торцов крайних витков пружины, а внутренний диаметр стакана выполнен размером в пределах от диаметра сжатой пружины до диаметра навитой пружины, причем нижний вкладыш жестко связан с неподвижным стаканом.
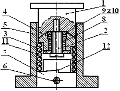
На чертеже представлено предлагаемое устройство, которое состоит из пуансона 1, прикрепленного к нему винтом 2 с нарезанными на нем шлицевыми пазами и шайбой 3 верхнего вкладыша 4, имеющего сферическую поверхность, сопрягаемую со сферической поверхностью пуансона 1, стакана 5 с жестко закрепленным к нему штифтом 6 или иным способом нижним вкладышем 7. Во вкладыше 1, имеющем шлицевые пазы, размещены подпружиненные пружиной 8 фрикционные диски 9 и 10, взаимодействующие соответственно со шлицевыми пазами вкладыша и шлицевыми пазами винта 2. При этом пуансон 1 прикреплен к верхней подвижной плите пресса, стакан 5 прикреплен к нижней неподвижной плите пресса. Заневоливаемая пружина 11 расположена в стакане 5 между сопрягаемыми с ней поверхностями обоих вкладышей и контактирует торцами витков с упорами 12 обоих вкладышей.
Работает устройство следующим образом. Устройство устанавливают на неподвижный стол пресса, пуансон 1 закрепляют к верхней подвижной плите пресса, а стакан 5 закрепляют к нижней неподвижной плите пресса. При опускании пуансона 1 пружина 11 сжимается и изменяет кривизну витка. От этого возникает торцевой момент, и пружина раскручивается, взаимодействуя с внутренним диаметром стакана и с поверхностями и упорами вкладышей, контактирующими с торцами пружины. При этом пружина 8 подбирается таким образом, чтобы сила фрикционных дисков препятствовала повороту вкладыша 4 при сжатии пружины 11 силой F3. Затем дополнительным усилием пресса производят сжатие витков пружины осевой силой 10 300F3, т.е. производят контактное заневоливание пружины 11. При этом торцевой момент пружины от контактного заневоливания превысит момент сопротивления подпружиненных фрикционных дисков, расположенных во вкладыше 4, и последний повернется на необходимый для компенсации торцевого момента угол, обеспечивая в то же время контакт заневоливаемой пружины со стаканом и с контактирующими поверхностями и упорами вкладышей 4 и 7. После требуемой выдержки снимают нагрузку, поднимают пуансон 1, вынимают заневоленную пружину 11.
При использовании способа [4] и предложенного устройства пружине придается правильная геометрическая форма ее раскручиванием возникающим торцовым моментом при сжатии пружины. При этом витки пружины контактируют с внутренним диаметром стакана и с упором и торцовыми поверхностями вкладышей, которые выполнены по форме торца витка пружины. Благодаря наличию шаровой поверхности на пуансоне и верхнем вкладыше усилие пресса равномерно распределится по диаметру пружины.
Преимущество заявленного устройства относительно известных заключается в простоте конструкции и минимально необходимом количестве простых элементов, что позволяет считать его экономичным в изготовлении и эксплуатации в условиях опытного и серийного производства, характерного для предприятий ВПК.
Источники информации
1. А.с. 198747 СССР, Кл. 42k, 25, М.Кл. G01M. Приспособление для контактного заневоливания пружин / Крюков Б.Н. – 813750/25-28; заявл. 10.01.1963; опубл. 24.08.1967, Бюл. 14. – 2 с.
2. А.с. 348792 СССР, М.Кл. F16F 1/00. Устройство для контактного заневоливания пружин / Тебенко Ю.М. – 1318771/25-28; заявл. 07.04.69; опубл. 23.08.72, Бюл. 25. – 2 с.
3. А.с. 419660 СССР, МПК F16F 1/00. Устройство для контактного заневоливания пружин / Тебенко Ю.М. – 1857065/25-27; заявл. 15.12.72; опубл. 15.03.74, Бюл. 10. – 3 с.
4. А.с. 486233 А СССР, М.Кл. G01М 13/00, В21F 35/00. Способ заневоливания пружин в обойме / Тебенко Ю.М. – 1935961/22-02; заявл. 26.06.1973; опубл. 30.06.1983, Бюл. 24. – 2 с.
5. А.с. 634684 СССР, М.Кл. F16F 1/04. Устройство для контактного заневоливания пружин / Крюков Б.Н., Вишнев М.И., Вендров И.Я. – 2443609/25-28; заявл. 19.01.1977; опубл. 25.01.1979, Бюл. 3. – 2 с.
6. А.с. 815346 СССР, М.Кл.3 F16F 1/04. Устройство для заневоливания пружин / Тебенко Ю.М. – 2743747/25-28; заявл. 30.03.79; опубл. 23.03.81, Бюл. 11. – 3 с.
7. А.с. 825253 СССР, М.Кл.3 В21F 35/00, F16F 01/ 00. Устройство для заневоливания пружин / Тебенко Ю.М. – 2822172/25-12; заявл. 06.08.79; опубл. 30.04.81, Бюл. 16. – 3 с.
8. Пат. RU 2251036 С1, МПК F16F 1/04, В21F 35/00. Устройство для контактного заневоливания пружин / Землянушнова Н.Ю. – 2003130451/11; заявл. 14.10.03; опубл. 27.04.05, Бюл. 12. – 3 с.
9. Пат. RU 2251037 C1, МПК F16F 1/04, В21F 35/00. Устройство для контактного заневоливания пружин / Землянушнова Н.Ю. – 2003130491/11; заявл. 15.10.03; опубл. 27.04.05, Бюл. 12. – 3 с.
10. Пат. RU 2286556 C1, МПК G01М 13/00, F16F 1/04. Устройство для контактного заневоливания пружин / Землянушнова Н.Ю. – 2005108794/28; заявл. 28.03.2005; опубл. 27.10.2006, Бюл. 30. – 4 с.
11. Пат. RU 2296968 С2, МПК G01М 13/00, В21F 35/00. Устройство для контактного заневоливания пружин / Землянушнова Н.Ю. – 2005108799/28; заявл. 28.03.2005; опубл. 10.04.2007, Бюл. 10. – 5 с.
12. Тебенко Ю.М. Проблемы производства высокоскоростных пружин и пути их решения. Монография. – Ставрополь: ООО «Мир данных», 2007, – 152 с.
Формула изобретения
1. Устройство для контактного заневоливания пружин, содержащее стакан для установки в нем вкладышей и между ними испытуемой пружины, пуансон с шаровой поверхностью, контактирующей с шаровой поверхностью верхнего вкладыша, нижний вкладыш, причем верхний вкладыш установлен с возможностью вращения относительно оси стакана и перемещения вдоль оси стакана и с возможностью отклонения своей оси от оси пуансона, отличающееся тем, что нижний вкладыш жестко связан с неподвижным стаканом, а верхний вкладыш прикреплен к пуансону винтом с шайбой.
2. Устройство по п.1, отличающееся тем, что на винте пуансона и в центральном отверстии верхнего вкладыша имеются шлицевые пазы и между ними размещены подпружиненные чередующиеся фрикционные диски, соединенные соответственно при помощи шлицев со шлицевыми пазами винта пуансона и шлицевыми пазами верхнего вкладыша.
3. Устройство по п.1 или 2, отличающееся тем, что внутренний диаметр стакана выполнен размером в пределах от диаметра сжатой пружины до диаметра навитой пружины, а на торцах вкладышей выполнены поверхности с упором глубиной не менее чем на высоту витка пружины и повторяющие профиль торцов крайних витков пружины для придания ей правильной геометрической формы при заневоливании раскручиванием пружины возникающим торцовым моментом при ее сжатии.
РИСУНКИ
|
|