|
| На основании пункта 1 статьи 1366 части четвертой Гражданского кодекса Российской Федерации патентообладатель обязуется заключить договор об отчуждении патента на условиях, соответствующих установившейся практике, с любым гражданином Российской Федерации или российским юридическим лицом, кто первым изъявил такое желание и уведомил об этом патентообладателя и федеральный орган исполнительной власти по интеллектуальной собственности. |
|
(21), (22) Заявка: 2008145358/03, 17.11.2008
(24) Дата начала отсчета срока действия патента:
17.11.2008
(46) Опубликовано: 27.05.2010
(56) Список документов, цитированных в отчете о поиске:
Тамразян А.Г. и др. Теоретико-экспериментальные исследования сверхкритических технологий (СК технологий) для строительных материалов (бетонов). Этапы 2-4 Договор N 21-С/04, Строительная наука, 19.01.2006, найдено в Internete-htW/www.stroinaiika.ru/d18dr5515m5.html 18.05.2009. US 2001/0023655 A1, 27.09.2001. US 5518540 A, 21.05.1996. RU 2263004 C2, 27.10.2005. RU 2271850 C2, 20.03.2006.
Адрес для переписки:
104104, Волгоградская обл., г. Волжский, ул. Химиков, 12, кв.63, А.А. Брункину
|
(72) Автор(ы):
Брункин Алексей Андреевич (RU)
(73) Патентообладатель(и):
Брункин Алексей Андреевич (RU)
|
(54) СПОСОБ ОБРАБОТКИ БЕТОННОЙ СМЕСИ И УСТРОЙСТВО ДЛЯ ЕГО ПРОВЕДЕНИЯ
(57) Реферат:
Изобретение относится к области строительства, а именно к способам обработки бетонной смеси и к устройствам для его проведения в среде суб- и сверхкритического диоксида углерода. Изобретение позволит повысить прочность, долговечность, износостойкость и морозостойкость теплоизоляционных и конструкционных изделий. Способ непрерывной обработки бетонной смеси на основе вяжущего, заполнителя включает подачу компонентов бетонной смеси, ее перемешивание, разогрев и выгрузку. Подачу потоков бетонной смеси и диоксида углерода осуществляют раздельно. Поток диоксида углерода подают со суб- и сверхкритическим давлением. Нагревают поток диоксида углерода до суб- и сверхкритической температуры. Объединяют потоки бетонной смеси и сверхкритического диоксида углерода в струйном смесителе. В трубчатом реакторе резко снижают линейную скорость бетонной смеси и во внутренней полости трубчатого реактора осуществляют ее карбонизацию. Удаляют летучие компоненты за счет дросселирования потока бетонной смеси через редуцирующее устройство в испарительный сепаратор с меньшим давлением. Одновременно степенью открытия редуцирующего устройства регулируют необходимое суб- и сверхкритическое давление диоксида углерода во внутренней полости трубчатого реактора. Полученная дегазированная бетонная смесь из испарительного сепаратора заливается в форму. 2 н. и 23 з.п. ф-лы. 1 ил.
Область техники
Изобретение относится к способу обработки бетонной смеси и к устройству для его проведения в среде суб- и сверхкритического диоксида углерода и может найти применение в промышленности строительных материалов при получении теплоизоляционных и конструкционных изделий для надземных, подземных и гидротехнических сооружений.
Уровень техники
Известны способы послойной укладки бетонных смесей различных составов в форму “лицом вниз” при получении слоистых изделий (SU 2017908 С1, Е04С 2/06, 15.08.1994 и RU 2194133 С1, Е04С 2/24, 10.12.2002). Недостатки заключаются в низкой прочности и морозостойкости полученных бетонных изделий.
Известен способ изготовления бетонных изделий RU 2114091 19.12.1996, согласно которому карбонизацию отформованных затвердевающих изделий производят газами, выделяющимися при смешении заполнителей с кислотами типа соляная, серная, азотная, уксусная, фтористая. Недостатки заключаются в проведении дополнительных операций по смешению заполнителей с кислотами и улавливанию образующихся газов.
Известен способ приготовления бетонной смеси RU 2270091 12.11.2003, который заключается в предварительном перемешивании карбонатосодержащих заполнителей с цементом и минеральной соляной кислотой, затем в последующем перемешивании полученного продукта с остальными компонентами смеси. Недостатки заключаются в образовании углекислого газа, выделяющегося в окружающую среду, что снижает экологическую обстановку и ухудшает условия труда работающих.
Известно устройство для приготовления газобетонной смеси RU 2000120053 31.07.2000, согласно которому в первой камере осуществляют электроразогрев бетонной смеси с одновременным воздействием горизонтально направленных виброимпульсов таким образом, что его ось вращения параллельна продольной оси камеры устройства, далее бетонную смесь перемещают во вторую камеру устройства, в которой осуществляют дополнительное перемешивание под воздействием круговых вертикальных виброимпульсов, при этом сечение второй камеры на 20-25% больше сечения первой камеры. Недостатки заключаются в необходимости дополнительных устройств для создания электродных потенциалов и виброимпульсов.
Известен способ обработки бетонной смеси RU 2000118978, который заключается в подаче бетонной смеси в зону разогрева корпуса-трубы, виброэлектроразогреве при одновременном ударном воздействии и перемещении смеси тонким вибродвижущимся слоем толщиной не более 10 см при возрастающем давлении от 0,05 атм в начале зоны разогрева до 2 атм в конце ее с последующим сбросом давления до атмосферного в пароионной зоне. Недостатки заключаются в необходимости дополнительного устройства для создания электродных потенциалов.
Известен способ обработки бетонной смеси RU 2133194, который заключается в разогреве бетонной смеси электрическим током до 70-100°С и вибрировании, при этом одновременно с разогревом и вибрированием бетонную смесь подвергают воздействию избыточного давления до 0,01-0,02 МПа. Недостатки заключаются в необходимости дополнительного устройства для создания электродных потенциалов и виброимпульсов.
Наиболее близким аналогом изобретения является установка для приготовления, транспортировки и силового инерционного уплотнения бетонной смеси под сверхвысоким давлением RU 2006110090 30.03.06, которая заключается в нанесении бетонной смеси на строительные конструкции под сверхвысоким давлением 1,4-2,5 МПа и со скоростью 120-200 м/с на выходе из форсунки. Недостатки заключаются в сложности конструктивного оформления технологической схемы и недостаточной прочности полученных изделий.
Сущность изобретения
Технической задачей изобретения является описание способа обработки бетонной смеси и устройства для его проведения в среде суб- и сверхкритического диоксида углерода.
Технический результат, достигаемый изобретением, заключается в повышении прочности, долговечности, износостойкости и морозостойкости теплоизоляционных и конструкционных изделий. Предложенные технологические и технические решения обработки бетонной смеси позволят снизить водоцементное отношение, расход цемента, улучшить удобоукладываемость, водонепроницаемость и уменьшить усадку бетонной смеси. Устройство для обработки бетонной смеси обеспечивает возможность создания непрерывно действующей установки с высоким уровнем управляемости и устойчивости всех заданных параметров процесса. Технический результат достигается тем, что скоростное смешение потока бетонной смеси на основе вяжущего, заполнителя и модифицирующей добавки в среде суб- и сверхкритического диоксида углерода создает условия для проведения ускоренной карбонизации во всей массе бетонной смеси.
Диоксид углерода превращается в сверхкритический флюид при давлении более 7,3 МПа и температуре более 31°С. Высокая скорость переноса сверхкритического диоксида углерода обусловлена его низкой вязкостью, высокой проницающей способностью и растворимостью на порядок больше традиционных растворителей. При расширении сверхкритический диоксид углерода диффундирует в малейшие поры как газ, с другой стороны, из-за того, что сверхкритический диоксид углерода обладает высокой плотностью как у жидкости, он может растворять многие вещества и уносить их.
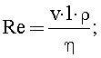
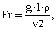
Для ускоренной карбонизации бетонной смеси диоксид углерода переводят в суб- и сверхкритическое состояние, для чего диоксид углерода сжимают до суб- и сверхкритического давления и нагревают до суб- и сверхкритической температуры. Объединение предварительно подогретых потоков бетонной смеси и суб- и сверхкритического диоксида углерода в струйном смесителе при турбулентном режиме движения частиц позволяет значительно интенсифицировать взаимодействие цемента с водой, повысить однородность бетонной смеси, разрушить слипшиеся комки цемента и оболочки из новообразований на поверхности цементных зерен. В гидродинамике зернистых материалов при оценке условий движения частиц исходят из величины коэффициента сопротивления, являющегося функцией критерия Рейнольдса.
Процесс перемешивания с точки зрения гидродинамики может быть сведен к внешнему обтеканию тел потоком жидкости. При медленном движении твердого тела в вязкой жидкости оно преодолевает только силы трения, с возрастанием скорости приобретают значение силы инерции. Энергия, затрачиваемая на вихреобразование и трение, пропорциональна сопротивлению движения частиц. В общем виде закон сопротивления среды при перемешивании может быть выражен критериальным уравнением следующего вида:
 
где g – ускорение силы тяжести;
l – геометрический размер;
v – скорость движения;
– плотность;
– динамическая вязкость.
Из этого следует, что процесс перемешивания существенно ускоряется при уменьшении динамической вязкости и сил трения между частицами. Этим объясняется повышение эффективности при увеличении относительной скорости движения частиц и их градиента, что достигается увеличением скорости потоков.
Известно, что при твердении цемента химически соединяется с цементом только 15-20% количества воды по отношению к весу цемента. Но в состав бетонной смеси приходится вводить в пределах 45-65% воды для придания бетонной смеси удобоукладываемого состояния для образования подвижного цементного теста, которое смазывает поверхность песка и каменных материалов. Избыточное количество воды затворения отрицательно влияет на капиллярную пористость бетона, раздвигает частицы песка и каменных материалов в составе бетона и увеличивает объем пустот. Излишек воды по сравнению с количеством, необходимым для химических реакций, разбавляет цементный клей и понижает его прочность, что также уменьшает и плотность бетона.
В предлагаемом способе обработки бетонной смеси карбонизация происходит в среде суб- и сверхкритического диоксида углерода по всей ее массе и достигает химически стабильного условия примерно за две минуты. Химически этот процесс конвертирует гидроксид цемента в карбонат с водой в качестве побочного продукта. В естественных условиях эта химическая реакция тоже происходит, но это может занять тысячи лет.
В сверхкритическом состоянии плотность диоксида углерода достаточна для того, чтобы растворять до 10-12% воды. При карбонизации сверхкритический диоксид углерода экстрагирует молекулы воды из цементной матрицы, что уменьшает количество структурированной адсорбционно-связанной воды. Рабочая схема установки позволяет многократно пропускать через рабочий объем фиксированное количество газа, одновременно освобождая его от экстрагируемой из бетона воды.
На начальной стадии твердения продукты гидратации в основном состоят из геля, который не препятствует усадке. По окончании индукционного периода происходит интенсивное структурообразование, при этом промежуток времени между индукционным периодом и его переходом в кристаллизационную фазу, соответствующий схватыванию вяжущего, значительно меньше, чем для теста на исходном портландцементе, что свидетельствует о высокой интенсивности роста прочности цементного камня и бетонов. В полученных бетонных изделиях в 1,5-2 раза быстрее происходит процесс закрепления полученного фазового состава бетона в естественных условиях и предотвращение развития деструктивных процессов в твердеющем бетоне без дополнительной тепловой обработки и уплотнения.
Возможно применение данного способа обработки бетонной смеси для получения плотных, поризованных, ячеистых и крупнопористых бетонов на основе одновременного использования в изделии двух и более различных модифицирующих добавок. В качестве заполнителя рекомендуется использовать строительный песок или минеральные кремнесодержащие отходы производства с крупностью зерен размером 0-5 мм.
Поскольку сверхкритический диоксид углерода легко растворяет многие вещества, с его помощью можно вносить различные растворенные вещества в толщу бетонной смеси, получая, например, новые композиционные материалы: гибрид бетона с полимером, латексом, битумной эмульсией и т.д. Ипрегнированные полимерами структуры лучше способны сопротивляться удару и силам воздействия и могли бы быть полезными для ряда новых строительных материалов, начиная с дорожных ограждений, зданий и заканчивая автомобильными корпусами. Обработанный бетон имеет низкое количество пор в матрице, в которой нет седиментации твердых компонентов, при этом глубина гидратации частиц вяжущего в затвердевшем микробетоне выше, чем у бетона, полученного при обычных условиях твердения. Новый метод обработки позволит получить упругий материал с высокими эксплуатационными качествами, увеличить его химическую устойчивость и удлинить срок службы изделий, по меньшей мере, в два раза.
Предлагаемый способ обработки бетонной смеси в прямоточном трубчатом реакторе в среде суб- и сверхкритического диоксида углерода и устройство для его проведения имеет несколько отличительных существенных признаков (конструктивных особенностей):
– осуществляют раздельную подачу потока бетонной смеси, потока диоксида углерода и необязательно потока модифицирующей добавки средствами подачи (1,2), способными устанавливать суб- и сверхкритическое давление диоксида углерода;
– затем нагревают указанный поток диоксида углерода средством нагрева (4), соединенным линией со средством подачи (2) потока диоксида углерода, также нагревают указанный поток бетонной смеси средством нагрева (3), соединенным линией со средством подачи (1) потока бетонной смеси и необязательно нагревают указанный поток модифицирующей добавки, таким образом, чтобы после их совместного объединения в трубчатом реакторе (6) установилась суб- и сверхкритическая температура диоксида углерода, при этом нагрев указанных потоков производится преимущественно с использованием наружного теплообмена или воздействием электрического поля;
– затем объединяют указанный поток бетонной смеси, указанный поток суб- и сверхкритического диоксида углерода и необязательно поток модифицирующей добавки в струйном смесителе (5), с обеспечением в нем линейной скорости, равной 2-200 м/с, предпочтительно 4-100 м/с, причем период времени, в течение которого происходит объединение, по существу составляет менее чем 0,1 с, предпочтительно менее чем 0,01 с;
– струйный смеситель (5) выполнен по существу в виде цилиндрической трубы, которая имеет длину не менее пяти эквивалентных диаметров, имеющую, по меньшей мере, два впускных отверстия для потока бетонной смеси, потока диоксида углерода и необязательно потока модифицирующей добавки, соединенные соответствующими линиями со средствами нагрева (3, 4) указанных потоков, и одно выпускное отверстие, соединенное с внутренней полостью трубчатого реактора (6), причем впускное отверстие для потока диоксида углерода в цилиндрической трубе струйного смесителя (5) расположено осесимметрично по отношению к впускному отверстию для потока бетонной смеси, также по меньшей мере начальная часть цилиндрической трубы струйного смесителя (5) выполнена с внутренними неровностями, также по меньшей мере часть цилиндрической трубы выпускного отверстия находится во внутренней полости трубчатого реактора (6), причем ось указанной цилиндрической трубы совпадает с осью трубчатого реактора (6), и также цилиндрическая труба струйного смесителя (5) заканчивается расширяющимся диффузором;
– затем в прямоточном трубчатом реакторе (6) резко снижают линейную скорость указанной бетонной смеси до 0,01-10 м/с, предпочтительно до 0,02-0,05 м/с, и во внутренней полости трубчатого реактора (6) осуществляют ее карбонизацию, причем период времени, в течение которого осуществляют указанную карбонизацию по существу составляет менее чем 120 с, предпочтительно менее чем 60 с, особенно предпочтительно менее чем 10 с;
– трубчатый реактор (6), выполненный по существу в виде цилиндрического полого корпуса высокого давления без внутренних устройств, расстояние между поверхностями которого не превышает 150 мм, закрытый с одного торца крышкой, через которую пропущена цилиндрическая труба струйного смесителя (5), а с другого торца закрытый днищем, имеющим выпускное отверстие, при этом трубчатый реактор (6) содержит измерительное средство для контроля температуры и измерительное средство для контроля давления и средство регулирования редуцирующего устройства (7), функционально связанное с измерительным средством для контроля давления и редуцирующим устройством (7);
– затем удаляют из бетонной смеси по существу все летучие компоненты за счет резкого расширения указанной бетонной смеси в испарительном сепараторе (8) с меньшим давлением, в котором происходит снижение температуры указанной бетонной смеси, причем ее резкое расширение осуществляют путем дросселирования указанной бетонной смеси через редуцирующее устройство (7), которое одновременно поддерживает необходимое суб- и сверхкритическое давление диоксида углерода во внутренней полости трубчатого реактора (6);
– в качестве редуцирующего устройства (7) используют регулирующую форсунку или регулирующий вентиль, или регулирующий клапан, соединенный линией с выпускным отверстием трубчатого реактора (6), при этом редуцирующее устройство (7) выполнено с углом конуса струи в пределах примерно от 30 до 180°, предпочтительно от 50 до 100°;
– с целью содействовать удалению летучих компонентов из испарительного сепаратора (8) перед редуцирующим устройством (7) к потоку бетонной смеси добавляют поток диоксида углерода, необязательно находящегося в суб- и сверхкритическом состоянии, в соотношении примерно от 1:0,2 до 1:5, предпочтительно от 1:0,5 до 1:2, причем указанный поток диоксида углерода рециркулируют.
Краткое описание чертежей
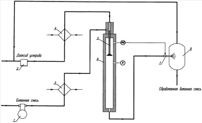
Изобретение раскрывается в технологической схеме способа обработки бетонной смеси в среде суб- и сверхкритического диоксида углерода. Технологическая схема для обработки бетонной смеси содержит средства подачи (1) и средства нагрева (3) потока бетонной смеси, средства подачи (2) и средства нагрева (4) потока диоксида углерода, струйный смеситель (5), трубчатый реактор (6), редуцирующее устройство (7) и испарительный сепаратор (8). Основным конструктивным элементом является трубчатый реактор (6), имеющий вид цилиндрического корпуса, закрытый с торцов крышкой и днищем. На крышке трубчатого реактора (6) установлен струйный смеситель (5), содержащий цилиндрическую трубу, имеющую два впускных отверстия, соединенные соответствующими линиями со средствами нагрева (3,4) потоков бетонной смеси и диоксида углерода, и одно выпускное отверстие, соединенное с внутренней полостью трубчатого реактора (6). Трубчатый реактор (6) содержит также измерительные средства для контроля температуры и давления.
Осуществление изобретения
Бетонную смесь подают насосом (1) с расходом 0,5 т/ч в теплообменник (3), где происходит его нагрев до температуры 75-90°С. Диоксид углерода подают компрессором высокого давления (2) с расходом 1,3 т/ч в теплообменник (4), где происходит его нагрев до температуры 60-80°С. Дополнительно возможна раздельная подача модифицирующего вещества (полимера или красителя). Далее подогретые потоки совместно объединяют в струйном смесителе (5), после чего полученная смесь поступает в трубчатый реактор (6).
В трубчатом реакторе (6) линейная скорость бетонной смеси мгновенно снижается и в среде суб- и сверхкритического диоксида углерода осуществляется ее карбонизация. Давление во внутренней полости реактора (6) в пределах 9-1,2 МПа поддерживают редуцирующим устройством (7), степень открытия которого определяется измерительным средством контроля давления трубчатого реактора (6). После редуцирующего устройства (7) поток смеси дросселируется в испарительный сепаратор (8) с меньшим давлением, где происходит удаление летучих компонентов. Далее из летучих компонентов отделяют двуокись углерода и возвращают его в рецикл. Полученная дегазированная бетонная смесь из испарительного сепаратора (8) заливается в форму.
Формула изобретения
1. Способ непрерывной обработки бетонной смеси на основе вяжущего, заполнителя и модифицирующей добавки, включающим подачу бетонной смеси, ее перемешивание, разогрев и выгрузку, отличающийся тем, что сначала: а) осуществляют раздельную подачу потока бетонной смеси на основе вяжущего и заполнителя, потока диоксида углерода и необязательно потока модифицирующей добавки, причем указанные потоки подают со суб- и сверхкритическим давлением диоксида углерода, затем б) осуществляют нагрев указанного потока бетонной смеси, указанного потока диоксида углерода и необязательно указанного потока модифицирующей добавки до суб- и сверхкритической температуры диоксида углерода, затем в) объединяют указанный поток бетонной смеси, указанный поток суб- и сверхкритического диоксида углерода и необязательно указанный поток модифицирующей добавки в струйном смесителе (5), с обеспечением в нем линейной скорости 2-200 м/с, предпочтительно 4-100 м/с, причем период времени, в течение которого происходит объединение, по существу, составляет менее чем 0,1 с, предпочтительно менее чем 0,01 с, затем, г) в прямоточном трубчатом реакторе (6) резко снижают линейную скорость указанной бетонной смеси до 0,01-10 м/с, предпочтительно до 0,02-0,05 м/с, и во внутренней полости трубчатого реактора (6) в среде суб- и сверхкритического углерода осуществляют карбонизацию бетонной смеси, причем период времени в течение которого осуществляют указанную карбонизацию, по существу, составляет менее чем 120 с, предпочтительно менее чем 60 с, особенно предпочтительно менее чем 10 с, и затем д) удаляют из указанной бетонной смеси, по существу, все летучие компоненты за счет резкого расширения указанной бетонной смеси в испарительном сепараторе (8), в котором происходит снижение температуры указанной бетонной смеси, причем резкое расширение осуществляют путем дросселирования указанной бетонной смеси через редуцирующее устройство (7), которое одновременно поддерживает необходимое суб- и сверхкритическое давление диоксида углерода во внутренней полости трубчатого реактора (6).
2. Способ по п.1, в котором модифицирующие добавки используют для окрашивания или внедрения в бетонную смесь.
3. Способ по п.1, в котором поток диоксида углерода нагревают до температуры более 32,5°С, предпочтительно более 60°С и особенно предпочтительно более 70°С.
4. Способ по п.1, в котором потоки бетонной смеси и диоксида углерода нагревают с использованием наружного теплообмена или воздействием электрического поля.
5. Способ по п.1, в котором суб- и сверхкритическое давление диоксида углерода во внутренней полости трубчатого реактора (6) более 7,3 МПа, предпочтительно более 8 МПа, особенно предпочтительно более 9МПа.
6. Способ по п.1, в котором температура карбонизации бетонной смеси в среде суб- и сверхкритического диоксида углерода более 32,5°С, предпочтительно более 60°С, особенно предпочтительно более 70°С.
7. Способ по п.1, в котором перед редуцирующим устройством (7) к потоку бетонной смеси добавляют поток диоксида углерода, необязательно находящегося в суб- и сверхкритическом состоянии, в соотношении примерно от 1:0,2 до 1:5, предпочтительно от 1:0,5 до 1:2.
8. Способ по п.1, в котором дросселирование бетонной смеси осуществляют непосредственно на строительные конструкции.
9. Способ по п.1, в котором давление в испарительном сепараторе (8) меньше суб- и сверхкритического давления диоксида углерода, предпочтительно равно атмосферному давлению, особенно предпочтительно ниже атмосферного давления.
10. Способ по п.1, в котором температура в испарительном сепараторе (8) составляет менее 70°С, предпочтительно менее 60°С, и особенно предпочтительно менее 50°С.
11. Способ по п.1, в котором испарительный сепаратор (8) дополнительно охлаждают.
12. Способ по п.1, в котором в испарительный сепаратор (8) дополнительно дозируют поток заполнителя.
13. Способ по п.1, в котором поток диоксида углерода рециркулируют.
14. Устройство для непрерывной обработки бетонной смеси, включающее средства подачи бетонной смеси, средства ее нагрева и смесительное устройство, отличающееся тем, что устройство содержит: а) средства подачи (1) потока бетонной смеси, средства подачи (2) потока диоксида углерода и необязательно средства подачи потока модифицирующей добавки, способные устанавливать суб- и сверхкритическое давление диоксида углерода; б) средства нагрева (4) потока диоксида углерода, способное устанавливать суб- и сверхкритическую температуру диоксида углерода, соединенное линией со средством подачи (2) потока диоксида углерода, средства нагрева (3) потока бетонной смеси, соединенное линией со средством подачи (1) потока бетонной смеси и необязательно средство нагрева потока модифицирующей добавки, соединенное линией со средством ее подачи;) в) струйный смеситель (5), выполненный, по существу, в виде цилиндрической трубы, которая имеет длину не менее пяти эквивалентных диаметров, имеющую, по меньшей мере, два впускных отверстия для потоков бетонной смеси, диоксида углерода и необязательно для потока модифицирующей добавки, соединенные соответствующими линиями со средствами нагрева (3,4) указанных потоков и одно выпускное отверстие, соединенное с внутренней полостью трубчатого реактора (6); г) трубчатый реактор (6), выполненный, по существу, в виде цилиндрического полого корпуса высокого давления без внутренних устройств, закрытый с одного торца крышкой, через которую пропущена цилиндрическая труба струйного смесителя (5), а с другого торца закрытый днищем, имеющее выпускное отверстие; д) редуцирующее устройство (7), включающее регулирующую форсунку или регулирующий вентиль или регулирующий клапан, соединенной линией с выпускным отверстием трубчатого реактора (6); е) испарительный сепаратор (8), соединенный с редуцирующим устройством (7) таким образом, чтобы конус струи редуцирующего устройства (7) находился в испарительном сепараторе (8) и имеющий, по меньшей мере, одно первое выходное отверстие для летучих компонентов и, по меньшей мере, одно второе выходное отверстие для обработанной бетонной смеси.
15. Устройство по п.14, в котором средства подачи (1) потока бетонной смеси содержит насосный агрегат высокого давления.
16. Устройство по п.14, в котором средства подачи (2) потока двуокиси углерода содержит компрессорный агрегат высокого давления.
17. Устройство по п.14, в котором впускное отверстие для потока диоксида углерода в цилиндрической трубе струйного смесителя (5) расположено осесимметрично по отношению к впускному отверстию для потока бетонной смеси.
18. Устройство по п.14, в котором, по меньшей мере, начальная часть цилиндрической трубы струйного смесителя (5) выполнена с внутренними неровностями.
19. Устройство по п.14, в котором цилиндрическая труба струйного смесителя (5) заканчивается расширяющимся диффузором.
20. Устройство по п.14, в котором цилиндрический корпус трубчатого реактора (6) в зоне выхода бетонной смеси из струйного смесителя (5) дополнительно содержит обогреваемую рубашку.
21. Устройство по п.14, в котором расстояние между цилиндрическими поверхностями трубчатого реактора (6) не превышает 150 мм.
22. Устройство по п.14, в котором трубчатый реактор (6) содержит, по меньшей мере, одно измерительное средство для контроля температуры.
23. Устройство по п.14, в котором трубчатый реактор (6) содержит, по меньшей мере, одно измерительное средство для контроля давления и, по меньшей мере, одно средство регулирования редуцирующего устройства (7), функционально связанное с указанным измерительным средством и с редуцирующим устройством (7).
24. Устройство по п.14, в котором редуцирующее устройство (7) выполнено с углом конуса струи в пределах примерно от 30 до 180°, предпочтительно от 50 до 100°.
25. Устройство по п.14, в котором испарительный сепаратор (8) содержит дистилляционную колонну.
РИСУНКИ
|
|