|
|
(21), (22) Заявка: 2008141229/15, 17.10.2008
(24) Дата начала отсчета срока действия патента:
17.10.2008
(46) Опубликовано: 27.05.2010
(56) Список документов, цитированных в отчете о поиске:
ЯКОВЛЕВ С.В. и др. Канализация. – М.: Стройиздат, 1975, с.212. RU 2184709 С1, 10.07.2002. RU 71649 U1, 20.03.2008. RU 2114793 C1, 10.07.1998. US 2008/0251453 A1, 16.10.2008. US 2006/0169636 A1, 03.08.2006. KR 20020092297 A, 11.12.2002.
Адрес для переписки:
127591, Москва, ул. Дубнинская, 30Б, кв.231, Е.М. Андрееву (для ФГУП “НЗИВ”)
|
(72) Автор(ы):
Выгулярный Вадим Витальевич (RU), Гущин Виктор Алексеевич (RU), Пархоменко Леонид Иосифович (RU), Петров Валерий Леонидович (RU), Таргонский Константин Анатольевич (RU)
(73) Патентообладатель(и):
Федеральное государственное унитарное предприятие “Новосибирский завод искусственного волокна” (ФГУП “НЗИВ”) (RU)
|
(54) КОМПЛЕКС ОЧИСТНЫХ СООРУЖЕНИЙ, СПОСОБ ОЧИСТКИ СТОЧНОЙ ВОДЫ, РАСТВОР
(57) Реферат:
Изобретение относится к очистке сточной воды, преимущественно проточной, к способам обеззараживания сточных вод и может быть использовано при подготовке сточной воды к сливу в естественный водоем. Сточные воды поступают в приемную камеру 1. Крупные отбросы измельчают на решетках-дробилках 2. Песок и другие минеральные частицы, удаленные из сточной воды в песколовках 3, подают в бункеры песка 4. В водоизмерительном приспособлении 5 измеряют поступивший объем воды. Осуществляют смешение сточной воды с избыточной частью активного ила и ее аэрацию в преаэраторе 6. Обработанный уплотненный избыточный активный ил из метантенка подают на иловые площадки 13. Очищаемую воду отстаивают в первичных отстойниках 7, смешивают с циркулирующей частью активного ила и направляют в аэротенки 8, отстаивают во вторичных отстойниках 9. В щебеночных фильтрах 10 выделяют загрязнения путем фильтрации через слои щебеночной загрузки. После этого очищаемую воду направляют в резервуар чистой воды 11, причем перед выпуском в водоем ее обеззараживают в контактном резервуаре 12. Изобретение позволяет уменьшить энергетические затраты, повысить эффективность работы, получить раствор, близкий по составу к воде, находящейся в водоеме, в который этот раствор добавляется. 3 н. и 8 з.п. ф-лы, 2 ил.
Область применения
Изобретение относится к очистке сточной воды, преимущественно проточной, и способам обеззараживания сточных вод и может быть использовано при подготовке сточной воды к сливу в естественный водоем.
Уровень техники
Аналогом предлагаемого способа очистки сточной воды может служить “Способ очистки сточных вод, обработки осадка и плавающих веществ”, патент РФ 2208595, опубликованный 2003.07.20, по МПК С02F 3/02, который включает механическую обработку сточной воды на решетке и в песколовке, отстаивание в первичном отстойнике, биологическую очистку активным илом, который подают, используя насосную иловую станцию, и анаэробное сбраживание уплотненного избыточного активного ила вместе с сырым осадком и плавающими веществами первичного отстойника в метантенке, аналогом предлагаемого устройства могут служить устройства, на которых реализуется указанный выше в качестве аналога способ очистки сточной воды, а аналогом раствора, добавляемого в водоем, может служить раствор, получаемый при реализации указанного выше в качестве аналога способа очистки сточной воды.
Недостатком данного устройства является недостаточно низкое гидравлическое сопротивление в элементах насосной иловой станции и магистралях перемещения активного ила, что приводит к повышенному расходу энергии при перекачивании активного ила. Недостатком данного способа являются увеличенные промежутки времени смешивания активного ила с очищаемым раствором сточной воды, что увеличивает время очистки сточной воды. Недостатком данного раствора является недостаточная близость по составу к водному раствору, находящемуся в водоеме, в который этот раствор добавляется после очистки сточной воды от техногенных продуктов и/или продуктов жизнедеятельности людей.
Наиболее близким техническим решением, прототипами предлагаемых устройства, способа очистки сточной воды и раствора, получаемого при очистке сточной воды, являются соответственно устройство, способ, реализованный, и раствор, получаемый на “Установке биологической очистки сточных вод”, патент РФ 2114793, опубликованный 1998.07.10, по МПК С02F 3/02, в котором сточные воды механически обрабатывают на решетке и в песколовке, отстаивают в первичном отстойнике, биологически очищают активным илом, который подают, используя насосную иловую станцию, и анаэробно сбраживают уплотненный избыточный активный ил вместе с сырым осадком и плавающими веществами первичного отстойника в метантенке, отстаивают воду во вторичном отстойнике и добавляют очищенную воду в водоем.
Недостатком данного устройства является недостаточно низкое гидравлическое сопротивление в элементах насосной иловой станции и магистралях перемещения активного ила, что приводит к повышенному расходу энергии при перекачивании активного ила. Недостатком данного способа являются увеличенные промежутки времени смешивания активного ила с очищаемым раствором сточной воды, что увеличивает время очистки сточной воды. Недостатком данного раствора является недостаточная близость по составу к водному раствору, находящемуся в водоеме, в который этот раствор добавляется после очистки сточной воды от техногенных продуктов и/или продуктов жизнедеятельности людей.
Сущность изобретения
Задачей изобретения является уменьшение энергетических затрат, необходимых для функционирования комплекса очистных сооружений, повышение эффективности работы комплекса для очистки воды, получение раствора, близкого по составу к воде, находящейся в водоеме, в который этот раствор добавляется после очистки сточной воды от техногенных продуктов и/или продуктов жизнедеятельности людей.
Текучесть ила как тонкозернистого водонасыщенного неконсолидированного осадка для уменьшения энергетических затрат на перекачивание иловой насосной станции желательно повысить, что возможно, генерируя колебания определенной частоты и амплитуды.
Техническими результатами изобретения являются:
1) снижение гидравлического сопротивления в элементах насосной иловой станции и магистралях перемещения активного ила и, как следствие, снижение расхода энергии при перекачивании активного ила;
2) повышение однородности перемешиваемых растворов и суспензий и уменьшение времени смешивания активного ила с очищаемым раствором сточной воды и, как следствие, снижение времени очистки сточной воды;
3) получение раствора на выходе комплекса очистных сооружений по сравнению с входящим в комплекс, более близкого по составу к водному раствору, находящемуся в водоеме, в который этот раствор добавляется после очистки сточной воды от техногенных продуктов и/или продуктов жизнедеятельности людей.
Технический результат 1 достигается тем, что в комплексе очистных сооружений, включающем приемную камеру, решетки-дробилки, песколовки, бункеры песка, водоизмерительное приспособление, преаэратор, первичные и вторичные отстойники, аэротенки, фильтры щебеночные, резервуары чистой воды и контактный, иловые площадки, насосную иловую станцию, смесители, системы для изменения направления, скорости, турбулентности или ламинарности потока воды, содержащие обеспечивающие изменения направления, скорости, турбулентности или ламинарности потока воды элементы, входные и выходные устройства, по крайней мере часть поверхности, по крайней мере, одного из элементов, по крайней мере, одной из составных частей насосной иловой станции имеет форму минимизирующую гидравлическое сопротивление, а насосная станция выполнена с возможностью обеспечения помимо напора, позволяющего перекачивать активный ил, генерировать колебания по крайней мере части магистрали, перекачивающей активный ил, в диапазоне частот от 15 до 220 Гц, по крайней мере, один из элементов, по крайней мере, одной из составных частей комплекса выполнен переменного сечения.
Под термином «водоизмерительное приспособление» следует понимать водосливное водоизмерительное приспособление, позволяющее определить объем воды, поступающей в комплекс очистных сооружений.
Под термином «отстойник» следует понимать систему для удаления из воды взвешенных веществ и/или минерализованных и адсорбированных органических веществ и/или примесей.
Под термином «контактный резервуар» следует понимать систему для обеззараживания, например, методом окисления хлором, гипохлоритом натрия, озоном и т.д. или методом излучения, например, ультрафиолетом органических включений в сточную воду.
Под термином «элементы для изменения направления, скорости, турбулентности или ламинарности потока воды» следует понимать элементы трубопроводов или магистралей, конфузоры и диффузоры.
Выполнение, по крайней мере, части поверхности, по крайней мере, одного из элементов, по крайней мере, одной из составных частей насосной иловой станции в форме минимизирующей гидравлическое сопротивление совместно с возможностью насосной станции генерировать колебания, по крайней мере, части магистрали, перекачивающей активный ил, в диапазоне частот от 15 до 220 Гц обеспечивает лучшую текучесть ила.
Часть поверхности, по крайней мере, одного из элементов, по крайней мере, одной из составных частей насосной иловой станции может быть выполнена с оживальными элементами, обеспечивая снижение гидравлического сопротивления при перекачке активного ила.
Часть поверхности, по крайней мере, одного из элементов, по крайней мере, одной из составных частей насосной иловой станции может быть выполнена с элементами параболоида, обеспечивая снижение гидравлического сопротивления при перекачке активного ила.
Часть поверхности, по крайней мере, одного из элементов, по крайней мере, одной из составных частей насосной иловой станции может быть выполнена с элементами эллипсоида, обеспечивая снижение гидравлического сопротивления при перекачке активного ила.
Часть поверхности, по крайней мере, одного из элементов, по крайней мере, одной из составных частей насосной иловой станции может быть выполнена с элементами гиперболоида, обеспечивая снижение гидравлического сопротивления при перекачке активного ила.
Часть поверхности, по крайней мере, одного из элементов, по крайней мере, одной из составных частей насосной иловой станции может быть выполнена с элементами конуса, обеспечивая снижение гидравлического сопротивления при перекачке активного ила.
Выполнение части поверхности, по крайней мере, одного из элементов, по крайней мере, одной из составных частей насосной иловой станции с элементами оживальности, и/или конуса, и/или гиперболоида, и/или эллипсоида, и/или параболоида позволит уменьшить гидравлическое сопротивление за счет удобообтекаемости его стенок при изменении параметров потока.
Технический результат 2 достигается тем, что в способе очистки сточной воды, включающем поступление воды в приемную камеру и гашение напора сточной воды, измельчение крупных отбросов на решетках-дробилках (комминуторах), удаление из сточной воды песка и других минеральных частиц из песколовок в бункеры песка, измерение поступившего объема воды в водоизмерительном приспособлении, предварительную аэрации сточной воды в преаэраторе и смешение сточной воды с активным илом (избыточная часть активного ила), отстаивание в первичных отстойниках, из которых подают в метантенки уплотненный избыточный активный ил вместе с сырым осадком, минерализуют органическую часть осадка из первичных отстойников мезофильными бактериями, которые удаляют на иловые площадки на естественном основании, на которых удаляют влагу из сброженного осадка из метантенков путем фильтрации в грунт и испарения, а осадок, из которого удалена влага, удаляют на отвалы, а очищаемую воду, смешивая с активным илом (циркулирующая часть активного ила), направляют в аэротенки, где аэрируют очищаемую воду, в которой окисляют органические загрязнения кислородом, минерализуют и адсорбируют органические загрязнения активным илом, который после аэротенков насосной иловой стацией, на которой генерируют колебания в диапазоне частот от 15 до 220 Гц и амплитудой, по крайней мере, одного из элементов, по крайней мере, одной из составных частей насосной иловой станции до 0,5 мм, перекачивают для смешения с очищаемой водой частично на вход аэротенков, а частично в преаэратор, а очищаемую воду подают во вторичные отстойники, в которых последнюю отстаивают, затем подают очищаемую воду в щебеночные фильтры, в которых выделяют из очищаемой воды загрязнения, вынесенные из вторичных отстойников путем фильтрации через слои щебеночной загрузки, а очищаемую воду направляют в резервуар чистой воды, после которого воду подают в контактный резервуар, в котором органические включения в воде обеззараживают методом окисления хлором или гипохлоритом натрия или озоном или методом излучения ультрафиолетом, затем добавляют очищенную воду в водоем.
Генерация колебания в диапазоне частот от 15 до 220 Гц и амплитудой, по крайней мере, одного из элементов, по крайней мере, одной из составных частей насосной иловой станции до 0,5 мм во время перекачивания для смешения с очищаемой водой активного ила повышает однородность перемешиваемых растворов и суспензий и уменьшает время смешивания активного ила с очищаемым раствором сточной воды и, как следствие, снижает время очистки сточной воды.
Технический результат 3 достигается тем, что раствор, поступающий в качестве сточной воды в приемную камеру с параметрами: по цвету – серый, по запаху – фекальный, по прозрачности – 3 см, по рН – 7,9, по взвешенным веществам до 140 мг/дм3, по азоту аммонийному до 14 мг/дм3, по БПК до 70 мг/дм3, по СПАВ до 0,25 мг/дм3, по фосфатам до 1,4 мг/дм3, по железу до 0,65 мг/дм3, по меди до 0,04 мг/дм3, по нефтепродуктам до 0,8 мг/дм3, по фтору до 0,55 мг/дм3, очищают в комплексе очистных сооружения по настоящему изобретению способом очистки сточной воды по настоящему изобретению до параметров: по цвету – бесцветный, по запаху – без запаха, по прозрачности – 38 см, по pH – 7,8, по взвешенным веществам до 8,4 мг/дм3, по азоту аммонийному до 4,3 мг/дм3, по БПК до 4,5 мг/дм3, по СПАВ до 0,1 мг/дм3, по фосфатам до 1,0 мг/дм3, по железу до 0,18 мг/дм3, по меди до 0,01 мг/дм3, по нефтепродуктам до 0,23 мг/дм3, по фтору до 0,3 мг/дм3, добавляют в водоем. При этом активным илом обеспечивается сорбция СПАВ, аккумулирование железа и меди.
Сведения, подтверждающие возможность осуществления изобретения
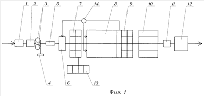
Возможность практической реализации изобретения поясняется чертежами, где на фиг.1 представлена схема комплекса очистных сооружений, на фиг.2 – зависимости изменения относительного гидравлического сопротивления от параметров колебаний элементов насосной иловой станции.
Позицией 1 обозначена приемная камера, 2 – решетки-дробилки, 3 – песколовки, 4 – бункеры песка, 5 – водоизмерительное приспособление, 6 – преаэратор, 7 – первичные отстойники, 8 – аэротенки, 9 – вторичные отстойники, 10 – фильтры щебеночные, 11 – резервуар чистой воды, 12 – контактный резервуар, 13 – иловые площадки, 14 – насосная иловая станция.
Элементы комплекса очистных сооружений выполняют из известных материалов известными способами. Соединение элементов комплекса очистных сооружений также выполняют из известных материалов, например стальных труб, известными способами, например сварным соединением.
Исследование зависимости изменения гидравлического сопротивления в элементах магистралей иловой насосной станции показало снижение последнего при определенной частоте и амплитуде колебаний.
Позицией 15 обозначена зависимость изменения гидравлического сопротивления от частоты колебаний элементов насосной иловой станции при амплитуде 0,1 мм, позицией 16 – при амплитуде 0,2 мм, позицией 17 – при амплитуде 0,4 мм.
Комплекс очистных сооружений работает следующим образом. Сточные воды поступают в приемную камеру 1, где происходит гашение напора сточной воды. Измельчение крупных отбросов происходит на решетках-дробилках (комминуторах) 2. Удаляют из сточной воды песок и другие минеральные частицы из песколовок 3 в бункеры песка 4. Измеряют поступивший объем воды в водоизмерительном приспособлении 5. Предварительную аэрации сточной воды и смешение сточной воды с активным илом (избыточная часть активного ила) производят в преаэраторе 6. Отстаивают очищаемую воду в первичных отстойниках 7. Затем ее подают в метантенки, а уплотненный избыточный активный ил вместе с сырым осадком, минерализуя органическую часть осадка из первичных отстойников 7 мезофильными бактериями, удаляют на иловые площадки 13 на естественном основании, на которых удаляют влагу из сброженного осадка из метантенков путем фильтрации в грунт и испарения, а осадок, из которого удалена влага, удаляют на отвалы. Очищаемую воду, смешивая с активным илом (циркулирующая часть активного ила), направляют в аэротенки 8, где аэрируют очищаемую воду, в которой окисляют органические загрязнения кислородом, минерализуют и адсорбируют органические загрязнения активным илом, который после аэротенков насосной иловой стацией, на которой генерируют колебания частотой до 220 Гц и амплитудой элементов одной из составных частей насосной иловой станции 14 до 0,5 мм, перекачивают для смешения с очищаемой водой частично на вход аэротенков 8, а частично в преаэратор 6. Очищаемую воду подают во вторичные отстойники 9, в которых последнюю отстаивают, затем подают очищаемую воду в щебеночные фильтры 10, в которых выделяют из очищаемой воды загрязнения, вынесенные из вторичных отстойников путем фильтрации через слои щебеночной загрузки. Очищаемую воду направляют в резервуар чистой воды 11, после которого воду подают в контактный резервуар 12, в котором органические включения в воде обеззараживают методом окисления. Добавляют очищенную воду в водоем.
Раствор, содержащийся на выходе, получают из сточной воды, очищая его предлагаемым способом на предлагаемом комплексе очистных сооружений.
Таким образом, применение предложенных технических решений позволяет достигать технических результатов изобретений.
Формула изобретения
1. Комплекс очистных сооружений, включающий приемную камеру, решетки, песколовки, первичные и вторичные отстойники, аэротенки, насосную иловую станцию, смесители, содержащие элементы для изменения направления, скорости, турбулентности или ламинарности потока воды, входные и выходные устройства, отличающийся тем, что в качестве решеток он содержит решетки-дробилки, а также включает бункеры песка, водоизмерительное приспособление, иловые площадки, преаэратор, фильтры щебеночные, резервуар чистой воды и контактный резервуар, а насосная иловая станция выполнена с возможностью обеспечения помимо напора, позволяющего перекачивать активный ил, генерировать колебания, по крайней мере, части магистрали, перекачивающей активный ил, в диапазоне частот от 15 до 220 Гц.
2. Способ очистки сточной воды, включающий ее механическую обработку на решетке и в песколовке, отстаивание в первичном отстойнике, из которого уплотненный избыточный активный ил вместе с сырым осадком направляется в метантенки на последующую обработку, биологическую очистку воды активным илом, отстаивание очищаемой воды во вторичных отстойниках и выпуск очищенной воды в водоем, отличающийся тем, что сточную воду сначала подают в приемную камеру, где гасят ее напор, в качестве решеток используют решетки-дробилки, в которых измельчают крупные отбросы, а песок и другие минеральные частицы, удаленные из сточной воды в песколовках, подают в бункеры песка, измеряют поступивший объем воды в водоизмерительном приспособлении, осуществляют смешение сточной воды с активным илом и ее аэрацию в преаэраторе, после чего ее подают на отстаивание в первичные отстойники, а обработка уплотненного избыточного активного ила вместе с сырым осадком в метантенке заключается в минерализации органической части осадка мезофильными бактериями, после чего его подают на иловые площадки на естественном основании, на которых удаляют влагу из сброженного осадка путем фильтрации в грунт и испарения, при этом обезвоженный осадок удаляют на отвалы, а воду после первичного отстойника снова смешивают с активным илом, направляют в аэротенки, где ее аэрируют, окисляя органические загрязнения кислородом, минерализуя и адсорбируя их активным илом, который после аэротенков перекачивают насосной иловой станцией, на которой генерируют колебания в диапазоне частот от 15 до 220 Гц и амплитудой до 0,5 мм, для смешения с очищаемой водой частично на вход аэротенков, а частично – в преаэратор, после вторичных отстойников очищаемую воду подают в щебеночные фильтры, в которых из нее выделяют загрязнения путем фильтрации через слои щебеночной загрузки, затем очищаемую воду направляют в резервуар чистой воды, причем перед выпуском в водоем воду обеззараживают в контактном резервуаре.
3. Способ по п.2, отличающийся тем, что воду обеззараживают окислением хлором.
4. Способ по п.2, отличающийся тем, что воду обеззараживают окислением гипохлоритом натрия.
5. Способ по п.2, отличающийся тем, что воду обеззараживают окислением озоном.
6. Способ по п.2, отличающийся тем, что воду обеззараживают ультрафиолетом.
7. Способ по п.2, отличающийся тем, что сточную воду в преаэраторе смешивают с избыточной частью активного ила.
8. Способ по п.2, отличающийся тем, что сточную воду в аэротенке смешивают с циркулирующей частью активного ила.
9. Раствор для слива в водоем, полученный по п.2, содержащий, по крайней мере, воду, соли, хлор, частицы минеральных веществ, органические соединения, гидроксиды, по цвету – бесцветный, по запаху – без запаха, по прозрачности – 38 см, по рН 7,8, по взвешенным веществам до 8,4 мг/дм3, по азоту аммонийному до 4,3 мг/дм3, по БПК до 4,5 мг/дм3, по СПАВ до 0,1 мг/дм3, по фосфатам до 1,0 мг/дм3, по железу до 0,18 мг/дм3, по меди до 0,01 мг/дм3, по нефтепродуктам до 0,23 мг/дм3, по фтору до 0,3 мг/дм3.
10. Раствор по п.9, отличающийся тем, что одной из солей является соль железа.
11. Раствор по п.9, отличающийся тем, что одной из солей является соль меди.
РИСУНКИ
|
|