Патент на изобретение №2390434

Published by on




РОССИЙСКАЯ ФЕДЕРАЦИЯ



ФЕДЕРАЛЬНАЯ СЛУЖБА
ПО ИНТЕЛЛЕКТУАЛЬНОЙ СОБСТВЕННОСТИ,
ПАТЕНТАМ И ТОВАРНЫМ ЗНАКАМ
(19) RU (11) 2390434 (13) C1
(51) МПК

B60K28/02 (2006.01)

(12) ОПИСАНИЕ ИЗОБРЕТЕНИЯ К ПАТЕНТУ

Статус: по данным на 09.08.2010 – действует

На основании пункта 1 статьи 1366 части четвертой Гражданского кодекса Российской Федерации патентообладатель обязуется заключить договор об отчуждении патента на условиях, соответствующих установившейся практике, с любым гражданином Российской Федерации или российским юридическим лицом, кто первым изъявил такое желание и уведомил об этом патентообладателя и федеральный орган исполнительной власти по интеллектуальной собственности.

(21), (22) Заявка: 2009123748/11, 22.06.2009

(24) Дата начала отсчета срока действия патента:

22.06.2009

(46) Опубликовано: 27.05.2010

(56) Список документов, цитированных в отчете о
поиске:
RU 2023601 С1, 30.11.1994. RU 60446 U1, 27.01.2007. JP 8019454 А, 23.01.1996. KR 100297795 В1, 24.05.2001.

Адрес для переписки:

355044, г.Ставрополь, ул. Васильева, 19, кв.67, В.В. Ефанову

(72) Автор(ы):

Ефанов Василий Васильевич (RU)

(73) Патентообладатель(и):

Ефанов Василий Васильевич (RU)

(54) СПОСОБ ПРЕДОТВРАЩЕНИЯ ЗАСЫПАНИЯ ВОДИТЕЛЯ ТРАНСПОРТНОГО СРЕДСТВА И УСТРОЙСТВО ДЛЯ ЕГО ОСУЩЕСТВЛЕНИЯ

(57) Реферат:

Изобретение относится к технике снижения аварийности на дорогах. В предложенном способе в качестве вибрирующего устройства используют платформу, размещенную под левой ногой водителя. Момент засыпания водителя определяют на основе определения момента снятия нагрузок с руля транспортного средства. Продолжительность засыпания водителя определяют на основе фиксации временного интервала снятия нагрузок с руля транспортного средства. Функционирование вибрирующей платформы обеспечивают с нарастанием частоты и амплитуды вибрации в зависимости от продолжительности засыпания водителя. Предложенное устройство содержит вибрирующее устройство, тумблер, сигнальную лампу, задатчик временных интервалов, тензодатчик, элемент НЕ, ключ, элемент ИЛИ, блок анализа и блок управления интенсивностью вибрации. Группа изобретений позволяет повысить эффективность предотвращения засыпания водителя. 2 н.п. ф-лы, 4 ил.

Изобретение относится к техническим средствам, обеспечивающим снижение аварийности на дорогах, в частности к устройствам для предупреждения засыпания водителя транспортного средства, находящегося за рулем.

Известен способ предотвращения засыпания водителя транспортного средства, заключающийся в установлении в качестве вибрирующего устройства платформы, размещенной под левой ногой водителя, отличающийся тем, что определяют момент засыпания водителя на основе определения момента снятия нагрузок с руля транспортного средства, определяют продолжительность засыпания водителя на основе фиксации временного интервала снятия нагрузок с руля транспортного средства, при этом обеспечивают функционирование вибрирующей платформы с нарастанием частоты вибрации в зависимости от продолжительности засыпания водителя /1/.

Известно устройство предотвращения засыпания водителя транспортного средства, содержащее вибрирующее устройство, тумблер, сигнальную лампу, задатчик временных интервалов, при этом тумблер обеспечивает подачу питания к составным блокам от бортовой сети, вибрирующее устройство включает в себя электродвигатель, соединенный с понижающим редуктором, двуплечий рычаг, установленный шарнирно на первом кронштейне, неподвижно закрепленном на станине, кривошип, размещенный на выходном валу редуктора с возможностью взаимодействия с одним из плеч рычага, вибрирующую платформу, закрепленную на втором кронштейне, шарнирно связанном с другим плечом рычага, и расположенную под левой ногой водителя, пружины, установленные между нижней и верхней поверхностями соответственно платформы и станины, отличающееся тем, что введены тензодатчик, элемент НЕ, ключ, элемент ИЛИ, блок анализа, причем выход тензодатчика через элемент НЕ соединен с первым входом ключа и входом блока анализа, первый и второй выходы которого соединены соответственно со вторыми входами ключа и элемента ИЛИ, первый вход которого соединен с выходом ключа, блок анализа состоит из генератора импульсов, элемента И, счетчика, n дешифраторов, n делителей, n первых и вторых ключей, n-1 первых и второго элементов НЕ, элемента ИЛИ, при этом входом блока анализа является первый вход элемента И, второй вход которого соединен с выходом генератора сигналов, выход элемента И через счетчик соединен со входами n дешифраторов, выходы которых соединены со вторыми входами n первых ключей, первые входы которых через n делители соединены с выходом генератора импульсов, выходы n первых ключей соединены с первыми входами n вторых ключей, вторые входы которых, за исключением последнего, соединены через n-1 первых элементов НЕ с выходами второго и последующих n дешифраторов, выходы вторых ключей соединены с входами элемента ИЛИ, выход первого дешифратора из группы n дешифраторов соединен со входом второго элемента НЕ, выходы второго элемента НЕ и элемента ИЛИ являются первым и вторым выходами блока анализа /1/.

Недостатком данного способа и устройства является отсутствие возможности изменения интенсивности вибрации в зависимости от длительности времени засыпания водителя.

Цель изобретения – повышение эффективности устройства предотвращения засыпания водителя за счет управления интенсивностью вибрации в зависимости от временного интервала засыпания водителя.

Указанная цель достигается тем, что в способе для предотвращения засыпания водителя транспортного средства, заключающемся в установлении в качестве вибрирующего устройства платформы, размещенной под левой ногой водителя, определении момента засыпания водителя на основе определения момента снятия нагрузок с руля транспортного средства, определении продолжительности засыпания водителя на основе фиксации временного интервала снятия нагрузок с руля транспортного средства, осуществлении функционирования вибрирующей платформы с нарастанием частоты вибрации в зависимости от продолжительности засыпания водителя, дополнительно осуществляют функционирование вибрирующей платформы с нарастанием интенсивности вибрации в зависимости от продолжительности засыпания водителя.

Указанная цель достигается тем, что в устройство для предотвращения засыпания водителя транспортного средства, содержащее вибрирующее устройство, тумблер, сигнальную лампу, задатчик временных интервалов, тензодатчик, элемент НЕ, ключ, элемент ИЛИ, блок анализа, при этом тумблер обеспечивает подачу питания к составным блокам от бортовой сети, вибрирующее устройство включает в себя электродвигатель, соединенный с понижающим редуктором, двуплечий рычаг, установленный шарнирно на первом кронштейне, неподвижно закрепленном на станине, кривошип, размещенный на выходном валу редуктора с возможностью взаимодействия с одним из плеч рычага, вибрирующую платформу, закрепленную на втором кронштейне, шарнирно связанном с другим плечом рычага, и расположенную под левой ногой водителя, пружины, установленные между нижней и верхней поверхностями соответственно платформы и станины, выход тензодатчика через элемент НЕ соединен с первым входом ключа и входом блока анализа, первый и второй выходы которого соединены соответственно со вторыми входами ключа и элемента ИЛИ, первый вход которого соединен с выходом ключа, блок анализа состоит из генератора импульсов, элемента И, счетчика, n дешифраторов, n делителей, n первых и вторых ключей, n-1 первых и второго элементов НЕ, элемента ИЛИ, при этом входом блока анализа является первый вход элемента И, второй вход которого соединен с выходом генератора сигналов, выход элемента И через счетчик соединен со входами n дешифраторов, выходы которых соединены со вторыми входами n первых ключей, первые входы которых через n делители соединены с выходом генератора импульсов, выходы n первых ключей соединены с первыми входами n вторых ключей, вторые входы которых, за исключением последнего, соединены через n-1 первых элементов НЕ с выходами второго и последующих n дешифраторов, выходы вторых ключей соединены с входами элемента ИЛИ, выход первого дешифратора из группы n дешифраторов соединен со входом второго элемента НЕ, выходы второго элемента НЕ и элемента ИЛИ являются первым и вторым выходами блока анализа, дополнительно введен блок управления интенсивностью вибрации, группа входов которого соединена с третьей группой выходов блока анализа, а выход через тумблер, контакты задатчика временных интервалов (реле) подключен к входу вибрирующего устройства, блок управления интенсивностью вибрации состоит из n ключей, задатчика постоянных сигналов, элемента ИЛИ, при этом группа входов блока управления интенсивностью является первыми входами n ключей, вторые входы которых соединены с группой выходов задатчика сигналов, выходы n ключей соединены с входами элемента ИЛИ, выход которого является выходом блока управления интенсивностью вибрации.

Новым признаком по способу является следующий.

Осуществляют функционирование вибрирующей платформы с нарастанием интенсивности вибрации в зависимости от продолжительности засыпания водителя.

Новым элементом в устройстве являются: блок управления интенсивностью вибрации и связи между новыми и старыми элементами.

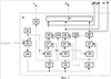
На фиг.1 приведена структурная схема электронной части устройства, на фиг.2 – общий вид вибрирующего устройства, на фиг.3 – структурная схема блока анализа, на фиг.4 – структурная схема блока управления интенсивностью вибрации.

Устройство содержит тумблер 1, сигнальную лампочку 2, задатчик 3 временных интервалов, вибрирующее устройство 4, тензодатчики 5, элемент И-НЕ 6, ключ 7, элемент ИЛИ 8, блок 9 анализа, блок 10 управления интенсивностью вибрации, причем тумблер 1 и сигнальная лампа 2 предназначены для включения и сигнализации о включения питания на составные блоки от бортовой сети транспортного средства, выход тензодатчика 5 через элемент НЕ 6 соединен с первым входом ключа 7, кроме того, выход элемента НЕ 6 соединен со входом блока 9 анализа, первый выход которого соединен со вторым входом ключа 7, а второй выход соединен со вторым входом элемента ИЛИ 8, первый вход которого соединен с выходом ключа 7, третья группа выходов блока 9 анализа соединена с группой входов блока 10 управления интенсивностью вибрации, выход которого через тумблер 1 и электроконтакты задатчика 3 временных интервалов соединен с входом вибрирующего устройства 4 (фиг.1).

Вибрирующее устройство 4 включает в себя электродвигатель 11, соединенный с понижающим редуктором 12, двуплечий рычаг 13, установленный с помощью шарнира 14 на первом кронштейне 15, неподвижно закрепленном на станине 16. Кривошип 17 размещен на выходном валу редуктора 18 с возможностью взаимодействия с одним из плеч рычага 13. Вибрирующая платформа 19 закреплена на втором кронштейне 20, который шарниром 14 связан с другим плечом рычага 13, и расположена под левой ногой водителя. Пружины 21 установлены между нижней и верхней поверхностями соответственно платформы 19 и станины 16 (фиг.2).

Блок 9 анализа состоит из генератора 22 импульса, элемента И 23, счетчика 24 импульса, n дешифраторов 25, n делителей 26, n первых 27, n вторых 28 ключей, n-1 первых 29 элементов НЕ, второго 30 элемента НЕ, элемента ИЛИ 31, причем первый вход элемента И 23 является входом блока 9 анализа, второй вход которого соединен с выходом генератора 22 импульсов, выход элемента И 23, через счетчик 24, соединен со входами n дешифраторов 25, выходы которых соединены со вторыми входами n первых ключей 27, первые входы которых соединены с выходами n делителей 26, входы которых соединены с выходом генератора импульсов 22, выходы n первых 27 ключей соединены с первыми входами n вторых 28 ключей, вторые входы которых, за исключением последнего, соединены через n-1 первые 29 элементы НЕ с выходами второго и последующих n дешифраторов 25, выходы второго 28 ключа соединены со входами элемента ИЛИ 31, выход первого дешифратора из n дешифраторов 25 соединен с входом второго 30 элемента НЕ, выходы второго 30 элемента НЕ, элемента ИЛИ 31 и выходы n вторых ключей являются соответственно первым, вторым и группой третьих выходов блока 9 анализа (фиг.3).

Блок 10 управления интенсивностью вибрации состоит из n ключей 32, задатчика 33 постоянных сигналов, элемента ИЛИ 34, при этом группа входов блока 10 управления интенсивностью является первыми входами n ключей 32, вторые входы которых соединены с группой выходов задатчика 33 сигналов, выходы n ключей соединены с входами элемента ИЛИ 34, выход которого является выходом блока 10 управления интенсивностью вибрации.

Задатчик 3 временных интервалов выполнен в виде реле времени и предназначен для периодического включения вибрирующего устройства 4. На передней панели управления автомобилем установлен тумблер 1 и сигнальная лампочка 2, позволяющая судить о подаче или неподаче питания на составные блоки от бортовой сети транспортного средства.

Устройство работает следующим образом.

При включении тумблера 1 напряжение поступает на вход сигнальной лампочки 2 и через контакты задатчика 3 временных интервалов (реле) на вход вибрирующего устройства 4 (фиг.1). Срабатывание задатчика 3 временных интервалов осуществляется в момент засыпания водителя путем выдачи сигнала от тензодатчиков 5, закрепленных на руле, через элемент НЕ 6, ключ 7, первый вход элемента ИЛИ 8 на вход задатчика 3 временных интервалов.

Включение вибрирующего устройства 4 осуществляется путем подачи питания на электродвигатель 10, соединенный с понижающим редуктором 11, при этом кривошип 16 взаимодействуют с одним из плеч рычага 12, другое плечо взаимодействует с вибрирующей платформой 18, расположенной под левой ногой водителя (фиг.3).

Блок 9 анализа определяет продолжительность засыпания водителя и в зависимости от продолжительности засыпания водителя формирует сигналы с различной частотой.

В случае если продолжительность засыпания водителя превышает определенный уровень, происходит снятие сигнала с первого выхода блока 9 анализа и соответственно со второго выхода ключа 7, тем самым прекращается выдача сигналов от тензодатчика 5 через элемент НЕ 6, ключ 7, первый вход элемента ИЛИ 8 на вход задатчика 3 временных интервалов, и осуществляется выдача сигналов со второго выхода блока 9 анализа через второй вход элемента ИЛИ 8 на вход задатчика 3 временных интервалов, обеспечивая тем самым вибрацию вибрирующего устройства 4 с различной частотой (фиг.1).

Функционирование блока 9 анализа осуществляется следующим образом.

Сигнал с выхода элемента НЕ 6 поступает на первый вход элемента И 22, на второй вход которого поступают импульсы от генератора 21 импульсов. С выхода элемента И 22 импульсы через счетчик 23 поступают на входы дешифраторов 24. Счетчик 23 в зависимости от временного интервала снятия нагрузок с руля транспортного средства обеспечивает фиксацию продолжительности засыпания водителя транспортного средства (фиг.2).

В зависимости от продолжительности засыпания водителя происходит последовательное срабатывание n дешифраторов 24. При этом за счет выдачи сигналов с одного из выходов дешифраторов 24 на вторые входы первых 26 ключей, обеспечивается прохождение сигналов от генератора 21 импульсов через один из n делителей 25, один из n первых 26 ключей, один из вторых 27 ключей, элемент ИЛИ 30, второй вход элемента ИЛИ 8 на вход задатчика 3 времени, обеспечивая тем самым выдачу электропитания через тумблер 1 и электроконтакты задатчика 3 временных интервалов на вход вибрирующего устройства 4 (фиг.2, фиг.1).

В зависимости от продолжительности засыпания водителя происходит открытие последующих цепей (от генератора 21 импульсов через один из n делителей 25, один из n первых 26 ключей, один из вторых 27 ключей, элемент ИЛИ 30, второй вход элемента ИЛИ 8 на вход задатчика 3 временнных интервалов).

Закрытие предыдущей цепи осуществляется за счет закрытия n вторых 27 ключей в момент времени выдачи сигналов с выхода второго и последующих дешифраторов из 24 n дешифраторов, через n-1 первые 28 элементы И-НЕ на вторые входы n вторых 27 ключей (фиг.3).

В зависимости от продолжительности засыпания водителя на один из входов блока 10 управления интенсивностью и соответственно на один из первых входов n ключей 32, поступает сигнал, который обеспечивает поступление заданной амплитуды сигнала с выхода одного из группы выходов задатчика 33 сигналов, через второй вход одного из n ключей 32, элемент ИЛИ 34 (фиг.4).

С выхода блока 10 управления интенсивностью сигнал с амплитудой, которая зависит от продолжительности засыпания водителя, поступает через тумблер 1, контакты задатчика 3 временных интервалов (реле) на вход вибрирующего устройства 4 (фиг.1).

Таким образом, обеспечивается функционирование вибрирующей платформы с нарастанием частоты и амплитуды вибрации в зависимости от продолжительности засыпания водителя.

Источники информации

1. Решение о выдаче патента на изобретение от 26.05.2009 г. по заявке на изобретение 2008127609/11(033866) (прототип).

Формула изобретения

1. Способ предотвращения засыпания водителя транспортного средства, заключающийся в установлении в качестве вибрирующего устройства платформы, размещенной под левой ногой водителя, определении момента засыпания водителя на основе определения момента снятия нагрузок с руля транспортного средства, определении продолжительности засыпания водителя на основе фиксации временного интервала снятия нагрузок с руля транспортного средства, осуществлении функционирования вибрирующей платформы с нарастанием частоты вибрации в зависимости от продолжительности засыпания водителя, отличающийся тем, что осуществляют функционирование вибрирующей платформы с нарастанием интенсивности вибрации в зависимости от продолжительности засыпания водителя.

2. Устройство предотвращения засыпания водителя транспортного средства, содержащее вибрирующее устройство, тумблер, сигнальную лампу, задатчик временных интервалов, при этом тумблер обеспечивает подачу питания к составным блокам от бортовой сети, вибрирующее устройство включает в себя электродвигатель, соединенный с понижающим редуктором, двуплечий рычаг, установленный шарнирно на первом кронштейне, неподвижно закрепленном на станине, кривошип, размещенный на выходном валу редуктора с возможностью взаимодействия с одним из плеч рычага, вибрирующую платформу, закрепленную на втором кронштейне, шарнирно связанном с другим плечом рычага и расположенную под левой ногой водителя, пружины, установленные между нижней и верхней поверхностями соответственно платформы и станины, введены тензодатчик, элемент НЕ, ключ, элемент ИЛИ, блок анализа, причем выход тензодатчика через элемент НЕ соединен с первым входом ключа и входом блока анализа, первый и второй выходы которого соединены соответственно со вторыми входами ключа и элемента ИЛИ, первый вход которого соединен с выходом ключа, блок анализа состоит из генератора импульсов, элемента И, счетчика, n дешифраторов, n делителей, n первых и вторых ключей, n-1 первых и второго элементов НЕ, элемента ИЛИ, при этом входом блока анализа является первый вход элемента И, второй вход которого соединен с выходом генератора импульсов, выход элемента И через счетчик соединен со входами n дешифраторов, выходы которых соединены со вторыми входами n первых ключей, первые входы которых через n делителей соединены с выходом генератора импульсов, выходы n первых ключей соединены с первыми входами n вторых ключей, вторые входы которых, за исключением последнего, соединены через n-1 первых элементов НЕ с выходами второго и последующих n дешифраторов, выходы вторых ключей соединены с входами элемента ИЛИ, выход первого дешифратора из группы n дешифраторов соединен с входом второго элемента НЕ, выходы второго элемента НЕ и элемента ИЛИ являются первым и вторым выходами блока анализа, отличающееся тем, что введен блок управления интенсивностью вибрации, группа входов которого соединена с третьей группой выходов блока анализа, а выход – через тумблер, контакты задатчика временных интервалов (реле) подключен к входу вибрирующего устройства, блок управления интенсивностью вибрации состоит из n ключей, задатчика постоянных сигналов, элемента ИЛИ, при этом группа входов блока управления интенсивностью является первыми входами n ключей, вторые входы которых соединены с группой выходов задатчика постоянных сигналов, выходы n ключей соединены с входами элемента ИЛИ, выход которого является выходом блока управления интенсивностью вибрации.

РИСУНКИ

Categories: BD_2390000-2390999