|
|
(21), (22) Заявка: 2008140269/11, 09.10.2008
(24) Дата начала отсчета срока действия патента:
09.10.2008
(46) Опубликовано: 27.05.2010
(56) Список документов, цитированных в отчете о поиске:
RU 2204033 С2, 10.05.2003. RU 2243394 C1, 27.12.2004. RU 2043522 C1, 10.09.1995. GB 2403772 A, 12.01.2005.
Адрес для переписки:
392002, г.Тамбов, ул. Советская, 38а, кв.25, М.Ю. Кузнецовой
|
(72) Автор(ы):
Курбаков Александр Алексеевич (RU)
(73) Патентообладатель(и):
Курбаков Александр Алексеевич (RU)
|
(54) СИЛОВАЯ УСТАНОВКА ТРАНСПОРТНОГО СРЕДСТВА
(57) Реферат:
Изобретение относится к области транспортного машиностроения. Силовая установка транспортного средства содержит установленные на выхлопную трубу двигателя внутреннего сгорания газотурбины с вакуумными и/или пневматическими насосами, турбокомпрессор, эжекторы с навесным оборудованием, эжекторную насадку для монтажа дополнительного навесного оборудования. В качестве навесного оборудования используются пневмокомпрессор, гидронасос, генератор, колесные вакуумные и пневматические моторы. Установка включает ресиверы, систему трубопроводов с электромагнитными клапанами, обратными клапанами, форсунками для подачи сжатого воздуха, регуляторами давления, дополнительную турбину наддува, механический компрессор, пневмовакуумные моторы. Достигается увеличение мощности двигателя внутреннего сгорания, снижение токсичности выхлопных газов, уменьшение расхода топлива. 6 з.п. ф-лы, 6 ил.
Изобретение относится к транспортному машиностроению, а именно к силовым установкам транспортных средств, использующим энергию выхлопной системы двигателя внутреннего сгорания.
Ранее были разработаны силовая установка транспортного средства, на которую получен патент РФ на полезную модель 73279 (заявка 2008102321 от 21.01.2008 г.), и силовая установка транспортного средства, на которую подана заявка о выдаче патента на полезную модель 2008124320 от 16.06.2008 г. Эти установки используют энергию выхлопной системы двигателя внутреннего сгорания (ДВС) транспортного средства и позволяют повысить мощность ДВС, уменьшить расход топлива, снизить токсичность выхлопных газов.
Так, силовая установка по заявке 2008124320 содержит установленные на выхлопной трубе ДВС газовые турбины с регулируемыми заслонками, соединенные с навесным оборудованием транспортного средства, трубопроводы с электромагнитными клапанами, обратными клапанами для циркуляции рабочей среды, образующие паровой контур, в который включено такое оборудование, как парогенератор, паровые турбины с навесным оборудованием, дополнительный парогенератор, бак с парообразующей жидкостью и другое.
Однако разработанные ранее силовые установки не в полной мере исчерпывают возможности по увеличению мощности ДВС, экономии топлива и снижения токсичности выхлопных газов. Кроме того, данные конструкции, содержащие оборудование, включенное в паровой контур, не обладают компактностью и универсальностью.
Заявляемое изобретение также решает задачу использования даровой энергии выхлопной системы двигателя внутреннего сгорания (ДВС). Но при использовании данной конструкции силовой установки значительно по сравнению с представленными выше силовыми установками увеличивается мощность ДВС, повышается КПД, уменьшается расход топлива и снижается токсичность выхлопных газов. Предлагаемая силовая установка компактна и применима на любых транспортных средствах.
Технический результат достигается тем, что разработанная силовая установка транспортного средства содержит установленные на выхлопной трубе двигателя внутреннего сгорания газотурбины с навесным оборудованием, в том числе с вакуумным и/или пневматическим насосом, и имеющие регулировочные заслонки; трубопроводы с электромагнитными и обратными клапанами для циркуляции рабочей среды. Также силовая установка включает установленные на коленчатом валу ДВС пневматический и/или вакуумный, расположенные на выхлопной трубе эжекторы с навесным оборудованием, эжекторную насадку для монтажа дополнительного навесного оборудования; турбокомпрессор, механический компрессор, дополнительную турбину наддува в паре с вакуумным или пневматическим мотором, ресивер, не менее одного; форсунки подачи сжатого воздуха, регуляторы давления сжатого воздуха; перепускную линию с заслонками.
В качестве навесного оборудования используются пневмокомпрессор, гидронасос, вакуумный насос, пневматический насос, генератор, водяной насос, колесные вакуумные или колесные пневматические моторы и другое оборудование. Причем возможна двусторонняя установка навесного оборудования на газотурбины, эжекторы и эжекторную насадку. Также установка содержит штуцеры для подключения дополнительного оборудования.
Устанавливаемые на эжекторную насадку вакуумный и пневматический насосы соединены между собой последовательно.
Форсунки подачи сжатого воздуха установлены в корпусе газотурбины и турбины турбокомпрессора, дополнительной турбины наддува, также на выходе из корпуса дополнительной турбины наддува и механического компрессора или во впускном коллекторе ДВС.
Установка выполнена с возможностью подачи вакуума и сжатого воздуха в камеру сгорания ДВС.
Сущность заявляемого изобретения поясняется чертежами.
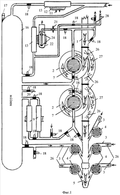
На фиг.1 показан фрагмент схемы силовой установки транспортного средства с установленными на газотурбины вакуумными насосами.
На фиг.2 показан фрагмент схемы силовой установки транспортного средства с установленными на газотурбины пневматическими насосами.
На фиг.3 показан фрагмент схемы силовой установки транспортного средства с установленными на газотурбины вакуумным и пневматический насосами.
На фиг.4 показан фрагмент схемы силовой установки транспортного средства с установленными на газотурбины вакуумным и пневматическим насосами, с другим расположением оборудования.
На фиг.5 показан пневмовакуумный мотор.
На фиг.6 показана газотурбина и турбина турбокомпрессора.
Силовая установка имеет следующую конструкцию:
На выхлопную трубу 1 ДВС установлены газотурбины 2; эжекторы (газоструйные компрессоры) 3 с навесным оборудованием 4, дополнительная съемная эжекторная насадка 5 для монтажа навесного оборудования 4 транспортного средства; турбокомпрессор 6. На газотурбины 2 установлены вакуумный насос 7 и/или пневматический насос 8, также возможна установка другого навесного оборудования 4. Предполагается двусторонний монтаж навесного оборудования 4 на газотурбины 2, эжекторы 3 и эжекторную насадку 5. В качестве навесного оборудования 4 в установке используется такое оборудование, как пневмокомпрессор, гидронасос, вакуумный насос 7, пневматический насос 8, генератор, водяной насос, колесные вакуумные или колесные пневматические моторы 9, стартер 10.
На коленчатый вал 11 ДВС через муфту 12 подключен вакуумный мотор 13 и/или пневматический мотор 14. Установка содержит ресиверы 16 с аварийными клапанами 17, не менее одного, для вакуума и/или для сжатого воздуха, систему трубопроводов для подачи рабочей среды, электромагнитные клапаны 18, обратные клапаны 19, штуцеры 20 для подключения дополнительного оборудования, регуляторы давления 21. В установку входят дополнительная турбина наддува 22 в паре с вакуумным или пневматическим мотором 13 или 14; механический компрессор (нагнетатель) 23, пневмовакуумные моторы 15. В корпусе газотурбины 2 и турбины турбокомпрессора 6, дополнительной турбине наддува 22 установлены форсунки 24 подачи сжатого воздуха для дополнительного вращения крыльчатки турбин. Форсунки 25 для подачи сжатого воздуха во впускной коллектор ДВС установлены на выходе из корпуса механического компрессора 23, дополнительной турбины наддува 22 или, непосредственно, во впускном коллекторе (не показано) ДВС.
Для включения, остановки и регулировки оборотов навесного оборудования 4 на газотурбинах 2 и эжекторах 3 установлены регулировочные заслонки 26. На газотурбинах 2 и эжекторах 3 навесного оборудования 4 применяются обычные игольчатые, шариковые или роликовые подшипники скольжения, так как нагрузки и обороты регулируются установленными на них заслонками 26 или заслонками 26, установленными на перепускных линиях 27, которые смонтированы на газотурбинах 2 или на выхлопной трубе 1.
Вакуумный и пневматический насосы 7 и 8, установленные на эжекторную насадку 5, соединены между собой последовательно (обозначено на фиг.3 пунктиром) для уменьшения шума (Дб) и улучшения экологических норм.
При большем объеме пневмовакуумного ресивера 16 силовая установка позволяет использовать такое оборудование, как вакуумный, пневматический или электровакуумный усилитель руля, вакуумная или пневмовакуумная подвеска транспортного средства, вакуумная, пневматическая или пневмовакуумная тормозная система, при конструктивной схеме «трансэксл» пневматические или вакуумные моторы монтируются на КПП, в классической схеме – вакуумные или пневматические моторы монтируются на колеса транспортного средства.
Во время работы вакуумных насосов 7, установленных на газотурбины 2, используется пневматическая сила их выхлопов (фиг.1). При малом вакууме в ресивере 16 помогает эжектор (газоструйный компрессор) 3, который засасывает воздух. При работе колесных моторов 9, кроме вакуума, используется пневматическая сила вакуумного насоса 7. Также выхлоп из вакуумного насоса 7 используется как пневматическая сила для привода дополнительной турбины наддува 22.
То же самое, но в обратном порядке происходит в случае установки на газотурбины 2 пневматических насосов 8 (фиг.2).
При установке на газотурбины 2 вакуумного и пневматического насосов 7 и 8 и двух ресиверов 16 возможно использование в работе вакуума и сжатого воздуха одновременно (фиг.3, 4).
В момент быстрого ускорения транспортного средства автоматически открывается электромагнитный клапан 18 и подается через регулятор давления 21 сжатый воздух из ресивера 16 во впускной коллектор (не показан) ДВС в паре с турбокомпрессором 6 (фиг.4). Данная конструкция предусматривает временную (в момент разгона) или постоянную подачу сжатого воздуха непосредственно в камеру сгорания (не показана) ДВС, во впускной коллектор (не показан), за дроссельной заслонкой (не показана) или за индивидуальными дроссельными заслонками (не показаны) впускного коллектора.
Использование ДВС с непосредственной подачей сжатого воздуха в камеру сгорания позволяет использовать ДВС малой кубатуры, но с большей мощностью и меньшим количеством вредных выбросов в атмосферу.
Автоматическая или принудительная регулировка регулятора давления 21 подачи сжатого воздуха позволяет изменять мощность ДВС в зависимости от потребностей. При повышении давления сжатого воздуха во впускном коллекторе или непосредственно в камере сгорания параллельно повышается мощность ДВС, степень сжатия и снижается расход топлива.
На транспортном средстве с пневматическим (дополнительной турбиной наддува 22), или механическим компрессором (нагнетатель) 23 эффективнее использовать регулируемую подачу сжатого воздуха через форсунку 25, смонтированную на выходе из их корпуса или во впускном коллекторе ДВС, тем самым, повышая КПД, создавая широкий диапазон рабочих оборотов двигателя и стабильное ускорение с холостых оборотов ДВС.
В момент интенсивного разгона транспортного средства регулирующая заслонка 26 с минимальным зазором прижимается к крыльчатке газотурбины 2 турбокомпрессора 6, выхлопные газы с еще большей скоростью устремляются в образовавшийся зазор, интенсивнее раскручивая крыльчатку газотурбины 2, а сжатый воздух через форсунки 24 дополнительно подкручивает крыльчатку газотурбины 2 и турбину турбокомпрессора 6 (фиг.6). Количество форсунок 24 может быть меньше или больше представленного. При резком разгоне транспортного средства автоматически из ресивера 16 через регулятор давления 21 и электромагнитный клапан 18 сжатый воздух подается на форсунки 24, наклонно установленные в корпусе турбины и газотурбины 2 турбокомпрессора 6 по ходу выхода выхлопных газов и направленные на лопасти газотурбины 2. Происходит процесс форсировки (overboost) ДВС. Сжатый воздух из форсунок 24 с еще большей скоростью подкручивает крыльчатку турбины 2 и газотурбины турбокомпрессора 6, параллельно повышается давление и степень сжатия в ДВС. При повышении давления турбонаддува повышается мощность ДВС и разгонная динамика с холостых оборотов, исключается такое негативное явление, как турбояма, уменьшаются вредные выбросы в атмосферу, экономится топливо и осуществляется возможность дополнительной функции регулировать мощность ДВС.
При использовании силовой установки возможна работа двух циклов подачи сжатого воздуха и вакуума в камеру сгорания (не показано) ДВС (фиг.3, 4). Подвод трубопровода обозначен поз.28. Порционно вакуум подается в камеру сгорания в момент, когда поршень (не показан) ДВС находится в нижней мертвой точке, а сжатый воздух подается в камеру сгорания, когда поршень (ДВС) находится в верхней мертвой точке.
В процессе работы повышается КПД, степень сжатия, понижается тепловой режим в цилиндропоршневой системе, стабилизируется процесс трения поршневой группы, улучшается работа ДВС на обедненных топливных смесях, выхлоп соответствует стандартам Евро 5-6 и возможен отказ от использования стартера 10.
В итоге, комплексное использование силовой установки дает экономию топлива от 20%, повышение мощности от 30% и соответствие экологическим стандартам Евро 5-6.
Формула изобретения
1. Силовая установка транспортного средства, содержащая установленные на выхлопной трубе двигателя внутреннего сгорания (ДВС) газотурбины с навесным оборудованием, имеющие регулировочные заслонки, трубопроводы с электромагнитными и обратными клапанами для циркуляции рабочей среды, отличающаяся тем, что включает установленные на коленчатом валу ДВС пневматический и/или вакуумный мотор, расположенные на выхлопной трубе газотурбины с вакуумными и/или пневматическими насосами, эжекторы с навесным оборудованием и с регулировочными заслонками, эжекторную насадку для монтажа дополнительного навесного оборудования; турбокомпрессор, механический компрессор, дополнительную турбину наддува в паре с вакуумным или пневматическим мотором, ресивер не менее одного; форсунки подачи сжатого воздуха, регуляторы давления сжатого воздуха; перепускную линию с заслонками.
2. Силовая установка по п.1, отличающаяся тем, что в качестве навесного оборудования используются пневмокомпрессор, гидронасос, вакуумный насос, пневматический насос, генератор, водяной насос, колесные вакуумные или колесные пневматические моторы.
3. Силовая установка по п.1, отличающаяся тем, что возможна двусторонняя установка навесного оборудования на газотурбины, эжекторы и эжекторную насадку.
4. Силовая установка по п.1, отличающаяся тем, что содержит штуцеры для подключения дополнительного оборудования.
5. Силовая установка по п.2, отличающаяся тем, что установленные на эжекторную насадку вакуумный и пневматический насосы соединены между собой последовательно.
6. Силовая установка по п.1, отличающаяся тем, что форсунки подачи сжатого воздуха установлены в корпусе газотурбины и турбины турбокомпрессора, дополнительной турбины наддува, также на выходе из корпуса дополнительной турбины наддува и механического компрессора или во впускном коллекторе ДВС.
7. Силовая установка по п.1, отличающаяся тем, что выполнена с возможностью подачи вакуума и сжатого воздуха в камеру сгорания ДВС.
РИСУНКИ
|
|