|
|
(21), (22) Заявка: 2007104019/02, 30.06.2005
(24) Дата начала отсчета срока действия патента:
30.06.2005
(30) Конвенционный приоритет:
02.07.2004 FI 20040929
(43) Дата публикации заявки: 10.08.2008
(46) Опубликовано: 27.05.2010
(56) Список документов, цитированных в отчете о поиске:
WO 03033873 A1, 24.04.2003. SU 870693 A1, 07.10.1981. RU 2221688 C2, 20.01.2004. RU 2163295 C2, 20.02.2001. RU 2075596 C1, 20.03.1997. SU 765681 A1, 23.09.1980.
(85) Дата перевода заявки PCT на национальную фазу:
02.02.2007
(86) Заявка PCT:
FI 2005/050257 20050630
(87) Публикация PCT:
WO 2006/003259 20060112
Адрес для переписки:
129090, Москва, ул. Б.Спасская, 25, стр.3, ООО “Юридическая фирма Городисский и Партнеры”, А.В.Мицу
|
(72) Автор(ы):
КЕСКИНИВА Маркку (FI), МЯКИ Йорма (FI), ХЕЛИН Аймо (FI), ЭСКО Маури (FI), АХОЛА Эркки (FI)
(73) Патентообладатель(и):
САНДВИК МАЙНИНГ ЭНД КОНСТРАКШН ОЙ (FI)
|
(54) УДАРНОЕ УСТРОЙСТВО (ВАРИАНТЫ), БЛОК УПРАВЛЕНИЯ УДАРНЫМ УСТРОЙСТВОМ И СПОСОБ УПРАВЛЕНИЯ УДАРНЫМ УСТРОЙСТВОМ
(57) Реферат:
Изобретение относится к способу и блоку управления ударным устройством бурильной установки и к ударному устройству бурильной установки. Подают с помощью ударного устройства ударные импульсы на инструмент, соединяемый с бурильной установкой. Создают волну сжимающего напряжения в инструменте, распространяющуюся от первого конца ко второму концу, и с отражением по меньшей мере части сжимающего напряжения в виде отраженной волны, распространяющейся от второго конца к первому концу инструмента. Устанавливают ударную частоту ударного устройства пропорционально времени распространения волн сжимающего напряжения, зависящему от длины используемого инструмента и скорости распространения волны в материале инструмента. Создают с помощью ударного устройства новую волну сжимающего напряжения в инструменте, когда одна из предшествующих волн сжимающего напряжения достигает первого конца инструмента. Суммируют новую волну сжимающего напряжения и отраженную волну для создания суммарной волны, распространяющейся в инструменте со скоростью распространения волны по направлению ко второму концу инструмента. В результате при бурении обеспечивается постоянный контакт инструмента с породой и уменьшается сила подачи инструмента. 4 н. и 10 з.п. ф-лы, 10 ил.
Настоящее изобретение относится к ударному устройству бурильной установки, блоку управления таким ударным устройством и способу управления ударным устройством в процессе ударного бурения.
Из SU 765681, публ. 25.09.1980 известно ударное устройство, содержащее средство для обеспечения ударного импульса инструменту для формирования волны сжимающего напряжения, вызванной ударным импульсом, распространяющейся от первого конца ко второму концу инструмента, с отражением по меньшей мере части волны сжимающего напряжения в виде отраженной волны, распространяющейся от второго конца инструмента к первому концу инструмента, блок управления для регулирования ударной частоты ударного устройства и средство для определения по меньшей мере ударной частоты ударного устройства, при этом блок управления для регулирования ударной частоты ударного устройства выполнен с обеспечением установки ударной частоты пропорционально времени распространения волн напряжения, которое зависит от длины используемого инструмента и скорости распространения волны (У3в) в материале инструмента.
Из той же публикации известен блок или блоки управления для регулирования ударного устройства и регулирования ударной частоты ударного устройства с обеспечением инструменту ударных импульсов, обеспечивающих формирование в инструменте волны сжимающего напряжения, распространяющейся со скоростью распространения, зависящей от материала инструмента, от первого конца ко второму концу инструмента, и с отражением по меньшей мере части сжимающего напряжения в виде отражающей волны, распространяющейся от второго конца инструмента к первому концу инструмента, и обеспечивающий установку ударной частоты ударного устройства пропорционально времени распространения волн напряжения.
Кроме того, из той же публикации известен способ управления ударным устройством, включающий создание волны сжимающего напряжения в инструменте, распространяющейся от первого конца ко второму концу инструмента со скоростью распространения волны, зависящей от материала инструмента и отражением по меньшей мере части сжимающего напряжения в виде отраженной волны, распространяющейся от второго конца к первому концу инструмента, и управление ударным устройством и его ударной частотой, при этом выполняют установку ударной частоты ударного устройства пропорционально времени распространения волн сжимающего напряжения, зависящего от длины используемого инструмента и скорости распространения волны в материале инструмента, создают ударным устройством новую волну сжимающего напряжения в инструменте, при достижении отраженной волной от одной из предшествующих волн сжимающего напряжения первого конца инструмента, и суммируют новую волну сжимающего напряжения и отраженную волну для создания суммарной волны, распространяющейся в инструменте со скоростью распространения волны по направлению ко второму концу инструмента.
При ударном бурении породы используется бурильная установка, имеющая по меньшей мере ударное устройство и инструмент. Ударное устройство создает волну сжимающего напряжения, которая распространяется по хвостовику к инструменту и к буровому долоту на самом внешнем конце инструмента. Волна сжимающего напряжения распространяется в инструменте со скоростью, зависящей от материала инструмента. Таким образом, она является распространяющейся волной, скорость которой в инструменте, изготовленном из стали, например, составляет 5190 м/с. Когда волна сжимающего напряжения достигает бурового долота, она заставляет буровое долото проходить в породу. Однако было отмечено, что от 20 до 50% энергии волны сжимающего напряжения, созданной ударным устройством, отражается обратно от бурового долота в качестве отраженной волны, которая распространяется в инструменте в обратном направлении, т.е. по направлению к ударному устройству. В зависимости от условий бурения, отраженная волна может содержать лишь волну сжимающего напряжения или волну растягивающего напряжения. Однако отраженная волна, как правило, содержит как компонент растягивающего напряжения, так и компонент сжимающего напряжения. На сегодняшний день, энергия отраженных волн не может быть эффективно использована в бурении, что естественно снижает эффективность бурения. С другой стороны, известно, что отраженные волны создают проблемы, касающиеся, например, срока службы бурильного оборудования.
Целью настоящего изобретения стало создание новых и усовершенствованных ударного устройства бурильной установки, блока управления таким ударным устройством и способа управления ударным устройством в процессе ударного бурения, устраняющих недостатки известных технических решений.
Указанная цель достигается за счет того, что в способе управления ударным устройством бурильной установки в процессе ударного бурения, согласно которому подают с помощью ударного устройства ударные импульсы на инструмент, соединяемый с бурильной установкой, создают волну сжимающего напряжения в инструменте, распространяющуюся от первого ко второму концу инструмента со скоростью распространения волны, зависящей от материала инструмента, и с отражением по меньшей мере части сжимающего напряжения в виде отраженной волны, распространяющейся от второго конца к первому концу инструмента, и управляют ударным устройством и его ударной частотой, согласно изобретению устанавливают ударную частоту ударного устройства, пропорциональную времени распространения волн сжимающего напряжения, зависящему от длины используемого инструмента и скорости распространения волны в материале инструмента, создают с помощью ударного устройства новую волну сжимающего напряжения в инструменте, когда одна из предыдущих волн сжимающего напряжения достигает первый конец инструмента, и суммируют новую волну сжимающего напряжения и отраженную волну для создания суммарной волны, распространяющейся в инструменте со скоростью распространения волны по направлению ко второму концу инструмента.
Предпочтительно, форму суммарной волны регулируют путем точного регулирования ударной частоты, и при точном регулировании ускоряют или замедляют создание новых ударных импульсов от установленной ударной частоты, которая определяется пропорциональной времени распространения волн напряжения, посредством чего точное регулирование влияет на суммирование новой волны сжимающего напряжения и отраженной волны и, таким образом, на форму суммарной волны.
Предпочтительно, в способе используют инструмент, содержащий по меньшей мере две буровых штанги, соединенные друг с другом с помощью соединений, устанавливают ударную частоту ударного устройства, соответствующую времени распространения волны напряжения от одного конца до другого конца буровой штанги и обратно, посредством ударной частоты регулируют время распространения волны сжимающего напряжения по направлению ко второму концу инструмента и распространения отраженной волны в противоположном направлении для по существу одновременного достижения точки соединения буровых штанг, и суммируют в точке соединения волну сжимающего напряжения и отраженную волну, посредством чего волна сжимающего напряжения устраняет компонент растягивающего напряжения в отраженной волне.
Предпочтительно, используют ударную частоту, составляющую, по меньшей мере, 100 Гц.
Указанная цель также достигается за счет того, что блок управления с программным изделием для регулирования ударного устройства и регулирования ударной частоты ударного устройства бурильной установки в процессе ударного бурения с подачей на соединяемый с бурильной установкой инструмент ударных импульсов, обеспечивающих формирование в инструменте волны сжимающего напряжения, распространяющейся от первого конца ко второму концу инструмента со скоростью распространения, зависящей от материала инструмента, с отражением по меньшей мере части сжимающего напряжения в виде отражающей волны, распространяющейся от второго конца к первому концу инструмента, согласно изобретению выполнен с возможностью установки ударной частоты, ударного устройства пропорциональной времени распространения волн напряжения.
Предпочтительно, блок предназначен для математического определения времени распространения волн напряжения в инструменте в соответствии с полученными данными о длине и материале инструмента.
Указанная цель также достигается за счет того, что в ударном устройстве бурильной установки, содержащем средство для подачи ударного импульса на инструмент для формирования волны сжимающего напряжения, распространяющей от первого конца ко второму концу инструмента, с отражением по меньшей мере части волны сжимающего напряжения в виде отраженной волны, распространяющейся от второго конца к первому концу инструмента, блок управления для регулирования ударной частоты ударного устройства и средство для определения по меньшей мере ударной частоты ударного устройства, согласно изобретению блок управления для регулирования ударной частоты ударного устройства выполнен с обеспечением установки ударной частоты, пропорциональной времени распространения волн напряжения, которое зависит от длины используемого инструмента и скорости распространения волны в материале инструмента.
Предпочтительно, блок управления предназначен для математического определения времени распространения волн напряжения в инструменте после получения блоком управления данных о длине и материале инструмента.
Предпочтительно, ударное устройство содержит присоединенный к нему инструмент, имеющий по меньшей мере две буровые штанги, соединенные посредством соединений, при этом блок управления предназначен для установки ударной частоты ударного устройства в соответствии со временем распространения волны напряжения от одного конца до другого буровой штанги, посредством чего волна сжимающего напряжения, распространяющаяся от первого конца ко второму концу инструмента, и отраженная волна, распространяющаяся от второго конца к первому концу инструмента, воздействуют по существу одновременно на точку соединения буровых штанг.
Предпочтительно, ударное устройство содержит средство для применения энергии компонента сжимающего напряжения отраженной волны в создании новых ударных импульсов.
Предпочтительно, блок управления выполнен с возможностью точного регулирования ударной частоты для воздействия на форму волны напряжения, распространяющейся от первого ко второму концу инструмента, и при таком регулировании блок управления выполнен с возможностью ускорения или замедления ударной частоты от установленной частоты, пропорциональной времени распространения волн напряжения.
Предпочтительно, ударное устройство выполнено с возможностью создания ударных импульсов непосредственно от энергии гидравлического давления без ударного поршня.
Дополнительно указанная цель изобретения достигается за счет того, что ударное устройство бурильной установки, содержащее средство для подачи ударного импульса на инструмент для формирования волны сжимающего напряжения, распространяющейся от первого конца ко второму концу инструмента, с отражением по меньшей мере части волны напряжения в виде отраженной волны, распространяющейся от второго конца к первому концу инструмента, средство для регулирования ударной частоты ударного устройства и средство для определения ударной частоты ударного устройства, согласно изобретению содержит средство для плавного и раздельного регулирования ударной частоты и ударной энергии, при этом ударная частота ударного устройства устанавливается пропорциональной времени распространения волн напряжения, которое зависит от длины используемого инструмента и скорости распространения волны в материале инструмента.
Предпочтительно, ударное устройство выполнено с возможностью создания ударных импульсов непосредственно от энергии гидравлического давления без ударного поршня.
Из вышеописанного ясно, что основная идея настоящего изобретения заключается в том, что ударная частота ударного устройства регулируется таким образом, чтобы каждый раз, когда в инструменте создается новая волна сжимающего напряжения, отраженная волна от предшествующей волны сжимающего напряжения должна быть на конце ударного устройства инструмента. Регулирование ударной частоты должно осуществляться пропорционально времени распространения волн напряжения. Длина используемого инструмента и скорость распространения волн напряжения в материале инструмента влияет на время распространения волн напряжения.
Настоящее изобретение обеспечивает преимущество, заключающееся в том, что энергия отраженной волны теперь может быть лучше использована в бурении. Когда отраженная волна достигает конца ударного устройства инструмента, компонент растягивающего напряжения в отраженной волне отражает обратно по направлению к буровому долоту в виде волны сжимающего напряжения. Новая основная волна сжимающего напряжения, созданная при помощи ударного устройства, суммируется с этой отраженной волной сжимающего напряжения, посредством чего суммарная волна, сформированная отраженной и основной волнами сжимающего напряжения, имеет больший запас энергии, чем волна сжимающего напряжения, созданная лишь ударным устройством. Дополнительно, решение согласно изобретению обеспечивает постоянный удовлетворительный контакт между буровым долотом и породой. Это создается благодаря тому, что к буровому долоту инструмента распространяются лишь волны сжимающего напряжения. Когда, на первом конце инструмента, новая волна сжимающего напряжения, созданная ударным устройством, суммируется с отраженной волной напряжения, суммарная волна всегда является волной сжимающего напряжения. Следовательно, никакие волны растягивающего напряжения, которые могут ослабить контакт между буровым долотом и породой, не распространяются по направлению к ударному долоту инструмента. Более того, при использовании решения согласно изобретению, сила подачи может быть ниже, чем раньше, благодаря тому, что надежный контакт между буровым долотом и породой поддерживается без необходимости в компенсировании воздействия волн растягивающих напряжений большей силой подачи.
Далее изобретение будет описано более подробно со ссылками на прилагаемые чертежи, на которых:
фиг.1 – схематичный вид сбоку бурового станка;
фиг.2а – схематичный вид сбоку бурильной установки и инструмента, присоединенного к ней, в процессе бурения;
фиг.2b – схематичный вид первого конца, т.е. конца ударного устройства, инструмента, и распространение отраженной волны напряжения;
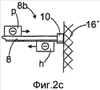
фиг.2с и 2d – схематичные виды особых ситуаций бурения и отражение волны напряжения назад от самого внешнего конца, т.е. второго конца, инструмента;
фиг.2е – схематичный вид нескольких форм суммарных волн, на создание которых повлияла корректировка ударной частоты;
фиг. с 3 по 6 – схематичные виды разных периодов распространения основных волн сжимающего напряжения и волн, отраженных от самого внешнего конца инструмента, в инструменте, содержащем несколько буровых штанг;
фиг.7 – схематичное поперечное сечение ударного устройства согласно изобретению и его оперативного контроля;
фиг.8 – схематичное поперечное сечение второго ударного устройства согласно изобретению и его оперативного контроля;
фиг.9 – схематичное поперечное сечение третьего ударного устройства согласно изобретению и его оперативного контроля;
фиг.10 – таблица с несколькими настройками ударной частоты и множественными настройками ударной частоты для инструментов разной длины.
На чертежах изобретение показано упрощенно для ясности. Подобные детали обозначены подобными ссылочными позициями на чертежах.
Далее подробно описаны варианты воплощения изобретения.
Буровой станок 1, показанный на фиг.1, содержит тележку 2 и по меньшей мере одну подающую балку 3, на которой установлена подвижная бурильная установка 4. При помощи подающего устройства 5 бурильная установка 4 может быть прижата к породе, которую следует пробурить, и, соответственно, отдалена от нее. Подающее устройство 5 может иметь один или несколько гидравлических цилиндров, например, которые могут быть предназначены для перемещения бурильной установки 4 при помощи подходящих элементов, передающих энергию. Подающая балка 3, как правило, присоединена к стреле 6, которая может быть перемещена относительно тележки 2. Бурильная установка 4 содержит ударное устройство 7 для обеспечения ударных импульсов инструменту 8, присоединенному к бурильной установке 4. Инструмент 8 может содержать одну или несколько буровых штанг и буровое долото 10. Бурильная установка 4 может дополнительно содержать вращательное устройство 11 для вращения инструмента 8 вокруг его продольной оси. В ходе бурения ударные импульсы обеспечиваются ударным устройством 7 инструменту 8, который может одновременно вращаться при помощи вращательного устройства 11. Дополнительно бурильная установка 4 может в ходе бурения прижиматься к породе так, что буровое долото 10 может разрушать породу. Бурение породы может контролироваться при помощи одного или нескольких блоков 12 управления. Блок 12 управления может содержать компьютер или подобное устройство. Блок 12 управления может давать команды управления силовым приводам, управляющим работой бурильной установки 4 и подающего устройства 5, таким как клапана, контролирующие вещество под давлением. Ударное устройство 7, вращательное устройство 11 и подающее устройство 5 бурильной установки 4 могут работать на рабочей жидкости или представлять собой электрические силовые приводы.
На фиг.2а изображена бурильная установка 4 с инструментом 8, присоединенным к ее буровому хвостовику 13. Ударное устройство 7 бурильной установки 4 может содержать ударный элемент 14, такой как ударный поршень, расположенный с возможностью движения взад и вперед, который предназначен для удара по ударной поверхности 15 бурового хвостовик 13 и для создания ударного импульса, который распространяется со скоростью, зависящей от материала, в качестве волны сжимающего напряжения, через буровой хвостовик 13 и инструмент 8 к буровому долоту 10. На фиг.2с показан один особый случай бурения породы, при котором волна р сжимающего напряжения не может заставить буровое долото 10 проникать в породу 16. Такая ситуация может возникнуть из-за очень твердого материала 16′ породы, например. В таком случае, первоначальная волна р напряжения отражается назад в качестве волны h сжимающего напряжения от бурового долота 10 по направлению к ударному устройству 7. Второй особый случай показан на фиг.2d. В этом случае, буровое долото 10 может свободно перемещаться вперед без силы сопротивления. Например, при бурении в полости в породе, сопротивление проникновению минимально. Первоначальная волна р сжимающего напряжения затем отражается обратно от бурового долота 10 в качестве отраженной волны растягивающего напряжения по направлению к ударному устройству 7. При бурении на практике, показанном на фиг.2а, буровое долото 10 встречает сопротивление, но все же способно перемещаться вперед благодаря волне р сжимающего напряжения. Сила противостоит перемещению бурового долота 10 вперед, и величина силы зависит от того, насколько далеко буровое долото 10 проникло в породу 16, т.е. чем дальше проникает буровое долото 10, тем выше сила сопротивления, и наоборот. Таким образом, на практике, отраженная волна h, содержащая как компонент растягивающего напряжения, так и компонент сжимающего напряжения, отражается от бурового долота 10. На чертежах растягивающие напряжения отмечены знаком (+) и сжимающие напряжения отмечены знаком (-). Компонент растягивающего напряжения (+) всегда является первым в отраженной волне h и компонент сжимающего напряжения (-) является вторым. Это возникает из-за того, что на начальном этапе воздействия основной волны р сжимающего напряжения, проникновение и сопротивление проникновению бурового долота 10 мало, посредством чего формируется отраженный растягивающий компонент (+). Начальная ситуация таким образом схожа с особой ситуацией, описанной выше, в которой буровое долото 10 может перемещаться вперед без значительной силы сопротивления. На конечном этапе воздействия основной волны р сжимающего напряжения, однако, буровое долото 10 уже глубже проникло в породу 16, в этом случае сопротивление проникновению выше, и первоначальная волна р сжимающего напряжения больше не способна по существу проталкивать буровое долото 10 вперед и глубже в породу 16. Эта ситуация напоминает второй особый случай, описанный выше, в котором внедрение бурового долота 10 в породу 16 предотвращается. Таким образом, возникает отраженная волна сжимающего напряжения (-), которая следует немедленно за волной растягивающего напряжения (+), отраженной первой от бурового долота 10.
Распространяющаяся волна напряжения, обеспеченная ударным устройством 7 инструменту 8, таким образом распространяется от первого конца 8а, т.е. конца ударного устройства инструмента, ко второму концу 8b, т.е. концу бурового долота инструмента, и вновь обратно к первому концу 8а инструмента. Волна напряжения, следовательно, проходит расстояние, вдвое превышающее длину инструмента 8. Согласно идее изобретения ударная частота ударного устройства 7 устанавливается так, что ударное устройство 7 создает новый ударный импульс по существу в тот момент, когда одна из отраженных волн предшествующих волн напряжения достигает первого конца 8а инструмента 8.
При определении расстояния перемещения волны напряжения взад и вперед, длиной бурового долота 10 можно пренебречь, так как осевая длина бурового долота 10 очень мала по сравнению с общей длиной инструмента 8. Буровой хвостовик 13, как правило, длиннее, так что можно принять в расчет его длину.
Далее изобретение будет описано при помощи формул (1), (2) и (3).
Время распространения волны напряжения от первого конца инструмента ко второму концу и обратно может быть подсчитано при помощи следующей формулы

В данной формуле LShank обозначает длину бурового хвостовика, и LRod обозначает длину одной буровой штанги. Общая длина инструмента обозначена Ltot, где n является количеством буровых штанг. С является скоростью распространения волны напряжения в инструменте. Время распространения tk волны напряжения, таким образом, зависит от общей длины Ltot инструмента и от скорости распространения с волны напряжения в материале инструмента.
Дополнительно, возможно подсчитать частоту на основании времени распространения tk волны напряжения при помощи следующей формулы

Следует отметить, что частота fk не является действительной осевой частотой буровой штанги, а частота fk зависит лишь от общей длины инструмента и от скорости распространения волны напряжения.
В соответствии с идеей изобретения ударная частота fd ударного устройства может быть установлена пропорционально времени распространения волны напряжения. Ударная частота тогда вычисляется по следующей формуле

В формуле (3) m является коэффициентом частоты, который представляет собой частное или кратность двух целых чисел.
Когда коэффициент частоты m является частным двух целых чисел, следует отметить, что числитель может отличаться от 1. Значение знаменателя обозначает, сколько раз волна напряжения распространяется назад и вперед в инструменте до тех пор, пока к ней не прибавится новая основная волна сжимающего напряжения. На практике максимальное значение знаменателя равно 4.
Таким образом, на практике формула (3) означает, что при бурении используется ударная частота, которая пропорциональна времени распространения волны напряжения в инструменте. Таким образом, новая волна сжимающего напряжения может быть создана в инструменте так, что она суммируется с компонентом растягивающего напряжения отраженной волны. Как показано на фиг.2b, когда отраженная волна h напряжения достигает первого конца 8а инструмента, компонент растягивающего напряжения (+) не может быть передан ударному устройству, так как первый конец 8а инструмента свободен. Поэтому компонент растягивающего напряжения (+) отражается обратно от первого конца 8а инструмента в качестве компонента сжимающего напряжения (-) по направлению к буровому долоту 10. При помощи ударного устройства новая волна р сжимающего напряжения прибавляется к компоненту сжимающего напряжения, отраженному от первого конца 8а инструмента. Созданная таким образом суммарная волна ptot сжимающих напряжений обладает большим запасом энергии, чем простая волна р сжимающего напряжения. Более того, запас энергии отраженного компонента сжимающего напряжения настолько низок, что он сам по себе не способен разрушать породу. В конечном счете, это вопрос правильного определения времени ударных импульсов, создаваемых ударным устройством 7, относительно отраженных компонентов (+) растягивающего напряжения.
На фиг.2е показано несколько примеров форм суммарной волны ptot. Путем ускорения или замедления создания новой волны сжимающего напряжения относительно прибытия компонента растягивающего напряжения можно повлиять на форму суммарной волны ptot. На практике на форму суммарной волны ptot влияет корректировка ударной частоты. Если ударная частота устанавливается выше, чем значение, определенное на основании бурильного оборудования, получается левая суммарная волна ptot1 с фиг.2е, которая имеет последовательную форму. Если ударная частота устанавливается ниже, чем определенное значение, получается более длинная суммарная волна ptot2, показанная справа на фиг.2е. В последнем случае волна сжимающего напряжения, создаваемая ударным устройством, присоединяется к концу отраженного компонента сжимающего напряжения. На фиг.2b также показана форма суммарной волны ptot, соответствующая определенному значению.
Фиг.3-6 иллюстрируют принцип бурения с буровыми штангами. В таком случае, инструмент 8 содержит две или более наращиваемые буровые штанги с 17а, 17b, 17с, которые соединены друг с другом при помощи соединений 18а, 18b. Это соединение, как правило, имеет соединительную резьбу, к которой присоединяются буровые штанги. Данное соединение может быть частью буровой штанги. Соединенные буровые штанги, как правило, имеют по существу одинаковую длину. Одна проблема, возникающая при бурении с буровыми штангами, заключается в том, что компонент растягивающего напряжения (+), отраженный от второго конца 8b инструмента 8, может повредить указанное соединение и в особенности его соединительную резьбу. При помощи настоящего изобретения ударная частота ударного устройства 7 может быть установлена так, чтобы основная волна р сжимающего напряжения всегда приходила к соединению 18а, 8b по существу одновременно с отраженным компонентом растягивающего напряжения (+). Воздействия основной волны р сжимающего напряжения и компонента растягивающего напряжения (+) затем суммируются в соединении, что обеспечивает то, что к соединению не направлено каких-либо растягивающих напряжений. Таким образом, срок службы соединений и буровых штанг может быть лучше, чем раньше. Так как основная волна р сжимающего напряжения может быть довольно длинной, волна р сжимающего напряжения и отраженная волна h не обязательно должны достигать соединения точно в одно время, достаточно, чтобы волна р сжимающего напряжения все еще воздействовала на точку соединения, когда компонент растягивающего напряжения (+) отраженной волны h достигает ее.
При бурении с буровыми штангами ударная частота ударного устройства может быть установлена пропорционально времени распространения волны напряжения при помощи следующей формулы

Таким образом, устанавливается ударная частота, которая соответствует длине LRod одной буровой штанги. Более того, длиной бурового хвостовика 13 можно пренебречь, так как длина бурового хвостовика 13 мала в сравнении с длиной буровой штанги 17.
Далее, распространение волн напряжений при бурении с буровыми штангами будет описано более подробно со ссылками на фиг.3-6. На фиг.3 бурение только началось и первая волна р1 сжимающего напряжения, созданная ударным устройством 7, уже достигла третьей буровой штанги 17 с. Вторая волна р2 напряжения, третья волна р3 напряжения и волны напряжения, следующие за ними, создаются согласно формуле (4), т.е. ударная частота ударного устройства 7 пропорциональна времени распространения волны напряжения. Первая отраженная волна h1, отраженная от второго конца 8b инструмента 8, затем распространяется ко второму соединению 18b по существу одновременно со второй волной р2 сжимающего напряжения. Это показано на фиг.4. Более того, в ситуации с фиг.5 первая отраженная волна h1 уже достигла первого соединения 18а, так же, как и третья волна р3 сжимающего напряжения, распространяющая с противоположного направления. На фиг.6 вторая отраженная волна h2 распространяется ко второму соединению 18b по существу одновременно с третьей волной р3 сжимающего напряжения. Каждый раз, когда отраженная волна h, содержащая компонент растягивающего напряжения (+), достигает соединения, волна р сжимающего напряжения, распространяющаяся с противоположного направления, также воздействует на точку соединения, в результате чего волна р сжимающего напряжения нейтрализует компонент растягивающего напряжения (+).
На фиг.7-9 изображено несколько ударных устройств 1, в которых на ударную частоту можно повлиять путем регулирования вращения или поворота клапана 19 управления вокруг его оси. При помощи ударных устройств с фиг.7-9 возможно достичь очень высокой ударной частоты. Ударная частота может составлять более 450 Гц, даже более 1 кГц.
Ударное устройство 7, показанное на фиг.7, имеет раму 20, с элементом 21 напряжения внутри нее. Ударное устройство дополнительно оборудовано клапаном 19 управления, который способен вращаться вокруг своей оси при помощи подходящего вращательного механизма, или поворачиваться взад и вперед относительно своей оси. Клапан 19 управления может иметь чередующиеся отверстия 22 и 23, которые открывают и закрывают соединение с подающим каналом 24, и соответственно выпускным каналом 25. Рама 20 ударного устройства может дополнительно включать в себя первое пространство 26 для рабочей жидкости (жидкости под давлением). Ударное устройство также может иметь передающий элемент, такой как передающий поршень 27. Основной принцип этого ударного устройства 7 заключается в том, что нагружение и освобождение элемента 21 напряжения регулируется при помощи клапана 19 управления так, что создаются ударные импульсы. Для нагружения элемента 21 напряжения, от насоса 28 к отверстиям 22 в клапане 19 может вести канал 24 для подачи рабочей жидкости. Когда клапан 19 управления вращается, отверстия 22 по одному совпадают с подающим каналом 24 для рабочей жидкости, и позволяют рабочей жидкости протекать через пространство 26 для рабочей жидкости. В результате этого, передающий поршень 27 может давить на элемент 21 напряжения, посредством чего элемент 21 напряжения сжимается. В результате сжатия в передающем поршне 27 запасается энергия, которая стремится толкать поршень 27 по направлению к инструменту 8. Когда клапан 19 управления поворачивается в направлении, обозначенном стрелкой А, открывается соединение из пространства 26 для рабочей жидкости через отверстие 23 к выпускному каналу 25, посредством чего рабочая жидкость в пространстве 26 для рабочей жидкости может быстро вытекать в напорный бак 29. Когда рабочая жидкость выходит из пространства 26 для рабочей жидкости, элемент 21 напряжения освобождается, и сила, созданная напряжением, сжимает инструмент 8. Энергия, запасенная в элементе 21 напряжения, передается в качестве ударного импульса к инструменту 8. Элемент 21 напряжения и передающий поршень 27 могут быть отдельными деталями, в этом случае элемент 21 напряжения может быть изготовлен из твердого материала, или может состоять из жидкости под давлением во втором пространстве 30 для рабочей жидкости. Если элемент 21 напряжения состоит из твердого материала, он может быть объединен с передающим поршнем 27.
На фиг.8 показано одно воплощение ударного устройства 7, показанного на фиг.7, в котором рабочая жидкость подается напрямую, без регулирования клапаном 19 управления, от насоса 28 вдоль подающего канала 24 к первому пространству 26 для рабочей жидкости. В этом случае достаточно, чтобы клапан 19 управления имел отверстия 23 для возможности отвода рабочей жидкости из пространства 26 для рабочей жидкости в выпускной канал 25. Таким образом, данное решение регулирует лишь сброс давления рабочей жидкости из первого пространства 26 для рабочей жидкости с подходящей частотой для обеспечения инструменту 8 ударных импульсов.
На фиг.9 показано ударное устройство, которое имеет второе пространство 30 для рабочей жидкости, которое может быть соединено по каналу 31 с источником 32 рабочей жидкости, так что рабочая жидкость может подаваться в пространство 30 для рабочей жидкости. В этом решении рабочая жидкость во втором пространстве 30 для рабочей жидкости может служить в качестве элемента 21 напряжения. Передающий поршень 27 или тому подобный элемент может отделять первое пространство 26 для рабочей жидкости и второе пространство 30 для рабочей жидкости друг от друга. Насос 28 может подавать рабочую жидкость через клапан 19 управления к первому пространству 26 для рабочей жидкости. Клапан 19 управления может быть предназначен для открытия и закрытия соединения первого пространства 26 для рабочей жидкости с подающим каналом 24, и, с другой стороны, с выпускным каналом 25. Насосы 28 и 32 могут также быть соединены друг с другом. Когда рабочая жидкость под контролем клапана 19 управления подается в первое пространство 26 для рабочей жидкости, передающий поршень 27 перемещается в направлении, обозначенном стрелкой В, к своему самому заднему положению, посредством чего рабочая жидкость выходит из второго пространства 30 для рабочей жидкости. После этого клапан 19 управления поворачивается относительно своей оси до положения, в котором рабочая жидкость может быстро вытекать из первого пространства 26 для рабочей жидкости в выпускной канал 25. Давление, преобладающее во втором пространстве 30 для рабочей жидкости, и давление, созданное насосом 32, затем воздействуют на передающий поршень 27 и создают силу, в результате которой передающий поршень 27 толкает вперед инструмент 8. Передающий поршень 27 сжимает инструмент 8, в результате чего в инструменте 8 создается ударный импульс для распространения в качестве волны р сжимающего напряжения через инструмент 8. Отраженный от пробуриваемой породы импульс h распространяется по инструменту 8 назад к ударному устройству 7. Этот отраженный импульс стремится протолкнуть передающий поршень 27 в направлении, обозначенном стрелкой В, посредством чего энергия отраженного импульса передается рабочей жидкости во втором пространстве 30 для рабочей жидкости. Количество рабочей жидкости, поданное во второе пространство 30 для рабочей жидкости, следовательно, может быть малым, в этом случае ударный импульс может быть создан при помощи малого количества поданной энергии.
В вариантах на фиг.7-9 клапан 19 управления может вращаться или поворачиваться вокруг своей оси при помощи вращательного двигателя 33, например, который может работать на жидкости под давлением или представлять собой электрическое устройство, и может быть присоединен для воздействия на клапан 19 управления при помощи подходящих передающих элементов, таких как зубчатые колеса. В отличие от решений, показанных на фиг.7-9, вращательный двигатель 33 может быть объединен с клапаном 19 управления. Перемещение клапана 19 управления может относительно точно регулироваться при помощи вращательного двигателя 33, посредством чего регулирование ударной частоты ударного устройства 7 также точное. Таким образом, ударные импульсы могут создаваться в соответствии с изобретением при использовании точной корректной ударной частоты, которая зависит от длины используемого бурильного оборудования. Точное регулирование ударной частоты также делает возможным корректировку ударной частоты с тем, чтобы повлиять на форму суммарной волны. Дополнительно регулирование ударной частоты и ударной энергии может быть плавным. Регулирование ударной частоты и ударной энергии может выполняться отдельно. Это означает, что ударная частота и величина ударной энергии могут по отдельности настраиваться на желаемое значение.
Ударная частота, используемая при бурении, может быть измерена множеством способов. На фиг.7 показана лишь одна возможность, т.е. волну напряжения, распространяющуюся от инструмента 8 или бурового хвостовика 13 можно определить при помощи подходящей катушки 34. На фиг.8 и 9, в свою очередь, описаны способы измерения при помощи подходящих датчиков 35 давления или напорного потока по меньшей мере одного канала для рабочей жидкости или пространства для рабочей жидкости ударного устройства, и передачи информации об измерении на блок 12 управления ударного устройства, который оснащен средствами для обработки результатов измерений. На основании импульса в результатах измерений блок 12 управления способен рассчитать ударную частоту ударного устройства 7. Также можно измерять поворотные или вращательные движения клапана 19 управления, показанного на фиг. с 7 по 9, и определять использованную ударную частоту, основываясь на этих данных. Помимо вышеупомянутых решений, также можно определять ударную частоту путем измерения других физических явлений, которые служат признаками образования ударных импульсов, от ударного устройства или средств, принадлежащих к нему. Таким образом, также при измерении ударной частоты можно использовать, например, пьезоэлектрические датчики, датчики ускорения и детекторы звука.
Также можно определять время распространения волн напряжения другими способами, нежели математический способ, описанный выше, посредством длины инструмента 8 и скорости распространения волны напряжения. Ударное устройство 7 может содержать один или несколько датчиков или измерительных приборов для измерения отраженной волны h, возвращающейся от второго конца 8b инструмента. На основании результатов измерений блок 12 управления может определить время распространения волн в инструменте и регулировать ударную частоту.
Стратегия управления согласно изобретению может дополнительно быть установлена в блоке 12 управления ударного устройства для того, чтобы принимать в расчет измеренную ударную частоту и используемое бурильное оборудование, и для автоматического регулирования ударной частоты в соответствии с идеей изобретения. Регулирование ударной частоты может осуществляться вручную, при этом блок 12 управления ударного устройства информирует оператора об используемой ударной частоте, и оператор вручную регулирует ударную частоту, так что, она, способом согласно изобретению зависит от используемого бурильного оборудования. Оператор может иметь таблицы или вспомогательные средства, которые указывают ударную частоту, которую следует использовать при бурении инструментами разной длины. Иным образом, информация о точных ударных частотах может храниться в блоке 12 управления, из которого оператор может выбрать ее. Блок 12 управления может также направлять оператора в установке точной ударной частоты. Также возможно, что манипулятор буровых штанг предназначен для определения идентификатора в буровой штанге и для информировании блока управления каждый раз об общей длине используемого инструмента и о длине каждой из буровых штанг.
Следует отметить, что для упрощенности, на фиг.9 не показаны средства для вращения или поворота клапана 19 управления, блок управления, или средства для измерения ударной частоты.
Изобретение может быть применено как к ударным устройствам, работающим на жидкости под давлением, так и к ударным устройствам с электроприводом. Для осуществления изобретения не важно, какой тип ударного устройства создает волны сжимающего напряжения, распространяющиеся в инструменте. Ударный импульс является кратковременным силовым воздействием, обеспеченным ударным устройством, для создания волны сжимающего напряжения в инструменте.
Способ согласно изобретению может быть осуществлен путем прогона компьютерной программы в одном или нескольких процессорах компьютера, принадлежащих блоку 12 управления.
Программное изделие, которое исполняет способ согласно изобретению, может храниться в памяти блока 12 управления, или программное изделие может быть загружено в компьютер с запоминающих устройств, таких как компакт-дисковое запоминающее устройство. Дополнительно программное изделие может быть загружено с другого компьютера через информационную сеть, например, в устройство, принадлежащее системе управления горной машины.
Таблица на фиг.10 показывает некоторые настройки ударной частоты для нескольких длин инструмента, и некоторые их типичные множества. В качестве примера можно упомянуть, что если диапазон ударной частоты ударного устройства составляет от 350 до 650 Гц, можно выбрать из таблицы подходящие частоты, которые обведены в рамку в таблице 10. Значение знаменателя коэффициента частоты обозначает, сколько раз волна напряжения распространяется взад и вперед в инструменте до тех пор, пока новая основная волна сжимающего напряжения не присоединится к ней. Чем меньше значение знаменателя, тем меньше отраженная волна напряжения нагружает инструмент. Поэтому при выборе коэффициента частоты следует предпочитать значения, при которых знаменатель частного имеет как можно меньшее значение.
Следует отметить, что при использовании настоящего изобретения возможно применение различных комбинаций и изменений особенностей, описанных в этом заявлении.
Ударное устройство согласно изобретению может быть использовано не только при бурении, но также в других устройствах, в которых применяются ударные импульсы, например в дробильных молотах и других дробильных устройствах для каменного материала или другого твердого материала, и сваебойных устройствах, например.
Чертежи и относящееся к ним описание предназначены лишь для иллюстрации идеи изобретения. Изобретение может изменяться в деталях в рамках формулы изобретения.
Формула изобретения
1. Способ управления ударным устройством бурильной установки в процессе ударного бурения, согласно которому подают с помощью ударного устройства ударные импульсы на инструмент, соединяемый с бурильной установкой, создают волну сжимающего напряжения в инструменте, распространяющуюся от первого конца ко второму концу инструмента со скоростью распространения волны, зависящей от материала инструмента, и с отражением по меньшей мере части сжимающего напряжения в виде отраженной волны, распространяющейся от второго конца к первому концу инструмента, и управляют ударным устройством и его ударной частотой, отличающийся тем, что устанавливают ударную частоту ударного устройства пропорционально времени распространения волн сжимающего напряжения, зависящему от длины используемого инструмента и скорости распространения волны в материале инструмента, создают с помощью ударного устройства новую волну сжимающего напряжения в инструменте, когда одна из предшествующих волн сжимающего напряжения достигает первого конца инструмента, и суммируют новую волну сжимающего напряжения и отраженную волну для создания суммарной волны, распространяющейся в инструменте со скоростью распространения волны по направлению ко второму концу инструмента.
2. Способ по п.1, отличающийся тем, что форму суммарной волны регулируют путем точного регулирования ударной частоты, и при точном регулировании ускоряют или замедляют создание новых ударных импульсов от установленной ударной частоты, которая определяется пропорционально времени распространения волн напряжения, посредством чего точное регулирование влияет на суммирование новой волны сжимающего напряжения и отраженной волны и, таким образом, на форму суммарной волны.
3. Способ по п.1 или 2, отличающийся тем, что используют инструмент, содержащий по меньшей мере две буровые штанги, соединенные друг с другом с помощью соединений, устанавливают ударную частоту ударного устройства, соответствующую времени распространения волны напряжения от одного конца до другого буровой штанги и обратно, посредством ударной частоты регулируют время распространения волны сжимающего напряжения по направлению ко второму концу инструмента и распространения отраженной волны в противоположном направлении для, по существу, одновременного достижения точки соединения буровых штанг, и суммируют в точке соединения волну сжимающего напряжения и отраженную волну, посредством чего волна сжимающего напряжения устраняет компонент растягивающего напряжения в отраженной волне.
4. Способ по п.1 или 2, отличающийся тем, что используют ударную частоту, составляющую по меньшей мере 100 Гц.
5. Блок управления с программным изделием для регулирования ударного устройства бурильной установки в процессе ударного бурения и регулирование ударной частоты ударного устройства, выполненный с возможностью такого управления ударным устройством бурильной установки в процессе ударного бурения, при котором обеспечивается подача на соединяемый с бурильной установкой инструмент ударных импульсов, обеспечивающих формирование в инструменте волны сжимающего напряжения, распространяющейся от первого конца ко второму концу инструмента со скоростью распространения, зависящей от материала инструмента, с отражением по меньшей мере части сжимающего напряжения в виде отражающей волны, распространяющейся от второго конца к первому концу инструмента, отличающийся тем, что он выполнен с возможностью установки ударной частоты ударного устройства пропорционально времени распространения волн напряжения.
6. Блок по п.5, отличающийся тем, что он предназначен для математического определения времени распространения волн напряжения в инструменте в соответствии с полученными данными о длине и материале инструмента.
7. Ударное устройство бурильной установки, содержащее средство для подачи ударного импульса на инструмент для формирования волны сжимающего напряжения, распространяющейся от первого конца ко второму концу инструмента, с отражением по меньшей мере части волны сжимающего напряжения в виде отраженной волны, распространяющейся от второго конца к первому концу инструмента, блок управления для регулирования ударной частоты ударного устройства и средство для определения по меньшей мере ударной частоты ударного устройства, отличающееся тем, что блок управления для регулирования ударной частоты ударного устройства выполнен с обеспечением установки ударной частоты пропорционально времени распространения волн напряжения, которое зависит от длины используемого инструмента и скорости распространения волны в материале инструмента.
8. Ударное устройство по п.7, отличающееся тем, что блок управления предназначен для математического определения времени распространения волн напряжения в инструменте после получения блоком управления данных о длине и материале инструмента.
9. Ударное устройство по п.7 или 8, отличающееся тем, что оно содержит присоединенный к нему инструмент, имеющий по меньшей мере две буровые штанги, соединенные посредством соединений, при этом блок управления предназначен для установки ударной частоты ударного устройства в соответствии со временем распространения волны напряжения от одного конца до другого конца буровой штанги, посредством чего волна сжимающего напряжения, распространяющаяся от первого конца ко второму концу инструмента, и отраженная волна, распространяющаяся от второго конца к первому концу инструмента, воздействуют, по существу, одновременно на точку соединения буровых штанг.
10. Ударное устройство по п.7 или 8, отличающееся тем, что оно содержит средство для применения энергии компонента сжимающего напряжения отраженной волны в создании новых ударных импульсов.
11. Ударное устройство по п.7 или 8, отличающееся тем, что блок управления выполнен с возможностью точного регулирования ударной частоты для воздействия на форму волны напряжения, распространяющейся от первого ко второму концу инструмента, и при таком регулировании блок управления выполнен с возможностью ускорения или замедления ударной частоты от установленной частоты пропорционально времени распространения волн напряжения.
12. Ударное устройство по п.7 или 8, отличающееся тем, что оно выполнено с возможностью создания ударных импульсов непосредственно от энергии гидравлического давления без ударного поршня.
13. Ударное устройство бурильной установки, содержащее средство для подачи ударного импульса на инструмент для формирования волны сжимающего напряжения, распространяющейся от первого конца ко второму концу инструмента, с отражением по меньшей мере части волны напряжения в виде отраженной волны, распространяющейся от второго конца инструмента к первому концу инструмента, средство для регулирования ударной частоты ударного устройства и средство для определения ударной частоты ударного устройства, отличающееся тем, что оно содержит средство для плавного и раздельного регулирования ударной частоты и ударной энергии, при этом ударная частота ударного устройства устанавливается пропорционально времени распространения волн напряжения, которое зависит от длины используемого инструмента и скорости распространения волны в материале инструмента.
14. Ударное устройство по п.13, отличающееся тем, что оно выполнено с возможностью создания ударных импульсов непосредственно от энергии гидравлического давления без ударного поршня.
РИСУНКИ
|
|