Патент на изобретение №2390385

Published by on




РОССИЙСКАЯ ФЕДЕРАЦИЯ



ФЕДЕРАЛЬНАЯ СЛУЖБА
ПО ИНТЕЛЛЕКТУАЛЬНОЙ СОБСТВЕННОСТИ,
ПАТЕНТАМ И ТОВАРНЫМ ЗНАКАМ
(19) RU (11) 2390385 (13) C2
(51) МПК

B05B5/03 (2006.01)
A45D20/00 (2006.01)

(12) ОПИСАНИЕ ИЗОБРЕТЕНИЯ К ПАТЕНТУ

Статус: по данным на 09.08.2010 – действует

(21), (22) Заявка: 2008131335/12, 29.07.2008

(24) Дата начала отсчета срока действия патента:

29.07.2008

(30) Конвенционный приоритет:

30.07.2007 JP 2007-197644

(43) Дата публикации заявки: 10.02.2010

(46) Опубликовано: 27.05.2010

(56) Список документов, цитированных в отчете о
поиске:
ЕР 1810592 А, 25.07.2007. WO 2006093190 A, 08.09.2006. US 5267555 A, 07.12.1993. ЕР 1060795 А, 20.12.2004. SU 401415 А, 20.11.1973.

Адрес для переписки:

129090, Москва, ул.Б.Спасская, 25, стр.3, ООО “Юридическая фирма Городисский и Партнеры”, пат.пов. А.В.Мицу, рег. 364

(72) Автор(ы):

САИДА Итару (JP)

(73) Патентообладатель(и):

ПАНАСОНИК ЭЛЕКТРИК ВОРКС КО.,ЛТД. (JP)

(54) ВОЗДУХОДУВКА ГОРЯЧЕГО ДУТЬЯ

(57) Реферат:

Изобретение относится к воздуходувке горячего дутья, такой как фен, имеющий электростатический распылитель, создающий заряженные частицы воды. Задачей изобретений является повышение эффективности выхода и количества нано-тумана, исходящего из электронного распылителя. Для этого в воздуходувке горячего дутья электростатический распылитель содержит разрядный электрод, противоэлектрод, цепь генерирования высокого напряжения, средство подачи воды.

Противоэлектрод расположен напротив разрядного электрода. Цепь генерирования служит для прикладывания высокого напряжения к разрядному электроду и к противоэлектроду. Средство подачи воды служит для подачи воды на разрядный электрод, причем вода электростатически распыляется при ее поступлении на разрядный электрод. Цепь генерирования выполнена подключением высокочастотного низкоимпедансного элемента между первичным входным зажимом, принимающим входное напряжение, и вторичным выходным зажимом низкого напряжения. Выходной зажим соединен с противоэлектродом и спарен со вторичным выходным зажимом высокого напряжения, который выводит высокое напряжение, получаемое повышением входного напряжения, принимаемого первичным входным зажимом и затем прикладываемого к разрядному электроду. Техническим результатом изобретений является обеспечение возможности создания стабильно заряженных частиц и испускания их в большем количестве. 2 н. и 2 з.п. ф-лы, 6 ил.

Перекрестная ссылка на родственные заявки

Данная заявка основывается на и притязает на выгодоприобретение из патентной заявки Японии TOKUGAN 2007-197644 от 30 июля 2007 г., содержание которой полностью включено в данный документ в качестве ссылки.

Область техники

Изобретение относится к воздуходувке горячего дутья, такой как фен, имеющий электростатический распылитель, создающий заряженные частицы воды.

Уровень техники

Известны обычные электростатические распылители, один из которых описывается в выложенной патентной заявке Японии 2006-239632. Согласно описываемому в ней методу высокое напряжение прилагают к разрядному электроду, к которому поступает вода, и к противоэлектроду, расположенному напротив разрядного электрода, в результате чего между ними создается электрический разряд. При этом удерживаемая на разрядном электроде вода отталкивается к противоэлектроду и образует форму, называемую «конусом Тейлора»; причем на оконечности конуса Тейлора происходит рэлеевский распад, вследствие чего образуются заряженные наночастицы воды (нано-туман), и происходит их распыление.

В этом обычном электростатическом распылителе противоэлектрод заземлен на заданном расстоянии от одного конца разрядного электрода, и во время разряда отрицательное высокое напряжение, например, около -4,6 кВ, прикладывается к разрядному электроду, в результате чего между разрядным электродом и противоэлектродом создается сильное электрическое поле. Когда нано-туман, создаваемый в этом сильном электрическом поле, выталкивается и перемещается от разрядного электрода к противоэлектроду, то этот нано-туман легко притягивается к противоэлектроду, поскольку противоэлектрод заземлен и поэтому его электрический потенциал стабильный. Вследствие этого происходит нежелательное уменьшение количества нано-тумана, исходящего из электростатического распылителя. По этой причине желательно повысить эффективность выхода и количество нано-тумана, исходящего из электронного распылителя.

Данное изобретение разработано, принимая во внимание вышеупомянутое обстоятельство, и оно направлено на обеспечение воздуходувки горячего дутья, в которой будет увеличено количество исходящего нано-тумана.

Сущность изобретения

Согласно первому аспекту изобретения обеспечивается воздуходувка горячего дутья с электростатическим распылителем, испускающая заряженные частицы воды и выдувающая теплый воздух. Электростатический распылитель создает заряженные частицы воды путем электростатического распыления воды и содержит: разрядный электрод; противоэлектрод, расположенный напротив разрядного электрода; цепь генерирования высокого напряжения, которая прикладывает высокое напряжение к разрядному электроду и к противоэлектроду; и средство подачи воды, которое подает воду к разрядному электроду, при этом вода электростатически распыляется при ее поступлении на разрядный электрод. Цепь генерирования высокого напряжения выполнена подключением высокочастотного низкоимпедансного элемента между первичным входным зажимом, принимающим входное напряжение, и вторичным выходным зажимом низкого напряжения, подключенным к противоэлектроду и спаренным со вторичным выходным зажимом высокого напряжения, который выводит высокое напряжение, получаемое повышением входного напряжения, принимаемого первичным входным зажимом и затем прикладываемого к разрядному электроду.

Согласно второму аспекту изобретения обеспечена воздуходувка горячего дутья с электростатическим распылителем, испускающая заряженные частицы воды и выдувающая теплый воздух. Электростатический распылитель создает заряженные частицы воды электростатическим распылением воды и содержит: разрядный электрод; противоэлектрод, расположенный напротив разрядного электрода; цепь генерирования высокого напряжения, которая прикладывает высокое напряжение к разрядному электроду и к противоэлектроду; и средство подачи воды, которое подает воду к разрядному электроду, при этом вода электростатически распыляется при ее поступлении на разрядный электрод. Цепь генерирования высокого напряжения выполнена подключением высокочастотного низко-импедансного элемента между первичным входным зажимом, принимающим входное напряжение, и вторичным выходным зажимом высокого напряжения, который выводит высокое напряжение, получаемого повышением входного напряжения, принимаемого первичным входным зажимом и затем прикладываемого к разрядному электроду.

Согласно третьему аспекту изобретения в воздуходувке горячего дутья согласно первому и второму аспектам изобретения высокочастотный низко-импедансный элемент расположен внутри воздуходувки горячего дутья в положении, в котором на него почти не воздействует электрически заряженный разрядный электрод.

Согласно воздуходувке горячего дутья в соответствии с первым аспектом изобретения электрический потенциал вторичного выходного зажима низкого напряжения задан стабильным и несколько превышающим заземляющий потенциал, в результате чего заряженные частицы воды можно создавать стабильно и поэтому испускать их в большем, чем ранее, количестве.

Согласно воздуходувке горячего дутья в соответствии со вторым аспектом изобретения электрический потенциал вторичного выходного зажима низкого напряжения задан стабильным и несколько превышающим заземляющий потенциал, в результате чего заряженные частицы воды можно создавать стабильно и поэтому испускать их в большем, чем ранее, количестве.

Согласно воздуходувке горячего дутья в соответствии с третьим аспектом изобретения электрический потенциал вторичного выходного зажима можно стабилизировать для обеспечения стабильного разряда.

Краткое описание чертежей

Приводимые в качестве примера осуществления изобретения данные поясняются в приводимом ниже описании и в прилагаемой формуле изобретения, совокупно с прилагаемыми чертежами. Предполагается, эти чертежи показывают только приводимые в качестве примера осуществления, и поэтому они не должны рассматриваться как ограничивающие объем изобретения; и приводимые в качестве примера осуществления изобретения более конкретно и более подробно излагаются с обращением к прилагаемым чертежам, на которых:

Фиг.1 – схема, показывающая конфигурацию электростатического распылителя, которым оборудована воздуходувка горячего дутья в соответствии с первым осуществлением изобретения;

Фиг.2 – схема, показывающая конструкцию воздуходувки горячего дутья, имеющей электростатический распылитель согласно первому осуществлению изобретения;

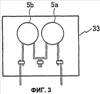
Фиг.3 – схема, показывающая конструкцию изолирующей трубки для конденсатора;

Фиг.4 – схема, показывающая изменение электрического потенциала вторичного вывода, при не подключенном конденсаторе; и

Фиг.5 – схема, показывающая изменение электрического потенциала вторичного вывода, с подключенным конденсатором; и

Фиг.6 – схема, показывающая конфигурацию электростатического распылителя в воздуходувке горячего дутья согласно второму осуществлению изобретения.

Подробное описание предпочтительных осуществлений

Предпочтительные осуществления изобретения излагаются ниже со ссылкой на прилагаемые чертежи.

Фиг.1 – схема, показывающая конфигурацию электростатического распылителя, которым оборудована воздуходувка горячего дутья в соответствии с первым осуществлением изобретения; и Фиг.2 – схема, показывающая выполнение фена как пример воздуходувки горячего дутья с электростатическим распылителем, который показан на Фиг.1.

Обращаясь к Фиг.1: электростатический распылитель содержит цепь 1 регулирования напряжения, цепь 2 генерирования высокого напряжения, устройство разряда 3, блок 4 подачи воды, конденсатор 5(5а, 5b) и резистор 6(6а, 6b).

Цепь 1 регулирования напряжения принимает электричество с напряжением 100 В или 200 В от источника 7 электропитания переменного тока, и если принимаемое напряжение превышает 100 В, то цепь 1 регулирования напряжения трансформирует его до 100 В, и подает напряжение 100 В в цепь 21 управления высоким напряжением цепи 2 генерирования высокого напряжения. Поэтому даже если источник 7 электропитания переменного тока, напряжение которого может быть разным в разных странах, используется для приема электричества от нее, то унифицированное напряжение электропитания можно подавать в цепь 21 регулирования высокого напряжения в цепи 2 генерирования высокого напряжения.

Цепь 2 генерирования высокого напряжения состоит из цепи 21 управления высоким напряжением, из повышающего трансформатора 22 и из сглаживающей/выпрямляющей цепи 23 и генерирует высокое напряжение повышением напряжения, поступающего от цепи 1 регулирования напряжения.

Цепь 21 управления высоким напряжением соединена с цепью 1 регулирования напряжения через первичный входной зажим 24 цепи 2 генерирования высокого напряжения. Цепь 21 управления высоким напряжением принимает через первичный входной зажим 24 электроэнергию, напряжение которой отрегулировано цепью 1 регулирования напряжения, и управляет электропитанием первичной обмотки повышающего трансформатора 22.

Повышающий трансформатор 22 имеет первичную обмотку, соединенную с цепью 21 управления высоким напряжением, и вторичную обмотку, соединенную со сглаживающей/выпрямляющей цепью 23. Повышающий трансформатор 22 повышает напряжение, поступающее из цепи 21 управления высоким напряжением, генерирует положительное или отрицательное высокое напряжение, задаваемое заранее вторичной обмоткой, например, приблизительно, -4 кВ, и подает генерированное высокое напряжение в сглаживающую/выпрямляющую цепь 23.

Сглаживающая/выпрямляющая цепь 23 соединена со вторичной обмоткой повышающего трансформатора 22. Сглаживающая/выпрямляющая цепь 23 принимает переменное высокое напряжение от повышающего трансформатора 22, сглаживает и выпрямляет переменное высокое напряжение и выводит постоянное высокое напряжение, полученное сглаживанием и выпрямлением, через вторичный выходной зажим 25а высокого напряжения цепи 2 генерирования высокого напряжения.

Устройство разряда 3 состоит из разрядного электрода 31 и противоэлектрода 32. Разрядный электрод 31 соединен со вторичным выходным зажимом 25а высокого напряжения цепи 2 генерирования высокого напряжения, и на него поступает высокое напряжение от сглаживающей/выпрямляющей цепи 23 через вторичную выходную цепь 25а высокого напряжения. Противоэлектрод 32 расположен напротив разрядного электрода на заданном от него расстоянии и соединен со вторичным выходным зажимом 25b низкого напряжения цепи 2 генерирования высокого напряжения.

Блок 4 подачи воды подает на разрядный электрод 31 воду, используемую для электростатического распыления, выполняемого устройством разряда 3. Блок 4 подачи воды имеет, например, емкость для воды, подаваемой на разрядный электрод 31; или имеет, например, модуль Пельтье в качестве охлаждающего средства для охлаждения разрядного электрода 31 ниже точки росы, чтобы получать водяной конденсат на разрядном электроде 31.

Конденсатор 5 состоит из двух конденсаторов 5а и 5b, подключенных последовательно между первичным входным зажимом 24 и вторичным выходным зажимом 25b низкого напряжения. Конденсатор 5 служит в качестве высокочастотного низкоимпедансного элемента и соединяет эти зажимы друг с другом, и задает значение электрического потенциала вторичного выходного зажима 25b низкого напряжения, приблизительно равное значению электрического потенциала первичного входного зажима 24.

Конденсатор 5 может состоять только из одного конденсатора, но, предпочтительно, он состоит из двух соединенных последовательно конденсаторов. Если используются два конденсатора и на одном из них происходит короткое замыкание, то можно обеспечить соединение между первичным входным зажимом 24 и вторичным выходным зажимом 25b низкого напряжения через низко-импедансный элемент, за счет чего исключается возможность нарушения низкоимпедансного состояния: за счет использования конденсатора для соединения обоих зажимов друг с другом.

Помимо этого, согласно Фиг.3, закрыв конденсатор 5 таким изолятором, как изолирующая трубка 33, можно обеспечить изолирование конденсатора 5, чтобы предотвратить короткое замыкание, обусловленное физическим контактом с другими компонентами.

Обращаясь к Фиг.2: ниже приводится описание принципиальной конструкции фена, являющегося примером воздуходувки горячего дутья с электростатическим распылителем, показываемым на Фиг.1.

Согласно Фиг.2 фен имеет корпус 81, формирующий основной блок, и ручку 82, выполненную заодно с корпусом 81 на нижней стенке корпуса 81 и выступающую в направлении вниз. В корпусе 81 установлен вентилятор 84, втягивающий воздух из входного отверстия 87 для воздуха, и электродвигатель 83, который вращает вентилятор 84. После электродвигателя 83 по потоку установлено нагревающее устройство 85, на котором расположен нагреватель 86, для избирательного нагрева воздуха, идущего от вентилятора 84, и обеспечения теплого воздуха, когда нагреватель 86 избирательно запитывается электричеством; причем теплый воздух проходит через дутьевое отверстие 88 наружу.

В ручке 82 расположен выключатель 89 для включения/выключения электродвигателя 83, нагревателя 86 и электростатического распылителя, и также для включения других функций фена.

На передней части верхней стенки корпуса 81 расположены: цепь 2 генерирования высокого напряжения, устройство разряда 3, блок 4 подачи воды, включающий в себя показываемый на Фиг.1 электростатический распылитель и цепь 1 регулирования напряжения (не показана). Нано-туман, создаваемый устройством разряда 3, идет в том же направлении, что и воздух, выдуваемый из дутьевого отверстия 88, и потоком воздуха от вентилятора 84 затем вводится во входной канал 90.

На верхней стенке в корпусе 81 между входным отверстием 87 для воздуха и вентилятором 84 расположен конденсатор 5, соединенный с цепью 2 генерирования высокого напряжения по проводу (не показан).

В этой конструкции: когда электроэнергия подается от источника 7 электропитания переменного тока и напряжение электропитания превышает 100 В, то это напряжение регулируется цепью 1 регулирования напряжения до значения 100 В и затем подается в цепь 2 генерирования высокого напряжения. Напряжение из цепи 2 генерирования высокого напряжения повышается повышающим трансформатором 22 для обеспечения переменного тока высокого напряжения. Этот переменный ток высокого напряжения сглаживается и выпрямляется сглаживающей/выпрямляющей цепью 23, чтобы выработать постоянный ток высокого напряжения. Это выработанное постоянное напряжение прикладывается к разрядному электроду 31 устройства разряда 3 через вторичный выходной зажим 25а высокого напряжения, и затем между разрядным электродом 31 и противоэлектродом 32 создается сильное электрическое поле.

При этом на разрядный электрод 31 подается вода из блока 4 подачи воды, и вода, подаваемая на разрядный электрод 31, электростатически распыляется сильным электрическим полем, создаваемым между разрядным электродом 31 и противоэлектродом 32, и при этом создается нано-туман – согласно приводимому выше описанию. Поскольку созданный таким образом нано-туман электрически заряжен, он перемещается от разрядного электрода 31 к противоэлектроду 32 по причине созданного между ними сильного электрического поля и затем выходит наружу с потоком воздуха, создаваемым вентилятором 84.

Если конденсатор 5 не установлен между первичным входным зажимом 24 и вторичным выходным зажимом 25b низкого напряжения, и поэтому вторичный выходной зажим 25b низкого напряжения находится в низко-импедансном состоянии, то электрические потенциалы вторичного выходного зажима 25b низкого напряжения и вторичного выходного зажима 25а высокого напряжения изменяются согласно Фиг. 4А и 4В, соответственно, во время создания и выхода наружу нано-тумана, согласно приводимому выше описанию.

Например, при приложении высокого напряжения к разрядному электроду 31 величиной около -4 кВ, амплитуда V1 изменения потенциала находится в приблизительных пределах 1 кВ, и изменение потенциала вторичного выходного зажима 25b низкого напряжения становится значительным по отношению к напряжению, прикладываемому к разрядному электроду 31. Поэтому, когда изменение потенциала вторичного выходного зажима 25b низкого напряжения становится значительным и нестабильным, то создаваемый нано-туман притягивается к разрядному электроду 31 или к противоэлектроду 32, и поэтому его выход наружу затрудняется.

Напротив, когда конденсатор 5 установлен согласно первому осуществлению и поэтому вторичный выходной зажим 25b низкого напряжения находится в низко-импедансном состоянии, тогда электрические потенциалы вторичного выходного зажима 25b низкого напряжения и вторичного выходного зажима 25а высокого напряжения изменяются согласно Фиг.5А и 5В, соответственно.

Аналогично, как и в предыдущем примере, когда прилагаемое к разрядному электроду 31 высокое напряжение приблизительно равно -4 кВ, то амплитуда V2 изменения потенциала изменяется около 100 В, и изменение потенциала вторичного выходного зажима 25b низкого напряжения становится существенно меньшим по отношению к напряжению, прикладываемому к разрядному электроду 31. То есть изменение потенциала вторичного выходного зажима 25b низкого напряжения и небольшое, и стабильное, и его электрический потенциал стабильно задан в значении, превышающем значение потенциала заземления, в результате чего можно исключить ситуации, когда созданный нано-туман притягивается к разрядному электроду 31 или к противоэлектроду 32. Вследствие этого созданный нано-туман легко выходит наружу с создаваемым вентилятором 84 потоком воздуха, в результате чего увеличивается количество исходящего нано-тумана – по сравнению с конструкциями известного уровня техники, в которых электрический потенциал противоэлектрода 32 задан в значении потенциала заземления.

[Второе осуществление]

Фиг.6 – схема, показывающая конфигурацию электростатического распылителя в воздуходувке горячего дутья согласно второму осуществлению изобретения. Второе осуществление, как показано на Фиг.2, отличается тем, что один из двух конденсаторов конденсатора 5 соединен со вторичным выходным зажимом 25а высокого напряжения вместо вторичного выходного зажима 25b низкого напряжения – в противоположность первому осуществлению согласно Фиг.1, чтобы обеспечить соединение между первичным входным зажимом 24 и вторичным выходным зажимом 25а высокого напряжения через конденсатор 5. Прочие компоненты те же, что и в первом осуществлении.

В этом втором осуществлении конденсатор 5 служит в качестве высокочастотного низко-импедансного элемента, соединяющего первичный входной зажим 24 и вторичный выходной зажим 25а высокого напряжения друг с другом. Причем электрический потенциал вторичного выходного зажима 25а высокого напряжения изменяется, как показано на Фиг.5В, и электрический потенциал вторичного выходного зажима 25b низкого напряжения, изменяющийся по существу так же, как и потенциал вторичного выходного зажима 25а высокого напряжения, изменяется почти в соответствии с Фиг.5А.

Соответственно, это второе осуществление может обеспечить тот же выгодный эффект, что и в первом осуществлении.

[Третье осуществление]

Ниже приводится описание электростатического распылителя в воздуходувке горячего дутья в соответствии с третьим осуществлением изобретения. Третье осуществление отличается тем, что конденсатор 5 установлен как можно дальше от разрядного электрода 31; и прочие компоненты те же, что и в первом, и втором осуществлениях.

Разрядный электрод 31 заряжается легко, поскольку к нему прикладывается высокое напряжение и выполняется электростатическое распыление. Поэтому когда конденсатор 5 расположен вблизи разрядного электрода 31, то на конденсатор 5 беспрепятственно воздействует электрически заряженный разрядный электрод 31. Поэтому воздействие на изменения электрических потенциалов вторичных выводов цепи 2 генерирования высокого напряжения происходит через конденсатор 5, и поэтому высокое напряжение, поступающее на разрядный электрод 31, становится нестабильным, в результате чего затрудняется стабильный разряд.

В третьем осуществлении конденсатор 5 расположен как можно дальше, то есть он находится в положении, в котором на него почти не влияет электрически заряженный разрядный электрод 31, например, на верхней стенке в корпусе 81 между входным отверстием 87 для воздуха и вентилятором 84, согласно Фиг. 2; и соединен с цепью 2 генерирования высокого напряжения по проводу (не показан), благодаря чему устранен упоминаемый выше недостаток. Поэтому можно обеспечить стабильный разряд и стабильное образование нано-тумана.

Хотя разработанное авторами данное изобретение изложено со ссылкой на его осуществление, но описание и являющиеся его составной частью чертежи не ограничивают данное изобретение. То есть выполняемые специалистом в данной области техники различные альтернативные осуществления, примеры и рабочие методы на основе излагаемого выше осуществления входят, разумеется, в объем данного изобретения.

Формула изобретения

1. Воздуходувка горячего дутья, имеющая электростатический распылитель, испускающий заряженные частицы воды, и выдувающая теплый воздух; причем электростатический распылитель создает заряженные частицы воды путем электростатического распыления воды; при этом электростатический распылитель содержит: разрядный электрод (31); противоэлектрод (32), расположенный напротив разрядного электрода (31); цепь (2) генерирования высокого напряжения, которая прикладывает высокое напряжение к разрядному электроду (31) и к противоэлектроду (32); и средство (4) подачи воды для подачи воды на разрядный электрод (31); причем вода электростатически распыляется при ее поступлении на разрядный электрод (31); и в котором цепь (2) генерирования высокого напряжения выполнена подключением высокочастотного низкоимпедансного элемента между первичным входным зажимом (24), принимающим входное напряжение, и вторичным выходным зажимом (25b) низкого напряжения, соединенным с противоэлектродом (32) и спаренным со вторичным выходным зажимом (25а) высокого напряжения, который выводит высокое напряжение, получаемое повышением входного напряжения, принимаемого первичным входным зажимом (24) и затем прикладываемого к разрядному электроду (31).

2. Воздуходувка горячего дутья по п.1, в которой высокочастотный низкоимпедансный элемент расположен внутри воздуходувки горячего дутья в положении, в котором на него почти не оказывает воздействие электрически заряженный разрядный электрод (31).

3. Воздуходувка горячего дутья, имеющая электростатический распылитель, испускающий заряженные частицы воды, и выдувающая теплый воздух; причем электростатический распылитель создает заряженные частицы воды путем электростатического распыления воды; при этом электростатический распылитель содержит: разрядный электрод (31); противоэлектрод (32), расположенный напротив разрядного электрода (31); цепь (2) генерирования высокого напряжения, которая прикладывает высокое напряжение к разрядному электроду (31) и к противоэлектроду (32); и средство (4) подачи воды для подачи воды на разрядный электрод (31); причем вода электростатически распыляется при ее поступлении на разрядный электрод (31); и в котором цепь (2) генерирования высокого напряжения выполнена подключением высокочастотного низкоимпедансного элемента между первичным входным зажимом (24), принимающим входное напряжение, и вторичным выходным зажимом (25b) высокого напряжения, который выводит высокое напряжение, получаемое повышением входного напряжения, принимаемого первичным входным зажимом (24) и затем прикладываемого к разрядному электроду (31).

4. Воздуходувка горячего дутья по п.3, в которой высокочастотный низкоимпедансный элемент расположен внутри воздуходувки горячего дутья в положении, в котором на него почти не оказывает воздействие электрически заряженный разрядный электрод (31).

РИСУНКИ

Categories: BD_2390000-2390999