|
(21), (22) Заявка: 2008135090/09, 01.09.2008
(24) Дата начала отсчета срока действия патента:
01.09.2008
(46) Опубликовано: 20.05.2010
(56) Список документов, цитированных в отчете о поиске:
RU 2319232 С1, 10.03.2008. JP 11163686 A, 18.06.1999. EP 1895601 A1, 12.12.2007. SU 1629962 A1, 23.02.1991.
Адрес для переписки:
119333, Москва, ул. Вавилова, 44, корп.2, Учреждение Российской академии наук Институт проблем информатики РАН (ИПИ РАН)
|
(72) Автор(ы):
Степченков Юрий Афанасьевич (RU), Дьяченко Юрий Георгиевич (RU), Рождественский Юрий Владимирович (RU), Петрухин Владимир Сергеевич (RU)
(73) Патентообладатель(и):
Учреждение Российской академии наук Институт проблем информатики РАН (ИПИ РАН) (RU)
|
(54) ОДНОТАКТНЫЙ САМОСИНХРОННЫЙ RS-ТРИГГЕР С ПРЕДУСТАНОВКОЙ
(57) Реферат:
Изобретение относится к импульсной и вычислительной технике и может использоваться при построении самосинхронных триггерных, регистровых и вычислительных устройств, систем цифровой обработки информации. Достигаемый технический результат – обеспечение реализации синхронной и самосинхронной предустановки в однотактном самосинхронном RS-триггере с парафазным информационным входом со спейсером. Однотактный самосинхронный RS-триггер с предустановкой содержит блок памяти и блок индикации. Устройство в зависимости от типа спейсера парафазного информационного входа выполнено на элементах И-ИЛИ-НЕ или ИЛИ-И-НЕ. 11 з.п. ф-лы, 12 ил.
Однотактный самосинхронный RS-триггер с предустановкой относится к импульсной и вычислительной технике и может использоваться при построении самосинхронных триггерных, регистровых и вычислительных устройств, систем цифровой обработки информации.
Известен RS-триггер [1], содержащий два элемента ИЛИ-НЕ.
Недостаток известного устройства – отсутствие средств предустановки и индикации окончания переходных процессов.
Наиболее близким к предлагаемому решению по технической сущности и принятым в качестве прототипа является самосинхронный RS-триггер [2], содержащий блок памяти в виде бистабильной ячейки на элементах И-ИЛИ-НЕ, индикаторный элемент И-ИЛИ-НЕ, парафазный информационный вход, бифазный информационный выход и индикаторный выход.
Недостаток прототипа – отсутствие предустановки, что не позволяет обеспечить его начальную установку в определенное состояние и индикацию окончания предустановки. Под предустановкой понимается процедура предварительного сброса прямого выхода триггера в состояние логического нуля или его предварительная установка в состояние логической единицы.
Задача, решаемая в изобретении, заключается в обеспечении синхронной и самосинхронной реализации предустановки однотактного самосинхронного RS-триггера с парафазным со спейсером информационным входом.
Это достигается тем, что в однотактном самосинхронном RS-триггере, содержащем блок памяти, блок индикации, первую и вторую составляющие парафазного информационного входа, первый и второй информационные выходы и индикаторный выход, причем первая составляющая парафазного информационного входа соединена с первыми входами блоков памяти и индикации, вторая составляющая парафазного информационного входа соединена со вторыми входами блоков памяти и индикации, первый информационный выход триггера подключен к первому выходу блока памяти и третьему входу блока индикации, второй информационный выход триггера подключен ко второму выходу блока памяти и четвертому входу блока индикации, индикаторный выход триггера соединен с выходом блока индикации, введены вход предустановки триггера и третий вход блока памяти, соединенные друг с другом, а в качестве информационного входа используется парафазный вход со спейсером.
Предлагаемое устройство удовлетворяет критерию “существенные отличия”. Использование входа предустановки в синхронных триггерах известно. Однако использование его в самосинхронном RS-триггере с учетом специфики работы самосинхронных устройств позволило достичь эффекта, выраженного целью изобретения. Существенное отличие предлагаемой реализации предустановки от аналогичных решений в синхронной схемотехнике заключается в том, что в данном случае для успешной предустановки парафазный информационный вход должен находиться в спейсерном состоянии (обе составляющие парафазного входа имеют одинаковое значение). Это позволяет упростить предустановку и обеспечить ее самосинхронность при использовании дополнительного элемента фиксации окончания предустановки, как описано ниже.
Поскольку введенные конструктивные связи в аналогичных технических решениях не известны, устройство может считаться имеющим существенные отличия.
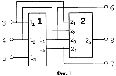
На фиг.1 изображена схема однотактного самосинхронного RS-триггера с предустановкой.
Схема содержит блок памяти 1, блок индикации 2, первую 3 и вторую 4 составляющие парафазного информационного входа со спейсером, вход предустановки 5, первый 6 и второй 7 информационные выходы, индикаторный выход 8, первая 3 составляющая парафазного информационного входа со спейсером соединена с первым 11 входом блока памяти 1 и с первым 21 входом блока индикации 2, вторая 4 составляющая парафазного информационного входа со спейсером соединена со вторым 12 входом блока памяти 1 и вторым 22 входом блока индикации 2, первый 14 выход блока памяти 1 подключен к третьему 23 входу блока индикации и первому 6 информационному выходу триггера, второй 15 выход блока памяти 1 подключен к четвертому 24 входу блока индикации и второму 7 информационному выходу триггера, вход предустановки 5 подключен к третьему входу 13 блока памяти, выход 25 блока индикации 2 подключен к индикаторному выходу 8 триггера.
Схема работает следующим образом. Установка начального состояния происходит при спейсерном состоянии первой 3 и второй 4 составляющих парафазного информационного входа триггера (при этом обе составляющие парафазного информационного входа со спейсером 3 и 4 имеют одинаковое значение), обеспечивающем хранение информации в блоке памяти, подачей активного уровня на вход предустановки 5. Наличие спейсерного состояния на парафазном информационном входе требуется также для обеспечения неизменного состояния на индикаторном выходе 8 в процессе предустановки, что является необходимым условием правильного функционирования самосинхронного триггера. Конкретное значение входа предустановки 5, обеспечивающего предустановку, определяется базисом реализации триггера и раскрывается ниже.
Особенности данной схемы по сравнению с прототипом следующие.
Триггер имеет вход предустановки, позволяющий установить триггер в определенное состояние и создающий предпосылки для построения схемы индикации окончания предустановки самосинхронного триггера.
Таким образом, предлагаемое устройство обеспечивает предустановку однотактного самосинхронного RS-триггера с парафазным со спейсером информационным входом. Цель изобретения достигнута.
Конкретная техническая реализация предлагаемого однотактного самосинхронного RS-триггера и его составных блоков зависит от типа спейсерного состояния парафазного входа: высокий или низкий уровень на обеих составляющих информационного входа со спейсером обеспечивает хранение состояния триггера, – и от типа предустановки триггера. Тип спейсерного состояния влияет на базис реализации блока памяти: И-ИЛИ-НЕ или ИЛИ-И-НЕ. Тип предустановки в совокупности с типом спейсерного состояния определяет спецификацию первой и второй составляющих парафазного информационного входа со спейсером и первого и второго информационных выходов триггера, как описано ниже.
На фиг.2 представлена реализация однотактного самосинхронного RS-триггера с синхронной предустановкой и с нулевым спейсерным состоянием парафазного информационного входа. Схема отличается от схемы на фиг.1 тем, что блок памяти реализован на элементе ИЛИ-НЕ 9 и первом элементе И-ИЛИ-НЕ 10, блок индикации реализован на втором элементе И-ИЛИ-НЕ 11, первый вход элемента ИЛИ-НЕ 9 подключен к первому входу блока памяти 1, а его выход – к первому входу первой группы входов И первого элемента И-ИЛИ-НЕ 10 и первому выходу блока памяти 1, второй вход первой группы входов И и вход второй группы входов И первого элемента И-ИЛИ-НЕ 10 соединены с третьим и вторым входами блока памяти 1 соответственно, а выход первого элемента И-ИЛИ-НЕ 10 подключен ко второму выходу блока памяти 1 и второму входу элемента ИЛИ-НЕ 9, первые входы первой и второй групп входов И второго элемента И-ИЛИ-НЕ 11 соединены со вторым и первым входами блока индикации 2 соответственно, а вторые входы первой и второй групп входов И второго элемента И-ИЛИ-НЕ 11 подключены к третьему и четвертому входам блока индикации 2 соответственно, выход второго элемента И-ИЛИ-НЕ 11 соединен с выходом блока индикации 2.
Схема работает следующим образом. При высоком уровне сигнала на входе предустановки 5 триггер воспринимает и запоминает рабочее состояние парафазного информационного входа со спейсером 3, 4 – (0,1) или (1,0), а окончание запоминания нового состояния в блоке памяти, реализованном бистабильной ячейкой на элементах 9 и 10, фиксируется блоком индикации на элементе 11, выход которого (и соответственно индикаторный выход триггера 8) переключается в низкий уровень (логический 0) только после окончания переключения всех элементов схемы триггера. Переход в спейсерное состояние парафазного информационного входа 3, 4 (логические 0 на его составляющих) разрешает хранение информации на выходах бистабильной ячейки на базе элементов 9 и 10 (и соответственно на информационных выходах триггера 6 и 7) и одновременно переводит выход блока индикации на элементе 11 (и соответственно индикаторный выход 8 триггера) в высокий уровень (логическую 1), индицируя тем самым завершение перехода триггера в фазу хранения информации.
Синхронная предустановка осуществляется при спейсерном состоянии парафазного информационного входа 3, 4 после подтверждения перехода триггера в фазу хранения (высокий уровень сигнала на индикаторном выходе 8) подачей на вход предустановки 5 низкого уровня. При этом элемент 10 переключается в логическую 1, заставляя элемент 9 перейти в состояние логического 0, завершая тем самым предустановку. На первом информационном выходе 6 триггера формируется низкий уровень. При этом выход блока индикации на элементе 11 (он же – индикаторный выход 8 триггера) не изменяется на всем протяжении предустановки, поскольку его группы входов блокированы нулевым спейсерным состоянием парафазного информационного входа 3, 4. По окончании предустановки на вход предустановки 5 подается высокий уровень, и схема триггера готова к продолжению работы.
В схеме на фиг.2 возможны два варианта спецификации входов и выходов триггера:
1) вход предустановки является входом установки нуля, первая и вторая составляющие парафазного информационного входа со спейсером являются соответственно инверсной и прямой информационными составляющими, а первый и второй информационные выходы триггера являются прямым и инверсным информационными выходами соответственно,
2) вход предустановки является входом установки единицы, первая и вторая составляющие парафазного информационного входа со спейсером являются соответственно прямой и инверсной информационными составляющими, а первый и второй информационные выходы триггера являются инверсным и прямым информационными выходами соответственно.
На фиг.3 представлена реализация однотактного самосинхронного RS-триггера с синхронной предустановкой и с единичным спейсерным состоянием парафазного информационного входа. Схема отличается от схемы на фиг.1 тем, что блок памяти реализован на элементе И-НЕ 12 и первом элементе ИЛИ-И-НЕ 13, блок индикации реализован на втором элементе ИЛИ-И-НЕ 14, первый вход элемента И-НЕ 12 подключен к первому входу блока памяти 1, а его выход – к первому входу первой группы входов ИЛИ первого элемента ИЛИ-И-НЕ 13 и первому выходу блока памяти 1, второй вход первой группы входов ИЛИ и вход второй группы входов ИЛИ первого элемента ИЛИ-И-НЕ 13 соединены с третьим и вторым входами блока памяти 1 соответственно, а выход первого элемента ИЛИ-И-НЕ 13 подключен ко второму выходу блока памяти 1 и второму входу элемента И-НЕ 12, первые входы первой и второй групп входов ИЛИ второго элемента ИЛИ-И-НЕ 14 соединены со вторым и первым входами блока индикации 2 соответственно, а вторые входы первой и второй групп входов ИЛИ второго элемента ИЛИ-И-НЕ 14 подключены к третьему и четвертому входам блока индикации 2 соответственно, выход второго элемента ИЛИ-И-НЕ 14 соединен с выходом блока индикации 2.
Данная схема в значительной мере совпадает со схемой RS-триггера [3], элементы которой после проведения эквивалентных логических преобразований представляются в базисе ИЛИ-И-НЕ.
Схема работает следующим образом. При низком уровне сигнала на входе предустановки 5 триггер воспринимает и запоминает рабочее состояние парафазного информационного входа со спейсером 3, 4, отличное от спейсера, а окончание запоминания нового состояния в блоке памяти, реализованном бистабильной ячейкой на элементах 12 и 13, фиксируется блоком индикации на элементе 14, выход которого 8 переключается в логическую 1 только после окончания переключения всех элементов схемы триггера. Переход в спейсерное состояние парафазного информационного входа 3, 4 (логические 1 на его составляющих) разрешает хранение информации на выходах бистабильной ячейки на базе элементов 12 и 13 (и соответственно на информационных выходах триггера 6 и 7) и одновременно переводит выход блока индикации на элементе 14 (и соответственно индикаторный выход 8 триггера) в низкий уровень (логический 0), индицируя тем самым завершение перехода триггера в фазу хранения информации.
Предустановка осуществляется при единичном спейсере на парафазном информационном входе 3, 4 (обе составляющие находятся в логической 1) после подтверждения перехода триггера в фазу хранения (низкий уровень сигнала на индикаторном выходе 8) подачей на вход предустановки 5 высокого уровня. При этом элемент 13 переключается в логический 0, заставляя элемент 12 перейти в состояние логической 1, завершая тем самым предустановку. На первом информационном выходе 6 триггера формируется высокий уровень. При этом выход второго элемента ИЛИ-И-НЕ 14 (он же – индикаторный выход 8 триггера) не изменяется на всем протяжении предустановки, поскольку его группы входов блокированы единичным спейсерным состоянием парафазного информационного входа. По окончании предустановки на вход предустановки 5 подается низкий уровень, и схема триггера готова к продолжению работы.
В схеме на фиг.3 также возможны два варианта спецификации входов и выходов триггера:
1) вход предустановки является входом установки единицы, первая и вторая составляющие парафазного информационного входа со спейсером являются соответственно инверсной и прямой информационными составляющими, а первый и второй информационные выходы триггера являются прямым и инверсным информационными выходами соответственно,
2) вход предустановки является входом установки нуля, первая и вторая составляющие парафазного информационного входа со спейсером являются соответственно прямой и инверсной информационными составляющими, а первый и второй информационные выходы триггера являются инверсным и прямым информационными выходами соответственно.
В рассмотренных реализациях однотактного самосинхронного RS-триггера с предустановкой отсутствуют средства индикации окончания предустановки. Такая предустановка относится к типу синхронной предустановки. Для ее успешной реализации заранее выбирается достаточно большой интервал времени действия активного состояния входа предустановки, в течение которого предустановка заведомо должна завершиться даже при наихудших условиях функционирования устройства, частью которого является самосинхронный RS-триггер с предустановкой. Такой подход имеет право на существование, поскольку начальная предустановка, как правило, используется достаточно редко, в основном, при включении питания и инициализации всего устройства.
Однако в строго самосинхронных схемах должно быть зафиксировано окончание переключения всех элементов схемы при любом режиме их работы, в том числе и в режиме предустановки. Такая предустановка называется самосинхронной. Ее возможность обеспечивается следующими техническими решениями.
На фиг.4 представлена реализация однотактного самосинхронного RS-триггера с самосинхронной предустановкой и парафазным со спейсером информационным входом. Схема отличается от схемы на фиг.1 тем, что в нее введен второй индикаторный выход 16 и элемент фиксации окончания предустановки 15, первый 151 и второй 152 входы которого подключены к первому информационному выходу 6 триггера и входу предустановки 5 триггера соответственно, а выход 153 соединен со вторым индикаторным выходом триггера 16.
Схема на фиг.4 работает так же, как и схема триггера на фиг.1. При этом элемент 15 фиксирует окончания предустановки триггера, обеспечивая самосинхронный характер предустановки.
На фиг.5 представлена реализация однотактного самосинхронного RS-триггера с самосинхронной предустановкой и с нулевым спейсером парафазного информационного входа. Схема отличается от схемы на фиг.2 тем, что в нее введен второй индикаторный выход 16 и элемент фиксации окончания предустановки 15, содержащий второй элемент ИЛИ-НЕ 17, первый вход элемента фиксации окончания предустановки 15 подключен к первому информационному выходу 6 триггера и к первому входу второго элемента ИЛИ-НЕ 17, второй вход элемента фиксации окончания предустановки 15 подключен к входу предустановки 5 триггера и ко второму входу второго элемента ИЛИ-НЕ 17, а выход элемента фиксации окончания предустановки 15 соединен с выходом второго элемента ИЛИ-НЕ 17 и со вторым индикаторным выходом триггера 16.
Схема на фиг.5 работает так же, как и схема на фиг.2. Но теперь переключение первого информационного выхода триггера 6 в устанавливаемое состояние индицируется элементом фиксации окончания предустановки 15. При пассивном (единичном) значении сигнала на входе предустановки 5 выход элемента фиксации окончания предустановки 15 находится в состоянии логического 0. В режиме предустановки низкий уровень на входе предустановки и появляющийся в результате предустановки низкий уровень на первом информационном выходе триггера 6 заставляют элемент 17 (и соответственно – выход элемента фиксации окончания предустановки 15) переключиться в логическую 1. Появление высокого уровня на выходе элемента фиксации окончания предустановки 15 свидетельствует об успешном окончании предустановки. Последующая подача пассивного (логической 1) уровня на вход предустановки 5 переводит элемент фиксации окончания предустановки 15 в состояние логического 0, подтверждающее выход триггера из режима предустановки.
В схеме на фиг.5 также возможны два варианта спецификации входов и выходов триггера:
1) вход предустановки является входом установки нуля, первая и вторая составляющие парафазного информационного входа со спейсером являются соответственно инверсной и прямой информационными составляющими, а первый и второй информационные выходы триггера являются прямым и инверсным информационными выходами соответственно,
2) вход предустановки является входом установки единицы, первая и вторая составляющие парафазного информационного входа со спейсером являются соответственно прямой и инверсной информационными составляющими, а первый и второй информационные выходы триггера являются инверсным и прямым информационными выходами соответственно.
На фиг.6 представлена реализация однотактного самосинхронного RS-триггера с самосинхронной предустановкой и с единичным спейсером парафазного информационного входа. Схема отличается от схемы на фиг.3 тем, что в нее введен второй индикаторный выход 16 и элемент фиксации окончания предустановки 15, содержащий второй элемент И-НЕ 18, первый вход элемента фиксации окончания предустановки 15 подключен к первому информационному выходу 6 триггера и к первому входу второго элемента И-НЕ 18, второй вход элемента фиксации окончания предустановки 15 подключен к входу предустановки 5 триггера и ко второму входу второго элемента И-НЕ 18, а выход элемента фиксации окончания предустановки 15 соединен с выходом второго элемента И-НЕ 18 и со вторым индикаторным выходом триггера 16.
Схема на фиг.6 работает так же, как и схема на фиг.3. Но теперь переключение первого информационного выхода триггера 6 в устанавливаемое состояние индицируется элементом фиксации окончания предустановки 15. При пассивном (нулевом) значении сигнала на входе предустановки 5 выход элемента фиксации окончания предустановки 15 находится в состоянии логической 1. В режиме предустановки высокий уровень на входе предустановки и появляющийся в результате предустановки высокий уровень на первом информационном выходе триггера 6 заставляют элемент 18 (и соответственно – выход элемента фиксации окончания предустановки 15) переключиться в логический 0. Появление низкого уровня на выходе элемента фиксации окончания предустановки 15 свидетельствует об успешном окончании предустановки. Последующая подача пассивного (низкого) уровня на вход предустановки 5 переводит элемент фиксации окончания предустановки 15 в состояние логической 1, подтверждающее выход триггера из режима предустановки.
В схеме на фиг.6 также возможны два варианта спецификации входов и выходов триггера:
1) вход предустановки является входом установки единицы, первая и вторая составляющие парафазного информационного входа со спейсером являются соответственно инверсной и прямой информационными составляющими, а первый и второй информационные выходы триггера являются прямым и инверсным информационными выходами соответственно,
2) вход предустановки является входом установки нуля, первая и вторая составляющие парафазного информационного входа со спейсером являются соответственно прямой и инверсной информационными составляющими, а первый и второй информационные выходы триггера являются инверсным и прямым информационными выходами соответственно.
В рассмотренных реализациях однотактного самосинхронного RS-триггера с самосинхронной предустановкой и парафазным со спейсером информационным входом успешное окончание предустановки индицируется отдельно от индикации окончания обновления состояния триггера под воздействием парафазного информационного входа со спейсером, что в ряде случаев требует неоправданного усложнения схемы управления самосинхронного устройства, в составе которого используется данный триггер. Этот недостаток может быть устранен путем объединения в одном индикаторном элементе свойств индикации всех режимов работы триггера.
На фиг.7 представлена реализация однотактного самосинхронного RS-триггера с самосинхронной предустановкой и парафазным со спейсером информационным входом, в которой успешное завершение предустановки фиксируется на выходе блока индикации. Схема отличается от схемы на фиг.1 тем, что в нее введен элемент фиксации окончания предустановки 15, первый 151 и второй 152 входы которого подключены к первому информационному выходу 6 триггера и входу предустановки 5 триггера соответственно, а в блок индикации 2 введен пятый вход 26, подключенный к выходу элемента фиксации окончания предустановки 15. В такой реализации блок индикации 2 обеспечивает индикацию как предустановки триггера, так и окончания перехода в фазу хранения или обновления состояния триггера.
Схема фиг.7 работает аналогично схеме на фиг.4 с тем лишь отличием, что блок индикации фиксирует теперь окончание переключений элементов триггера во всех режимах его работы, включая и предустановку.
На фиг.8 показана схема однотактного самосинхронного RS-триггера с самосинхронной предустановкой и объединенным индикатором для случая с нулевым спейсерным состоянием парафазного информационного входа. Она отличается от схемы на фиг.2 тем, что в нее введен элемент фиксации окончания предустановки 15, содержащий второй элемент ИЛИ-НЕ 17, и пятый вход в блок индикации 2, а во второй элемент И-ИЛИ-НЕ 11 введена третья группа входов И, вход которой подключен к пятому входу блока индикации 2, первый вход элемента фиксации окончания предустановки 15 подключен к первому информационному выходу 6 триггера и к первому входу второго элемента ИЛИ-НЕ 17, второй вход элемента фиксации окончания предустановки 15 подключен к входу предустановки 5 триггера и ко второму входу второго элемента ИЛИ-НЕ 17, а выход элемента фиксации окончания предустановки 15 соединен с выходом второго элемента ИЛИ-НЕ 17 и с пятым входом блока индикации 2.
Схема на фиг.8 работает так же, как и схема на фиг.5, с тем отличием, что окончание предустановки фиксируется блоком индикации 2. При пассивном (логической 1) значении сигнала на входе предустановки 5 выход элемента фиксации окончания предустановки 15 находится в состоянии логического 0 и не влияет на работу элемента И-ИЛИ-НЕ 11 в блоке индикации 2. В режиме предустановки, при спейсерном (нулевом) состоянии парафазного информационного входа 3, 4, низкий уровень на входе предустановки и появляющийся в результате предустановки низкий уровень на первом информационном выходе триггера 6 заставляют элемент 17 переключиться в логическую 1, которая, в свою очередь, инициирует переключение элемента 11 в логический 0, что свидетельствует об успешном окончании предустановки. Последующая подача пассивного (логической 1) уровня на вход предустановки 5 при сохранении спейсерного состояния на парафазном информационном входе 3, 4 переводит элемент фиксации окончания предустановки 15 в состояние логического 0, а элемент 11 – в состояние логической 1, подтверждающее выход триггера из режима предустановки.
В схеме на фиг.8 также возможны два варианта спецификации входов и выходов триггера:
1) вход предустановки является входом установки нуля, первая и вторая составляющие парафазного информационного входа со спейсером являются соответственно инверсной и прямой информационными составляющими, а первый и второй информационные выходы триггера являются прямым и инверсным информационными выходами соответственно,
2) вход предустановки является входом установки единицы, первая и вторая составляющие парафазного информационного входа со спейсером являются соответственно прямой и инверсной информационными составляющими, а первый и второй информационные выходы триггера являются инверсным и прямым информационными выходами соответственно.
На фиг.9 показана схема однотактного самосинхронного RS-триггера с самосинхронной предустановкой и объединенным индикатором для случая с единичным спейсерным состоянием парафазного информационного входа. Она отличается от схемы на фиг.3 тем, что в нее введен элемент фиксации окончания предустановки 15, содержащий второй элемент И-НЕ 18, и пятый вход блока индикации 2, а во второй элемент ИЛИ-И-НЕ 14 введена третья группа входов ИЛИ, вход которой подключен к пятому входу блока индикации 2, первый вход элемента фиксации окончания предустановки 15 подключен к первому информационному выходу 6 триггера и к первому входу второго элемента И-НЕ 18, второй вход элемента фиксации окончания предустановки 15 подключен к входу предустановки 5 триггера и ко второму входу второго элемента И-НЕ 18, а выход элемента фиксации окончания предустановки 15 соединен с выходом второго элемента И-НЕ 18 и с пятым входом блока индикации 2.
Схема на фиг.9 работает так же, как и схема на фиг.6, с тем отличием, что окончание предустановки фиксируется блоком индикации 2. При пассивном (нулевом) значении сигнала на входе предустановки 5 выход элемента фиксации окончания предустановки 15 находится в состоянии логической 1 и не влияет на работу элемента ИЛИ-И-НЕ 14 в блоке индикации 2. В режиме предустановки, при спейсерном (логической 1) состоянии парафазного информационного входа 3, 4, высокий уровень на входе предустановки и появляющийся в результате предустановки высокий уровень на первом информационном выходе триггера 6 заставляют элемент И-НЕ 18 (и соответственно – выход элемента фиксации окончания предустановки 15) переключиться в логический 0, который, в свою очередь, инициирует переключение элемента 14 в логическую 1, что свидетельствует об успешном окончании предустановки. Последующая подача пассивного (нулевого) уровня на вход предустановки 5 при сохранении спейсерного состояния на парафазном информационном входе 3, 4 переводит элемент фиксации окончания предустановки 15 в состояние логической 1, а элемент 14 – в состояние логического 0, подтверждающее выход триггера из режима предустановки.
В схеме на фиг.9 также возможны два варианта спецификации входов и выходов триггера:
1) вход предустановки является входом установки единицы, первая и вторая составляющие парафазного информационного входа со спейсером являются соответственно инверсной и прямой информационными составляющими, а первый и второй информационные выходы триггера являются прямым и инверсным информационными выходами соответственно,
2) вход предустановки является входом установки нуля, первая и вторая составляющие парафазного информационного входа со спейсером являются соответственно прямой и инверсной информационными составляющими, а первый и второй информационные выходы триггера являются инверсным и прямым информационными выходами соответственно.
На фиг.10 представлена реализация однотактного самосинхронного RS-триггера с самосинхронной предустановкой, с парафазным со спейсером информационным входом, с объединенным индикатором и вторым индикаторным выходом. Схема отличается от схемы на фиг.7 тем, что в нее введен второй индикаторный выход 16, подключенный к выходу элемента фиксации окончания предустановки 15.
Второй индикаторный выход 16 может использоваться в ряде практических применений для ускорения взаимодействия между составными частями самосинхронного устройства.
На фиг.11 представлена реализация однотактного самосинхронного RS-триггера с самосинхронной предустановкой, с объединенным индикатором, с дополнительным индикаторным выходом и с нулевым спейсером парафазного информационного входа. Схема отличается от схемы на фиг.8 тем, что в нее введен второй индикаторный выход 16, подключенный к выходу элемента фиксации окончания предустановки 15.
Схема фиг.11 работает так же, как и схема на фиг.8. Но теперь выход элемента фиксации окончания предустановки 15 может использоваться для ускорения запрос-ответных взаимодействий между устройствами в общей самосинхронной схеме в режиме предустановки.
На фиг.12 представлена реализация однотактного самосинхронного RS-триггера с самосинхронной предустановкой, с объединенным индикатором, со вторым индикаторным выходом и с единичным спейсером парафазного информационного входа. Схема отличается от схемы на фиг.9 тем, что в нее введен второй индикаторный выход 16, подключенный к выходу элемента фиксации окончания предустановки 15.
Схема фиг.12 работает так же, как и схема на фиг.9. Но теперь выход элемента фиксации окончания предустановки 15 может использоваться для ускорения запрос-ответных взаимодействий между устройствами в общей самосинхронной схеме в режиме предустановки.
Таким образом, представленные варианты однотактного самосинхронного RS-триггера с самосинхронной предустановкой позволяют получить следующие реализации (при соответствующей спецификации входов и выходов триггера):
1) однотактный самосинхронный RS-триггер с нулевым спейсерным состоянием парафазного информационного входа и синхронным начальным сбросом – предустановкой низкого уровня на прямом информационном выходе триггера (фиг.2),
2) однотактный самосинхронный RS-триггер с единичным спейсерным состоянием парафазного информационного входа и синхронной установкой единицы – предустановкой высокого уровня на прямом информационном выходе триггера (фиг.3),
3) однотактный самосинхронный RS-триггер с нулевым спейсерным состоянием парафазного информационного входа и синхронной установкой единицы – предустановкой высокого уровня на прямом информационном выходе триггера (фиг.2),
4) однотактный самосинхронный RS-триггер с единичным спейсерным состоянием парафазного информационного входа и синхронным начальным сбросом – предустановкой низкого уровня на прямом информационном выходе триггера (фиг.3),
5) однотактный самосинхронный RS-триггер с нулевым спейсерным состоянием парафазного информационного входа и самосинхронным начальным сбросом – предустановкой низкого уровня на прямом информационном выходе триггера (фиг.5, 8 и 11),
6) однотактный самосинхронный RS-триггер с единичным спейсерным состоянием парафазного информационного входа и самосинхронной установкой единицы – предустановкой высокого уровня на прямом информационном выходе триггера (фиг.6, 9 и 12),
7) однотактный самосинхронный RS-триггер с нулевым спейсерным состоянием парафазного информационного входа и самосинхронной установкой единицы – предустановкой высокого уровня на прямом информационном выходе триггера (фиг.5, 8 и 11),
8) однотактный самосинхронный RS-триггер с единичным спейсерным состоянием парафазного информационного входа и самосинхронным начальным сбросом – предустановкой низкого уровня на прямом информационном выходе триггера (фиг.6, 9 и 12).
Источники
[1] Шило В.Л. Популярные цифровые микросхемы: Справочник. 2-е изд., испр. – Челябинск: Металлургия, Челябинское отд., 1989. – рис.1.54а.
Формула изобретения
1. Однотактный самосинхронный RS-триггер с парафазным информационным входом, содержащий блок памяти, блок индикации, первую и вторую составляющие парафазного информационного входа, первый и второй информационные выходы и индикаторный выход, причем первая составляющая парафазного информационного входа соединена с первыми входами блоков памяти и индикации, вторая составляющая парафазного информационного входа соединена со вторыми входами блоков памяти и индикации, первый информационный выход триггера подключен к первому выходу блока памяти и третьему входу блока индикации, второй информационный выход триггера подключен ко второму выходу блока памяти и четвертому входу блока индикации, индикаторный выход триггера соединен с выходом блока индикации, отличающийся тем, что в него введены вход предустановки триггера и третий вход блока памяти, соединенные друг с другом, а в качестве информационного входа используется парафазный вход со спейсером.
2. Однотактный самосинхронный RS-триггер с парафазным информационным входом по п.1, отличающийся тем, что блок памяти содержит первый элемент И-ИЛИ-НЕ, вход второй группы входов И которого подключен ко второму входу блока памяти, а выход – ко второму выходу блока памяти, первый вход первой группы входов И первого элемента И-ИЛИ-НЕ соединен с первым выходом блока памяти, блок индикации реализован на втором элементе И-ИЛИ-НЕ, причем первый и второй входы его первой группы входов И соединены со вторым и третьим входами блока индикации соответственно, а первый и второй входы его второй группы входов И подключены к первому и четвертому входам блока индикации соответственно, выход второго элемента И-ИЛИ-НЕ соединен с выходом блока индикации, парафазный информационный вход имеет нулевой спейсер, в блок памяти введен элемент ИЛИ-НЕ, первый и второй входы которого подключены к первому входу блока памяти и выходу первого элемента И-ИЛИ-НЕ соответственно, а выход соединен с первым выходом блока памяти, и введен второй вход первой группы входов И первого элемента И-ИЛИ-НЕ, подключенный к третьему входу блока памяти, а предустановка является синхронной.
3. Однотактный самосинхронный RS-триггер с парафазным информационным входом по п.1, отличающийся тем, что блок памяти содержит первый элемент ИЛИ-И-НЕ, вход второй группы входов ИЛИ которого подключен ко второму входу блока памяти, а выход – ко второму выходу блока памяти, первый вход первой группы входов ИЛИ первого элемента ИЛИ-И-НЕ соединен с первым выходом блока памяти, блок индикации реализован на втором элементе ИЛИ-И-НЕ, причем первый и второй входы его первой группы входов ИЛИ соединены со вторым и третьим входами блока индикации соответственно, а первый и второй входы его второй группы входов ИЛИ подключены к первому и четвертому входам блока индикации соответственно, выход второго элемента ИЛИ-И-НЕ соединен с выходом блока индикации, парафазный информационный вход имеет единичный спейсер, в блок памяти введен элемент И-НЕ, первый и второй входы которого подключены к первому входу блока памяти и выходу первого элемента ИЛИ-И-НЕ соответственно, а выход соединен с первым выходом блока памяти, и введен второй вход первой группы входов ИЛИ первого элемента ИЛИ-И-НЕ, подключенный к третьему входу блока памяти, а предустановка является синхронной.
4. Однотактный самосинхронный RS-триггер с парафазным информационным входом по п.1, отличающийся тем, что в него введены второй индикаторный выход и элемент фиксации окончания предустановки, первый и второй входы которого соединены с первым информационным выходом триггера и входом предустановки триггера соответственно, а выход подключен ко второму индикаторному выходу триггера, предустановка является самосинхронной.
5. Однотактный самосинхронный RS-триггер с парафазным информационным входом по п.2, отличающийся тем, что в него введены второй индикаторный выход и элемент фиксации окончания предустановки, первый и второй входы которого соединены с первым информационным выходом триггера и входом предустановки триггера соответственно, а выход подключен ко второму индикаторному выходу триггера, причем элемент фиксации окончания предустановки реализован на втором элементе ИЛИ-НЕ, входы которого являются входами элемента фиксации окончания предустановки, а выход служит выходом элемента фиксации окончания предустановки, предустановка является самосинхронной.
6. Однотактный самосинхронный RS-триггер с парафазным информационным входом по п.3, отличающийся тем, что в него введены второй индикаторный выход и элемент фиксации окончания предустановки, первый и второй входы которого соединены с первым информационным выходом триггера и входом предустановки триггера соответственно, а выход подключен ко второму индикаторному выходу триггера, причем элемент фиксации окончания предустановки реализован на втором элементе И-НЕ, входы которого являются входами элемента фиксации окончания предустановки, а выход служит выходом элемента фиксации окончания предустановки, предустановка является самосинхронной.
7. Однотактный самосинхронный RS-триггер с парафазным информационным входом по п.1, отличающийся тем, что в него введены элемент фиксации окончания предустановки и пятый вход блока индикации, первый и второй входы элемента фиксации окончания предустановки соединены с первым информационным выходом триггера и входом предустановки триггера соответственно, а выход подключен к пятому входу блока индикации, предустановка является самосинхронной.
8. Однотактный самосинхронный RS-триггер с парафазным информационным входом по п.2, отличающийся тем, что в него введены элемент фиксации окончания предустановки, пятый вход блока индикации и третья группа входов И во второй элемент И-ИЛИ-НЕ, первый и второй входы элемента фиксации окончания предустановки соединены с первым информационным выходом триггера и входом предустановки триггера соответственно, а выход подключен к пятому входу блока индикации, причем элемент фиксации окончания предустановки реализован на втором элементе ИЛИ-НЕ, входы которого являются входами элемента фиксации окончания предустановки, а выход служит выходом элемента фиксации окончания предустановки, вход третьей группы входов И второго элемента И-ИЛИ-НЕ подключен к пятому входу блока индикации, предустановка является самосинхронной.
9. Однотактный самосинхронный RS-триггер с парафазным информационным входом со спейсером по п.3, отличающийся тем, что в него введены элемент фиксации окончания предустановки, пятый вход блока индикации и третья группа входов ИЛИ во второй элемент ИЛИ-И-НЕ, первый и второй входы элемента фиксации окончания предустановки соединены с первым информационным выходом триггера и входом предустановки триггера соответственно, а выход подключен к пятому входу блока индикации, причем элемент фиксации окончания предустановки реализован на втором элементе И-НЕ, входы которого являются входами элемента фиксации окончания предустановки, а выход служит выходом элемента фиксации окончания предустановки, вход третьей группы входов ИЛИ второго элемента ИЛИ-И-НЕ подключен к пятому входу блока индикации, предустановка является самосинхронной.
10. Однотактный самосинхронный RS-триггер с парафазным информационным входом по п.7, отличающийся тем, что в него введен второй индикаторный выход, подключенный к выходу элемента фиксации окончания предустановки.
11. Однотактный самосинхронный RS-триггер с парафазным информационным входом по п.8, отличающийся тем, что в него введен второй индикаторный выход, подключенный к выходу элемента фиксации окончания предустановки.
12. Однотактный самосинхронный RS-триггер с парафазным информационным входом по п.9, отличающийся тем, что в него введен второй индикаторный выход, подключенный к выходу элемента фиксации окончания предустановки.
РИСУНКИ
|